Wiring schematics for 14 pin Aokus Xenon headlight needed?

Tiny
AD1984
  • MEMBER
  • 2010 AUDI CABRIOLET
  • 2.0L
  • 4 CYL
  • TURBO
  • 4WD
  • AUTOMATIC
  • 130,000 MILES
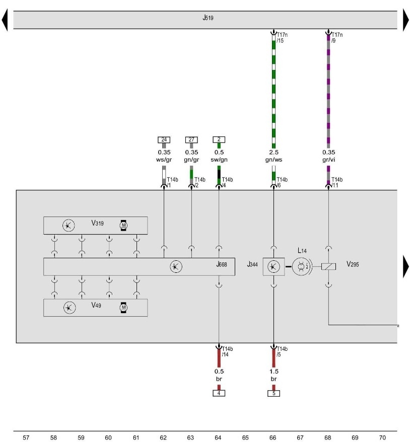
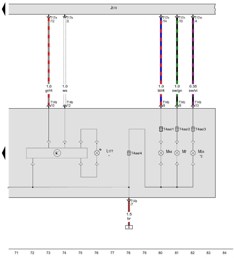
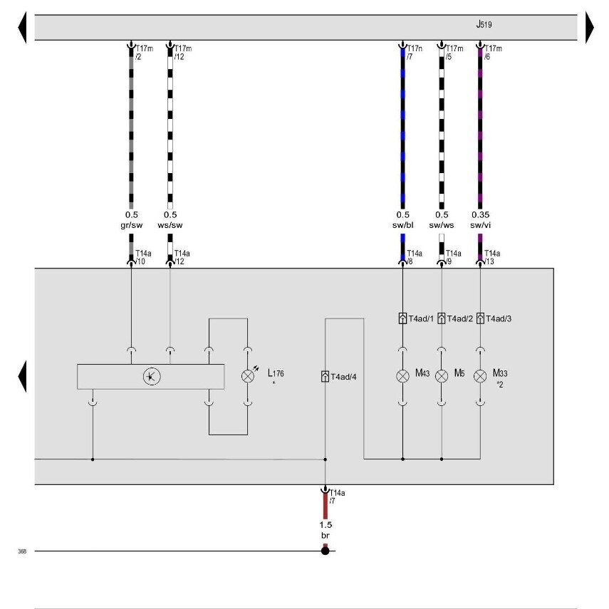
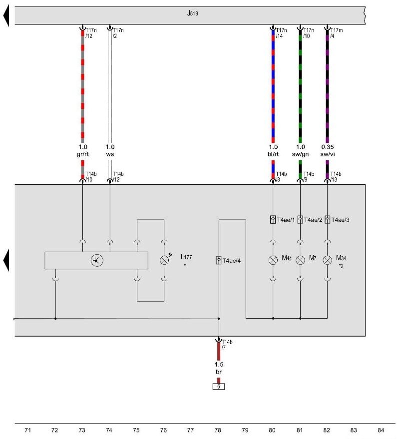
I had 5 wires pulled out of my headlight connector on the passenger side.
Thursday, December 8th, 2022 AT 12:54 AM

1 Reply

Tiny
STEVE W.
  • MECHANIC
  • 15,451 POSTS
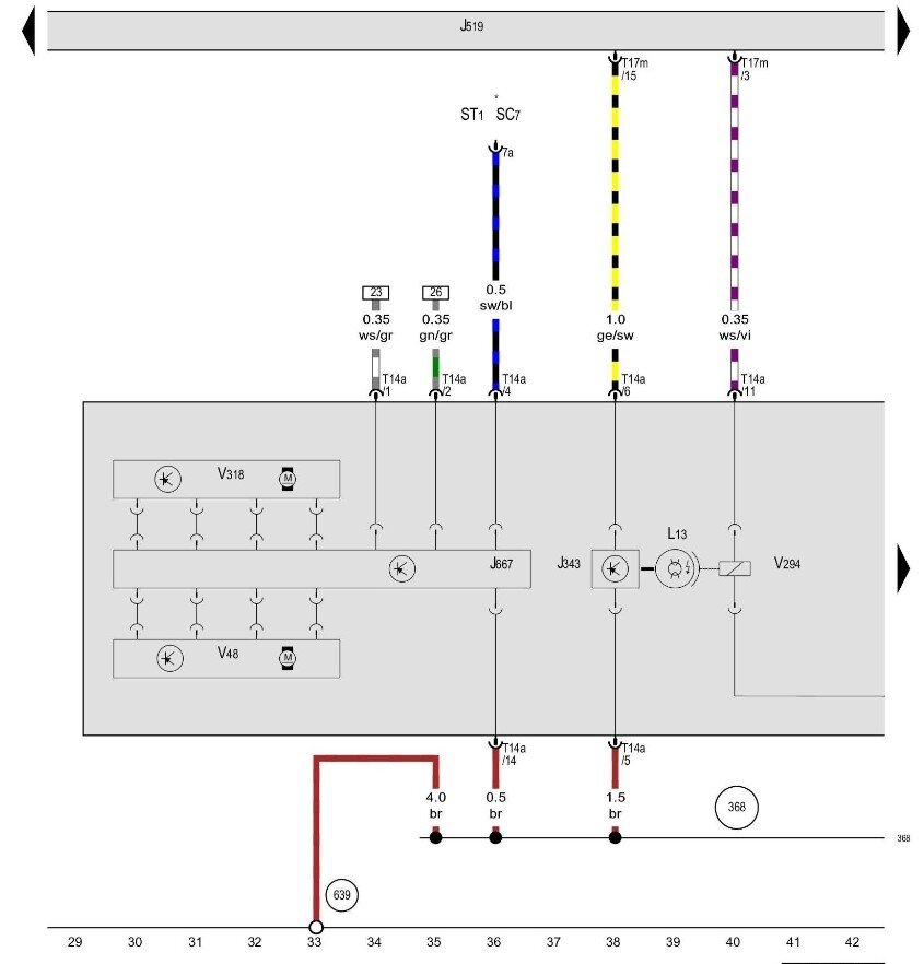
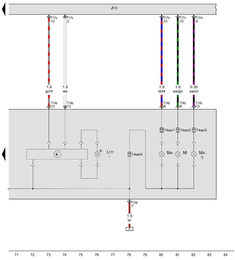
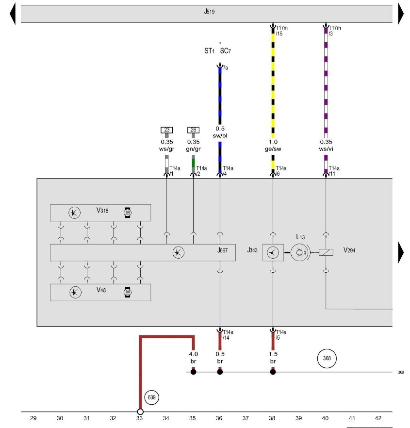
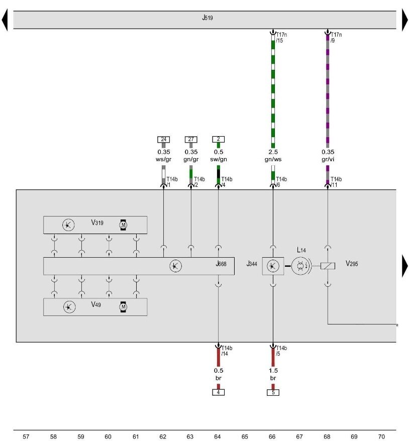
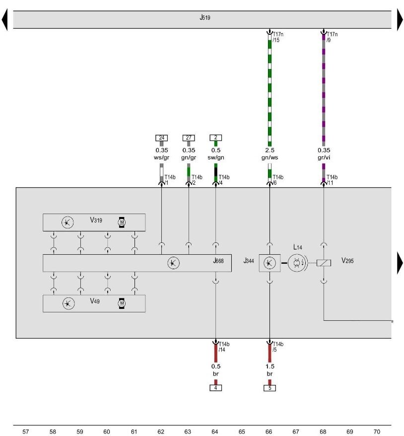
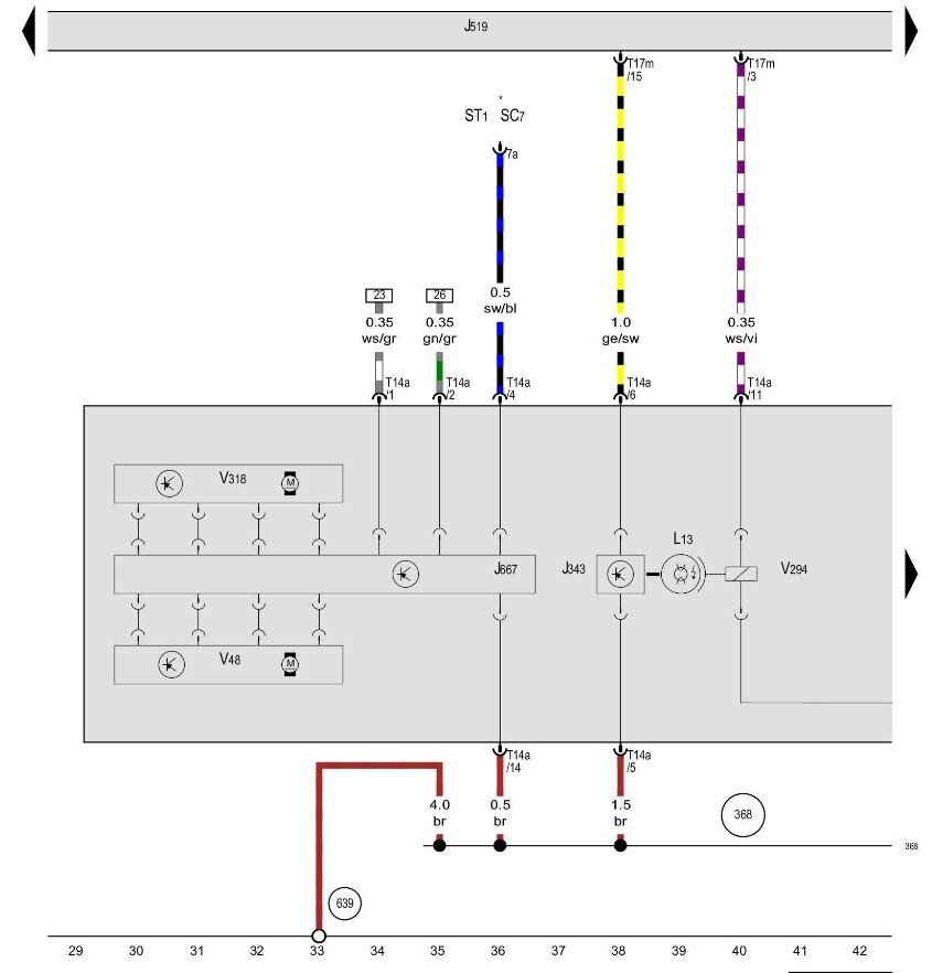
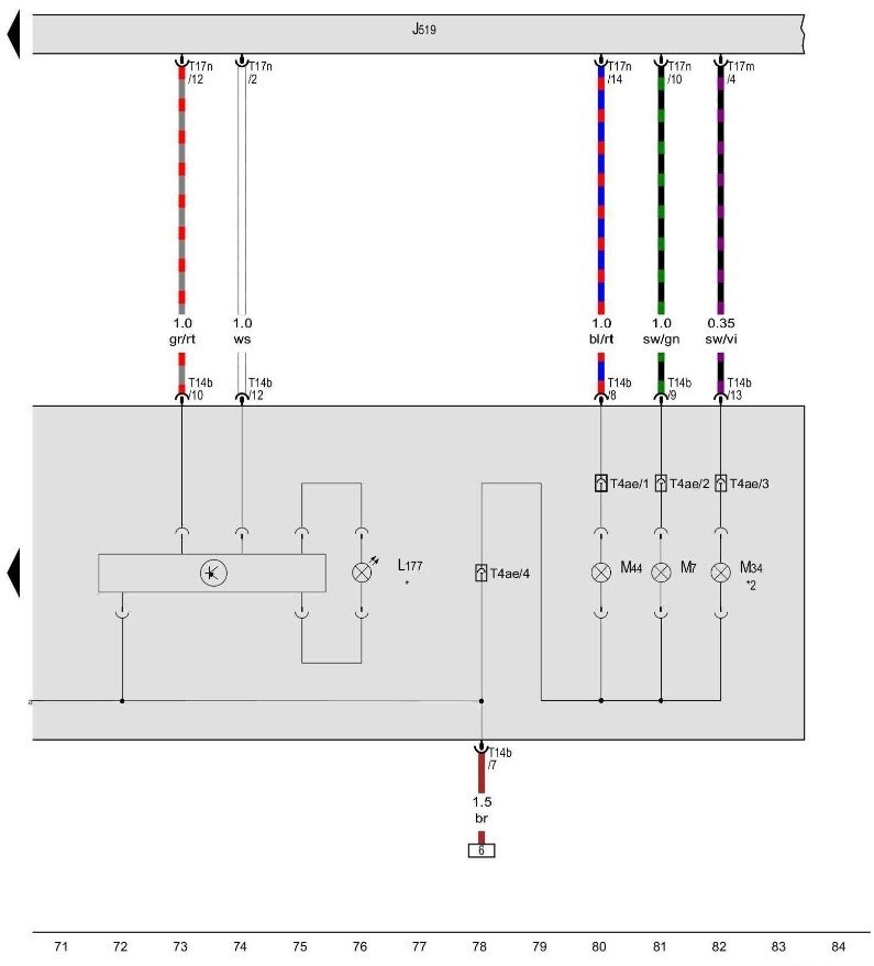
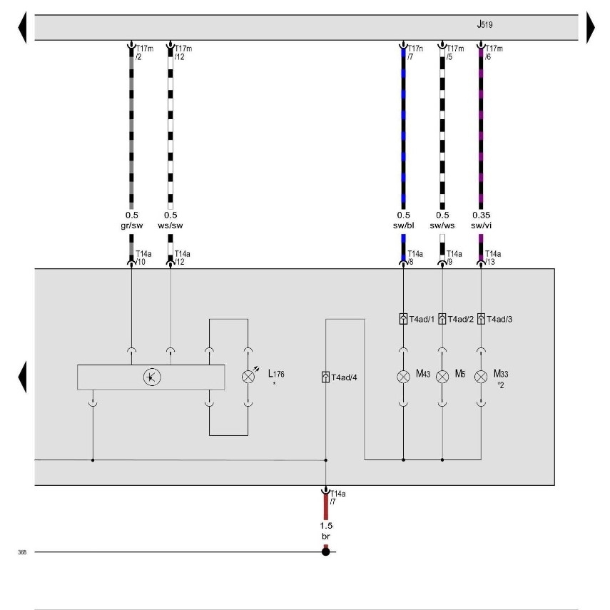
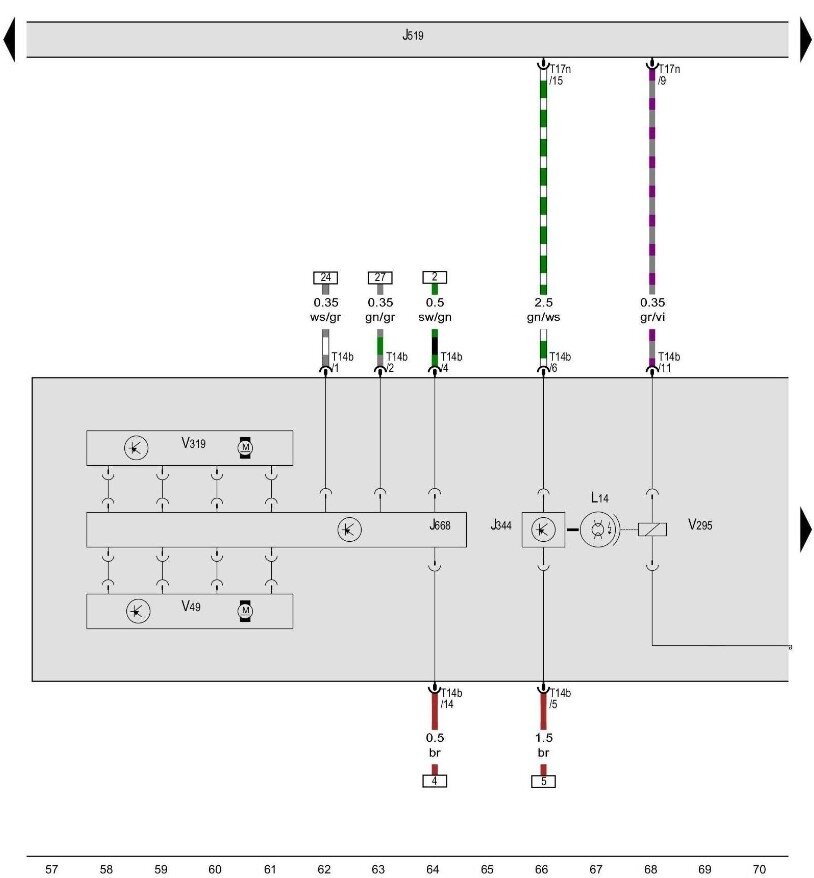
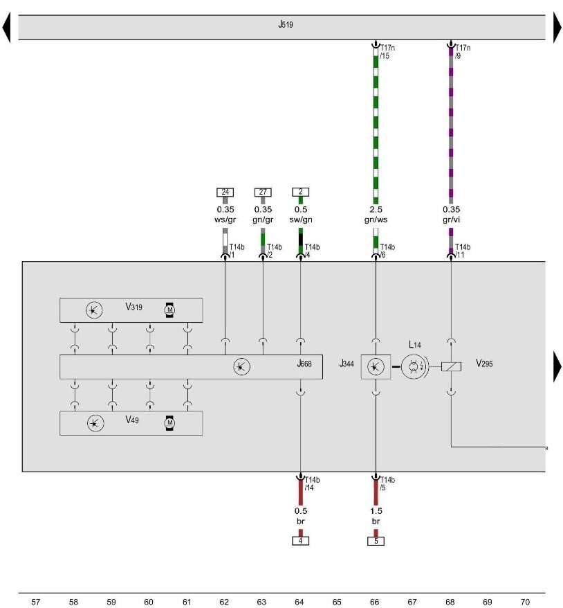
These are the diagrams for the light modules. The first one is just the right-hand lamp module. The other 7 are the OE wiring diagram and the key for the symbols and colors. If the wires pulled free with the contact pins be sure to bend the retainer tangs out so they clip in when you put them back.
Was this
answer
helpful?
Yes
No
+1
Thursday, December 8th, 2022 AT 8:44 AM

Please login or register to post a reply.