Wiring issue p0882 code?

2013 RAM 1500
229,000 MILES • 5.7L • V8 • 4WD • AUTOMATIC
Avatar
JONATHAN5929
  • MEMBER
  • 3 POSTS
I need the wire location and description for power to the pcm to solve a p0882 code
Sep 6, 2025 at 12:03 AM
Repair Safety Notice: This information is for general instructional purposes only. Vehicle repair can be dangerous. Verify all information, follow manufacturer service procedures, use proper tools and safety equipment, and consult a qualified repair shop when needed.
Advertisement
Avatar
STRAILER
  • CAR REPAIR CONTRIBUTOR
  • 54,223 POSTS
So this is a TCM power issue. I would start by checking the fuse# 94 - 10 amp an fuse# 57 - 20 amp in the fuse panel under the hood.

P0882 - TCM Power Input Signal Low

Test for power at the fuses as well, this guide will help.

https://www.2carpros.com/articles/how-to-check-a-car-fuse

Please go over this guide and get back to us.

Sep 6, 2025 at 4:48 PM
Advertisement
Avatar
JONATHAN5929
  • MEMBER
  • 3 POSTS
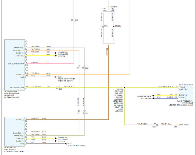
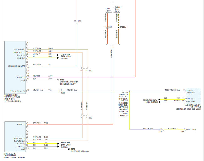
I am a veteran mechanic. I need to know where the voltage supply wire is located for the TCM
Sep 8, 2025 at 8:19 AM
Avatar
JONATHAN5929
  • MEMBER
  • 3 POSTS
All fuses and relays have been checked
Sep 8, 2025 at 8:20 AM
Avatar
STRAILER
  • CAR REPAIR CONTRIBUTOR
  • 54,223 POSTS
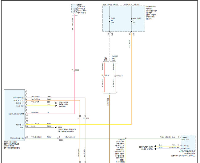
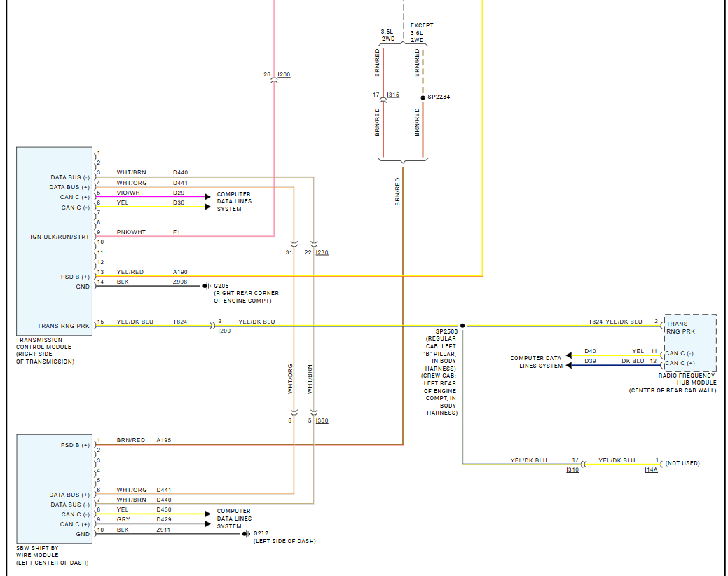
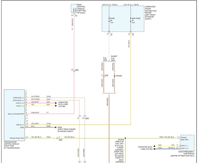
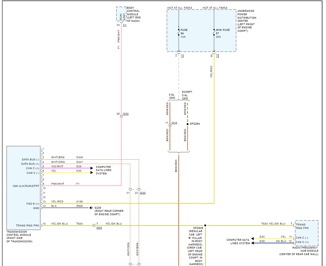
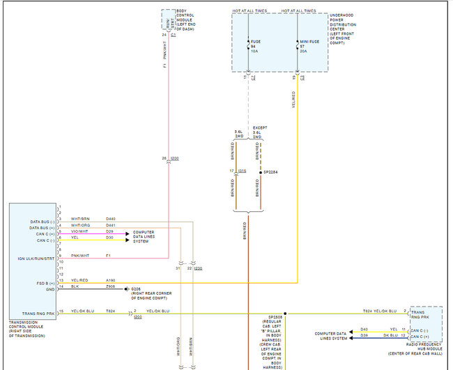
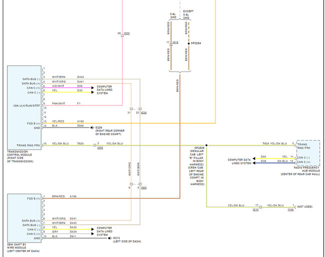
Okay, thanks for the clarification. Here are the wiring diagrams for the TCM which shows the power and ground wires to help confirm. Check out the images (below). Please let us know what happens.
Sep 8, 2025 at 11:07 AM