Wiring harness/switch replacement?

2000 CHEVROLET SILVERADO
210,000 MILES • 5.3L • V8 • 2WD • AUTOMATIC
Avatar
ALIESHABROWN
  • MEMBER
  • 1 POST
My truck listed above has electric doors and locks. I'm replacing the switch that regulates the windows. I need a diagram/pic of the wires to match them up. There are extra blue and black wires coming from the switch itself.
Jan 12, 2023 at 1:15 AM
Repair Safety Notice: This information is for general instructional purposes only. Vehicle repair can be dangerous. Verify all information, follow manufacturer service procedures, use proper tools and safety equipment, and consult a qualified repair shop when needed.
Advertisement
Avatar
AL514
  • CAR REPAIR CONTRIBUTOR
  • 5,488 POSTS
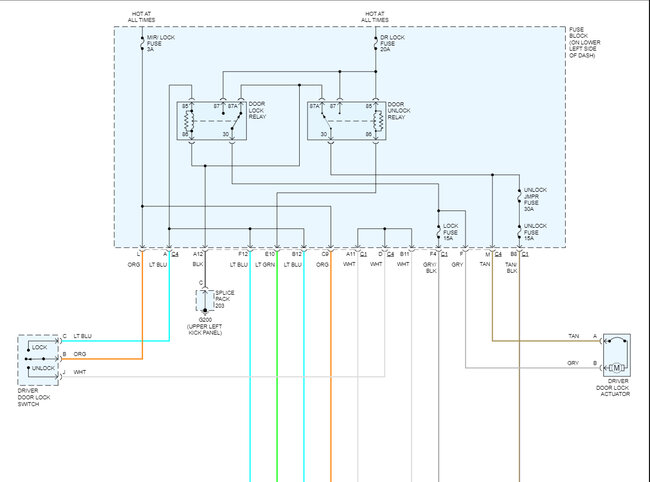
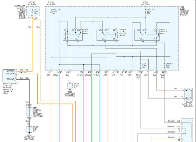
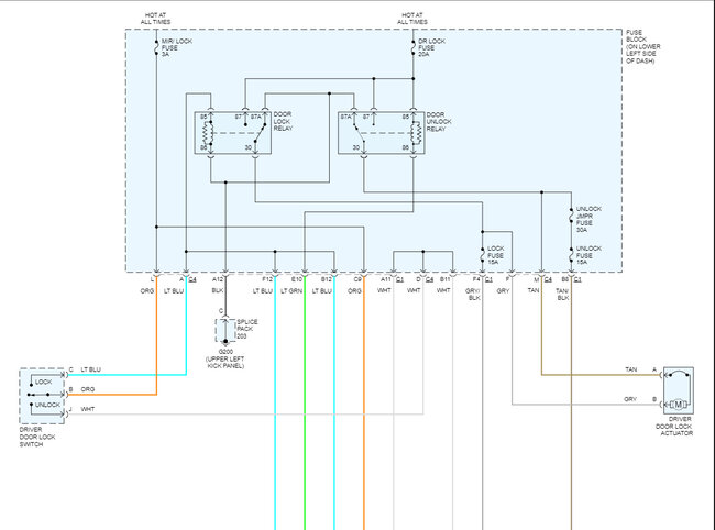
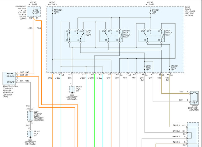
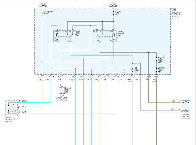
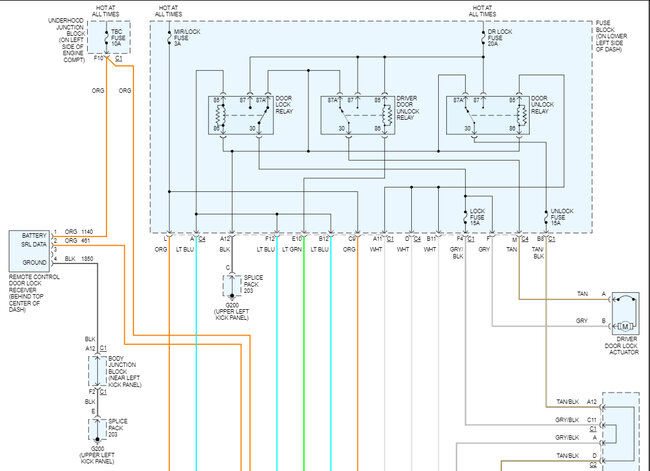
Hello, is this a C1500 or C2500 series Silverado? If this diagram does not match up to the colors for your truck, just add your VIN and we can look the vehicle up by that. But the first diagram is the top half, and the second is the bottom half. This is only for the window section of the switch. I'll put up the locks just in case you need those as well.
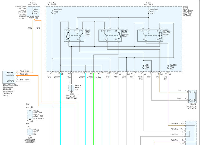
There are two different setups for the electronic door locks, a Base model and an Upper Model which includes an extra relay for just the driver's door. Diagrams 3 and 4 are the Base model locks and diagrams 5 and 6 are the Upper-level model. If you print these diagrams out, you'll see how they line up. Hope this helps.


https://www.2carpros.com/articles/electric-window-repair
Jan 12, 2023 at 7:28 AM
Advertisement