Wiring harness cut

Tiny
JUSTACARGIRL
  • MEMBER
  • 2003 MITSUBISHI ECLIPSE
  • 2.4L
  • 4 CYL
  • 2WD
  • MANUAL
  • 75,000 MILES
I have the car listed above GS, that someone cut the wiring harness behind the stereo the stereo. Clip is still intact as are the climate control clips, there are two other bunches of wires that I don’t know what they are that are cut. I need help getting a diagram. The only things that seem to work on the car are the interior and exterior lights and the dinging to say the door is open and key is in ignition. When I turn the key absolutely nothing happens.
Sunday, November 14th, 2021 AT 11:40 AM

10 Replies

Tiny
AL514
  • MECHANIC
  • 5,584 POSTS
Hello,

I will do my best to ID these wires, might take a little bit, can you clean those fibers away in the first picture so I can see the wire coloring better. Also does the check engine light come on when you turn the key to the on position? Or the Start position, it should come on for a couple seconds.
Are these wires directly behind the radio, or more down under the dash? Any more on location will help a lot.
And do you have a multimeter by chance?
I need a couple more angled pictures so I can see the stripes on the wires too.
If I can get you to check for power on a few fuses, even with a regular 12volt automotive test light, it will also help a lot. I can already see some possibilities

So far, a lot of these look like they were for the Radios Amplifier (which would be under the passenger seat) if its missing, they probably took it.

If you can, in each picture, so picture 1 I see 4 or 5 wires, can you give me each wires color, I see a green, blue, yellow, orange/yellow.

Second picture I see, 2 black, 2 white/red, 2 white/light blue, 2 orange/blue, 1 yellow/red, 2 blue/light blue, 1 black/purple, 2 yellow/, 1 black/blue, 1 orange with strains on the end.
If you can correct any of those.
Was this
answer
helpful?
Yes
No
Sunday, November 14th, 2021 AT 12:47 PM
Tiny
JUSTACARGIRL
  • MEMBER
  • 8 POSTS
Okay, let’s start with a picture of one of the wires are Tiny and they are red, white, black, yellow, green, blue and it comes from the same place the antenna and remote wires come from.

And now for the wires in picture to there is a
gray with blue stripe
gray with a red stripe,
2 blue with no stripe
2 Black with no stripe
brown with blue stripe
brown with red stripe
white with blue stripe
yellow with red stripe
orange with blue stripe
yellow with blue stripe
white with red stripe
black with blue stripe
black with red stripe.
And that set of wires comes from the lower right-hand side.
Was this
answer
helpful?
Yes
No
Monday, November 15th, 2021 AT 1:06 PM
Tiny
JUSTACARGIRL
  • MEMBER
  • 8 POSTS
So, I replaced a couple of fuses and relays under the hood, and I’ve gotten headlights turn signals odometer instrument cluster all works now when I try to start it all I get is a click.
Was this
answer
helpful?
Yes
No
Monday, November 15th, 2021 AT 1:39 PM
Tiny
AL514
  • MECHANIC
  • 5,584 POSTS
Okay. So, from the first picture is the red, white, black, yellow, green, blue? Haven't seen a plain white wire except the cruise control unit, and are you missing any of the control face units? Like heater control unit, etc. Maybe take a picture of the whole dash so I can see what's missing altogether. Because I'm having to go through diagram by diagram to ID wires, and there's a lot of them. And if the heater controls are not missing, does it light up when the lights are turned on?
Was this
answer
helpful?
Yes
No
Monday, November 15th, 2021 AT 2:03 PM
Tiny
JUSTACARGIRL
  • MEMBER
  • 8 POSTS
Okay, I’m checking now one, sec.
Was this
answer
helpful?
Yes
No
Monday, November 15th, 2021 AT 2:15 PM
Tiny
JUSTACARGIRL
  • MEMBER
  • 8 POSTS
So, the big cluster of wires is supposed to go down under the seat, so I suspect you’re right on that. As far as the controls on the dash I’m not missing any and everything turns on and works as far as the climate control all lights everything works except for the push for the max A/C I guess doesn’t come on and light up.
Was this
answer
helpful?
Yes
No
Monday, November 15th, 2021 AT 2:51 PM
Tiny
JUSTACARGIRL
  • MEMBER
  • 8 POSTS
I think the car will start without any of those wires hooked up honestly because it does try to start except for all I get is a click from under the hood and it’s a pretty loud click. I don’t hear a fuel pump kicking on, but I have noticed that a lot of fuses look like they’re missing maybe some relays I haven’t been able to find diagram specifically for this car, but I think now I’m to the point I just need to know about the fuses and relays that should be in the car. There’s a ground wire coming off the battery terminal that has been cut not sure where that’s supposed to go, so that’s where I’m at I won’t be able to do anymore until about 9:30 Central time tonight because I’ve got to go back to work.
Was this
answer
helpful?
Yes
No
Monday, November 15th, 2021 AT 2:55 PM
Tiny
JUSTACARGIRL
  • MEMBER
  • 8 POSTS
On a sidenote I’m not sure if this matters but when I turn the key, I get six sets of dings I guess it dings twice six different times I don’t know if that says anything or means anything.
Was this
answer
helpful?
Yes
No
Monday, November 15th, 2021 AT 2:56 PM
Tiny
JUSTACARGIRL
  • MEMBER
  • 8 POSTS
I have checked all the fuses and places that it looks like fuses should go and I’m getting power to all of them and some that don’t have fuses in them I just don’t know what goes where.
Was this
answer
helpful?
Yes
No
Monday, November 15th, 2021 AT 2:56 PM
Tiny
AL514
  • MECHANIC
  • 5,584 POSTS
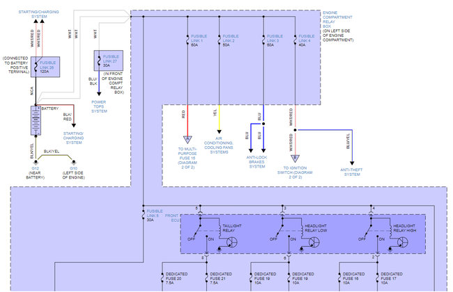
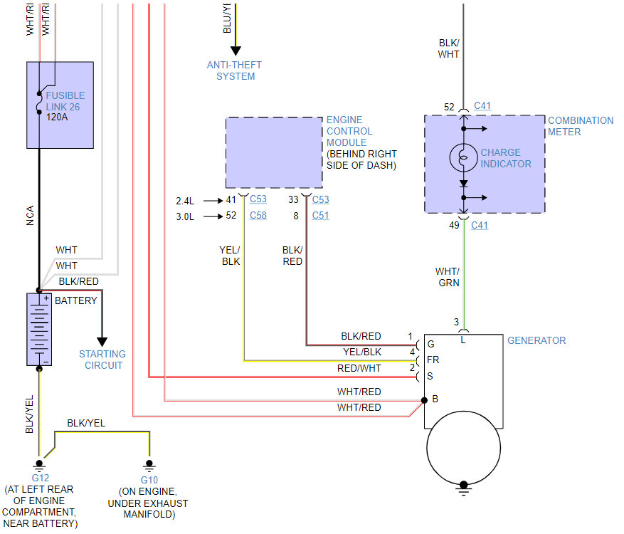
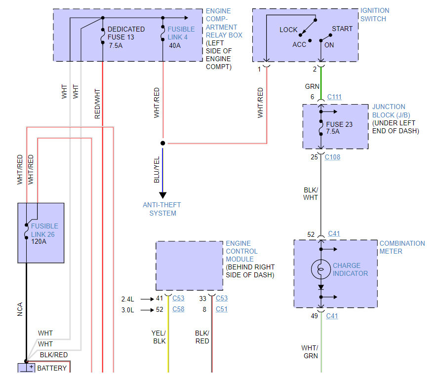
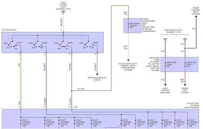
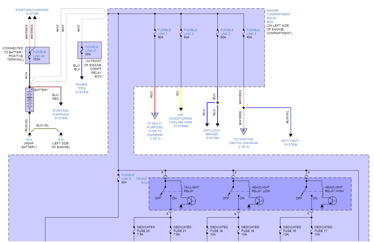
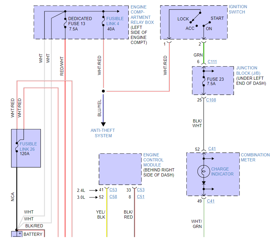
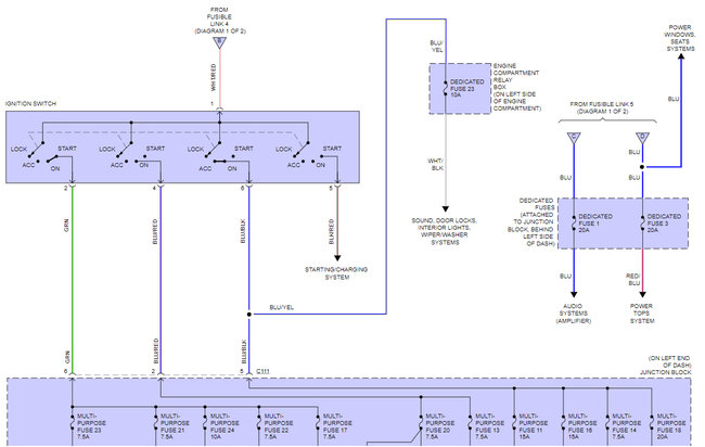
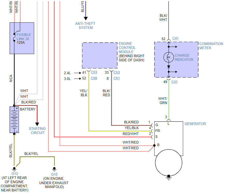
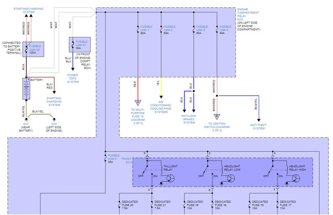
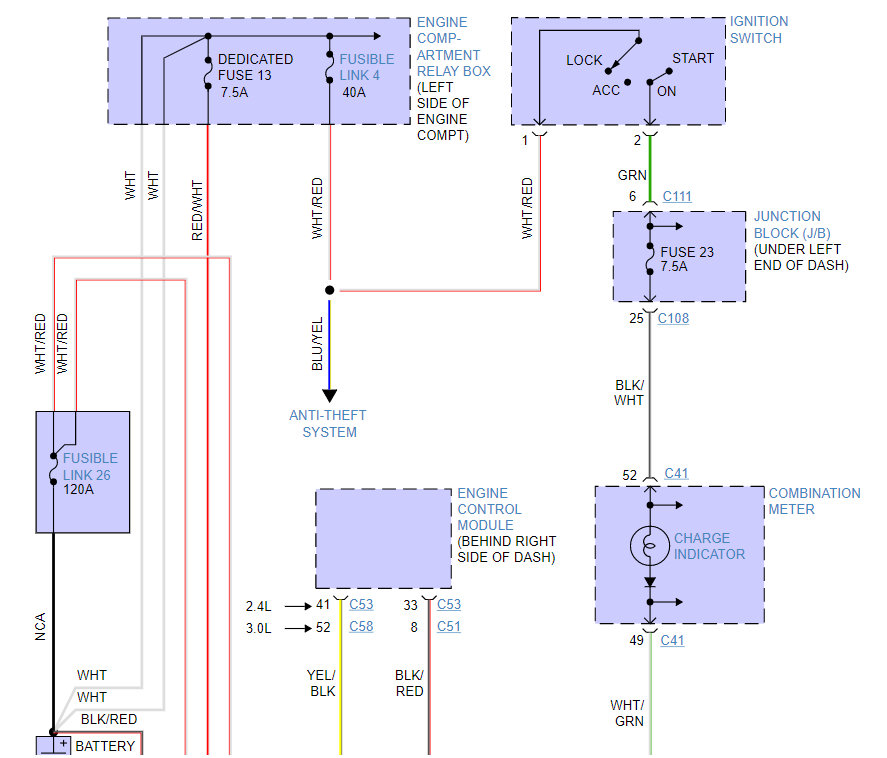
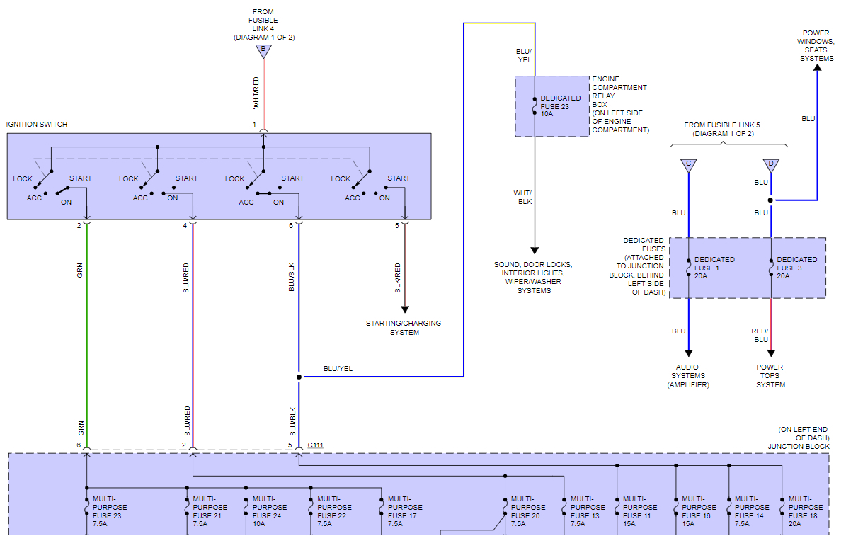
Okay, well I'm posting all the Power Distribution Diagrams (1, 2, 3, 4) and the Starting Diagrams (5&6), This way you can at least know where each Fuse goes to and won't be left waiting for me due to the time difference.
I'm also adding the Fuel Pump Diagram (7) and the MFI Relay (8).
With the Fuel Pump, all those wires to it go back to the ECM,
But also check the MFI Relay, I had an Eclipse once, I think the same year too, and the MFI Relay Harness plug to it was completely filled with green corrosion, The car would run, then not run, do all kinds of strange things. So definitely check harness plugs on these cars.
Was this
answer
helpful?
Yes
No
+1
Monday, November 15th, 2021 AT 3:41 PM

Please login or register to post a reply.