Wiring harness diagram from the fuse box to the alternator to battery needed?

Tiny
CHARLANI
  • MEMBER
  • 2002 JEEP LIBERTY
  • 3.7L
  • V6
  • 4WD
  • AUTOMATIC
  • 128,000 MILES
On the vehicle listed above I am in need of where the wires that go from the fuse box to the alternator to battery run to, I am needing to change the harness completely out. I have it all unhooked from the top of the engine.
Thursday, May 25th, 2023 AT 4:00 PM

1 Reply

Tiny
AL514
  • MECHANIC
  • 5,584 POSTS
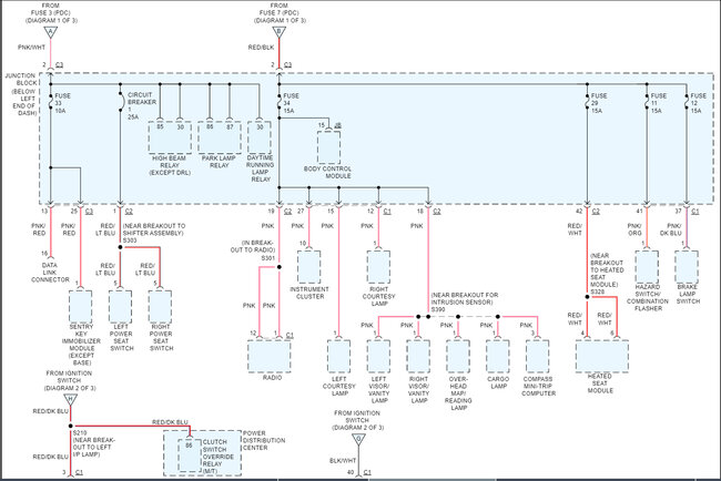
Hello, these are the power distribution wiring diagrams for the vehicle, they are broken up so they could be zoomed in. Diagrams 1, 2, 3, go together. Diagrams 4 and 5 go together. Diagrams 6 and 7 go together, if you want to print them out, you'll see that they line up, for example Diagrams 1 is the top, 2 is the middle and 3 is the bottom of the first page. Hopefully this will help.
just be aware some of the first page is in the engine compartment, but also some sections of the second page are as well. Each blue block is labelled as to where it's located. Ground distribution diagrams are available as well if needed.

https://www.2carpros.com/articles/how-to-check-wiring
Was this
answer
helpful?
Yes
No
Friday, May 26th, 2023 AT 1:17 PM

Please login or register to post a reply.