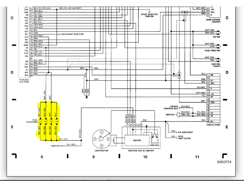
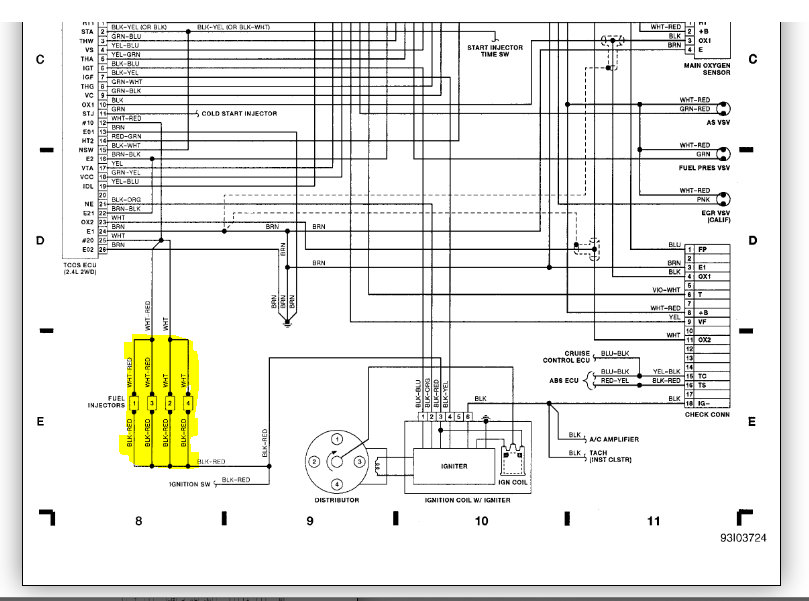
Wiring for injectors diagram

Tiny
PITTBULL
  • MEMBER
  • 1992 TOYOTA PICKUP
  • 2.4L
  • 4 CYL
  • 2WD
  • MANUAL
  • 400,200 MILES
I forgot how to re connect my injectors the right way.
Sunday, September 1st, 2019 AT 2:22 PM

1 Reply

Tiny
SCGRANTURISMO
  • MECHANIC
  • 4,897 POSTS
Hello,

In the wiring diagrams down below I have included the wiring diagram showing the fuel injectors for your vehicle. I have also included a diagram of the fuel injector connectors so you can match up the wires to what cavity they go on the connector. Please use these diagrams to get the wires matched up on your fuel injectors and let us know how everything turns out.

Thanks,
Alex
2CarPros
Was this
answer
helpful?
Yes
No
-1
Sunday, September 1st, 2019 AT 4:04 PM

Please login or register to post a reply.