HOME
ASK A QUESTION
REPAIR GUIDES
BECOME A MEMBER
LOG IN
Login with Facebook
OR
Remember me
NOT A MEMBER?
FORGOT PASSWORD?
CONTACT US
PRIVACY POLICY
TERMS AND CONDITIONS
☰
Home
Ford
Freestyle
Climate Control
Wiring
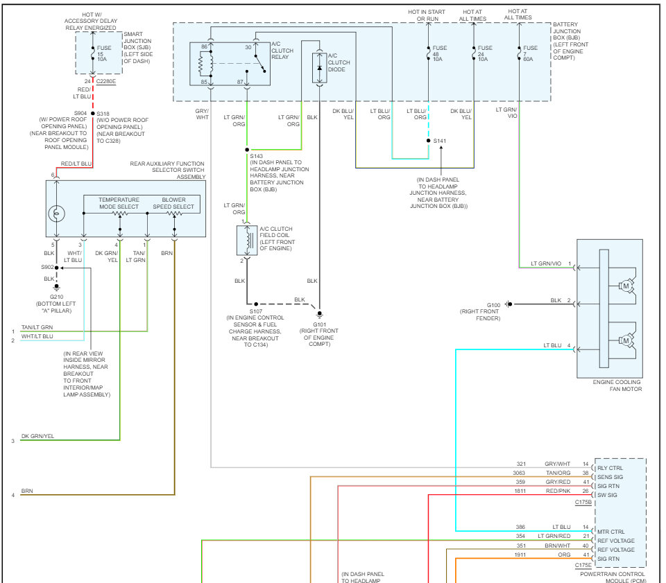
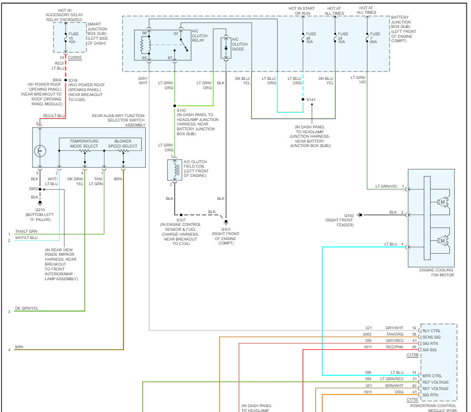
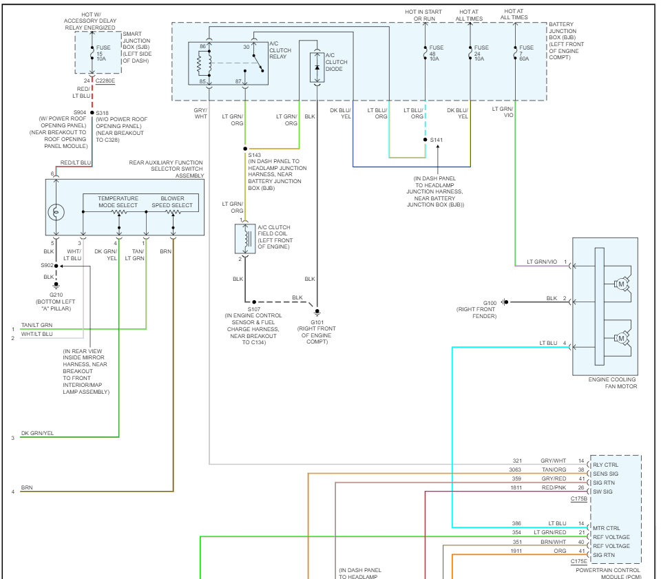
Wiring diagram with dual A/C rear/front?
CODEY ALLEN
MEMBER
2007 FORD FREESTYLE
3.0L
V6
2WD
AUTOMATIC
122,220 MILES
Overcharging battery/alternator from ECU/ECM.
Friday, July 7th, 2023 AT 11:45 PM
1 Reply
KEN L
MASTER CERTIFIED MECHANIC
54,920 POSTS
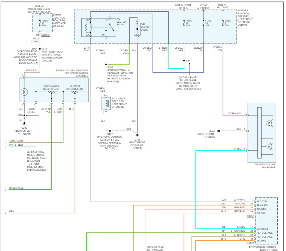
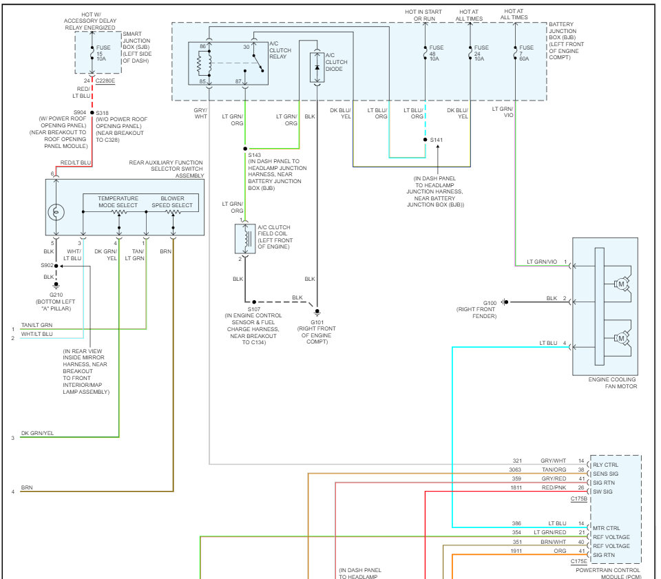
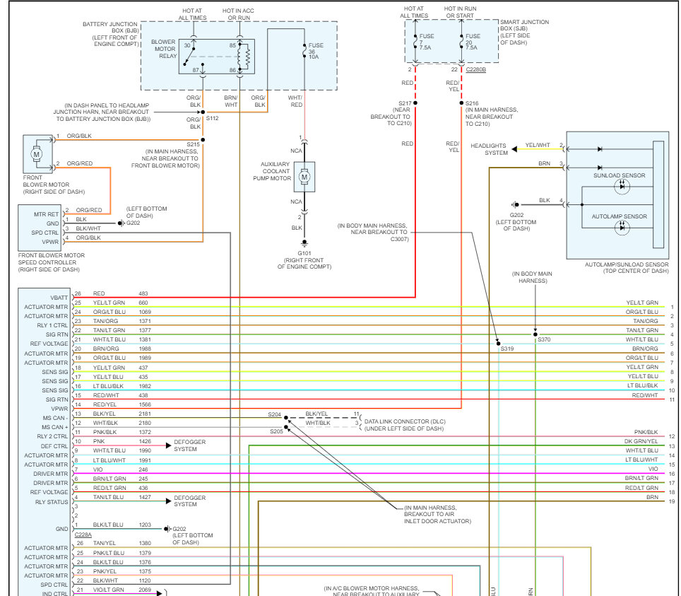
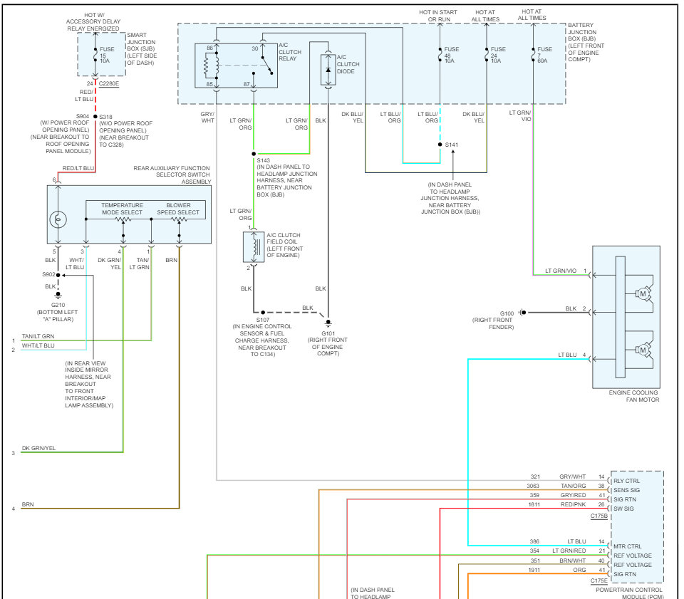
Here are the wiring diagrams as you have requested but I don't think they will have anything to do with the car overcharging the alternator. This guide can help you test the connections:
https://www.2carpros.com/articles/how-to-check-wiring
Check out the images (below). Please let us know how it goes
Images (Click to make bigger)
Was this
answer
helpful?
Yes
No
Saturday, July 8th, 2023 AT 12:40 PM
Please
login
or
register
to post a reply.
Ask a Car Question. It's Free!
How to Vacuum Down and Recharge Your A/C
How to Find Low Side A/C Service Port
Air Conditioner Recharge - Simple