Wiring diagram vats, keyless entry remote control needed

2003 CHEVROLET SILVERADO
155,000 MILES • 8.1L • V8 • 4WD • AUTOMATIC
Avatar
LOUD PELLETIER
  • MEMBER
  • 39 POSTS
I would like to have the wiring diagram of the system vats of the truck listed above (lt) and the keyless entry wiring diagram remote control.
Aug 19, 2021 at 11:11 AM
Repair Safety Notice: This information is for general instructional purposes only. Vehicle repair can be dangerous. Verify all information, follow manufacturer service procedures, use proper tools and safety equipment, and consult a qualified repair shop when needed.
Advertisement
Avatar
JACOBANDNICKOLAS
  • CAR REPAIR CONTRIBUTOR
  • 110,190 POSTS
Hi,

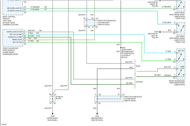
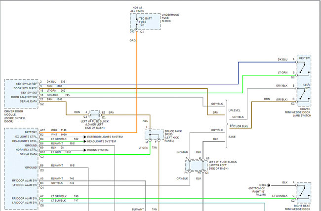
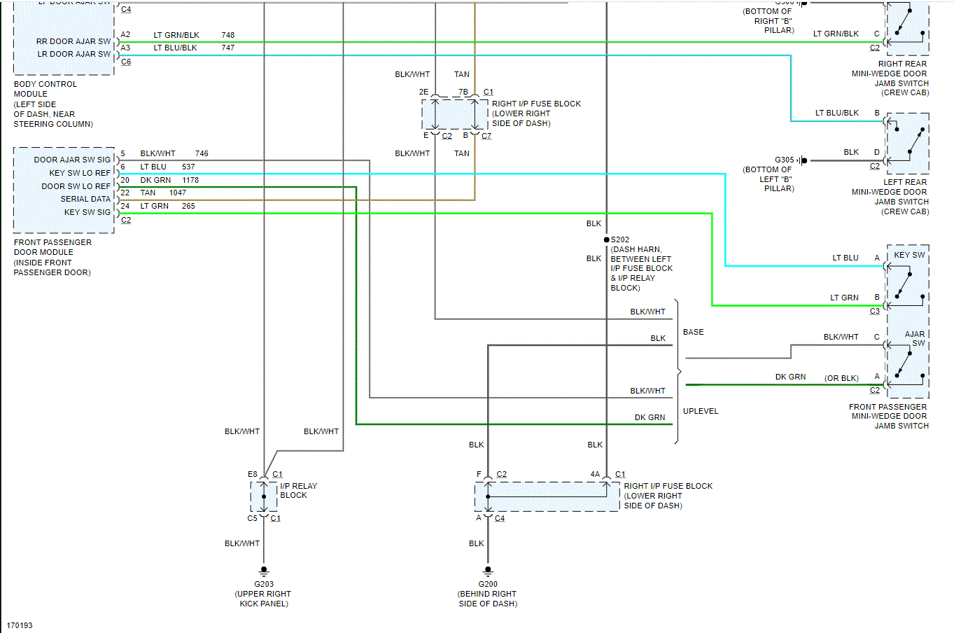
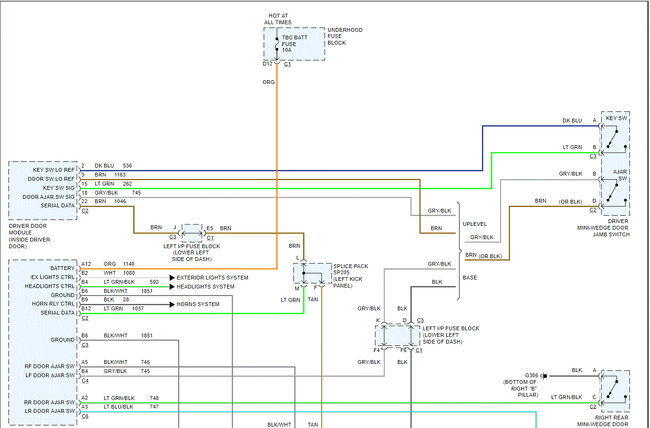
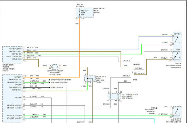
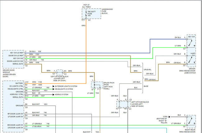
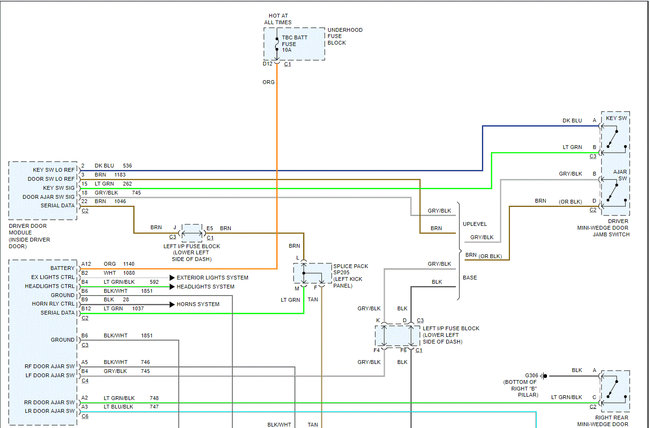
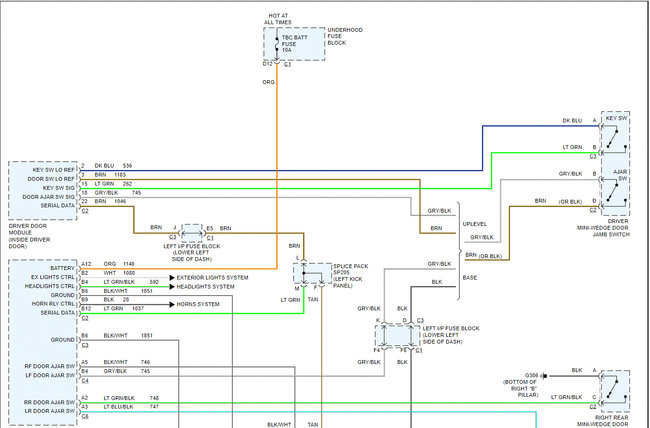
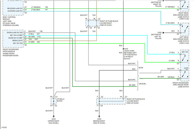
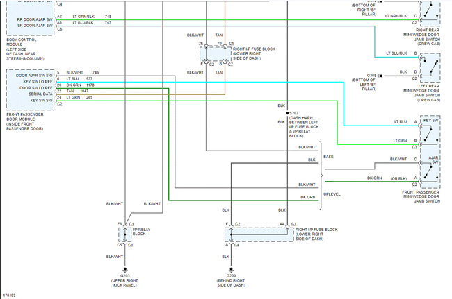
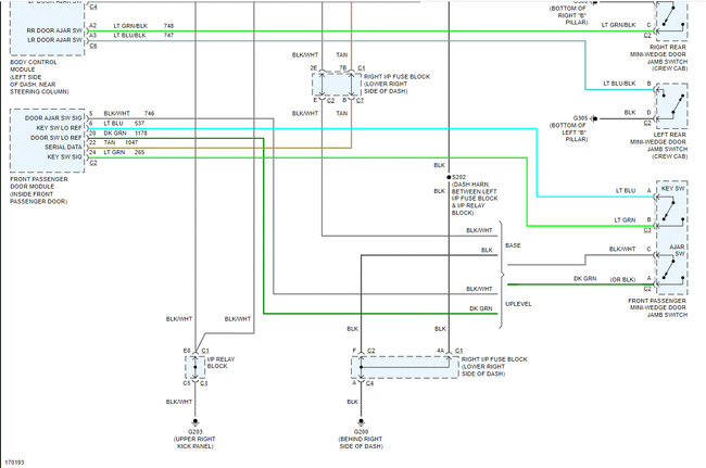
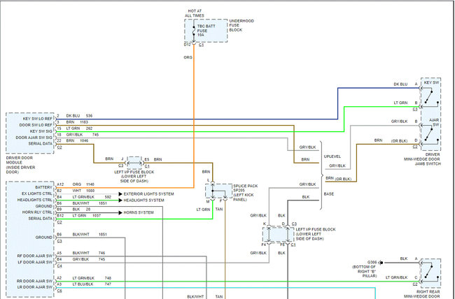
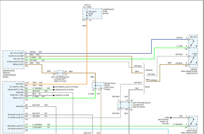
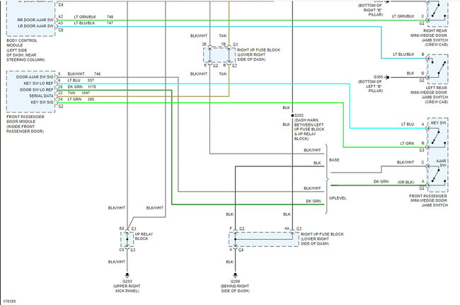
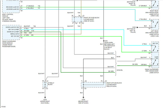
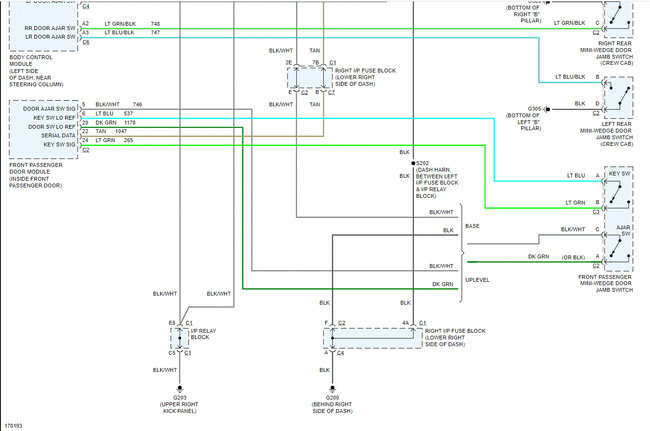
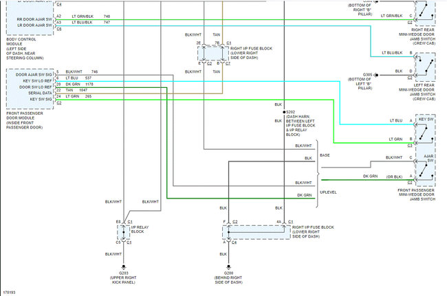
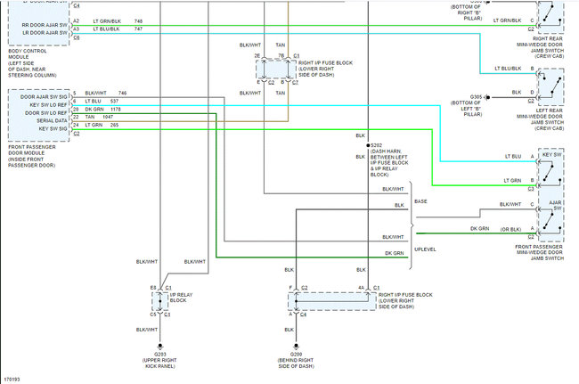
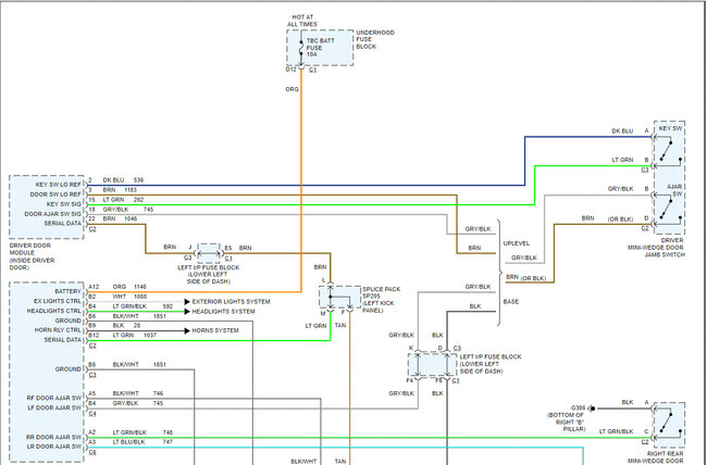
As far as the VATS, the first two pics below are the schematic for the forced entry circuit and pics 3 and 4 are for the pass lock circuit. The last two pics are the manufacturer's schematics of the keyless entry.

I had to cut each pic in half to make them readable, but I did overlap them so you can follow from one to the next.

Here is a link you may find helpful:

https://www.2carpros.com/articles/how-to-check-wiring

Let me know if this helps.

Take care,

Joe

See pics below.
Aug 19, 2021 at 2:30 PM
Advertisement