Wiring diagram to follow wires from O2 sensor to TIPM

Tiny
LAWRNY
  • MEMBER
  • 2005 DODGE CARAVAN
  • 3.8L
  • V6
  • AUTOMATIC
  • 100,000 MILES
I have not been able to find connector diagrams. O2 connector to computer. No power to sensor.
Thursday, December 27th, 2018 AT 11:06 AM

4 Replies

Tiny
DANNY L
  • MECHANIC
  • 5,648 POSTS
Hello, I'm Danny.

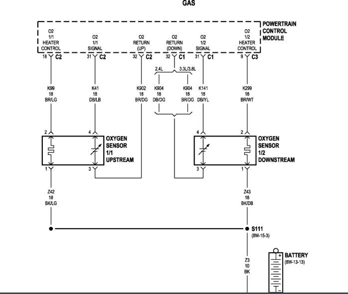
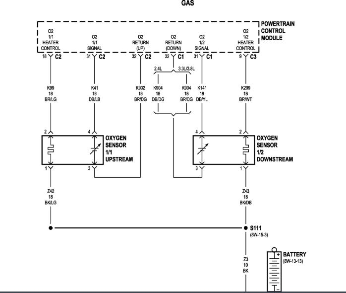
Here is the wiring diagram you requested. The H02 sensors are wired to the PCM (Power-train Control Module) I've attached engine wiring diagrams below. Here is a link for a tutorial showing how to test wiring:

https://www.2carpros.com/articles/how-to-check-wiring

Hope this helps and thanks for using 2CarPros.
Danny-
Was this
answer
helpful?
Yes
No
+2
Saturday, May 8th, 2021 AT 5:31 PM
Tiny
LAWRNY
  • MEMBER
  • 3 POSTS
I need the connection at the other end. TIPM. Thanks
Was this
answer
helpful?
Yes
No
+3
Saturday, May 8th, 2021 AT 5:31 PM
Tiny
ASEMASTER6371
  • MECHANIC
  • 52,796 POSTS
Good afternoon.

I attached the wire diagram for you to view.

It shows the O2 sensor's wiring back to the PCM.

The TIPM has no involvement in the operation of the O2 sensors.

Roy
Was this
answer
helpful?
Yes
No
+3
Saturday, May 8th, 2021 AT 5:31 PM
Tiny
LAWRNY
  • MEMBER
  • 3 POSTS
Thanks.
Was this
answer
helpful?
Yes
No
+1
Saturday, May 8th, 2021 AT 5:31 PM

Please login or register to post a reply.