Monday, August 28th, 2023 AT 10:07 AM
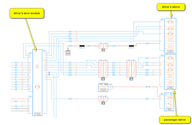
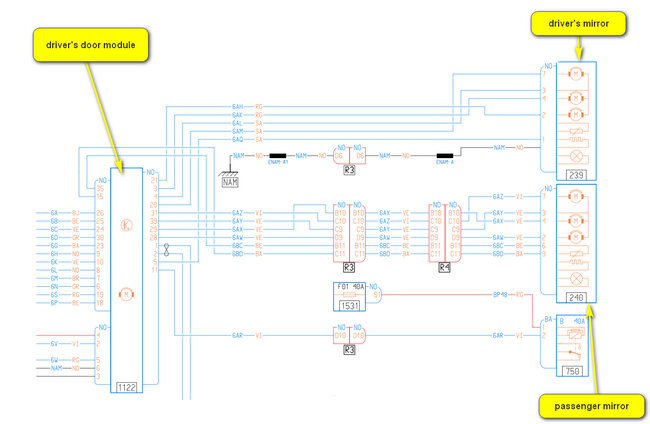
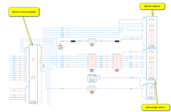
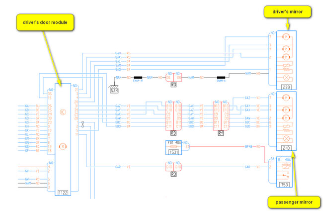
Hi, I a have problem with the wing mirror of my car. That is when car park wing mirror doesn't close, so I need to wiring diagram of wing mirror. Thanks to anybody who can help me.

