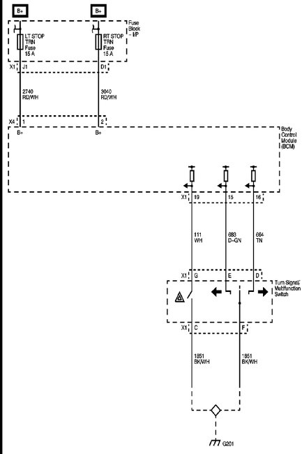
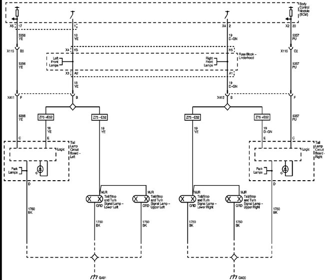
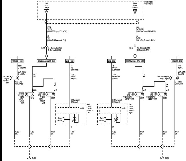
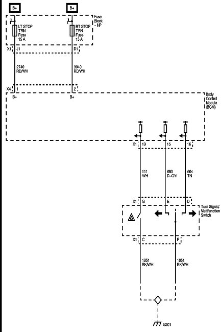
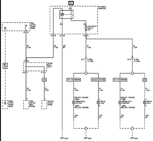
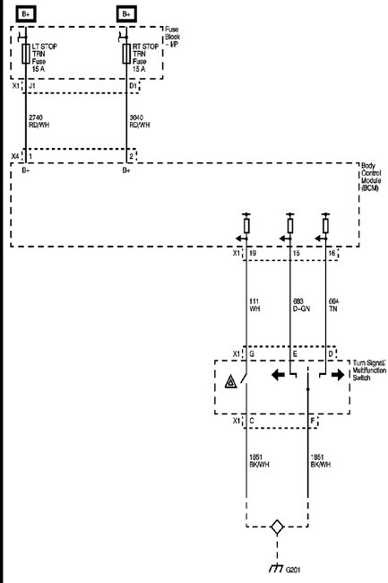
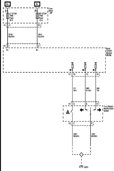
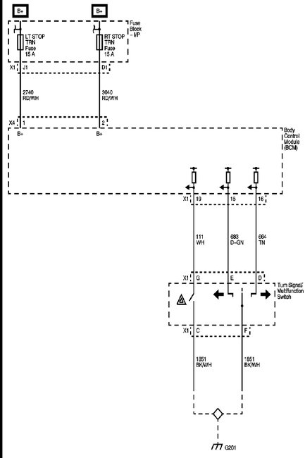
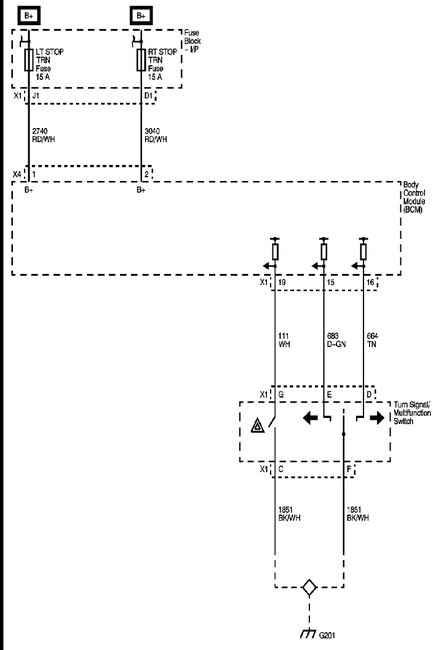
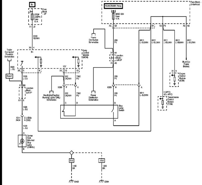
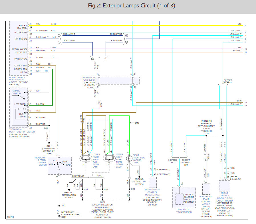
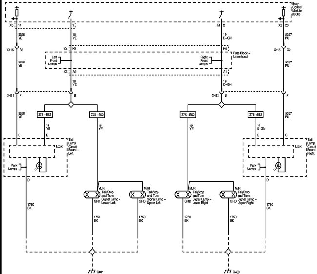
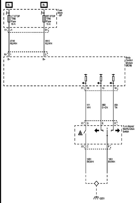
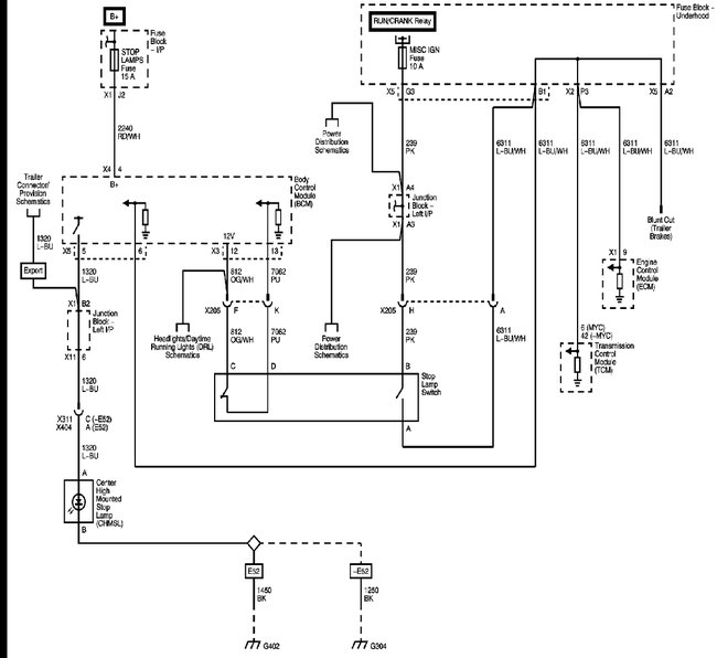
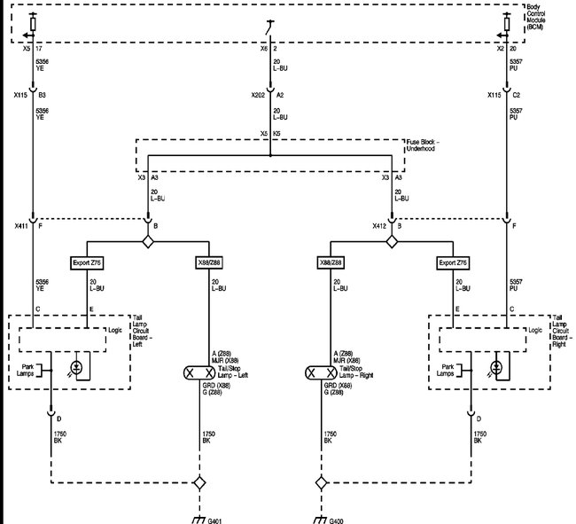
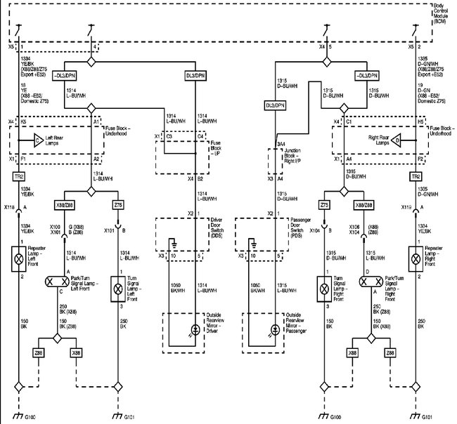
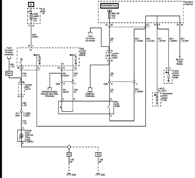
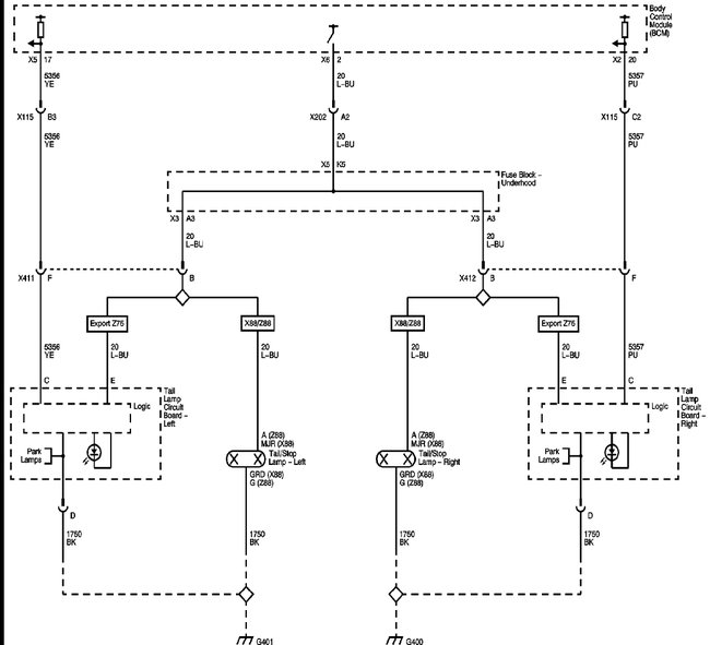
Wiring diagram for the Multi-function switch

Tiny
KGBS
  • MEMBER
  • 2008 CADILLAC ESCALADE
  • 6.2L
  • V8
  • 2WD
  • AUTOMATIC
  • 131,000 MILES
Where can I find the wiring diagram for the multi-function switch of my vehicle? I specifically need to locate the two grounds that go out to the rear turn signals.
Tuesday, November 21st, 2017 AT 1:18 PM

9 Replies

Tiny
STEVE W.
  • MECHANIC
  • 15,686 POSTS
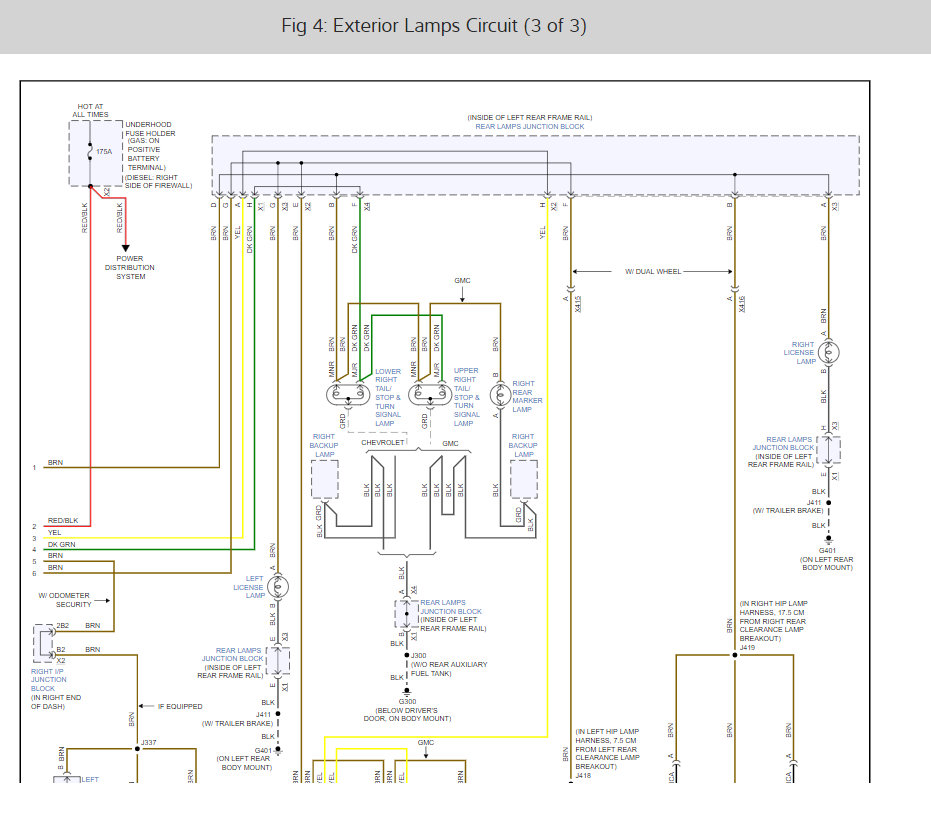
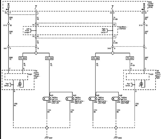
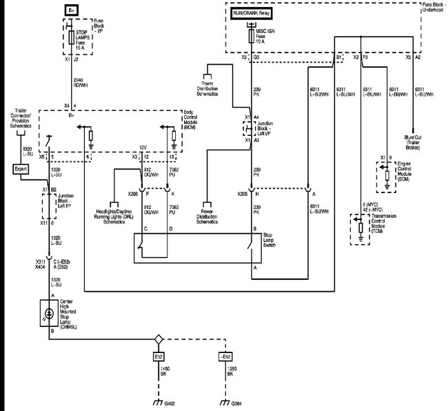
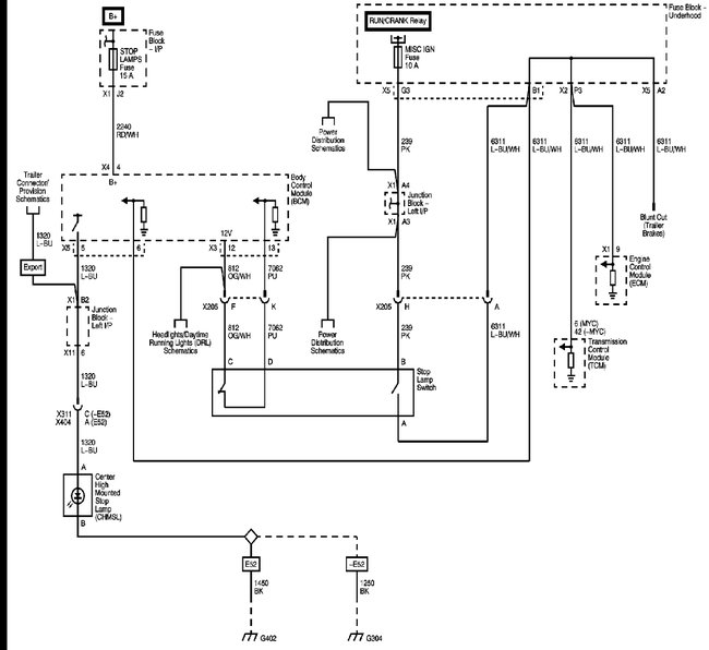
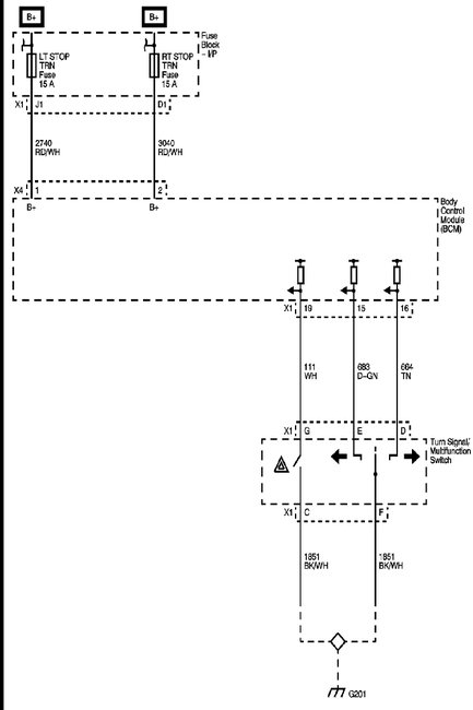
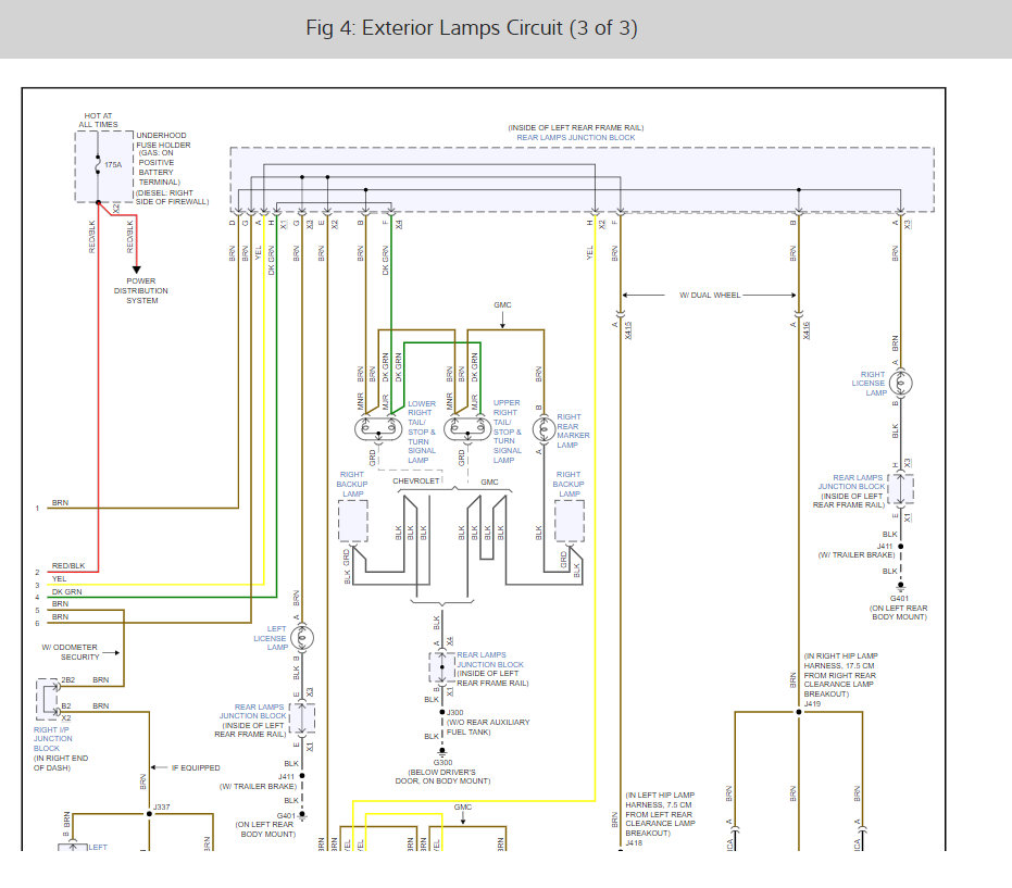
The switch itself only tells the body control computer left/right or hazard flasher. The lights themselves are controlled by the BCM.

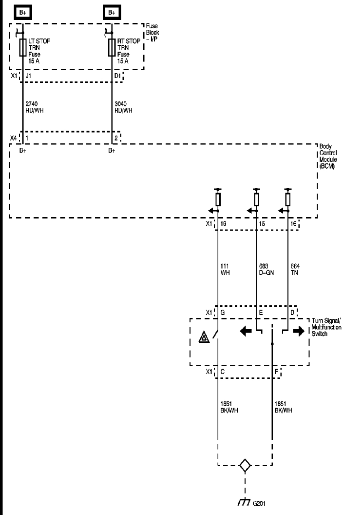
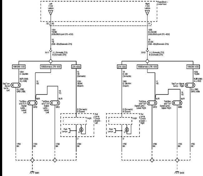
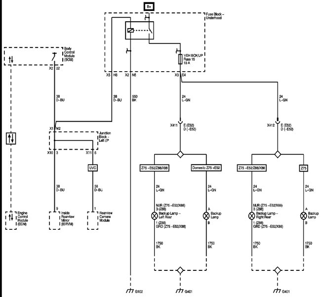
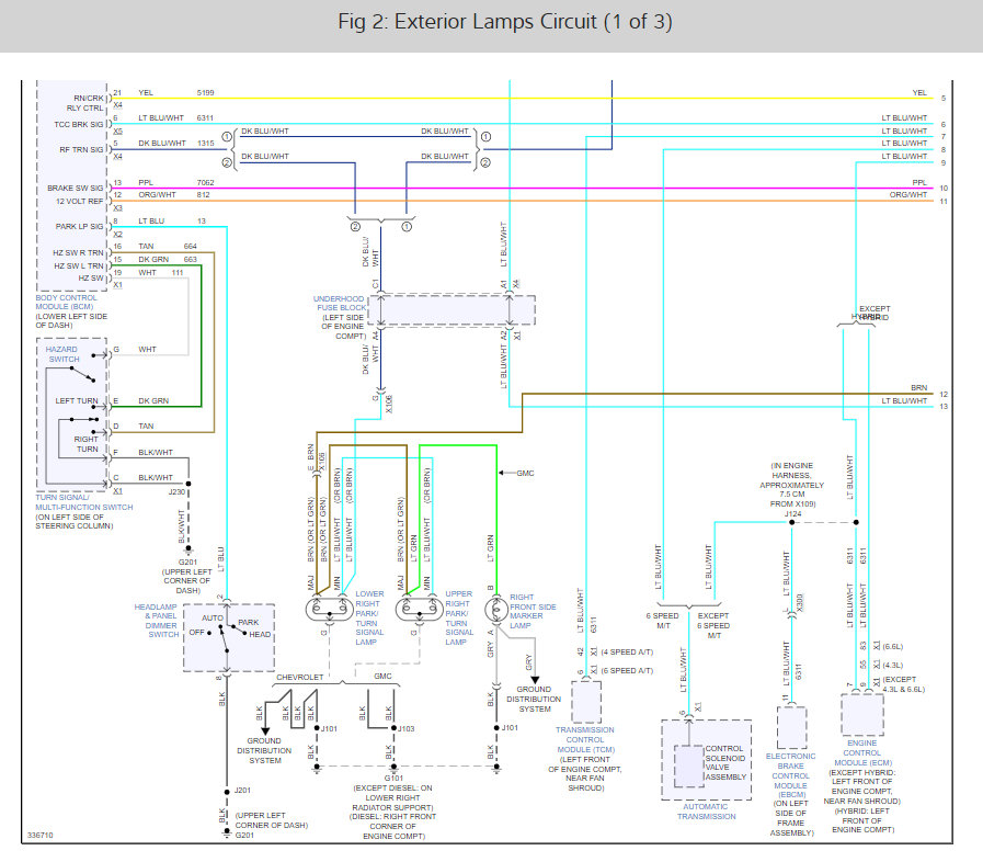
If turning on front and rear signals is acceptable the wire colors are dark green for left turn, and tan for right turn. Apply ground to either wire activates the lights if the key is on.

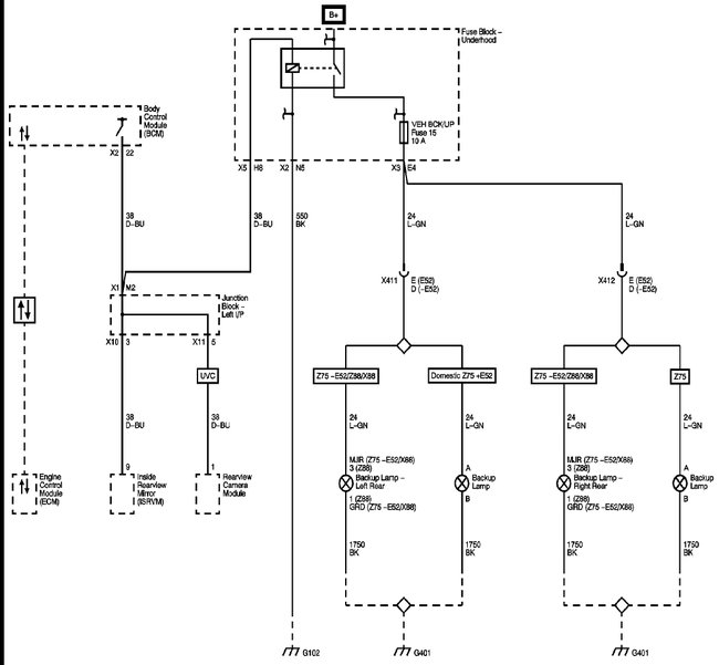
If however you are trying to set this up like a toad for behind a RV, you will probably need to hook in a relay to each actual bulb in the rear to get turn signals because of all the computer modules in between that would need to be powered while towing.

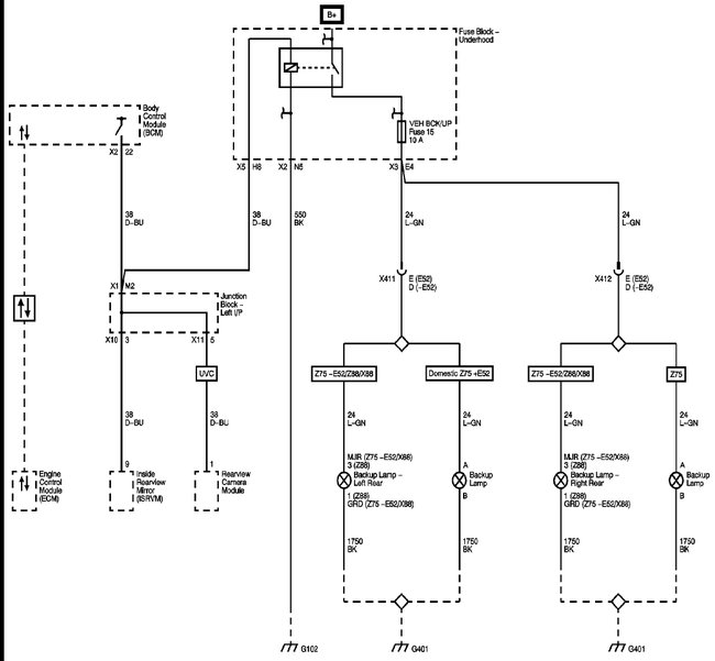
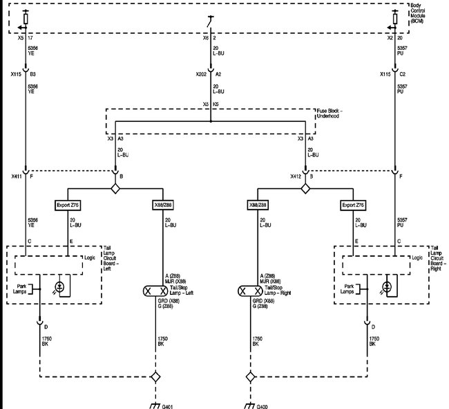
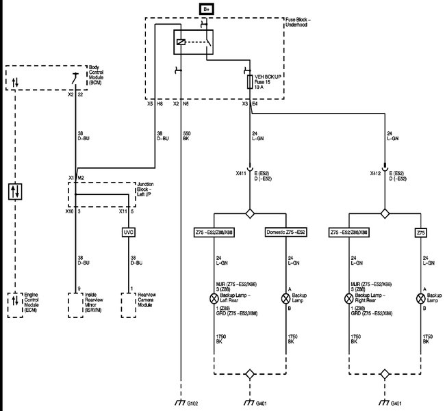
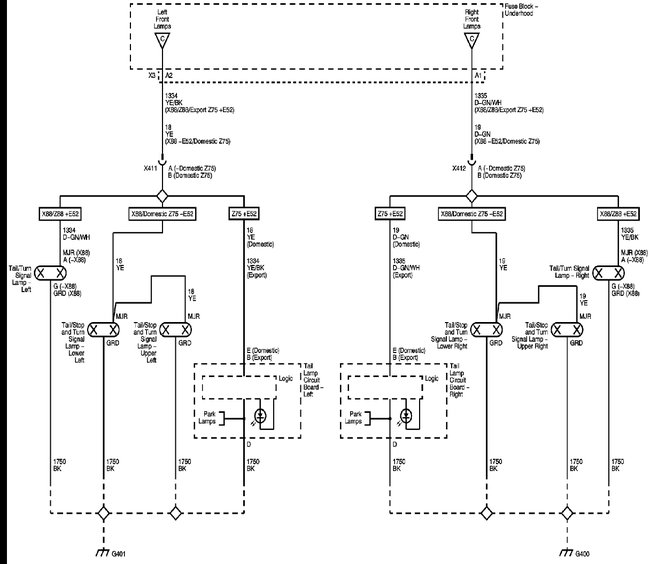
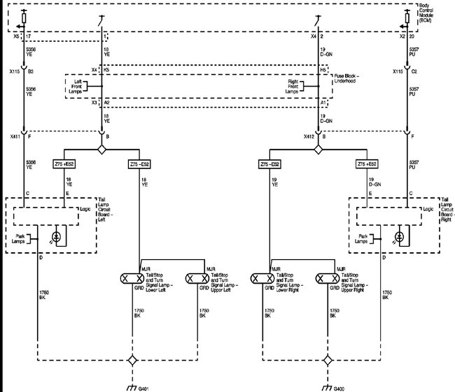
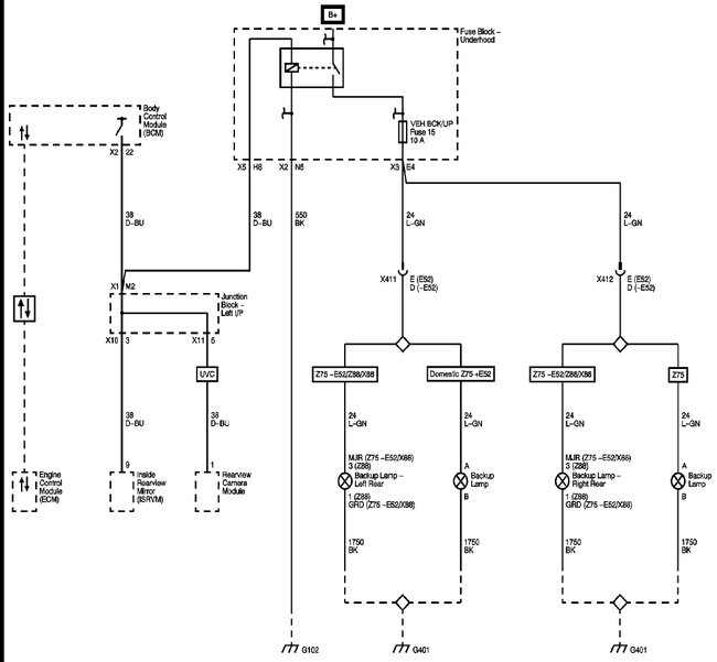
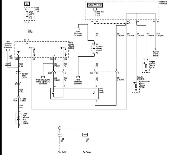
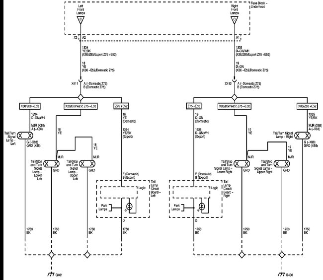
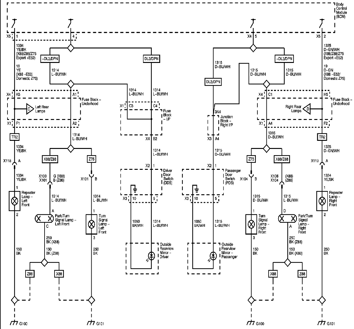
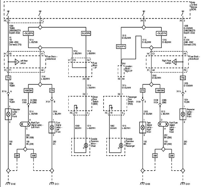
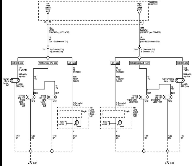
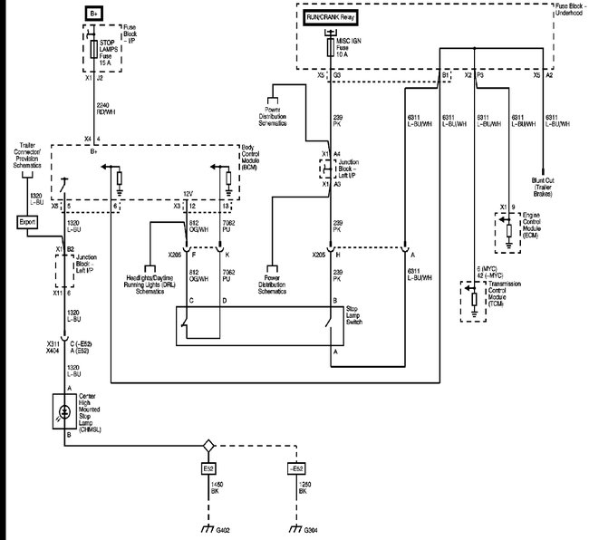
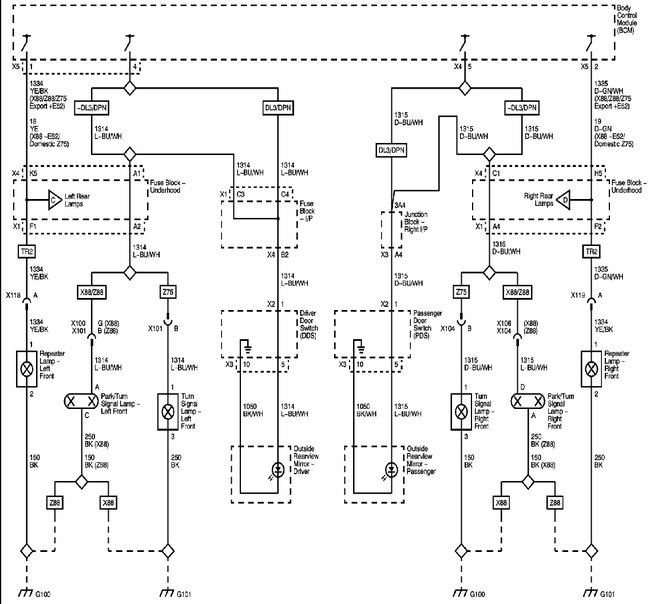
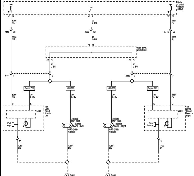
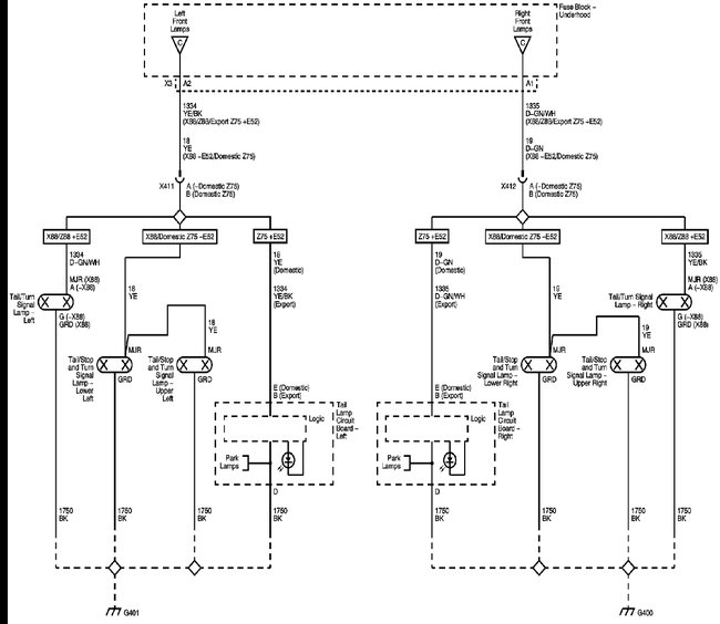
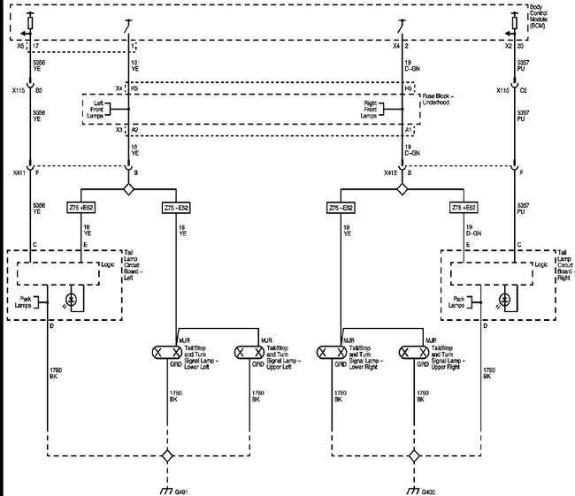
Check out the diagrams (Below). Let us know what happens and please upload pictures or videos of the problem.
Was this
answer
helpful?
Yes
No
-1
Tuesday, November 21st, 2017 AT 3:57 PM
Tiny
KGBS
  • MEMBER
  • 24 POSTS
Steve,

Thank you very much for your time replying. What I am actually trying to do is split the rear blinkers from the brake lights. I have done this once already on a 2006 Navigator and it was a pair of separate lines that ran from the control in the steering column to the rear of the vehicle. There were wires for the front turn signal lights and separate ones for those in the back (these were also independent of the brake lights grounds). So I had to disconnect the rear turn signal wires from the multi-function control to the rear turn signals so only the brake lights would operate. Then I had to run a pair of extensions from the front turn signals to the rear ones so they would act independently of the brakes.

I hope that was clear enough to you. I can use the multi-meter to find things out but I would need a second person to connect at the back. I thought I could do it alone if I know which wires I am looking for.

Thanks again.
Was this
answer
helpful?
Yes
No
Wednesday, November 22nd, 2017 AT 1:09 AM
Tiny
STEVE W.
  • MECHANIC
  • 15,686 POSTS
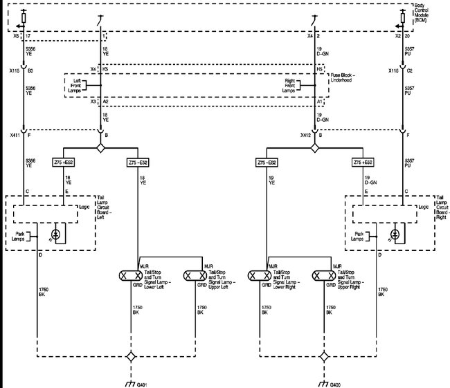
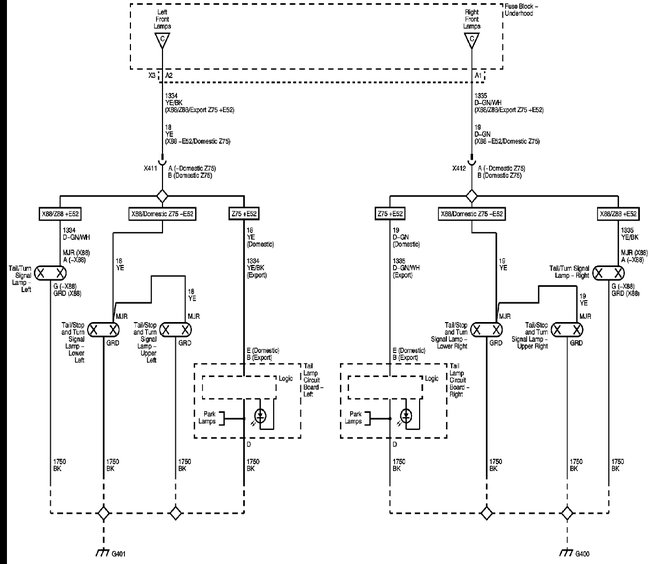
Okay, for that you will need to run new wiring and relays to the rear as well as make custom light circuit boards with logic circuits to fool the BCM into thinking the lights are working as they are "supposed" to work, otherwise the BCM will start setting codes and warnings for lights being out.

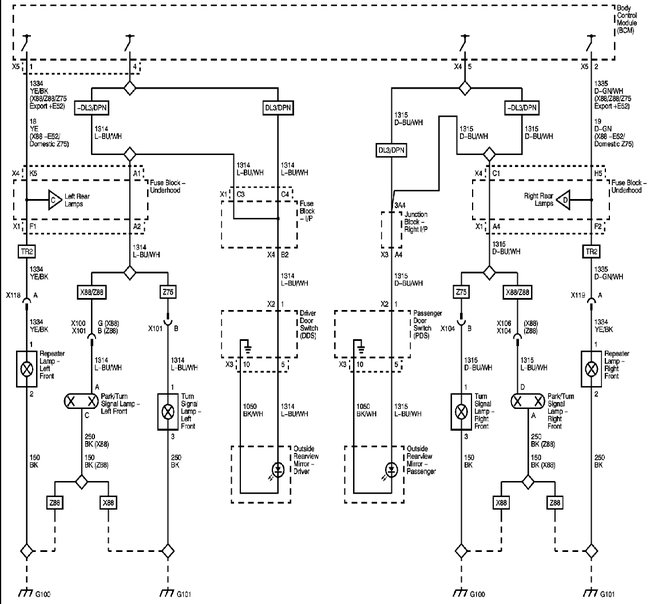
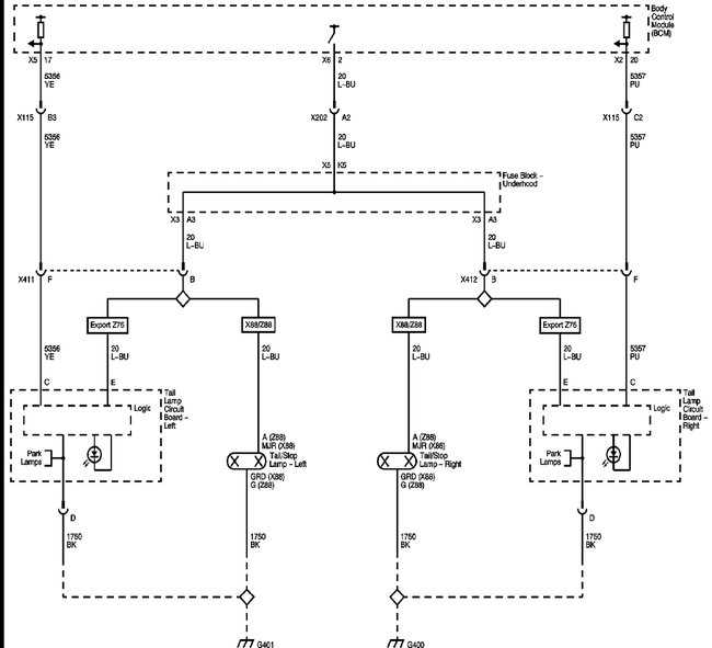
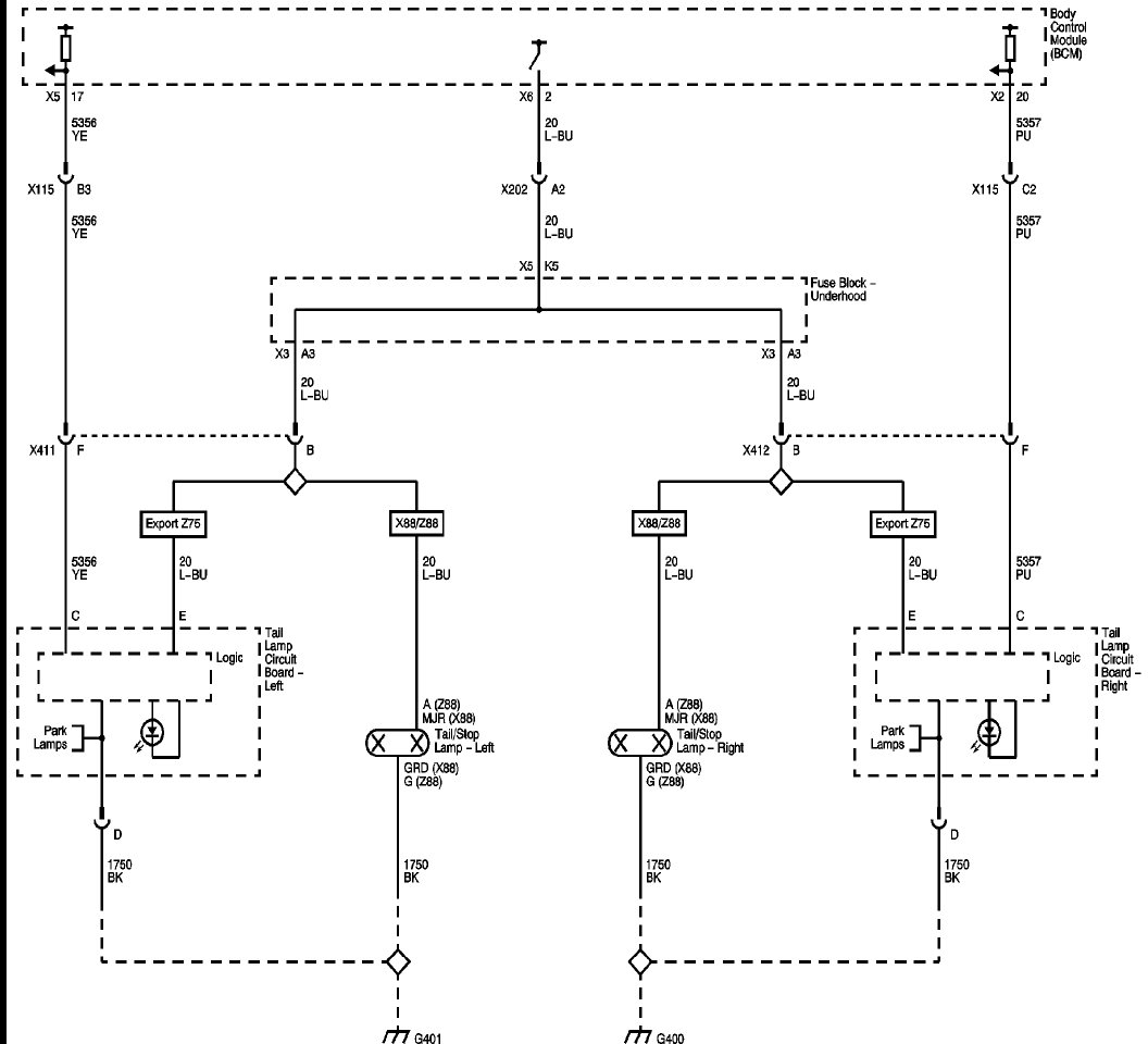
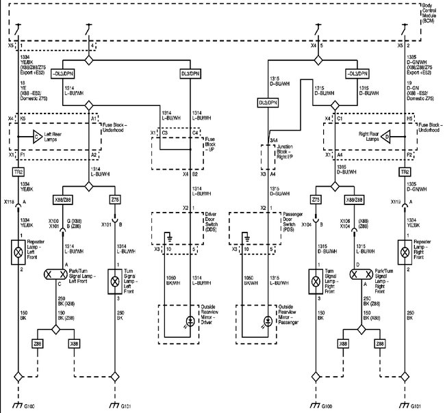
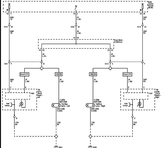
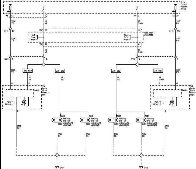
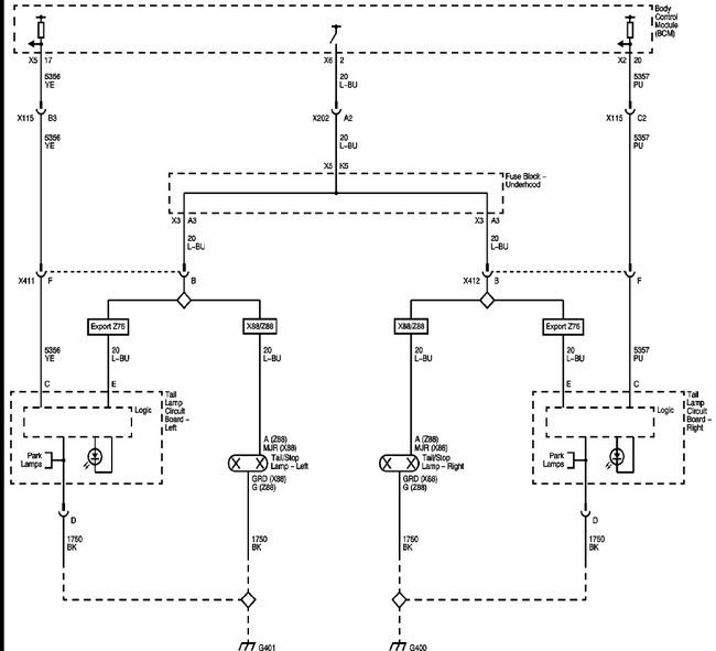
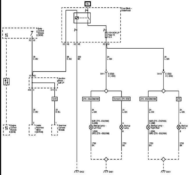
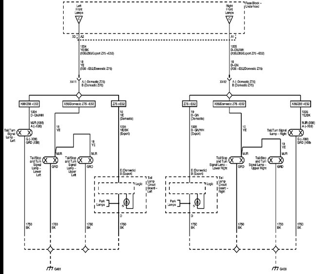
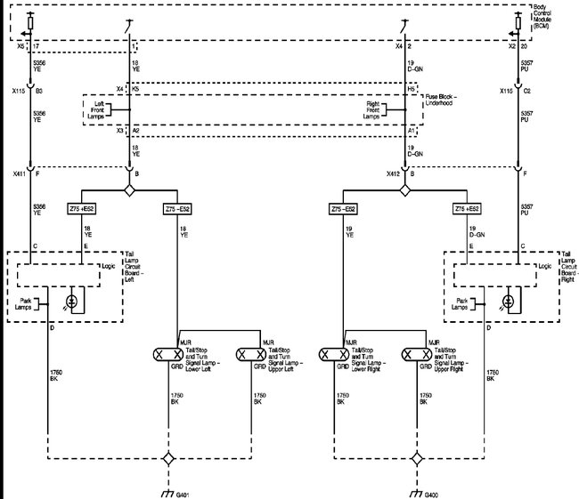
GM uses a single feed to the logic boards that control the lights. The turn switch tells the BCM "right turn" and the BCM sends out a data signal through the CAN bus that tells the right hand light modules to turn on. Entirely different wiring system than the Lincoln.
Basically there are no individual wires for turn or brake, just the computer and logic boards. The boards get told "stay on" for brakes or "flash" for turns. Both power and ground are constant feeds to the boards. Just the control signal changes.
The only lights that are controlled the "old" way are the markers, those are fed from a relay out through the brown wires, but that gets its signal from the BCM as well.

You might be able to use the trailer tow circuits to do what you want but not sure how you would convince the BCM that things are normal.

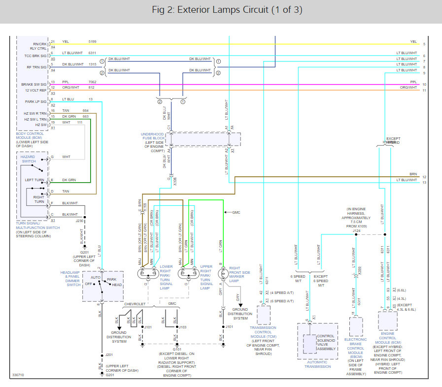
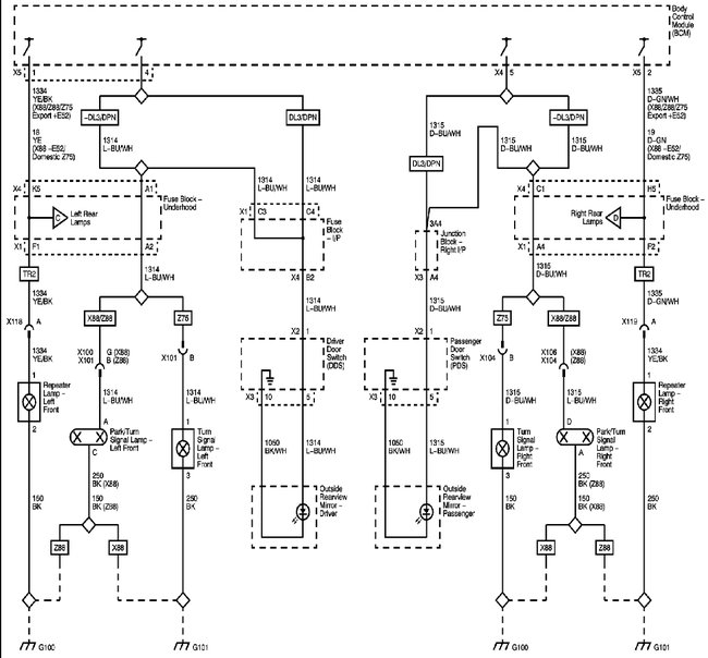
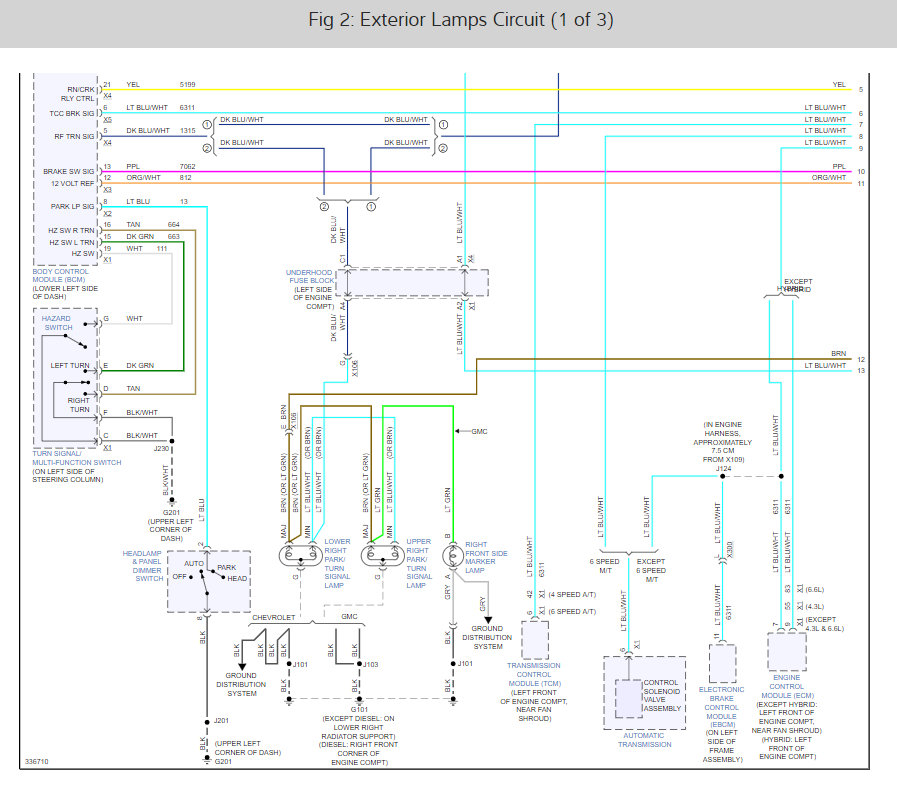
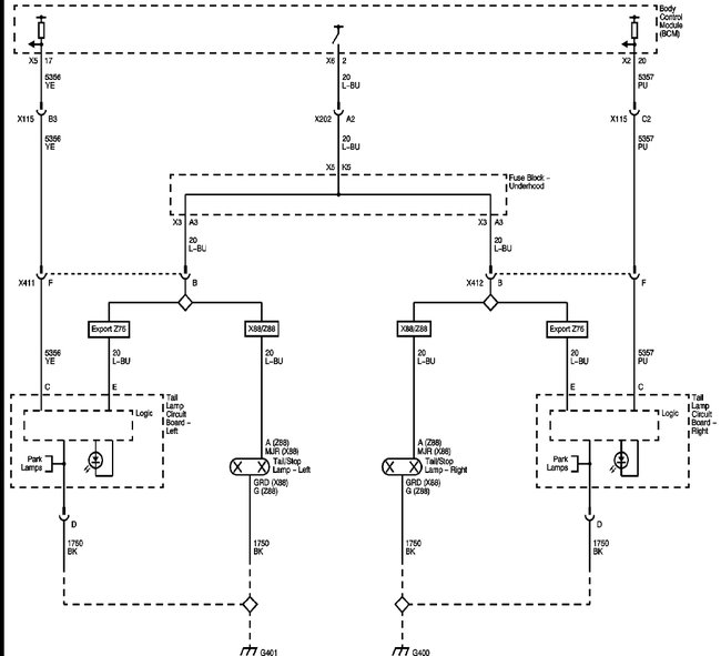
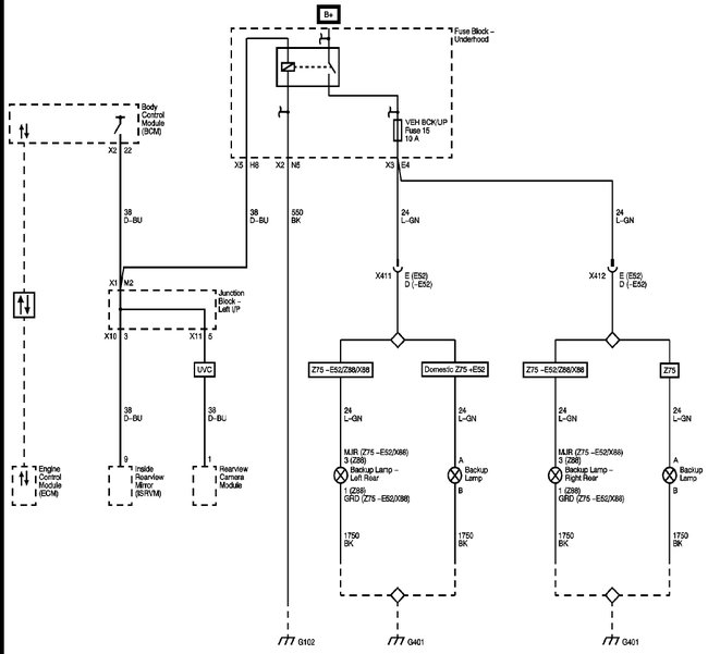
I have attached all of the wiring and option wiring diagrams plus the trailer wiring.
Was this
answer
helpful?
Yes
No
+2
Wednesday, November 22nd, 2017 AT 1:07 PM
Tiny
KGBS
  • MEMBER
  • 24 POSTS
Thank you for all the diagrams and the general information, it changed my plan. The diagrams might come in handy in the future.

Here is what I will try now: I will disconnect the brake lights' grounds and I will run two new ones to each from the third brake light, the one at the top. It is independent of the turn signals. For turn signals I will just run parallel wires from the front ones or the trailer coupling. If you think that would lead to non-operative light warnings, I could even leave connected bulbs at the original sockets.

I am doing all this because I am in Europe and here we have to have yellow blinkers all around to pass type approval of any non-European vehicle.

Thanks again for your help, you can let me know what you think about my idea here?
Was this
answer
helpful?
Yes
No
Wednesday, November 22nd, 2017 AT 3:08 PM
Tiny
STEVE W.
  • MECHANIC
  • 15,686 POSTS
Okay, they did export that vehicle, there are different wiring diagrams and taillights for it for export countries. Look around a bit and they should show up. If you look at the wiring diagrams it shows some of the export options.
There are also some lights on eBay that show amber for the turn signals using stock wiring. Might want to see if a dealer can get the export version for you. Could save a lot of work.
Was this
answer
helpful?
Yes
No
Wednesday, November 22nd, 2017 AT 7:27 PM
Tiny
ALPHA_XX
  • MEMBER
  • 2 POSTS
Hi kgbs, i'm also from Europe and have the same problem. Have you found a solution?
Was this
answer
helpful?
Yes
No
Tuesday, March 30th, 2021 AT 12:35 PM
Tiny
STEVE W.
  • MECHANIC
  • 15,686 POSTS
Alpha,

Are you working on the same vehicle or just have the need for all amber on one? If it's the same vehicle the above information was all we received at the time. I suspect that kgbs used some aftermarket lights to do the conversion but I'm not sure.
Was this
answer
helpful?
Yes
No
Tuesday, March 30th, 2021 AT 6:45 PM
Tiny
ALPHA_XX
  • MEMBER
  • 2 POSTS
I have a 2009 Escalade.
I have already disconnected the turn lights from the brake Lights. But the turn lights are flashing too quickly.

At the rear light there should be a control line for the BCM. So that the BCM knows whether the turn light is working properly.
Was this
answer
helpful?
Yes
No
Wednesday, March 31st, 2021 AT 5:05 AM
Tiny
STEVE W.
  • MECHANIC
  • 15,686 POSTS
They are flashing fast because the BCM isn't getting the correct feedback and it thinks the rear lights are out. That is one of the issues with the way they are integrated into the vehicle now. What method did you use to break them out of the brake lights?
Was this
answer
helpful?
Yes
No
Wednesday, March 31st, 2021 AT 1:05 PM

Please login or register to post a reply.