Wiring diagram O2 sensor Bank 1 to PCM

Tiny
TAGZ
  • MEMBER
  • 2008 MAZDA TRIBUTE
  • 2.3L
  • 4 CYL
  • 2WD
  • AUTOMATIC
  • 45,000 MILES
Hi Ken,

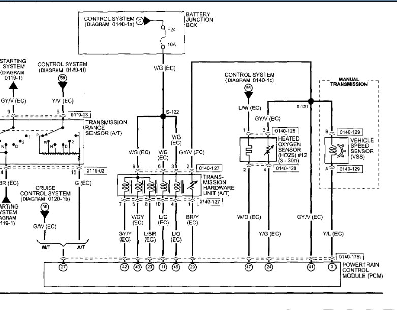
Need your help on wiring diagram from O2 sensor bank 1 to PCM.



Thanks
Tuesday, August 13th, 2019 AT 11:05 PM

5 Replies

Tiny
DANNY L
  • MECHANIC
  • 5,648 POSTS
Hello, I'm Danny.

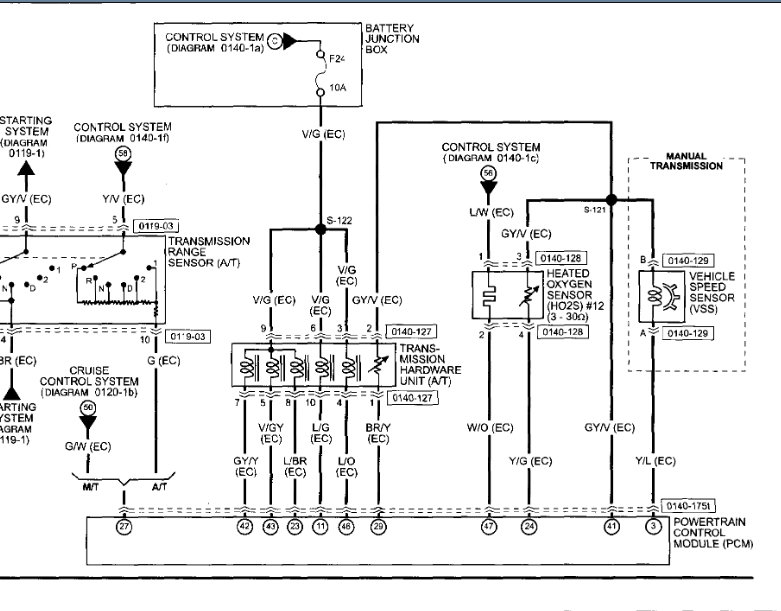
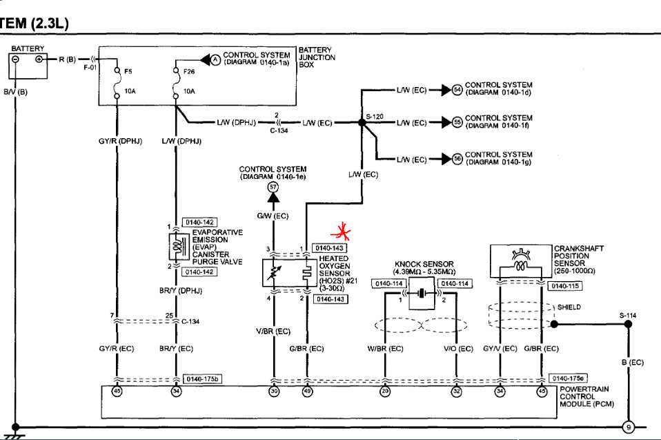
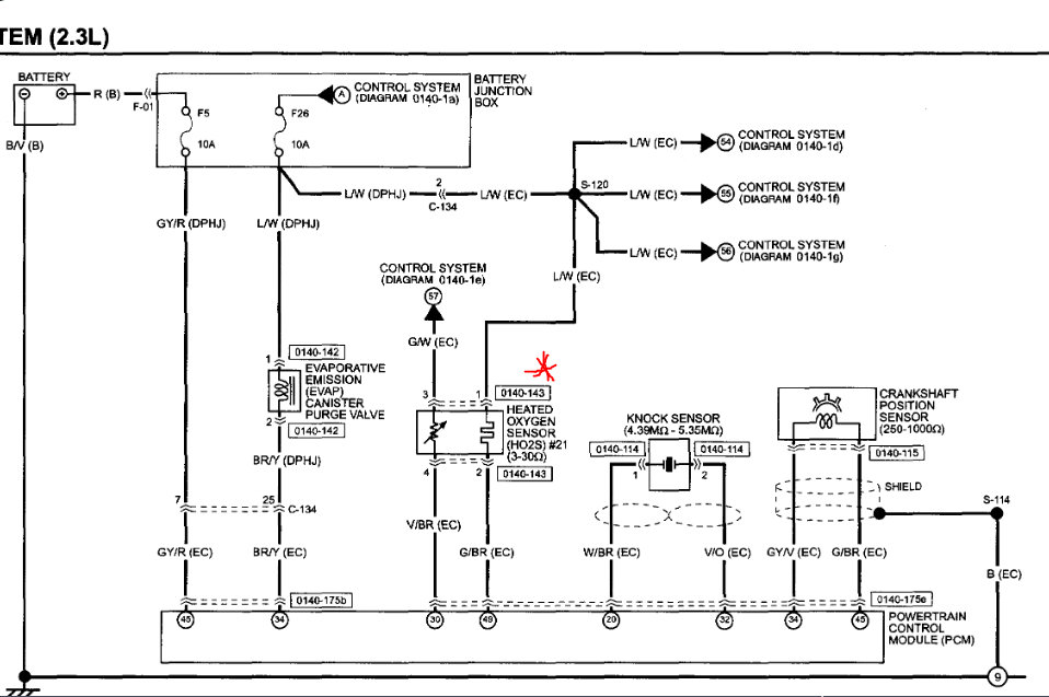
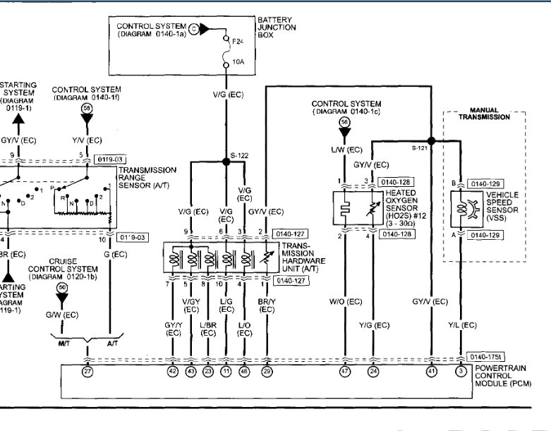
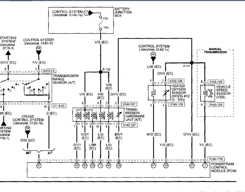
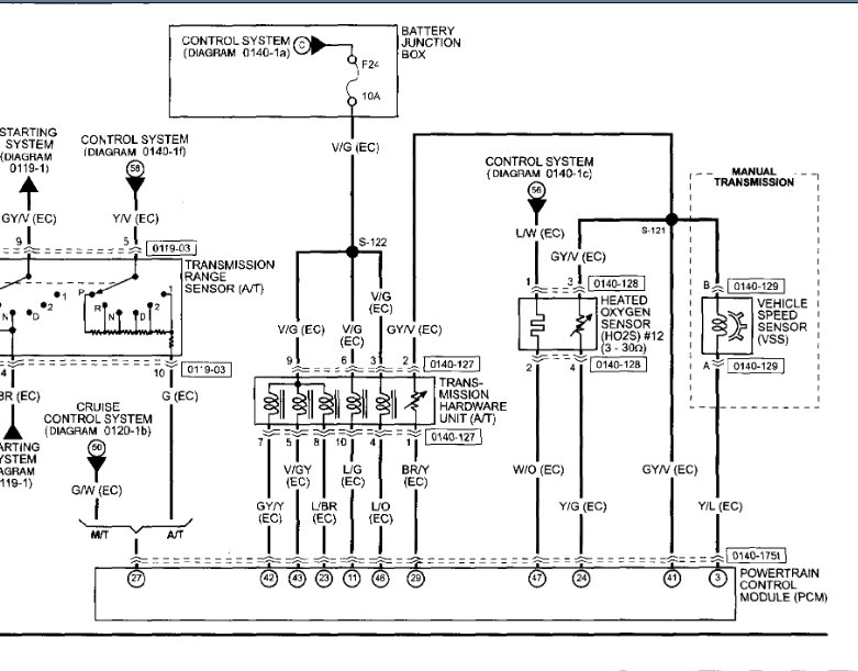
Here is the wiring diagram attached below per your request. Here is a tutorial for checking wiring and oxygen sensor replacement:

https://www.2carpros.com/articles/how-to-check-wiring

https://www.2carpros.com/articles/how-to-replace-an-oxygen-sensor

Hope this helps and thanks for using 2CarPros.

Danny-
Was this
answer
helpful?
Yes
No
Tuesday, August 13th, 2019 AT 11:15 PM
Tiny
TAGZ
  • MEMBER
  • 3 POSTS
Hi Danny,

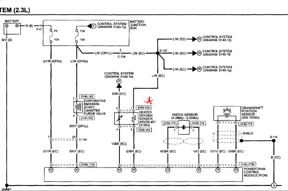
Thanks for the fast response. Here's what I have done to test the O2 sensor. Initially with P0134 code no activity bank 1 sensor 1.

1. Tested the sensor Okay with 3 ohms
2. Power is good on O2 connector.12v
3. No ground obly 4mv

Replaced the sensor and cleared with scanner still same code P0134.

My O2 sensor have 5 wires. Power is present on the Blue wire. Which one is the ground to PCM?

Wire color blue, yellow, white, grey and black.

Thanks
Was this
answer
helpful?
Yes
No
+1
Tuesday, August 13th, 2019 AT 11:34 PM
Tiny
DANNY L
  • MECHANIC
  • 5,648 POSTS
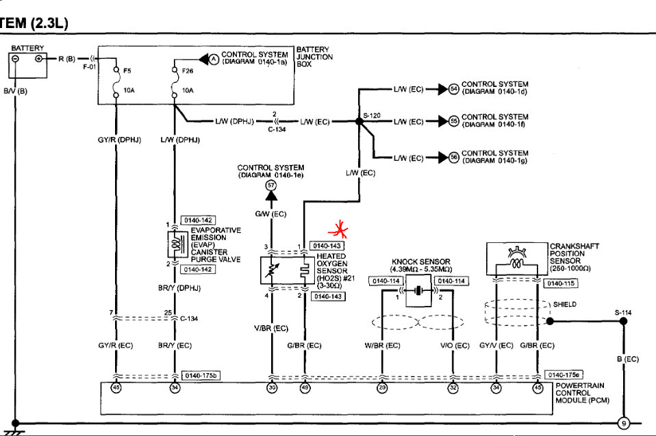
Hello again.

I've attached a wiring diagram below. Hope this helps and thanks again for using 2CarPros. Let me know if you need anything else.

Danny-
Was this
answer
helpful?
Yes
No
-1
Wednesday, August 14th, 2019 AT 5:38 PM
Tiny
TAGZ
  • MEMBER
  • 3 POSTS
Thanks again.
Was this
answer
helpful?
Yes
No
-1
Wednesday, August 14th, 2019 AT 7:11 PM
Tiny
DANNY L
  • MECHANIC
  • 5,648 POSTS
You're welcome !
Thanks again for using 2CarPros and let me know if you have any further questions on this issue.

Danny-
Was this
answer
helpful?
Yes
No
Wednesday, August 14th, 2019 AT 7:15 PM

Please login or register to post a reply.