Wiring diagram needed for an Alpine stereo and Navigation and rear DVD player

Tiny
BOBBIE JO DRUEKE
  • MEMBER
  • 2007 CHRYSLER ASPEN
  • 5.7L
  • V8
  • 4WD
  • AUTOMATIC
  • 200,890 MILES
My vehicle had been stolen and they took the stock harness that bypasses the security system to the amplifier, so now when I put my aftermarket stereo in it will not run anything in the truck; none of the speakers will work whatsoever and it all shuts off from the amplifier.

Car listed above is a Limited Edition.
Monday, December 27th, 2021 AT 5:27 AM

4 Replies

Tiny
ASEMASTER6371
  • MECHANIC
  • 52,796 POSTS
Good morning,

Can I have the complete VIN number off your registration?

I need that to get the correct information.

Roy
Was this
answer
helpful?
Yes
No
+1
Monday, December 27th, 2021 AT 5:57 AM
Tiny
BOBBIE JO DRUEKE
  • MEMBER
  • 2 POSTS
1A8HW58207F523393
Was this
answer
helpful?
Yes
No
Monday, December 27th, 2021 AT 10:07 AM
Tiny
ASEMASTER6371
  • MECHANIC
  • 52,796 POSTS
Thank you.

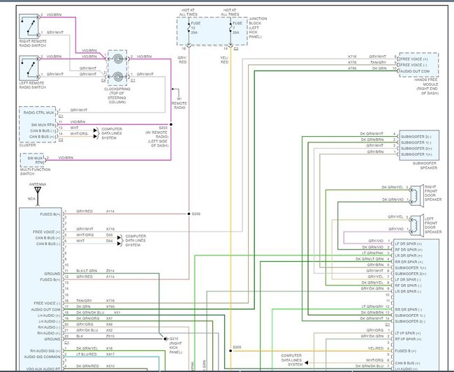
I attached the diagram below for you to view.

https://www.2carpros.com/articles/how-to-check-wiring

What is the issue with the radio?

Roy
Was this
answer
helpful?
Yes
No
+4
Monday, December 27th, 2021 AT 10:27 AM
Tiny
KASEKENNY
  • MECHANIC
  • 18,907 POSTS
Just to jump in on this one. When you say they took the harness that bypasses the security system to the amp, is this something that you added to run your radio?

I understand the radio will not work but you said this was the stock harness that bypassed the system. So, I just want to make sure we are on the same page with which harness this was.

If this was the harness that runs from the radio to the amp, we are going to have to replace it so if you have done that and the radio still is not operating then we are going to have to start checking power and ground.

Please let us know a little more detail about what is happening, and we can go from there. Thanks
Was this
answer
helpful?
Yes
No
Tuesday, December 28th, 2021 AT 6:22 AM

Please login or register to post a reply.