Thursday, August 10th, 2023 AT 7:18 PM
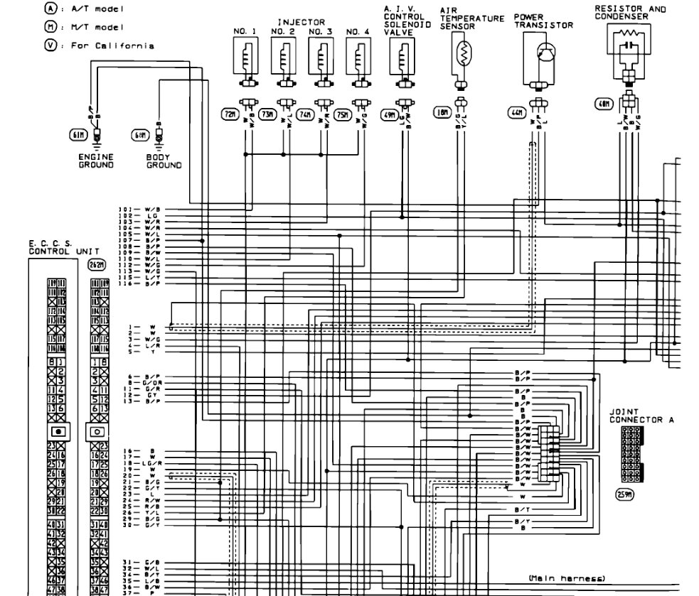
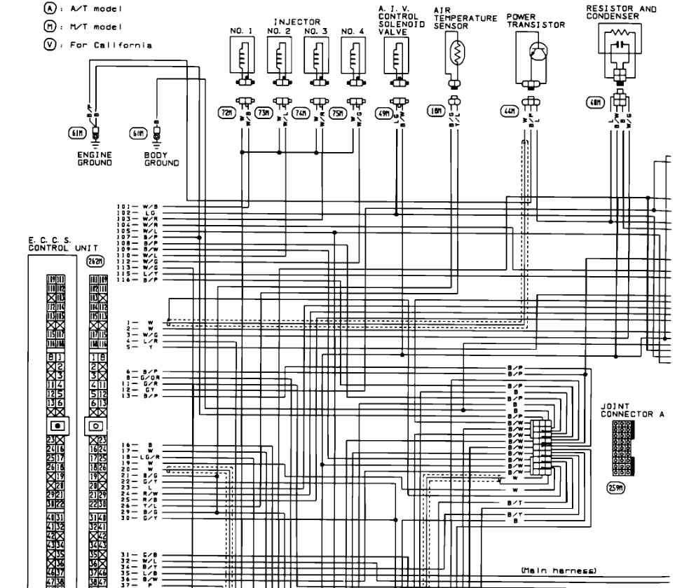
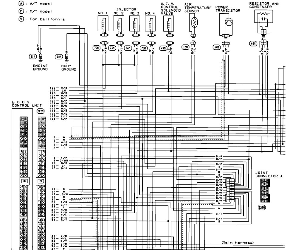
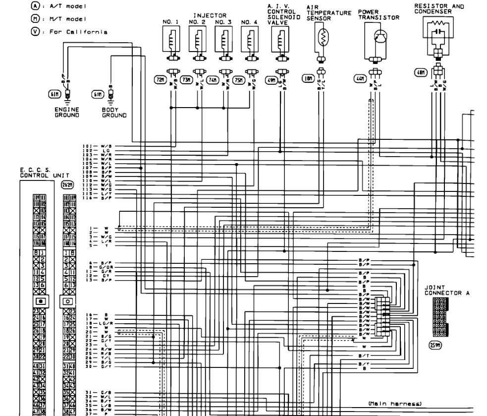
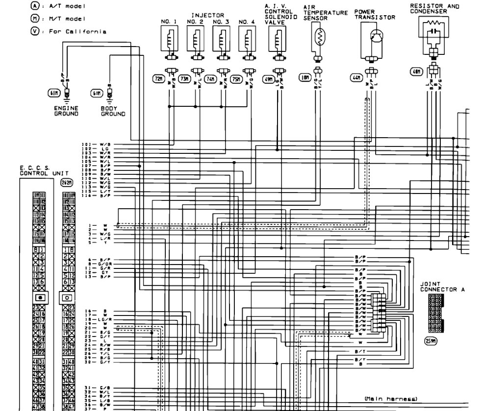
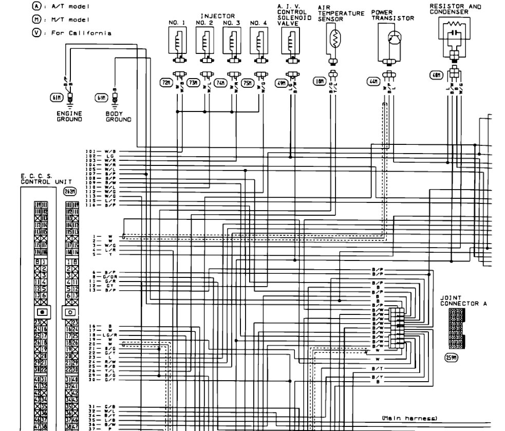
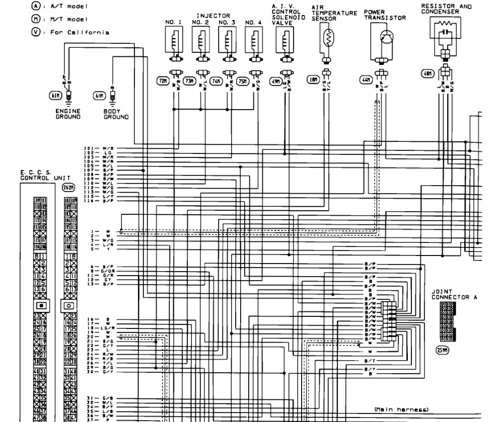
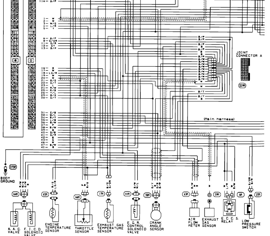
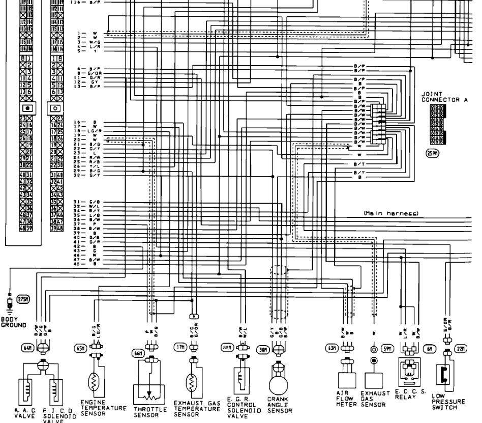
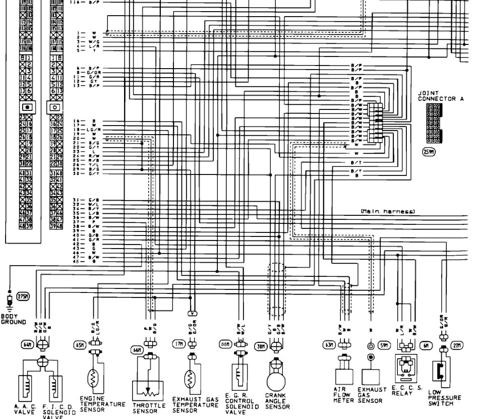
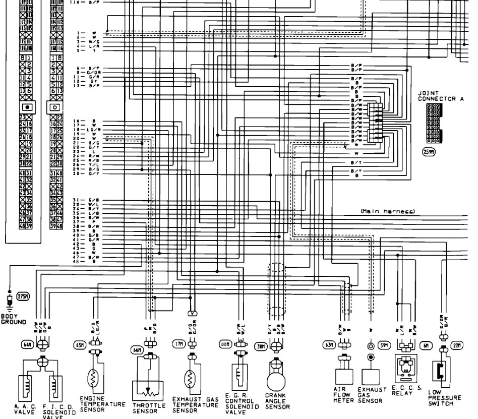
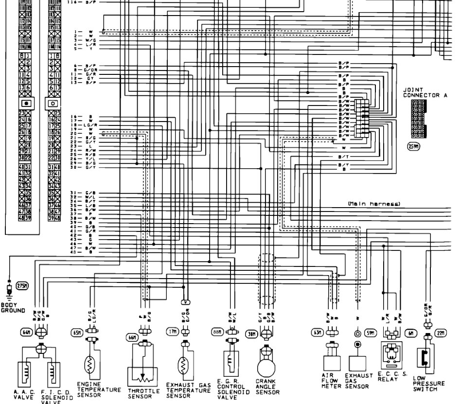
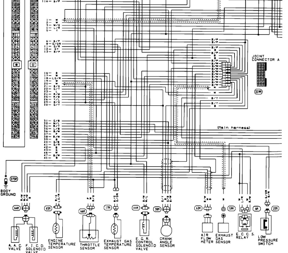
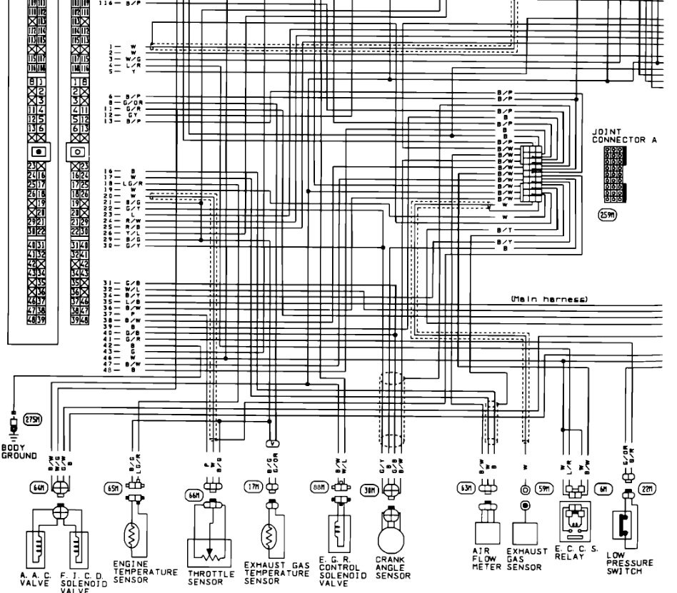
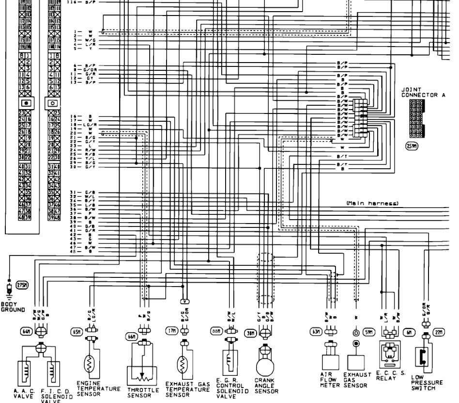
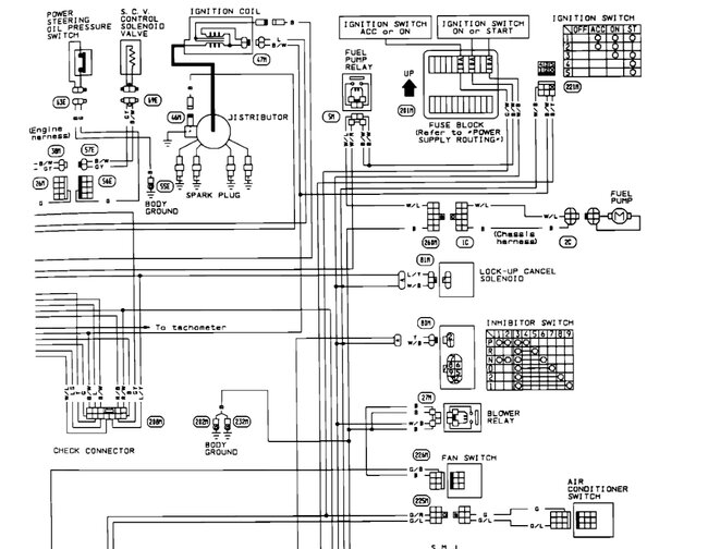
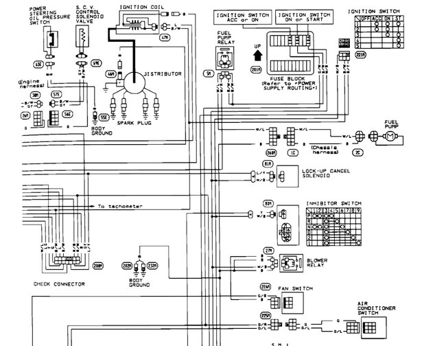
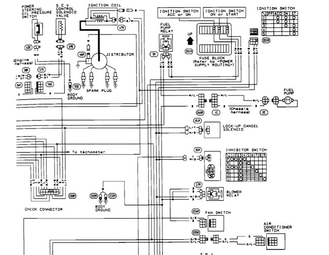
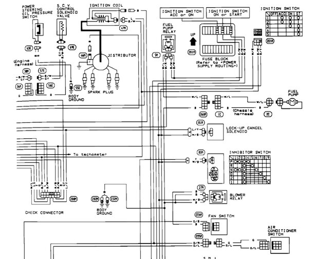
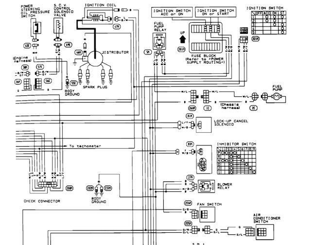
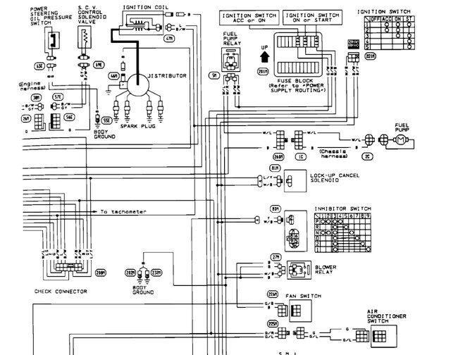
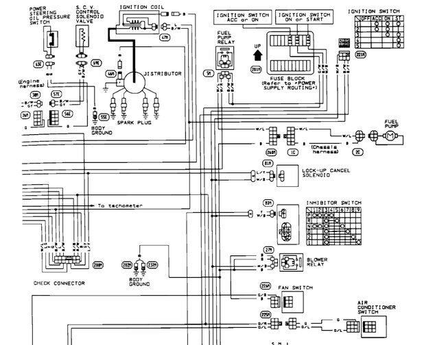
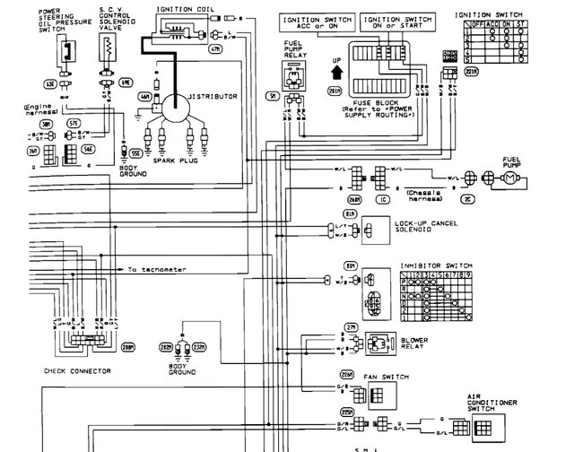
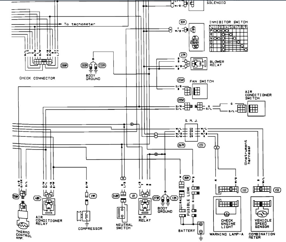
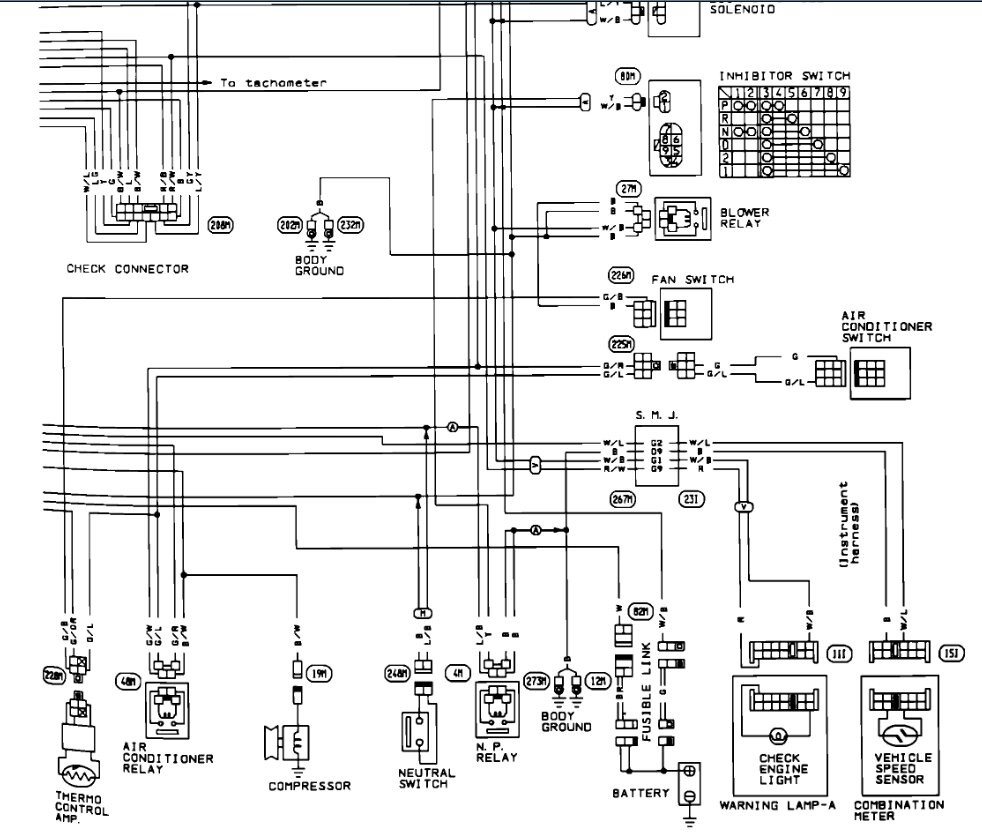
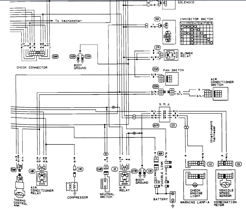
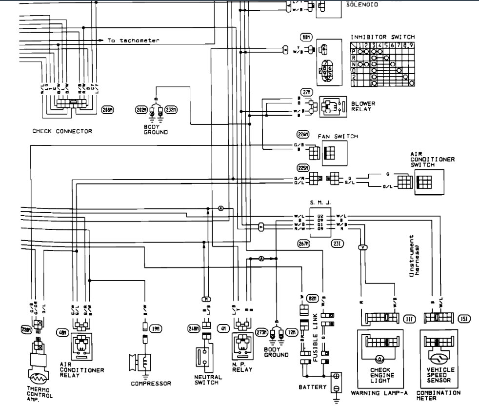
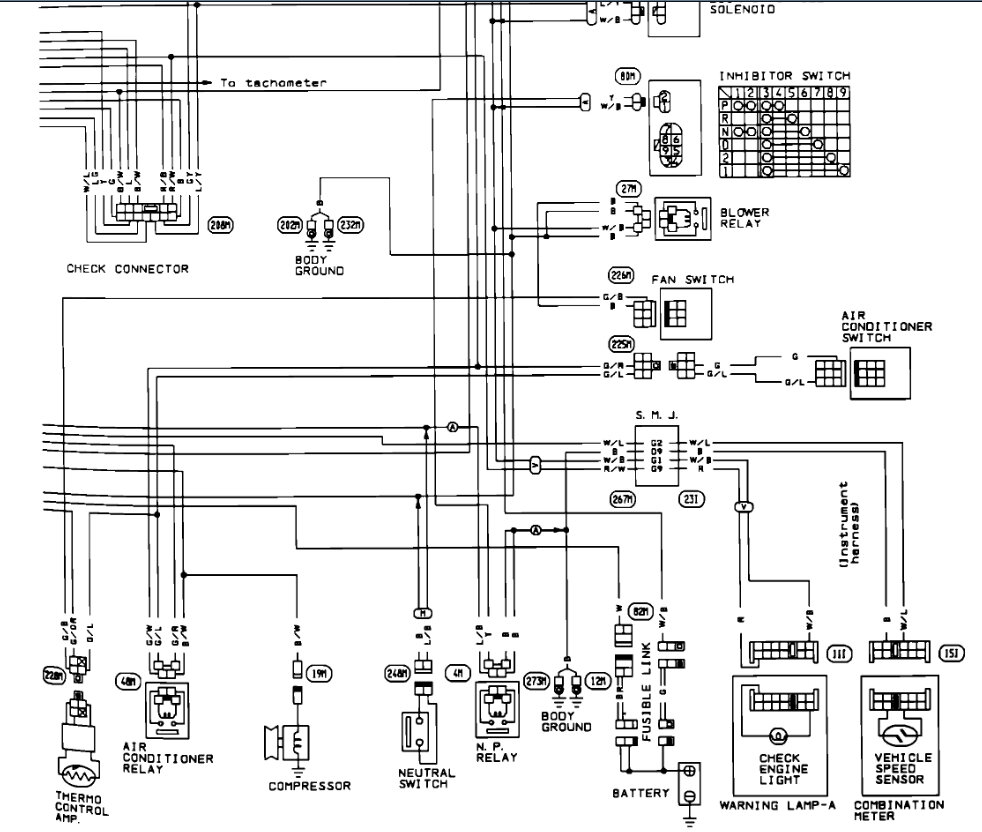
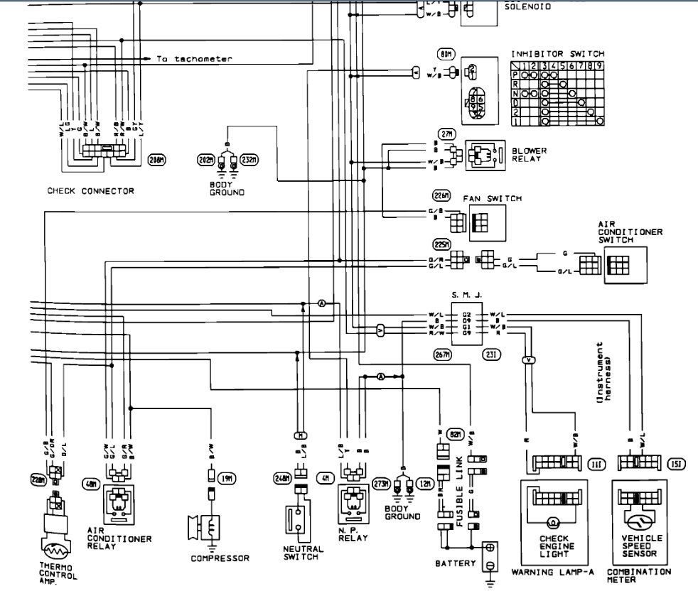
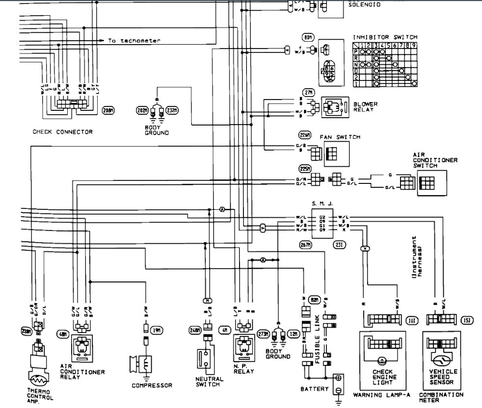
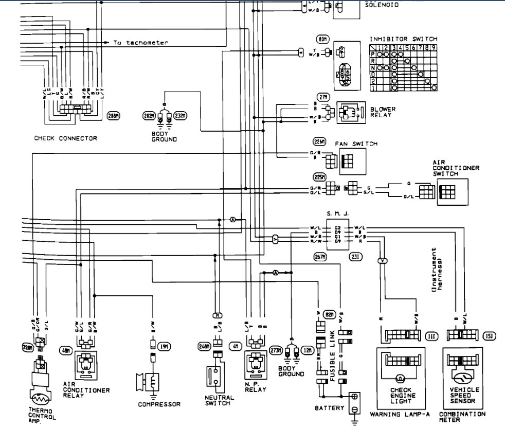
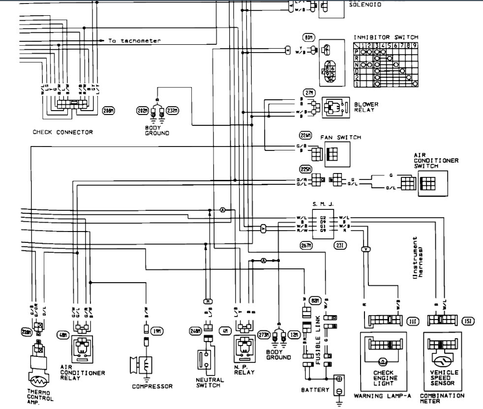
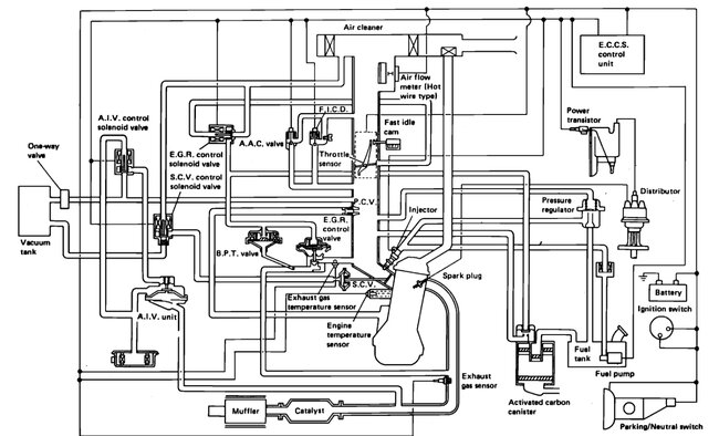
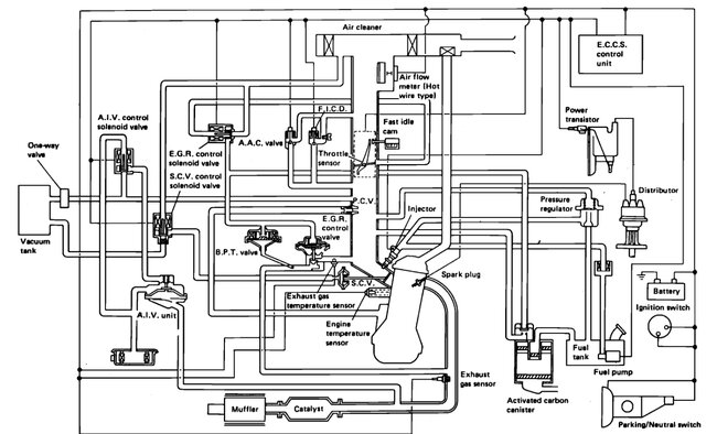
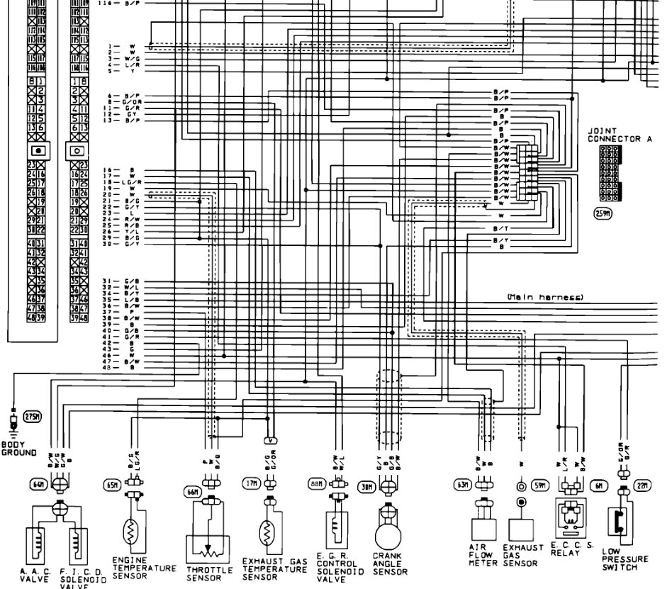
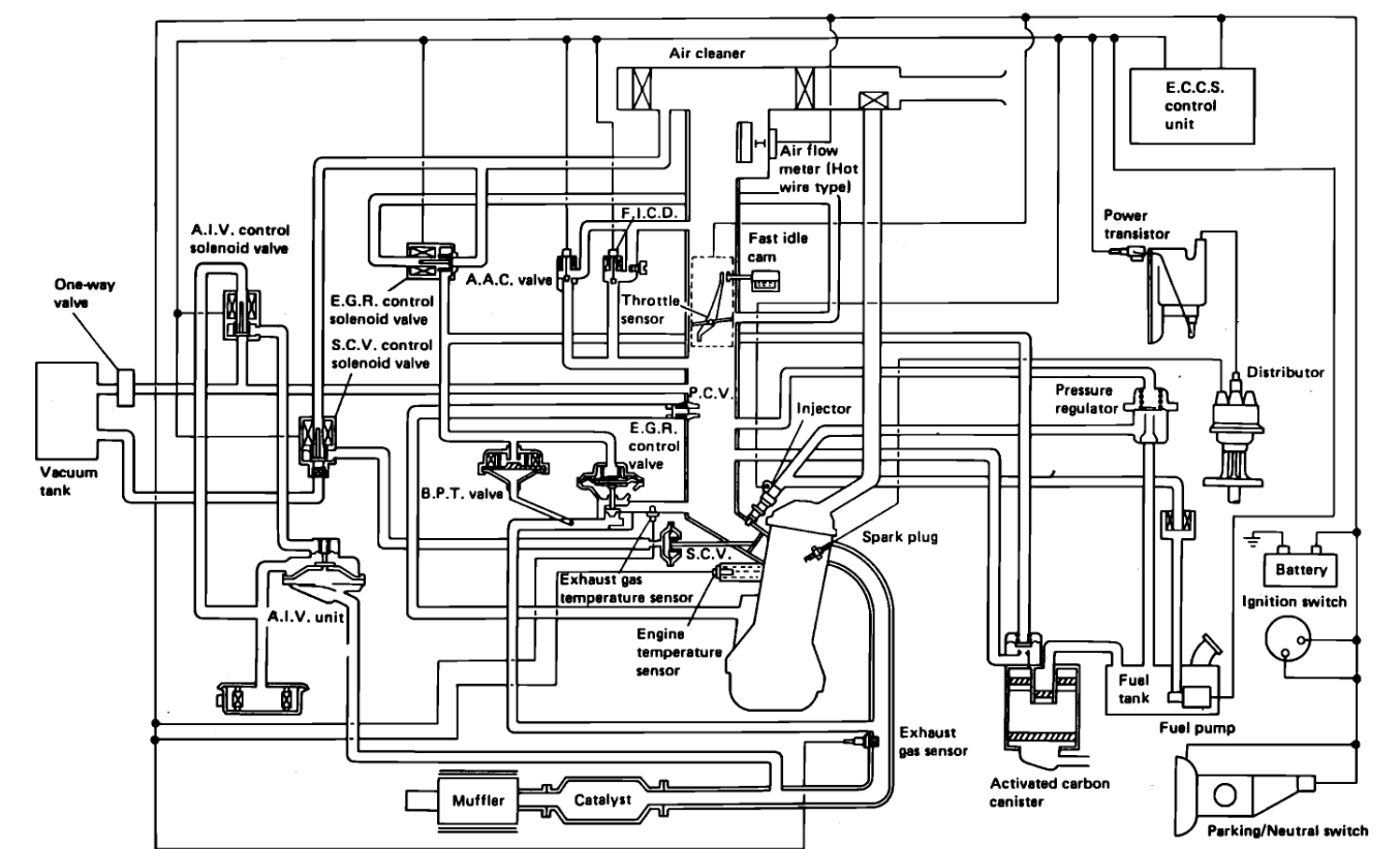
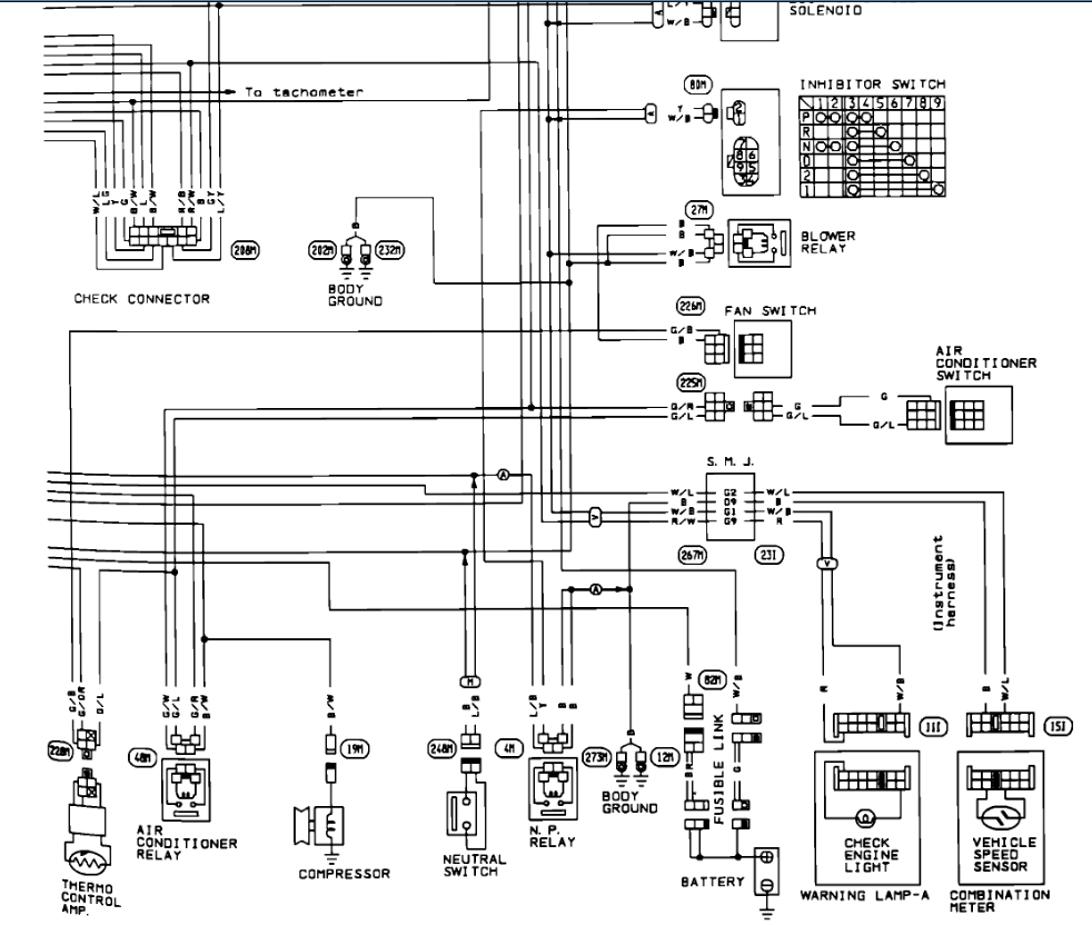
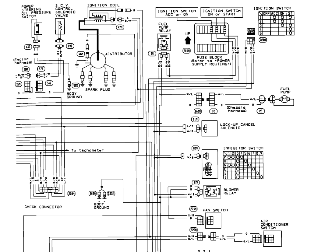
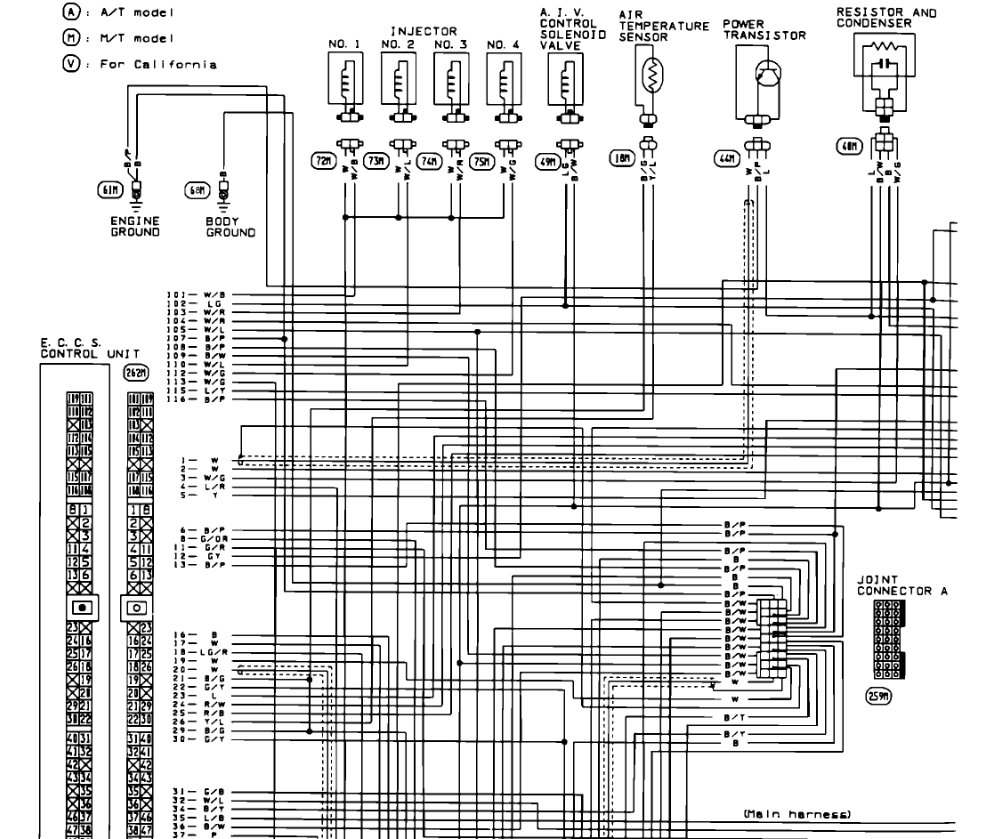
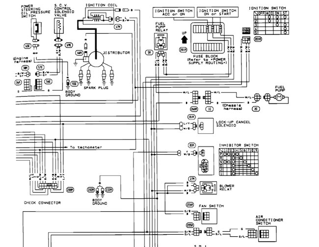
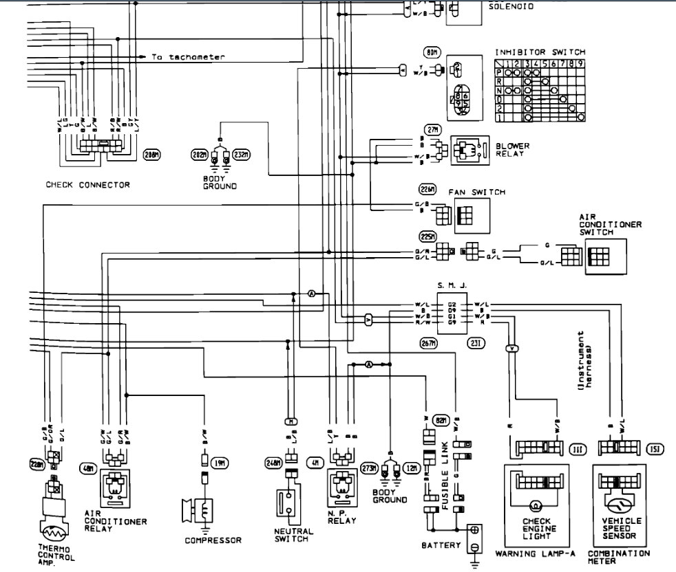
Had a fuel fire burnt engine wiring harness. Found a partial used harness. I am needing a wiring diagram that shows wire color and location to splice in used wire loom.






