Engine wiring diagram needed

2011 RAM 1500
180,000 MILES • 5.4L • V8 • 4WD • AUTOMATIC
Avatar
BOODYDRYWALL
  • MEMBER
  • 2 POSTS
I need a wiring diagram for my engine. I found coolant leaking onto my oil pressure sensor and to cylinder 4.
Dec 20, 2021 at 7:27 AM
Advertisement
Avatar
JACOBANDNICKOLAS
  • CAR REPAIR CONTRIBUTOR
  • 110,190 POSTS
Hi,

I will be happy to help, but I need clarification. The engine you indicated is not offered by Dodge. A 5.4L is a Ford engine.

Dodge offered a 4.7L or a 5.7L Hemi in this truck. Also, can you let me know what specific schematics in general you need, or would you rather have the entire powertrain management system, which will provide engine and transmission information?

Let me know.

Joe
Dec 20, 2021 at 7:49 PM
Advertisement
Avatar
BOODYDRYWALL
  • MEMBER
  • 2 POSTS
5.7 my apologies. I realized the typo after hitting submit. Can I have whole power train schematics please?
Dec 20, 2021 at 8:35 PM
Avatar
JACOBANDNICKOLAS
  • CAR REPAIR CONTRIBUTOR
  • 110,190 POSTS
Hi,

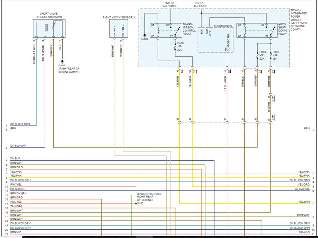
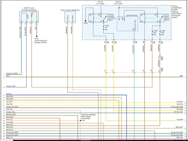
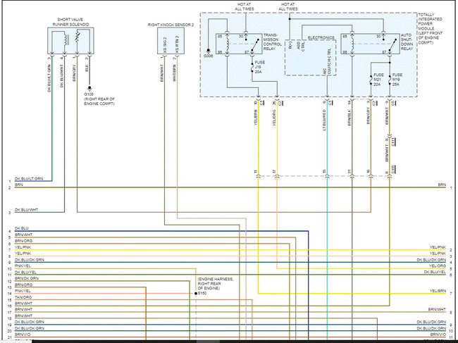
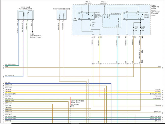
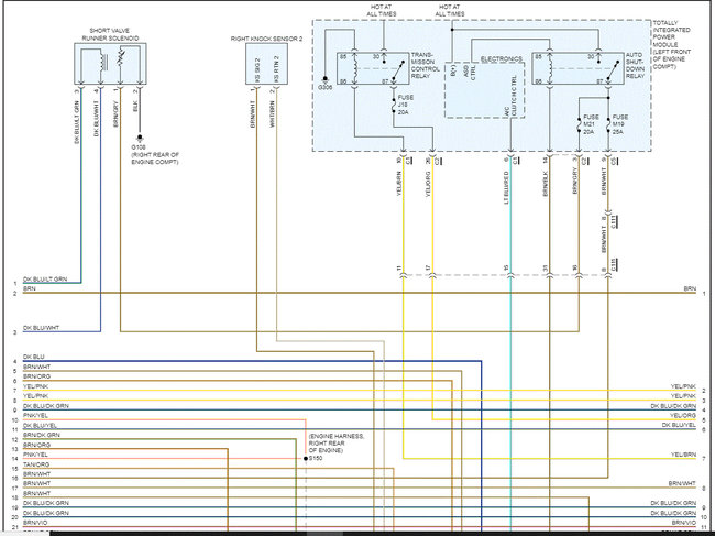
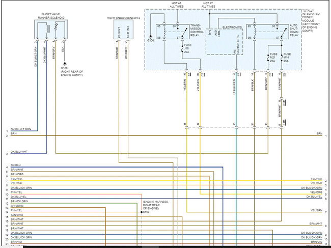
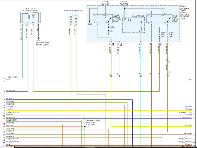
No problem whatsoever. If you look below, I included the schematics. They were 5 pages long. However, I had to cut them in half to make them readable for you. I did overlap them so you can follow from one to the next.

I'm not sure what you are working on, but here is a link you may find helpful.

https://www.2carpros.com/articles/how-to-check-wiring

I hope this helps. Let me know if you have questions or if I can help.

Take care,

Joe

See pics below.
Dec 20, 2021 at 9:23 PM
Repair Safety Notice: This information is for general instructional purposes only. Vehicle repair can be dangerous. Verify all information, follow manufacturer service procedures, use proper tools and safety equipment, and consult a qualified repair shop when needed.