Wiring diagram

Tiny
JERICHO HOUSMAN
  • MEMBER
  • 1989 DODGE TRUCK
  • 5.2L
  • V8
  • 4WD
  • MANUAL
  • 122,000 MILES
I am looking for complete wiring schematics for this truck. However, do not have extra money to purchase a repair manual.
Tuesday, June 12th, 2018 AT 2:38 PM

6 Replies

Tiny
ASEMASTER6371
  • MECHANIC
  • 52,796 POSTS
Good afternoon.

Information systems have wiring diagrams for areas and componet controls.

What specifically are you looking for in wiring diagrams?

Roy
Was this
answer
helpful?
Yes
No
+2
Tuesday, June 12th, 2018 AT 2:47 PM
Tiny
JERICHO HOUSMAN
  • MEMBER
  • 4 POSTS
Complete wiring diagram for 1989 Dodge W150, 318, manual, 4x4. Hillbilly's who owned it previously messed it all up.
Was this
answer
helpful?
Yes
No
+1
Thursday, June 14th, 2018 AT 7:25 PM
Tiny
KEN L
  • MASTER CERTIFIED MECHANIC
  • 55,469 POSTS
There are too many diagrams to send for the complete truck can you give us particulars like engine?
Was this
answer
helpful?
Yes
No
+2
Monday, June 18th, 2018 AT 11:06 AM
Tiny
STEVE W.
  • MECHANIC
  • 15,694 POSTS
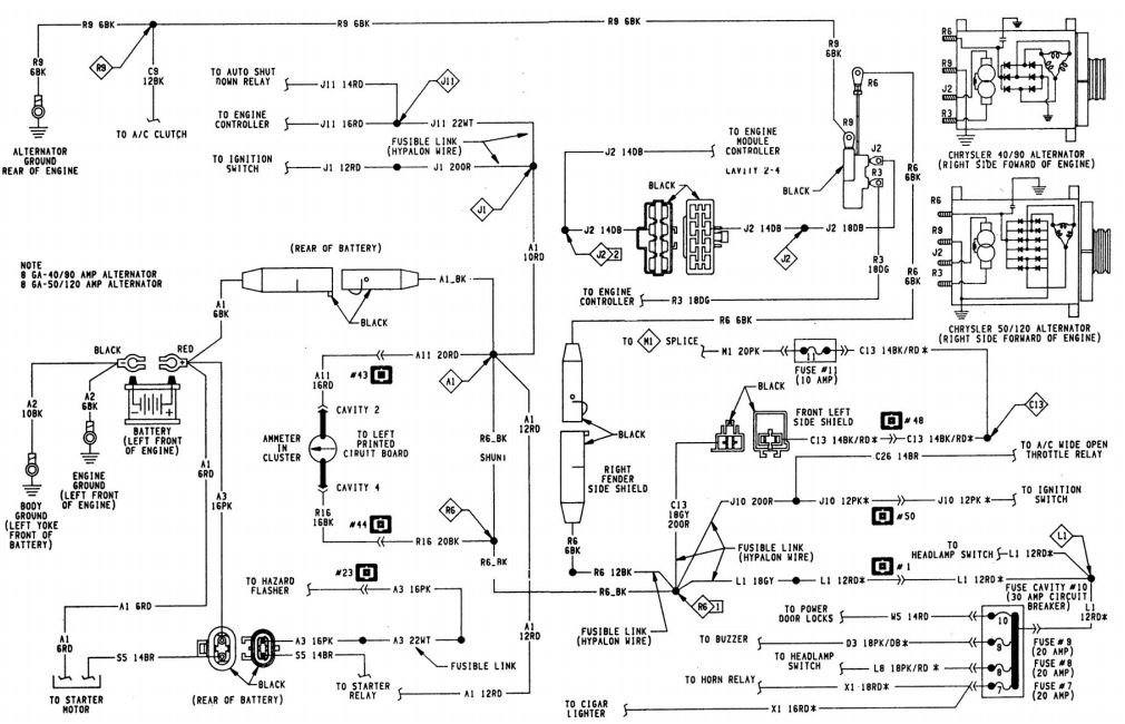
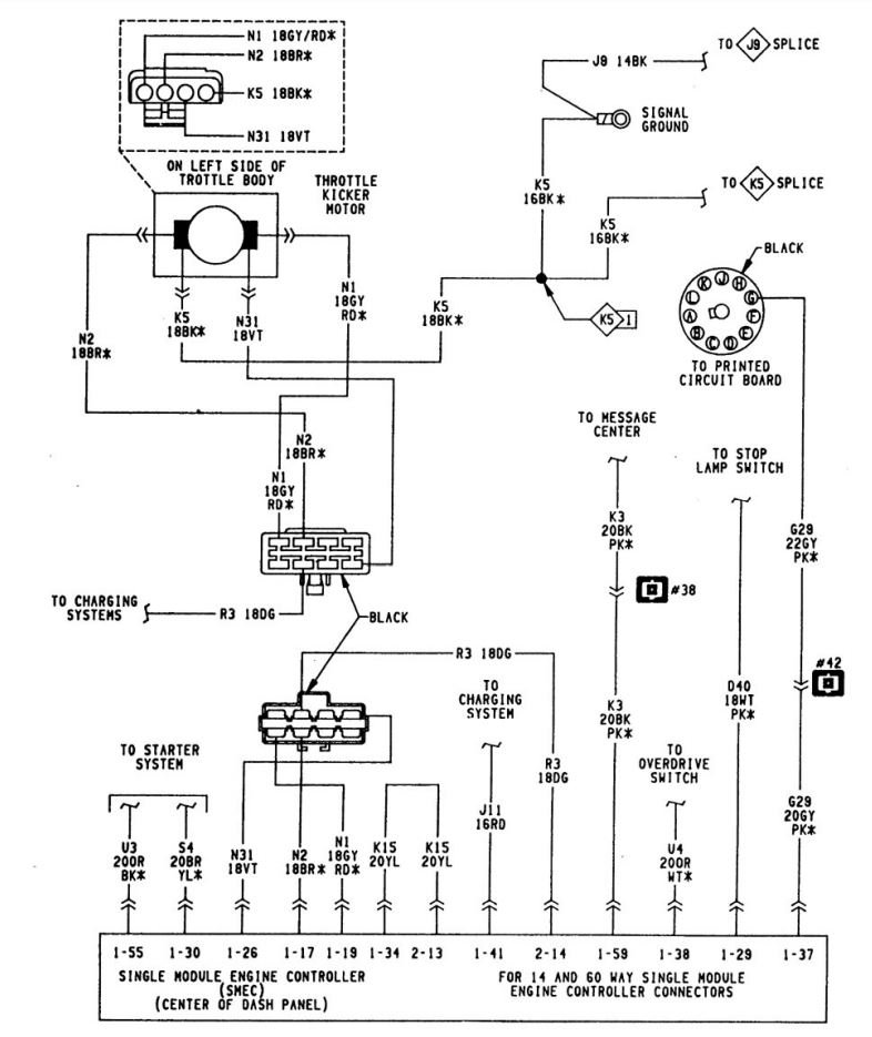
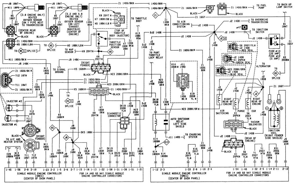
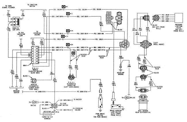
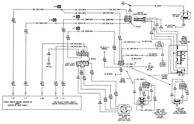
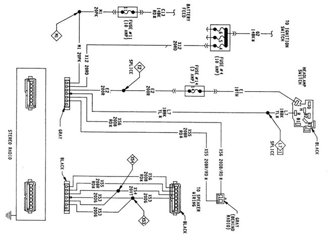
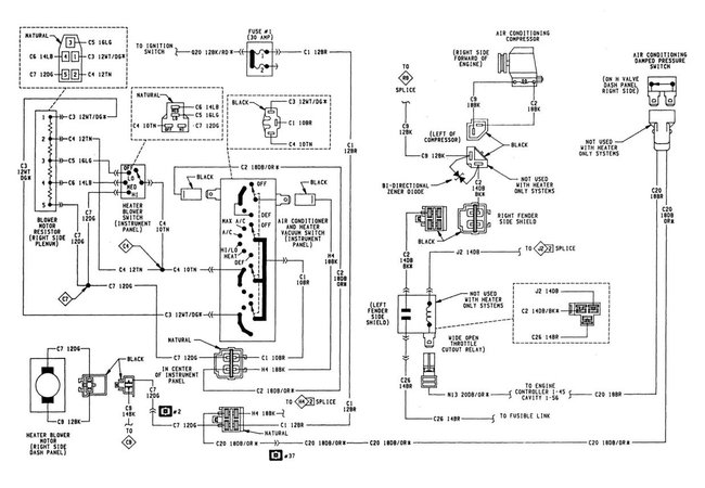
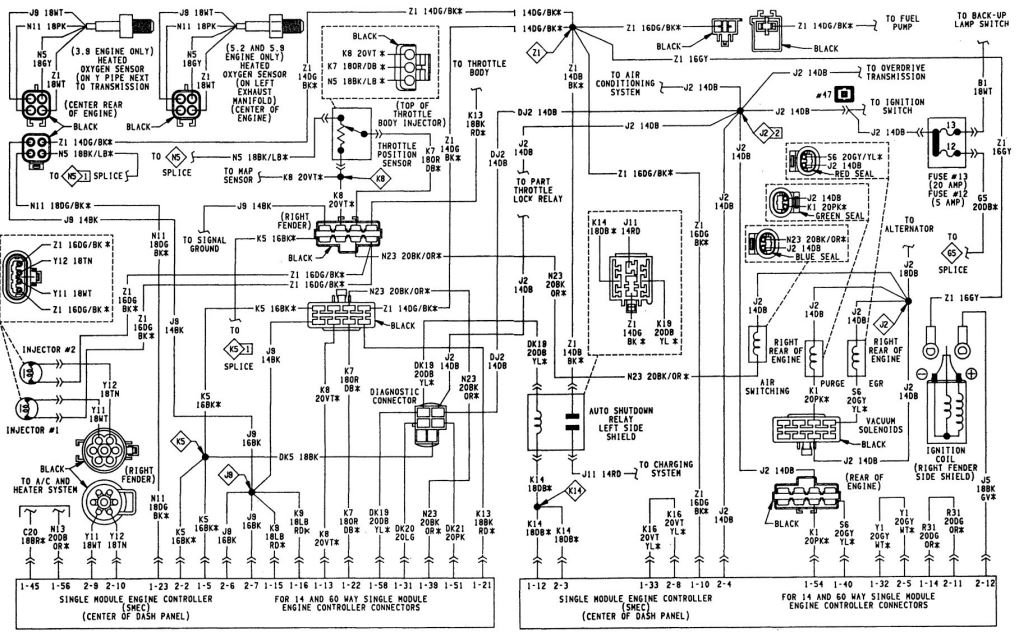
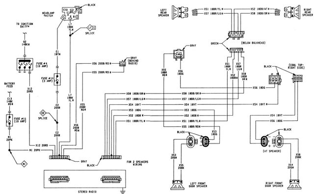
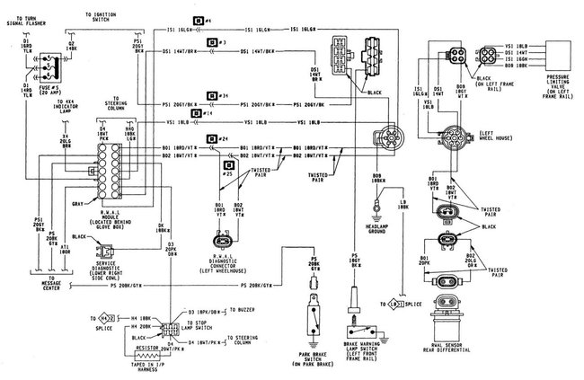
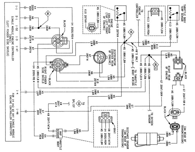
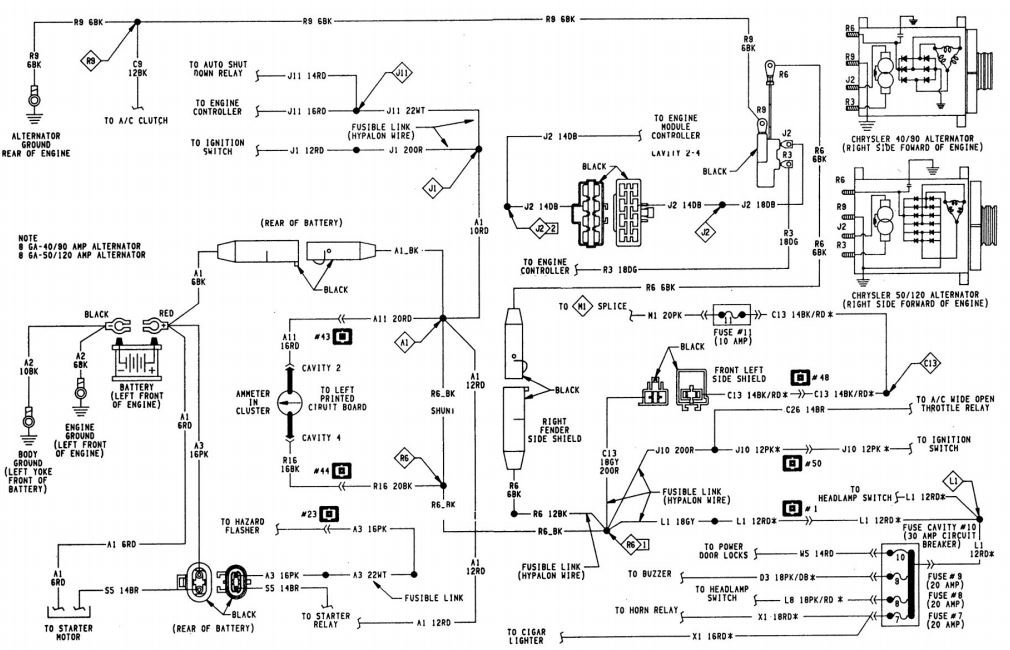
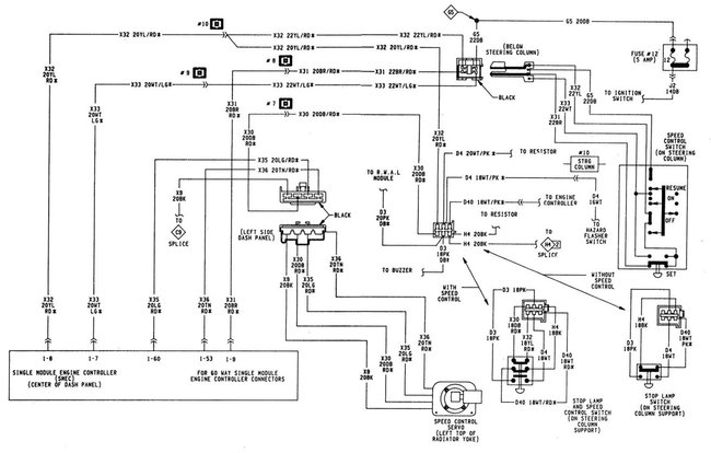
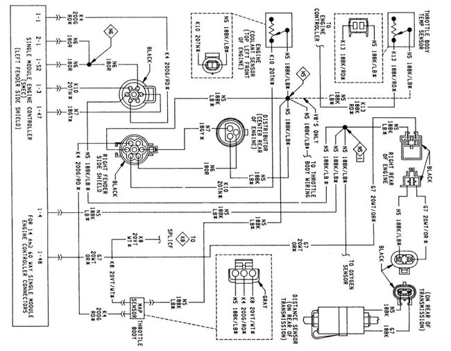
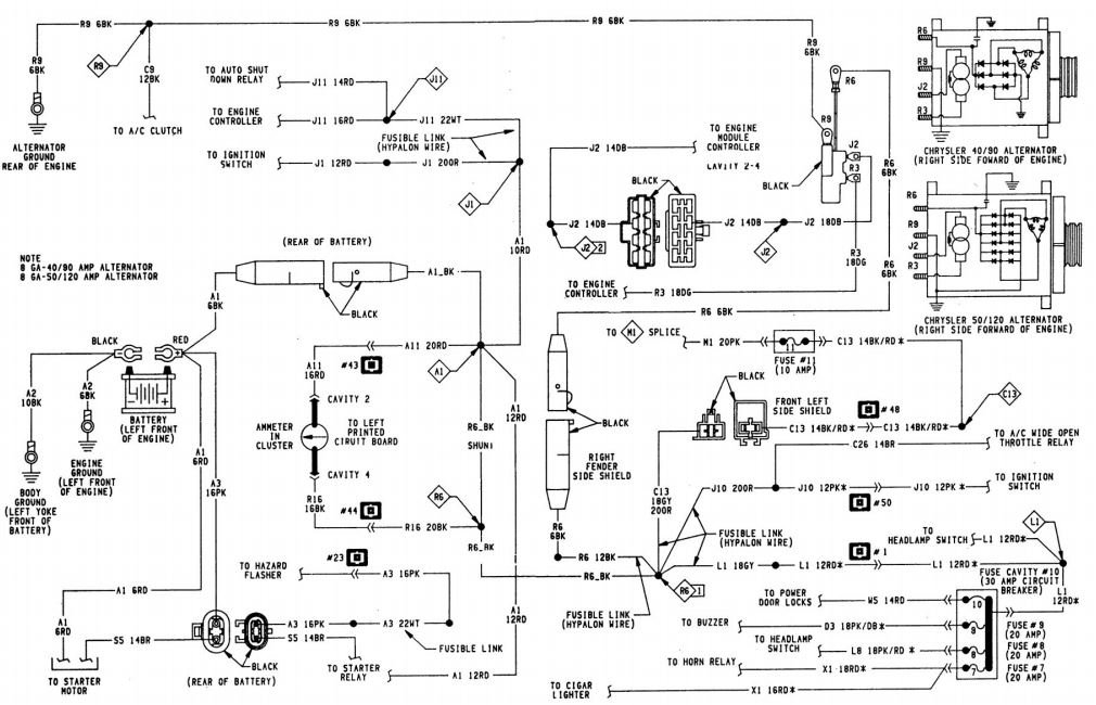
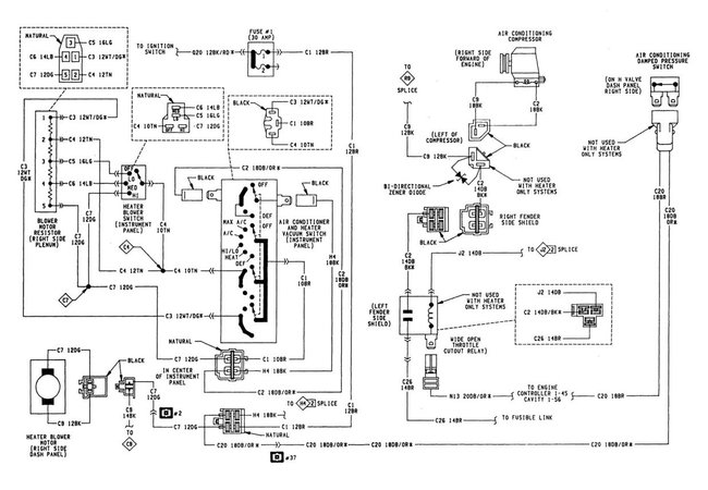
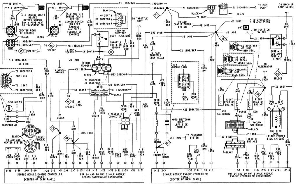
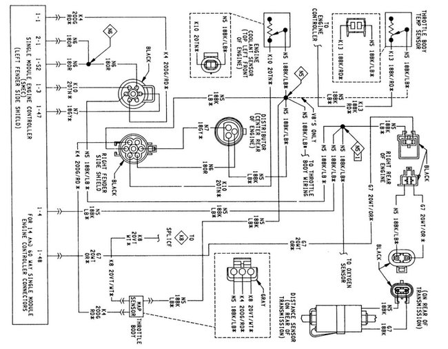
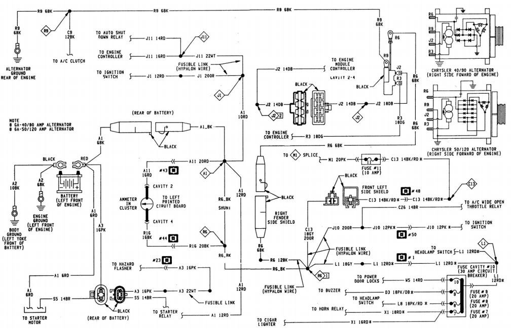
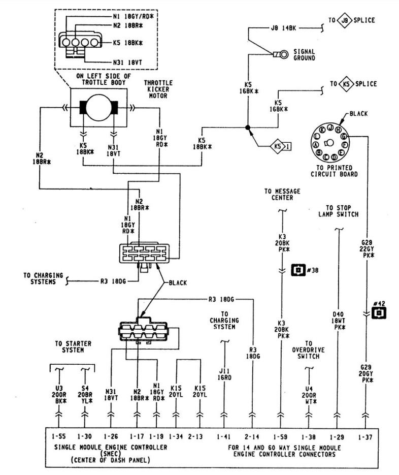
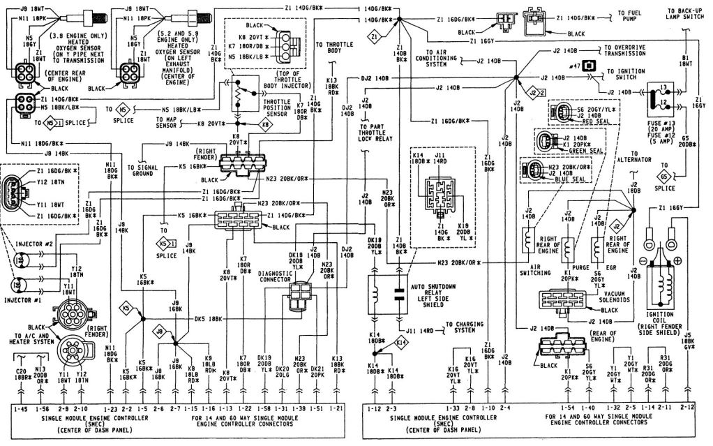
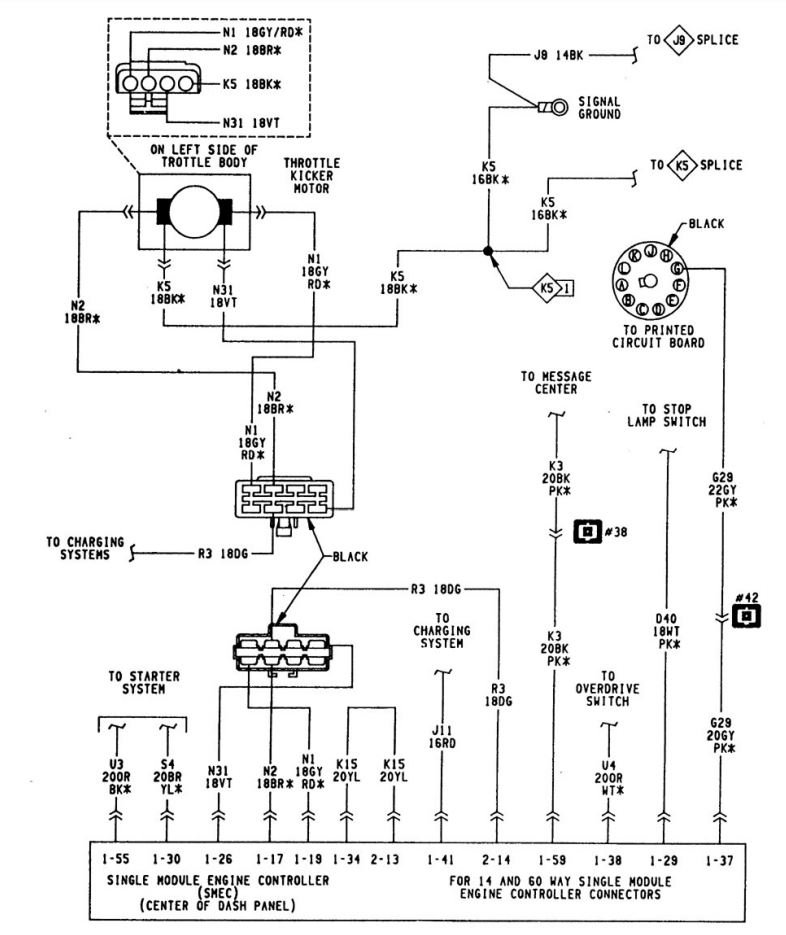
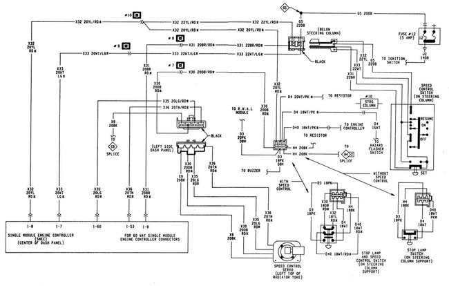
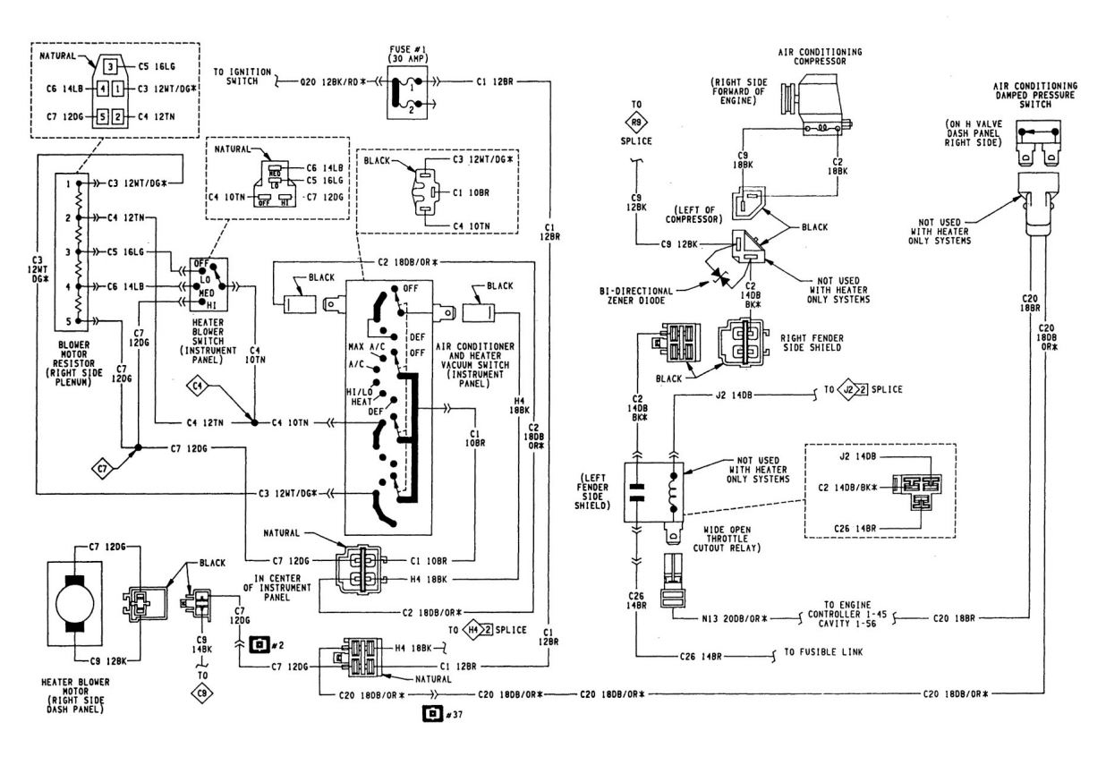
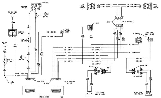
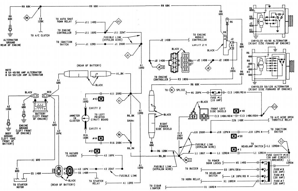
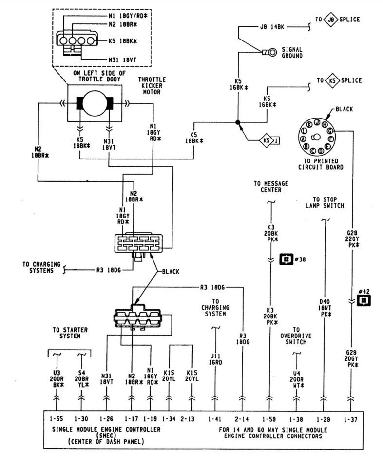
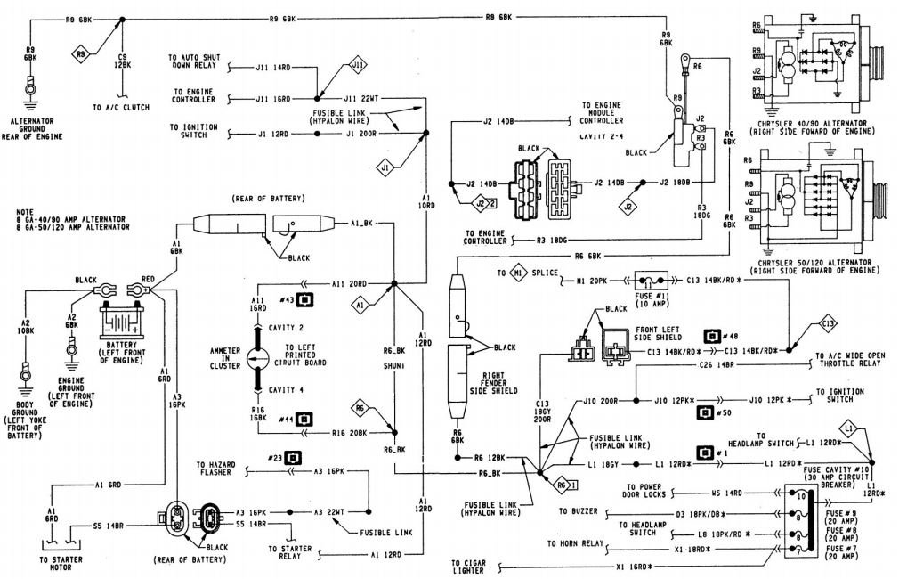
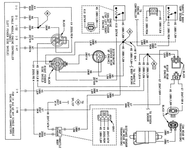
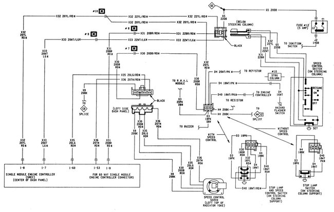
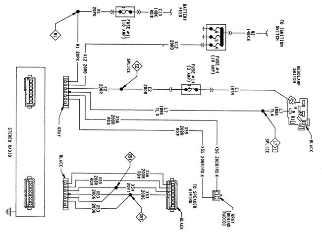
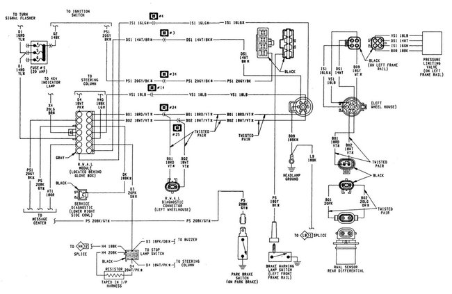
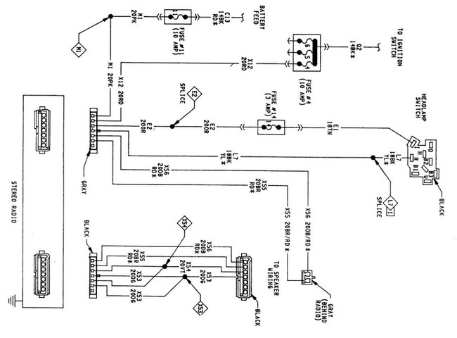
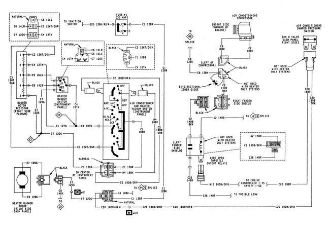
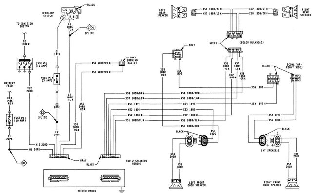
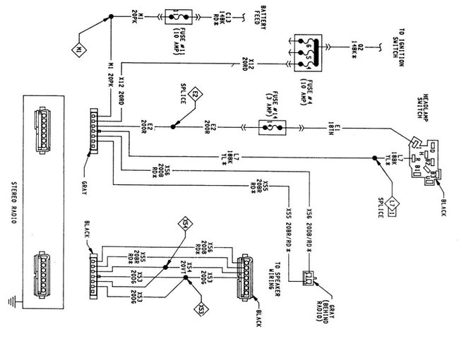
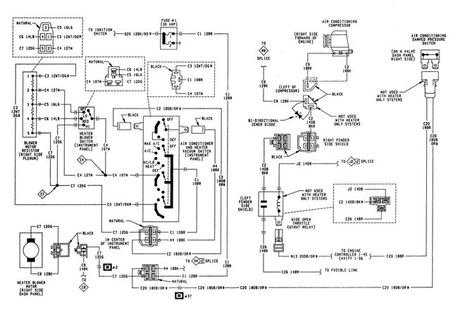
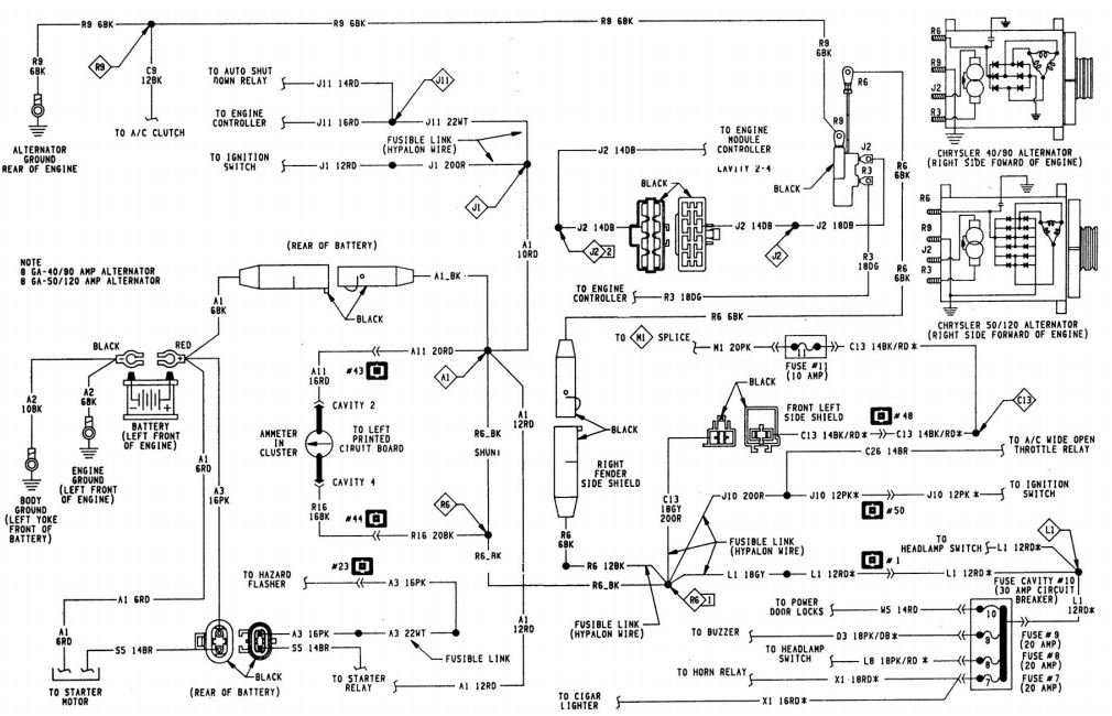
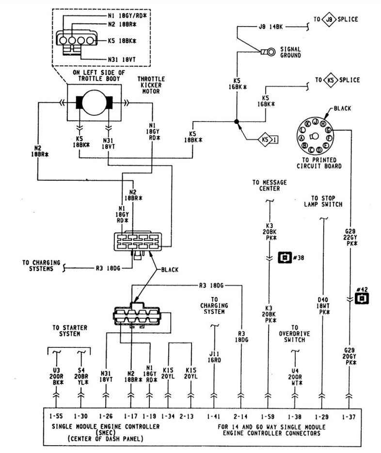
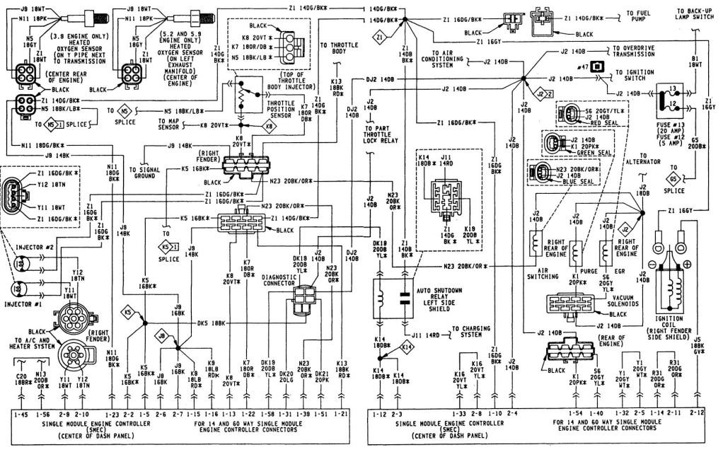
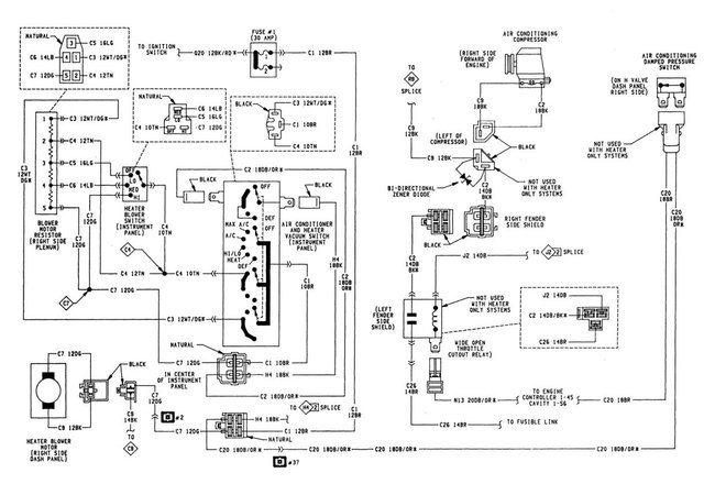
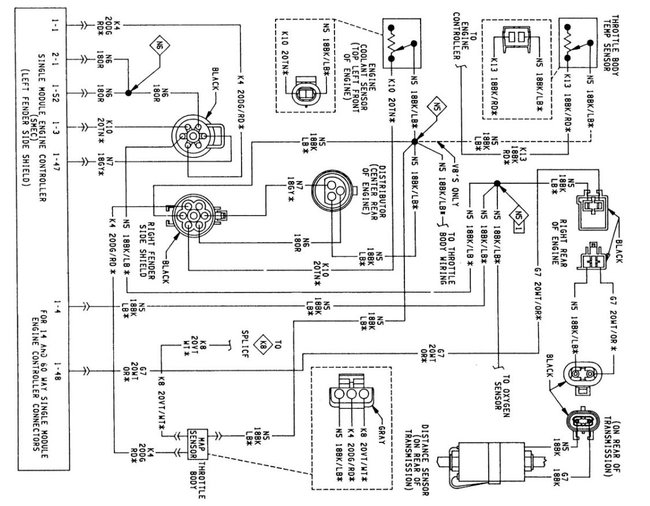
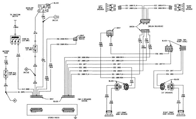
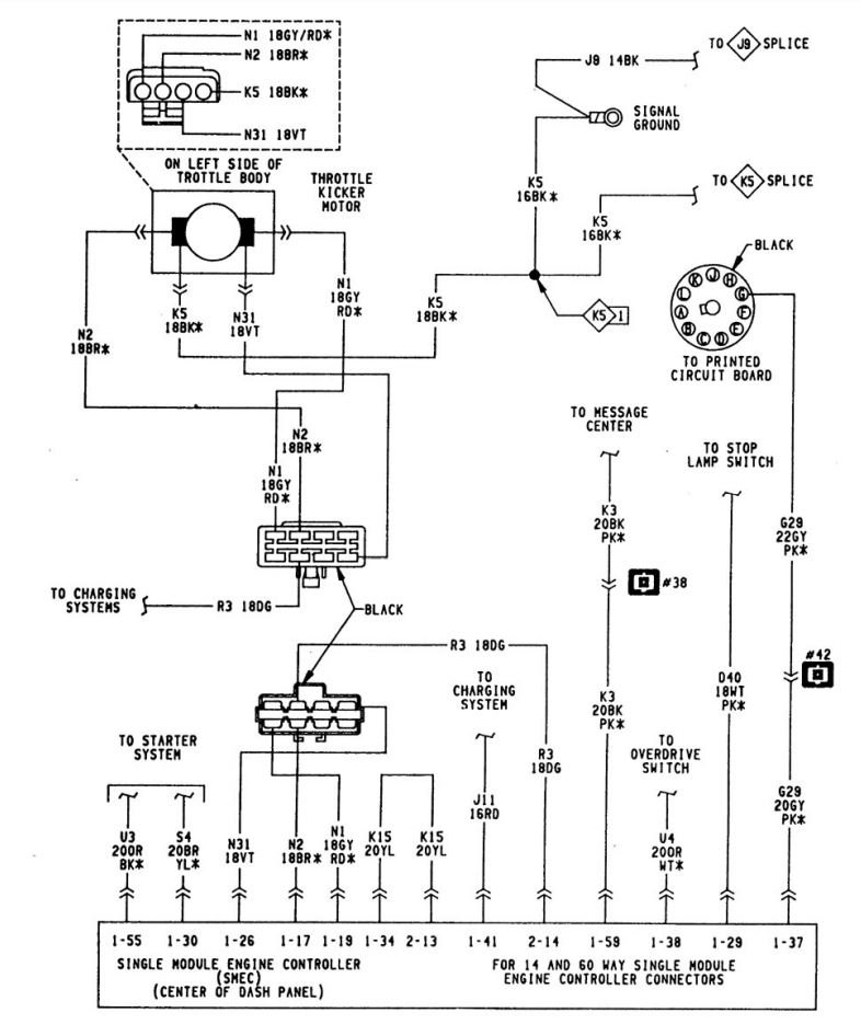
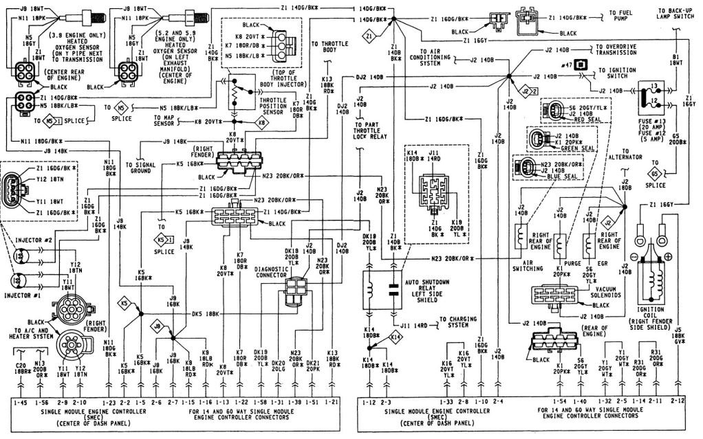
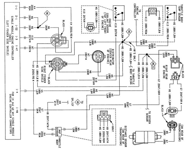
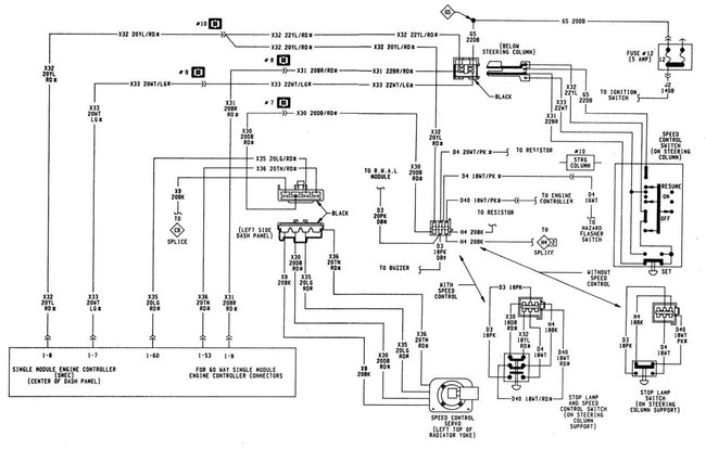
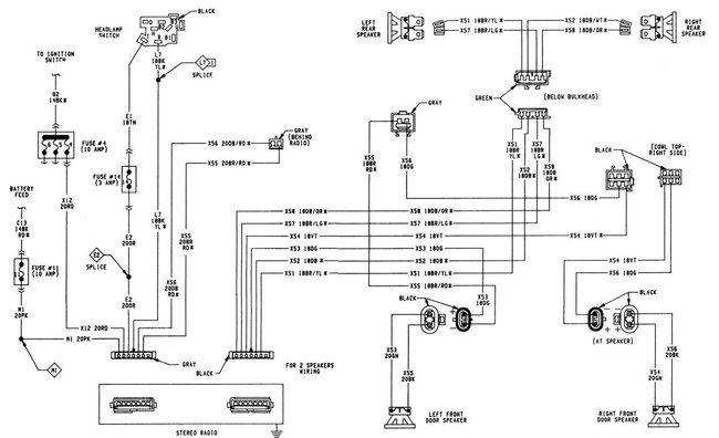
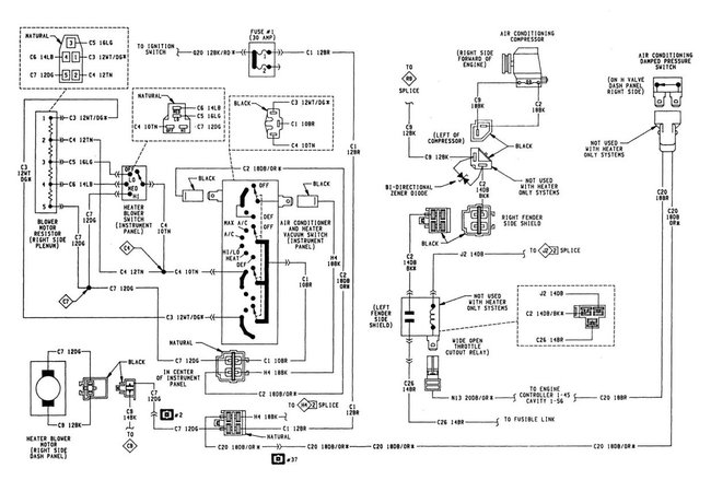
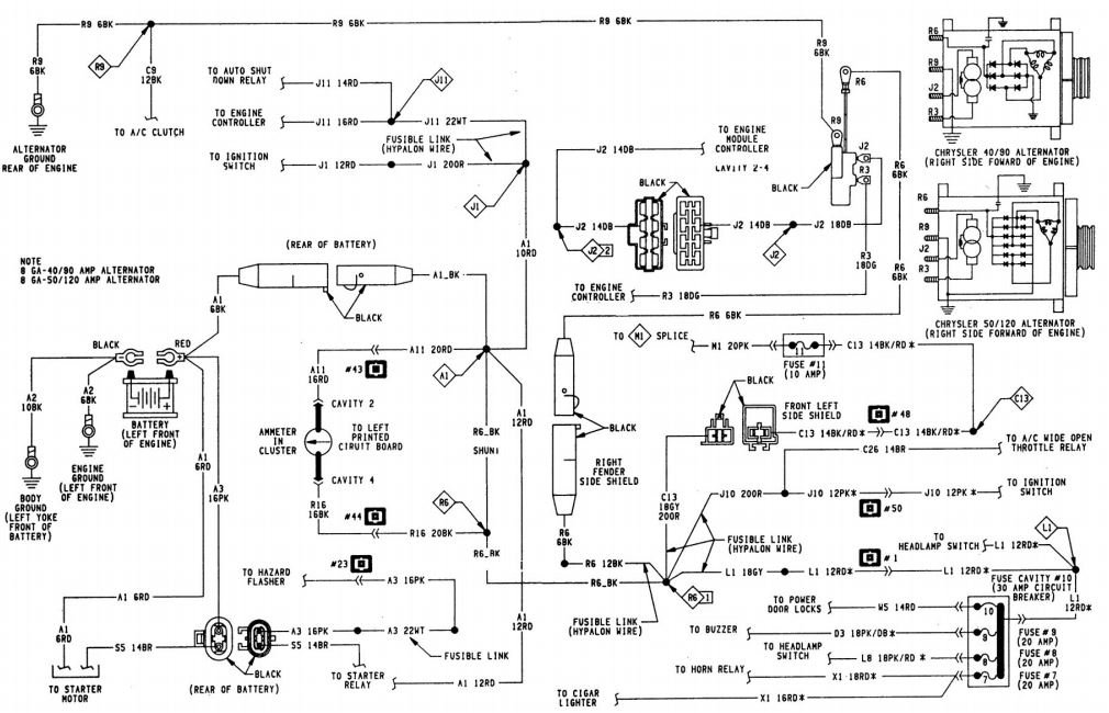
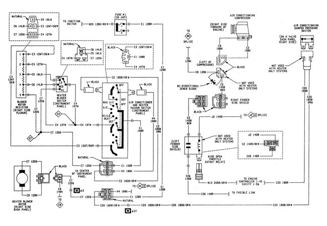
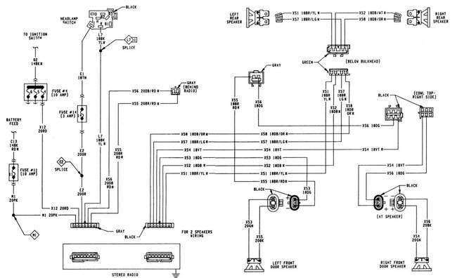
Try these. Just ignore the items that you do not have.
Was this
answer
helpful?
Yes
No
+8
Monday, June 18th, 2018 AT 11:14 AM
Tiny
JERICHO HOUSMAN
  • MEMBER
  • 4 POSTS
  • 1990 DODGE TRUCK
  • 5.9L
  • V8
  • 4WD
  • MANUAL
  • 122,000 MILES
So the other day I was changing out the starter fuel pump relays, put in some new ones. Well, I accidentally put a third one in the thinking about it now, I have no fuel pump, no starter, no anything. Smell smoke burnt spot on the fender, but I cannot find the wire. Did I fry the ECM ECU out or something else? Thank you, I would appreciate it very quick responses and try to get this thing on the road.
Was this
answer
helpful?
Yes
No
Wednesday, June 20th, 2018 AT 10:42 AM (Merged)
Tiny
KEN L
  • MASTER CERTIFIED MECHANIC
  • 55,469 POSTS
It sounds like it, I would go over all the engine computer wiring before plugging in a different one.
Was this
answer
helpful?
Yes
No
Thursday, June 21st, 2018 AT 1:09 PM

Please login or register to post a reply.