Climate control wiring diagram needed

Tiny
JUSTIN HARTL
  • MEMBER
  • 2011 GMC SIERRA
  • 4.8L
  • 4 CYL
  • 2WD
  • AUTOMATIC
  • 148,000 MILES
I am looking for a climate control wiring diagram for the inside controls of the truck listed above.
Monday, March 22nd, 2021 AT 6:00 PM

1 Reply

Tiny
JACOBANDNICKOLAS
  • MECHANIC
  • 110,194 POSTS
Hi,

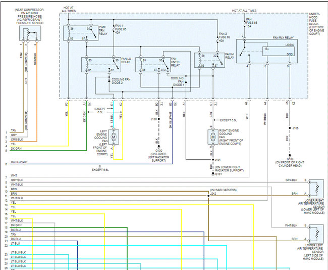
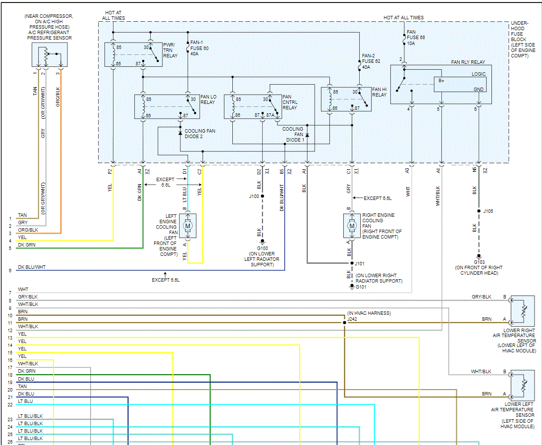
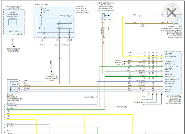
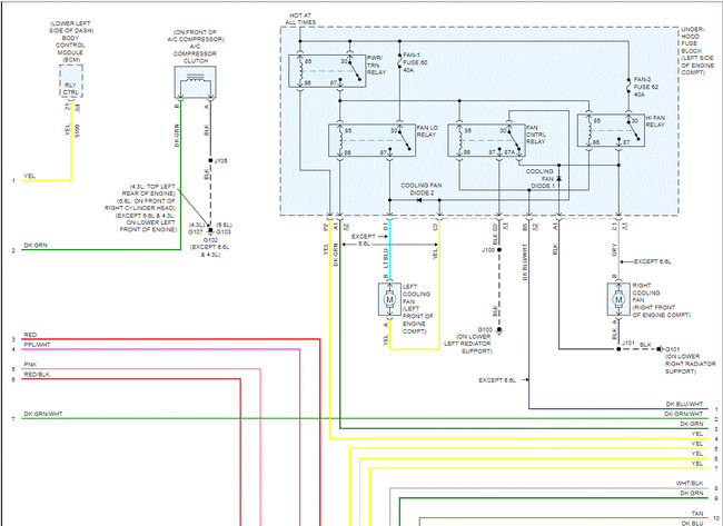
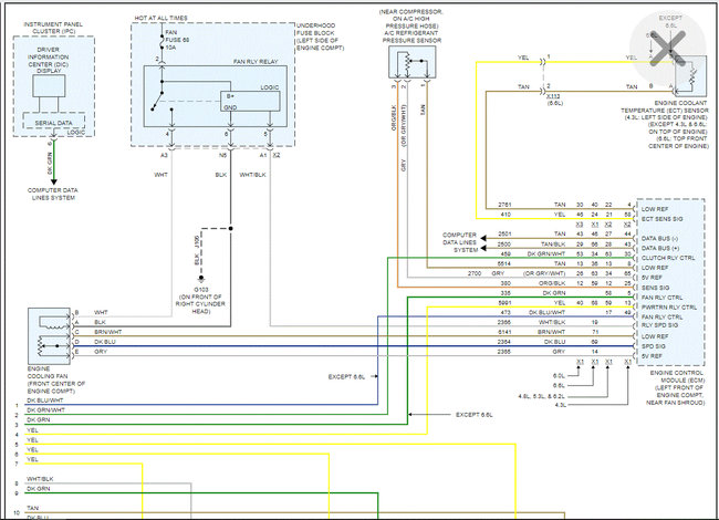
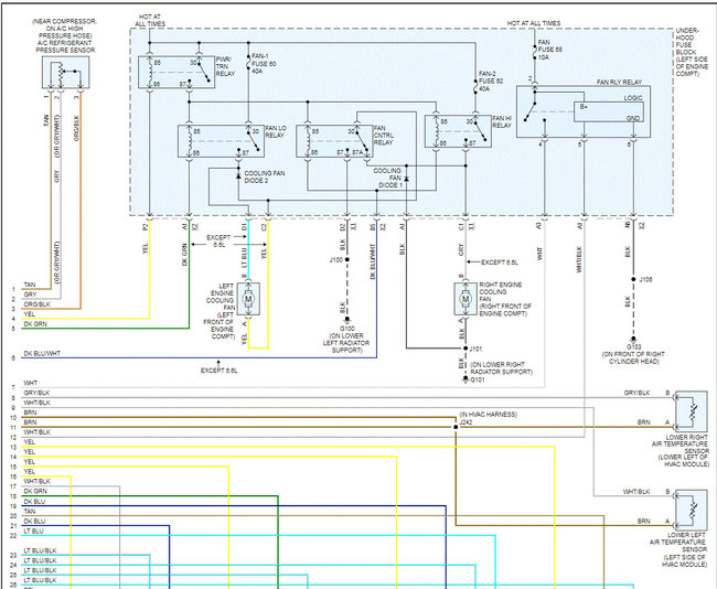
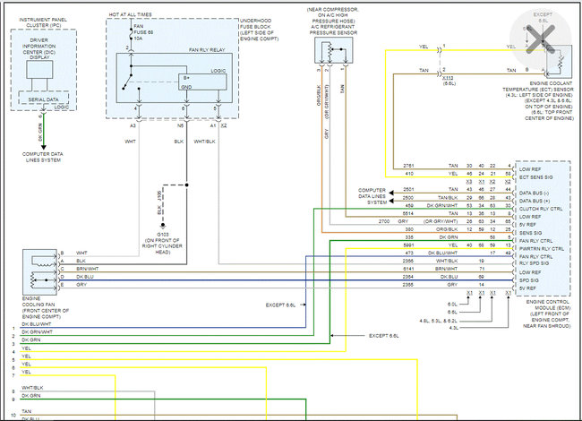
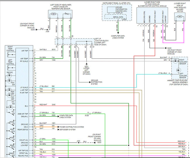
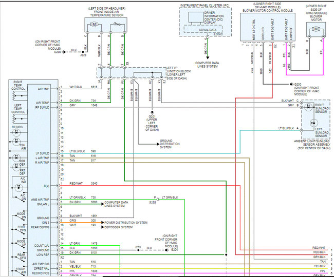
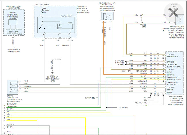
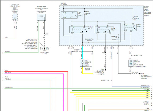
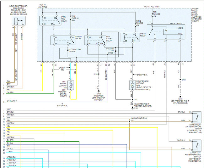
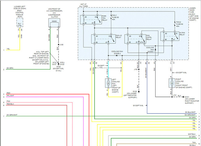
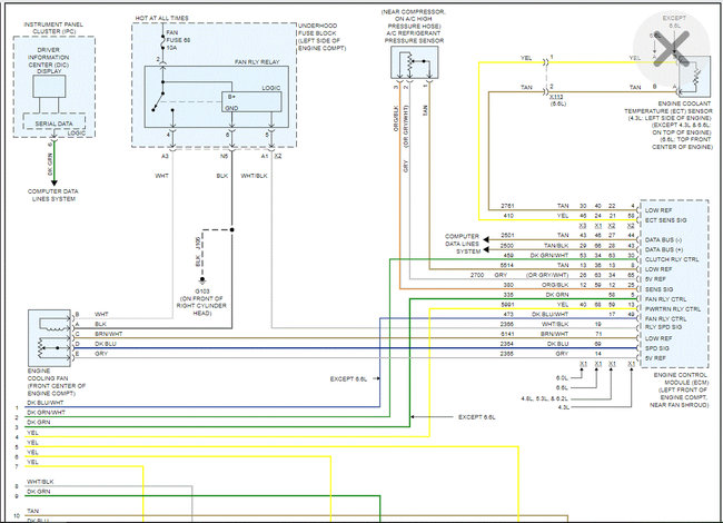
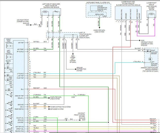
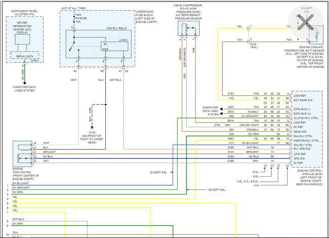
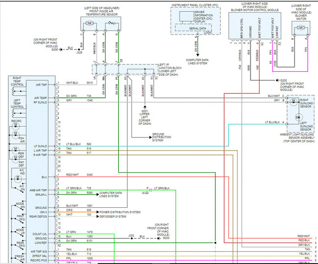
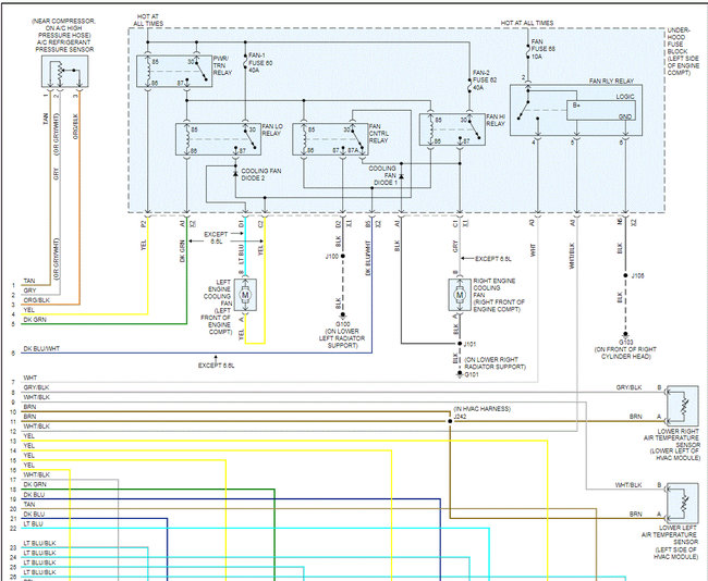
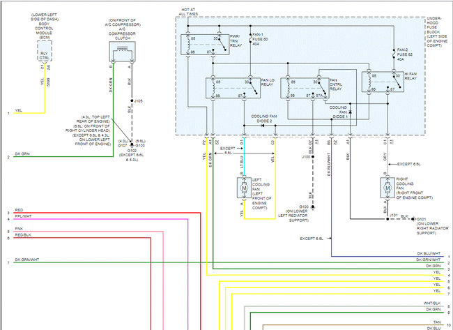
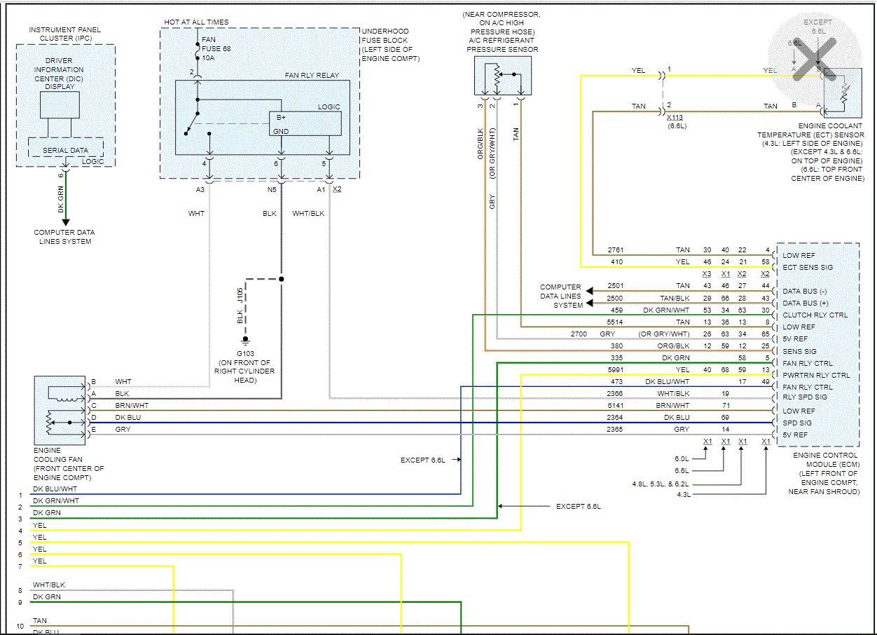
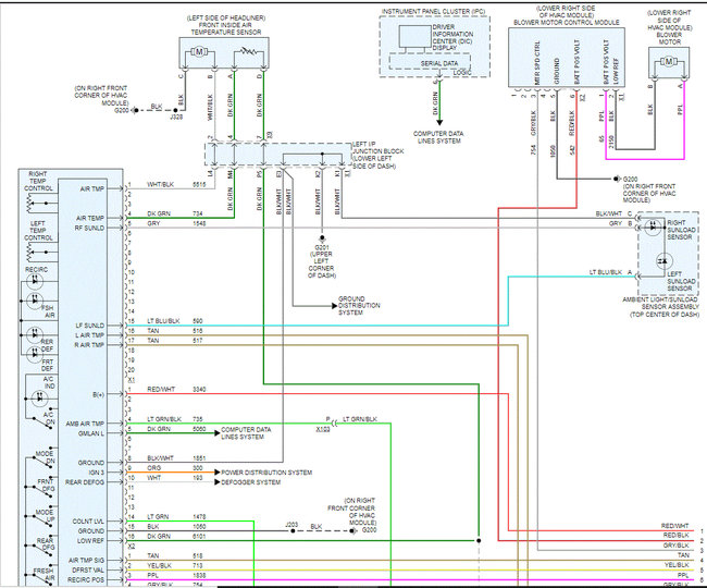
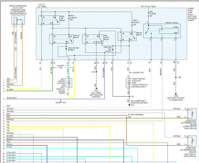
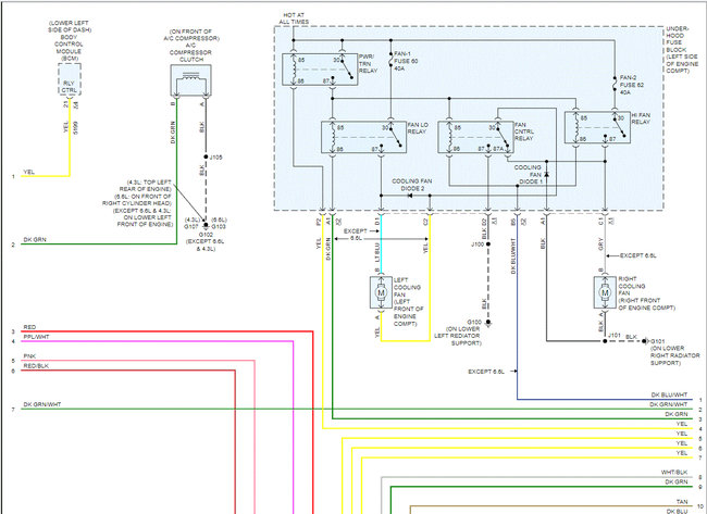
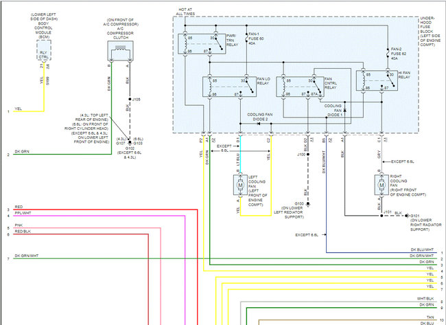
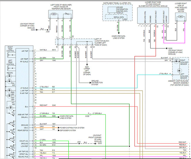
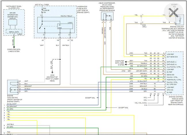
I attached the entire schematic for the HVAC system. The first six pics are for a manual climate control. The remaining pics are for automatic climate control. Note, if this is a hybrid, let me know.

Here is a link you may find helpful:

https://www.2carpros.com/articles/how-to-check-wiring

I had to cut the pics in half to make them readable. I did overlap them so you can follow easier.

I hope this helps. Let me know if you have other questions.

Take care,
Joe
Was this
answer
helpful?
Yes
No
Monday, March 22nd, 2021 AT 7:23 PM

Please login or register to post a reply.