Monday, February 17th, 2020 AT 1:43 PM
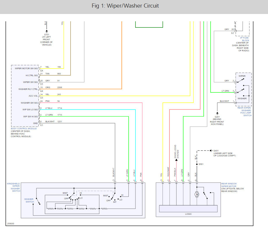
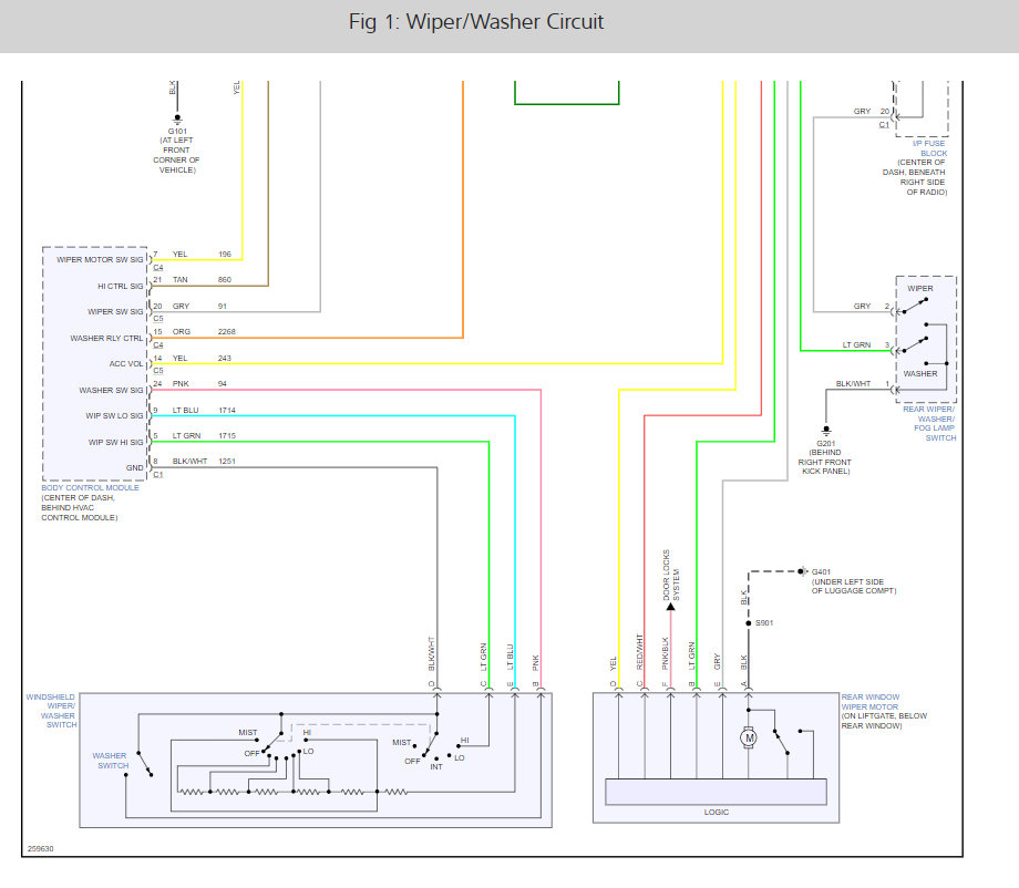
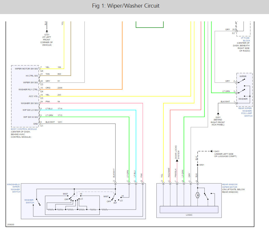
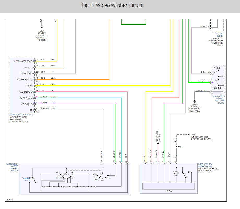
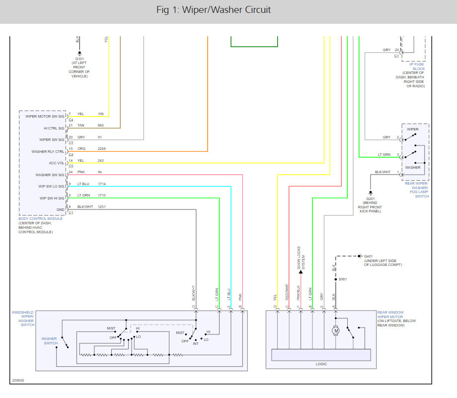
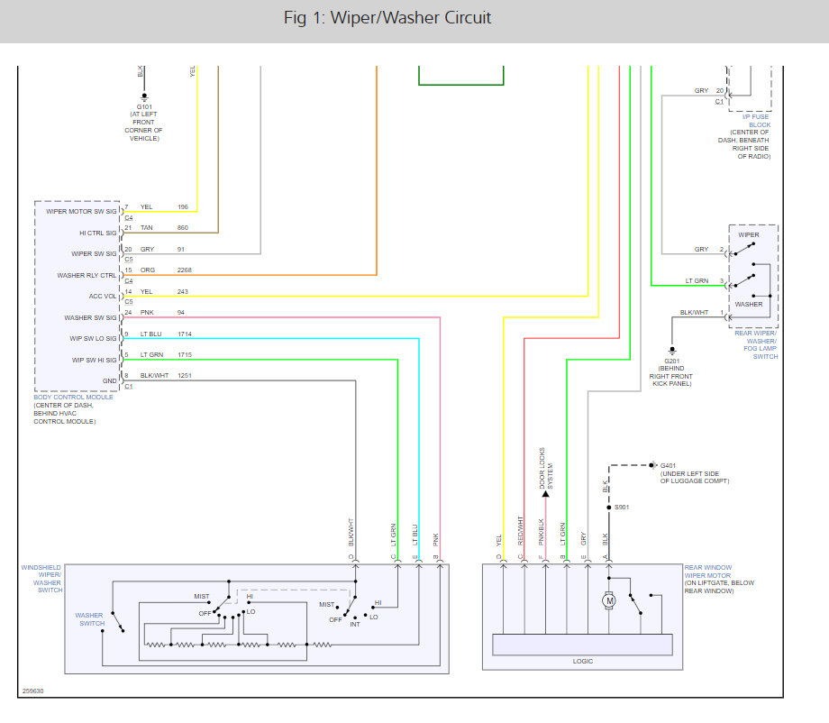
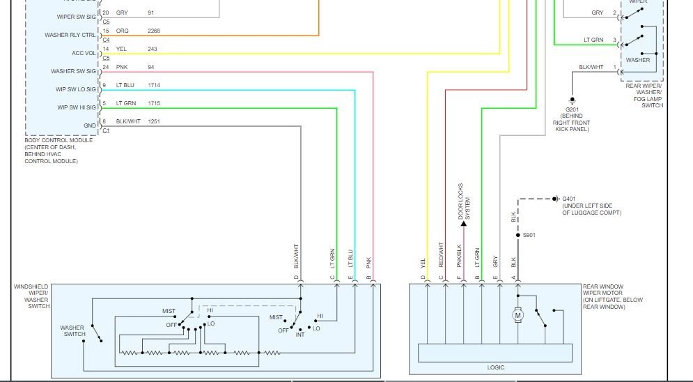
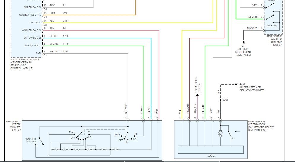
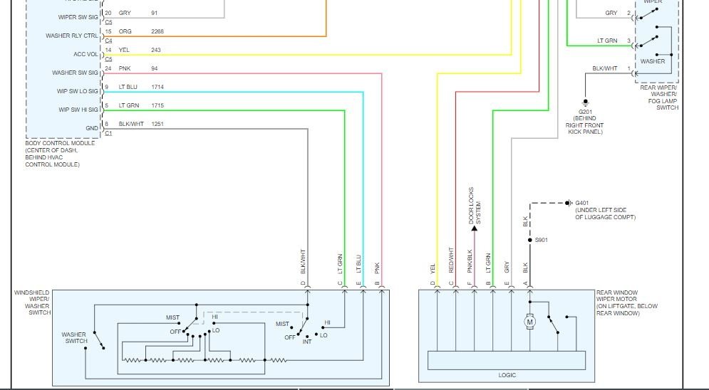
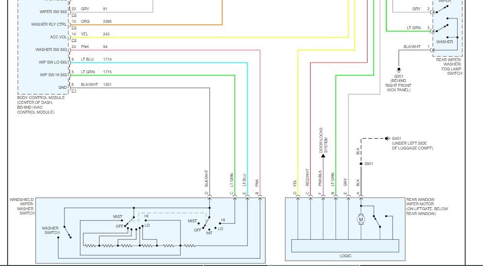
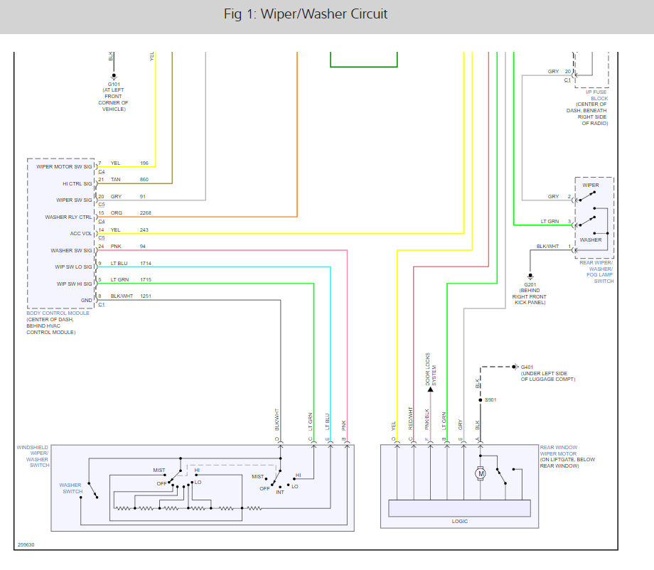
Girlfriend's dog chewed the wiper control switch off. I’m attempting to reattach it, but I need a wiring diagram that shows where the wires that come out of the steering column attached to the motherboard in the wiper control switch.







