Monday, August 26th, 2024 AT 4:18 PM
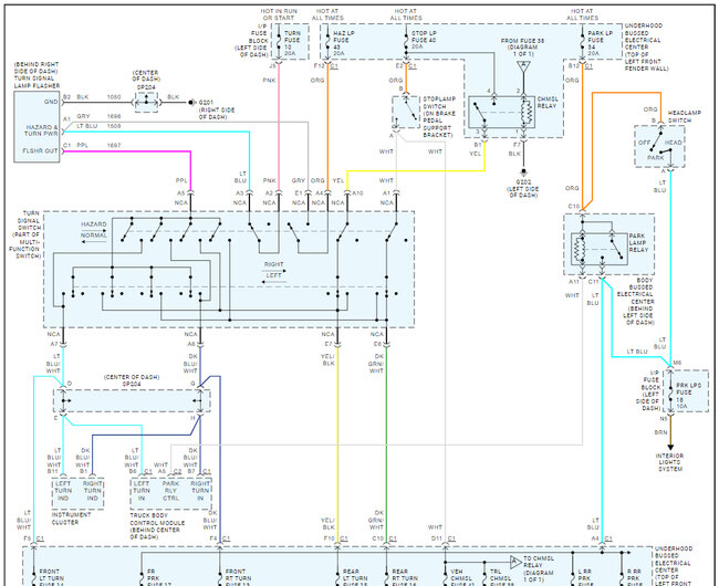
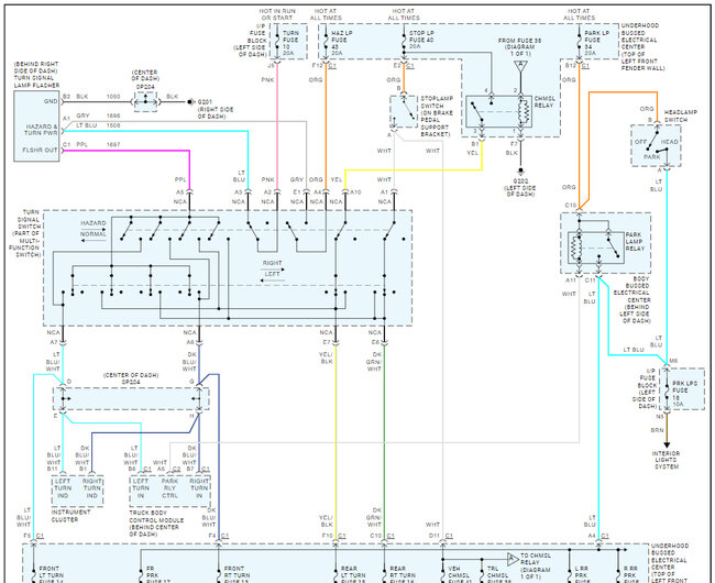
To start off thanks for the help on the last couple questions got the wiring harness in and everything seems to work except 2 things my cluster and my blinkers. My hazards turn on but my blinkers aren’t having it and my cluster shows battery and prndl and that’s it so can anyone point me in the direction of what wire I need to find to send power to those two things from my engine bay? Thank in advance





