HOME
ASK A QUESTION
REPAIR GUIDES
BECOME A MEMBER
LOG IN
Login with Facebook
OR
Remember me
NOT A MEMBER?
FORGOT PASSWORD?
CONTACT US
PRIVACY POLICY
TERMS AND CONDITIONS
☰
Home
Ford
Mustang
Drivetrain
Transmission
Wiring
Transmission wiring diagram needed
SIREN THESAV
MEMBER
2000 FORD MUSTANG
3.8L
V6
2WD
AUTOMATIC
200,000 MILES
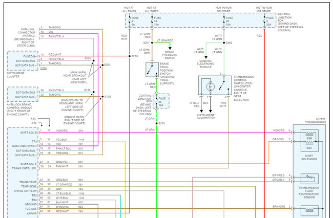
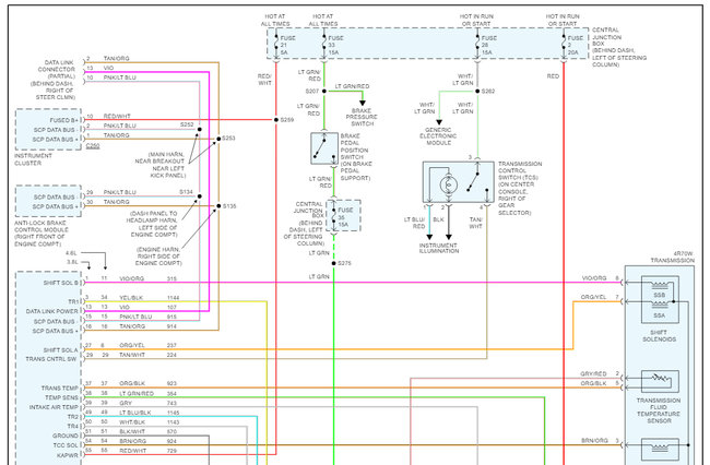
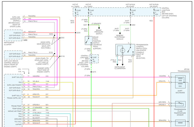
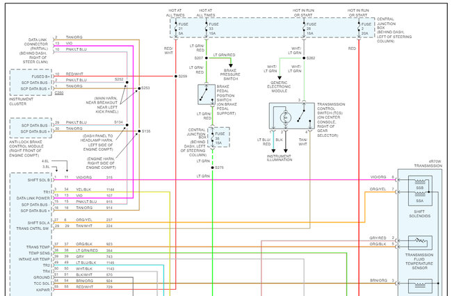
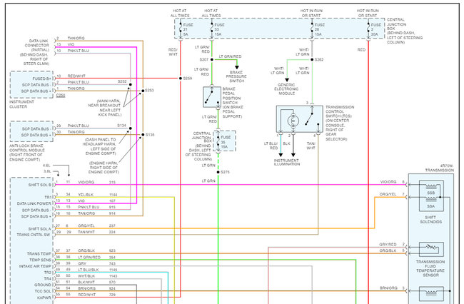
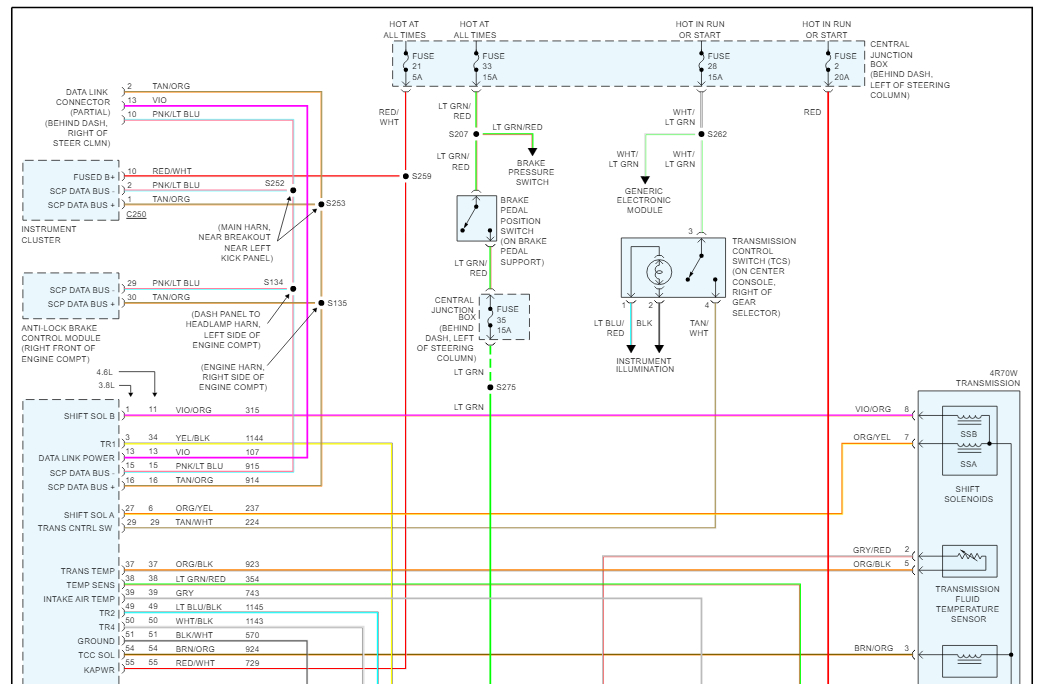
I need a diagram for the transmission wiring for my car. 'm installing a 4r70w 3.8 v6.
Monday, February 21st, 2022 AT 4:19 PM
1 Reply
SQM
MECHANIC
6,383 POSTS
Hello,
I have attached the wiring schematics for the transmission below.
https://www.2carpros.com/articles/how-to-check-wiring
I have also attached the transmission replacement procedure below.
https://www.2carpros.com/articles/how-to-remove-an-automatic-transmission-rwd
Please let me know if you have any questions.
Thank you.
Images (Click to make bigger)
Was this
answer
helpful?
Yes
No
Monday, February 21st, 2022 AT 9:42 PM
Please
login
or
register
to post a reply.
Related Transmission Wiring Content
2000 Ford Mustang Bell House
I Need A Trick To Get The Top 2 Bolts Out Of The Bell House I Have Lowerd Trany Used 2 Feet Of Extensions Used Blaster How Do I Remove Them
Asked by
verno
·
1 ANSWER
2000
FORD MUSTANG
What Causes You Not To Be Able To Make Your Car Change...
It Starts Just Fine And When I Step On The Brake To Switch Out Of Park It Wont Let Me Puch The **** In To Switch It?
Asked by
ctownsend
·
2 ANSWERS
2 IMAGES
2002
FORD MUSTANG
Can't Get 2002 Mustang Out Of Park
I Have A 2002 Ford Mustang Convertible With 65,000 Miles, 3.8l V6 And Automatic Transmission. The Car Starts Okay But I Cannot Shift Out...
Asked by
Gabe2
·
1 ANSWER
2002
FORD MUSTANG
Vehicle Speed Sensor
Hi, I Took A Pic Of My Car And I Would Like You Guys To Tell Me If This Is The Speed Sensor? I Disconnected The Wire For A Better View...
Asked by
Stang007
·
5 ANSWERS
1995
FORD MUSTANG
1968 Mustang Neutral Switch?
I Am Restoring A 68 Mustang With A 289 V8 And Am Having Some Difficulty. The Car Appears To Be Wired Correctly And Will Turnover If Power Is...
Asked by
awoodsonIII
·
6 ANSWERS
1968
FORD MUSTANG
VIEW MORE
Ask a Car Question. It's Free!
How to Use a Test Light
Code Read Retrieval/Clear Chevrolet
Transmission Service Ford F-150 2011-2014