Friday, November 24th, 2017 AT 1:36 PM
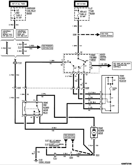
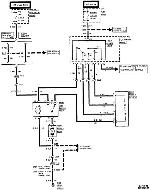
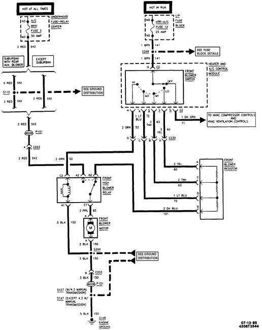
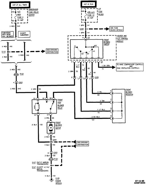
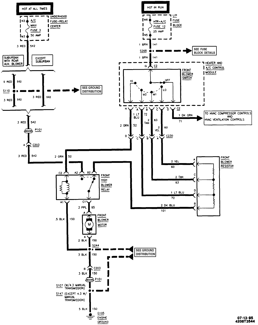
My wiring for my blower motor is wrong so I got another wiring harness for the passenger side. On the old one there is not enough of the wires the new plug has more.








