Saturday, July 15th, 2017 AT 11:16 AM
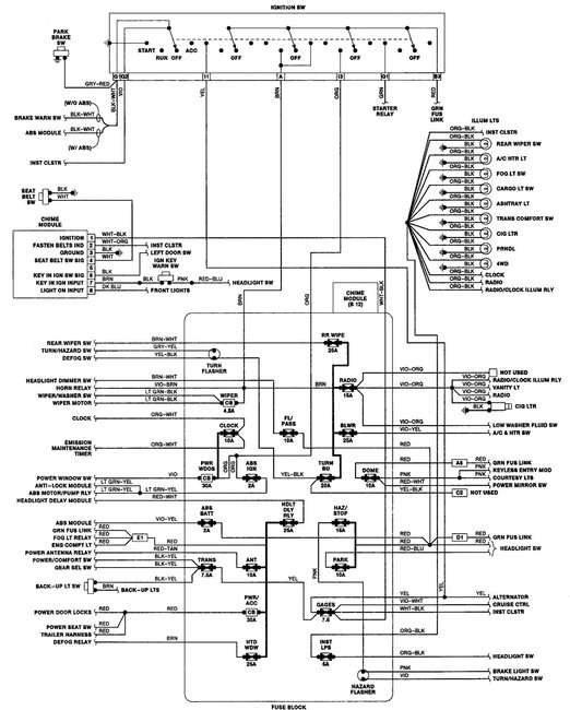
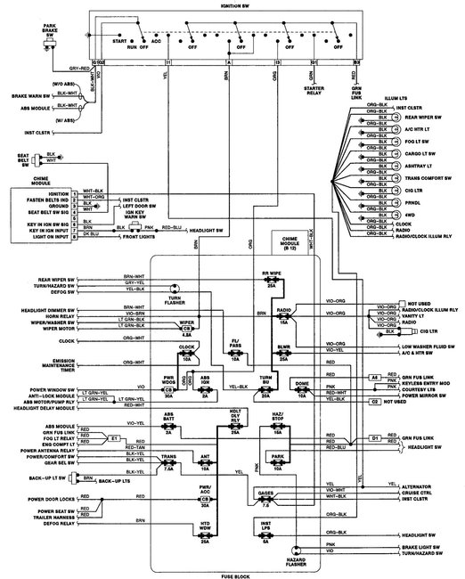
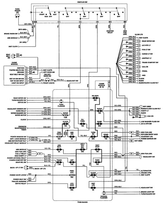
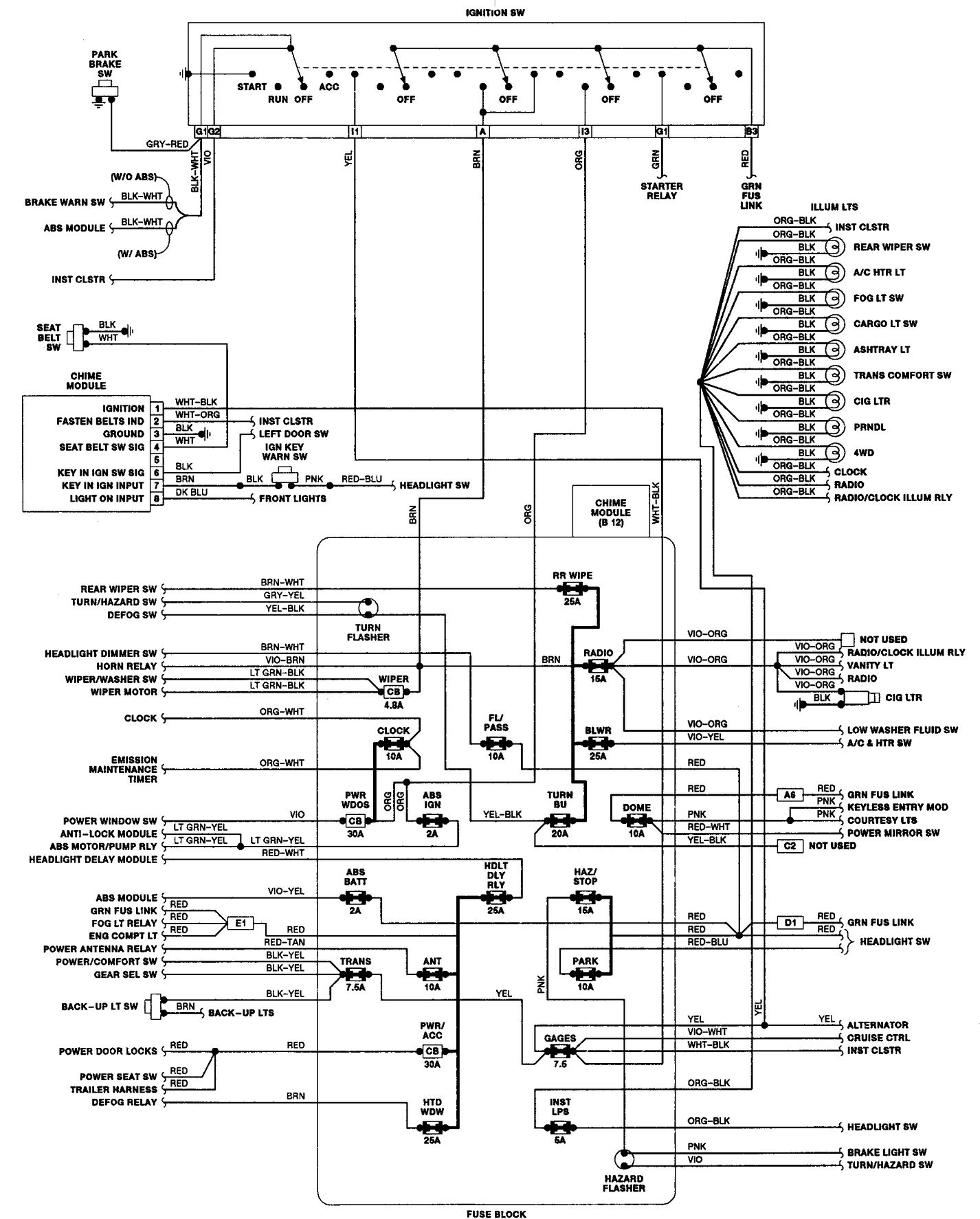
Some clips broke off of the fuse box terminal strips and I have been replacing them. Well, I forgot to take a picture before I started and I was wondering if you might have a picture of the inside of the fuse box so I know what wires go where?

