Wednesday, June 8th, 2022 AT 9:25 AM
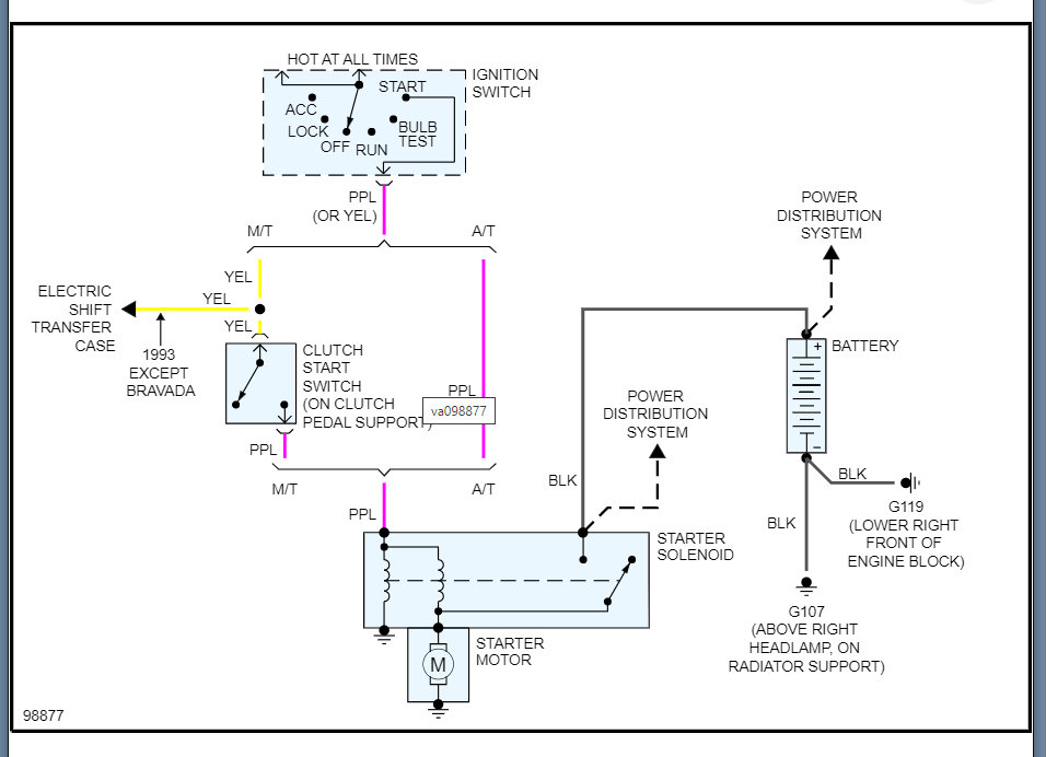
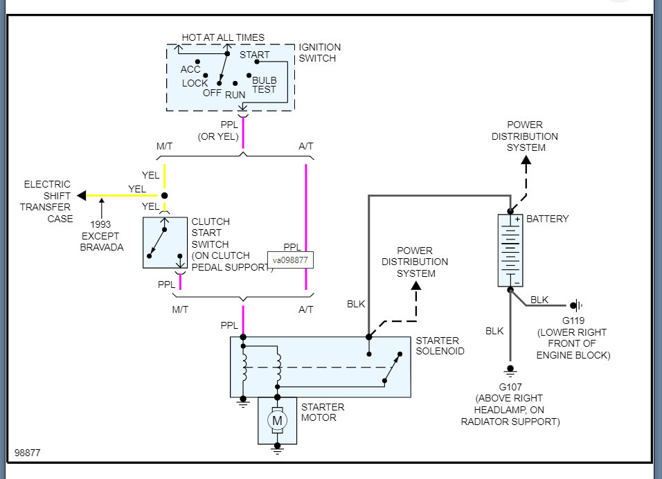
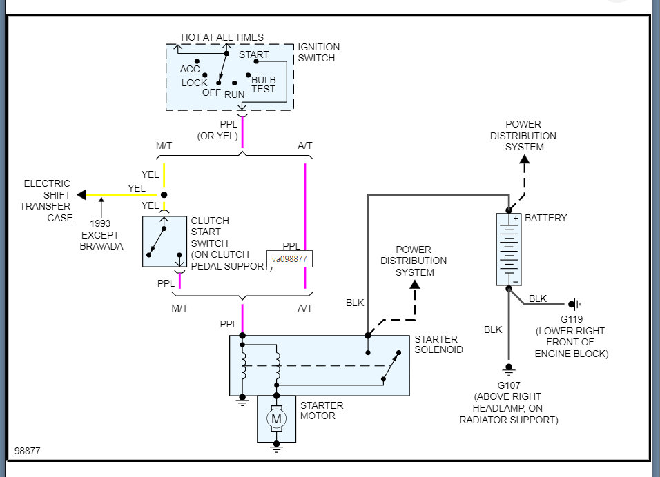
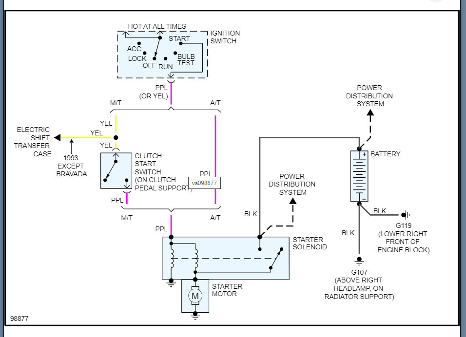
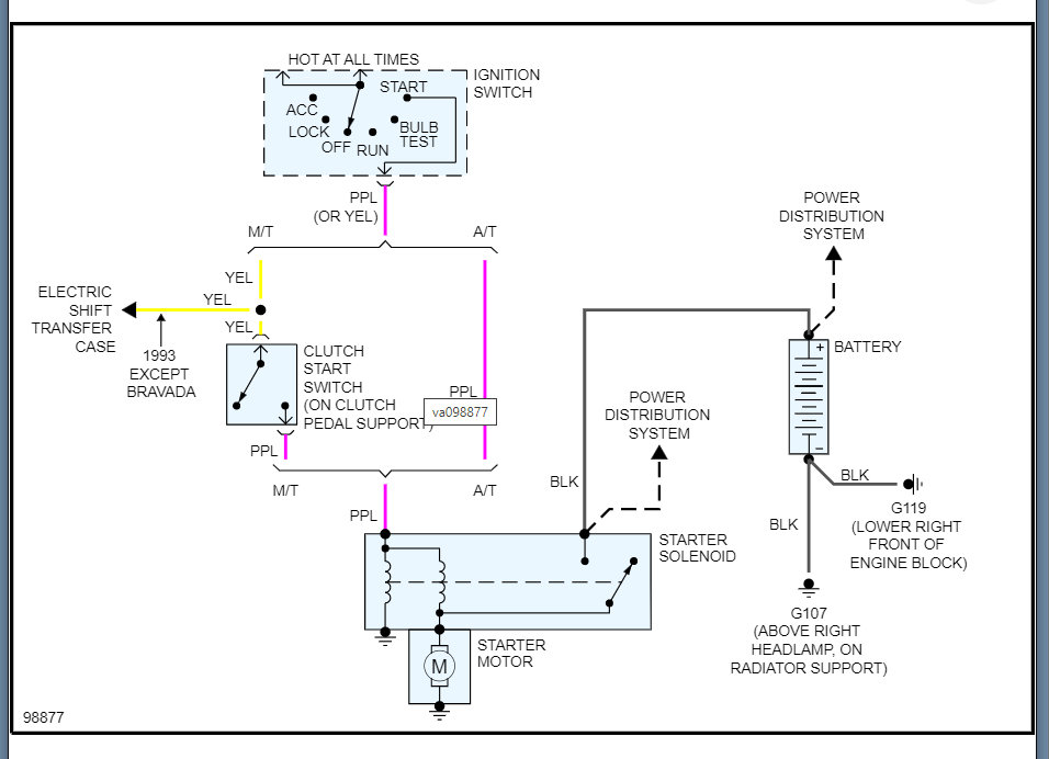
My husband just replaced the distribution cap, starter, alternator, and battery to his truck listed above, but seems to be having problems with some of the wires that were cut off. There are some wires (red, yellow, purple, light blue and dark blue) coming from the bottom of the engine and he isn't sure where they go. We looked up different ways of getting a wire code schematic for the truck but can't seem to find one for this year. The truck started but then something was touching (the wires we think) and now it doesn't start. Is there anyway of getting assistance with what the wires are for and to be on the safe side the connecting of the starter (just for safety reasons). Your assistance is greatly appreciated.


