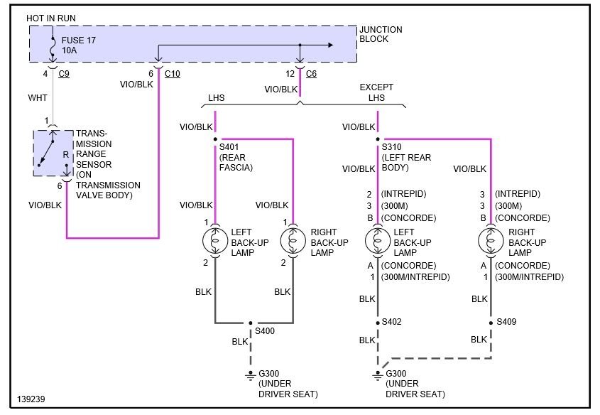
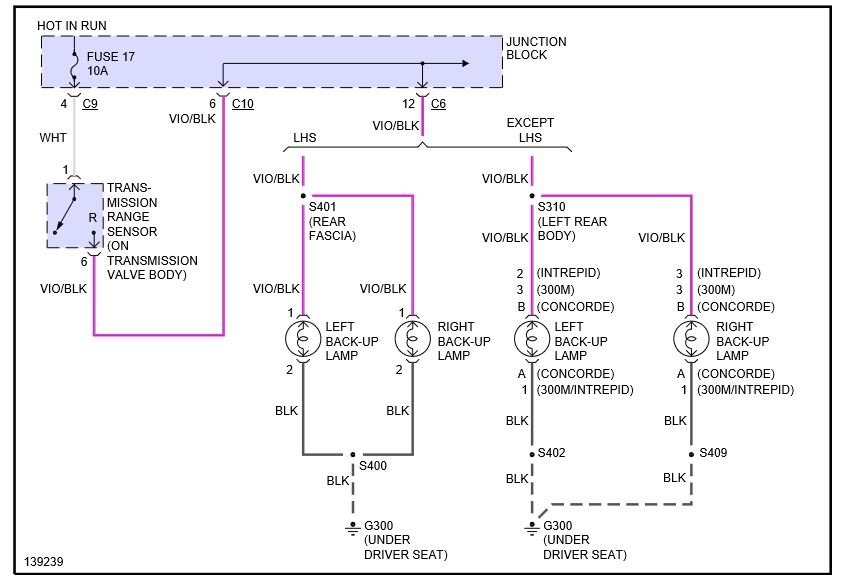
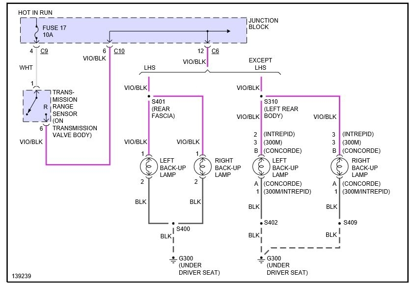
Saturday, September 1st, 2018 AT 11:17 PM
How would I go by putting my wires back together and how would I know if I am missing any wires? Reconnected as far as color coding, but I am still not getting any reverse lights. What would be my next move?



