There is a fuse that keeps blowing, the car will jump start and go about five miles then shuts off?

Tiny
LISALYNNE
  • MEMBER
  • 1998 FORD CONTOUR
  • 121,000 MILES
I have replaced the alternator and the battery. Took the alternator back off and took it in to have it checked, it's good. There's a fuse that keeps blowing. The car will jump start and go about 5 miles then it shuts completely off and onto start back unless it's jumped.
Wednesday, October 25th, 2023 AT 1:55 PM

3 Replies

Tiny
JACOBANDNICKOLAS
  • MECHANIC
  • 110,192 POSTS
Hi,

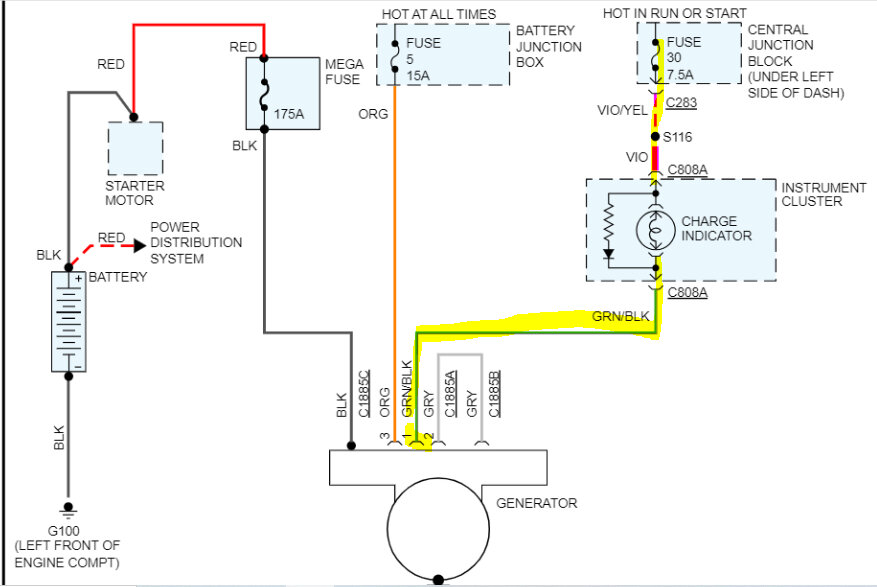
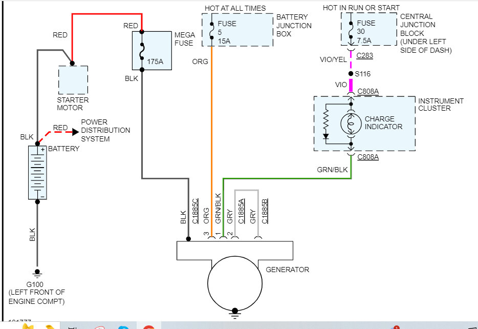
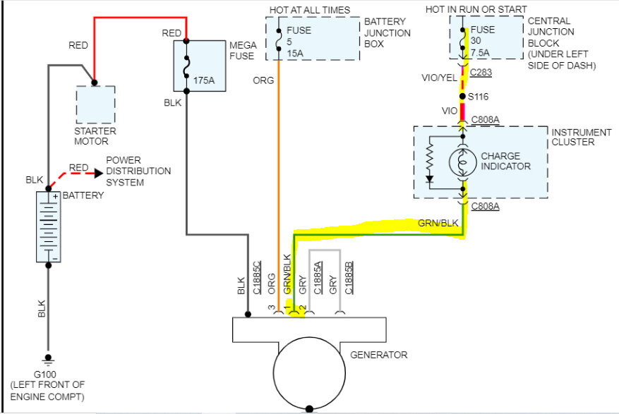
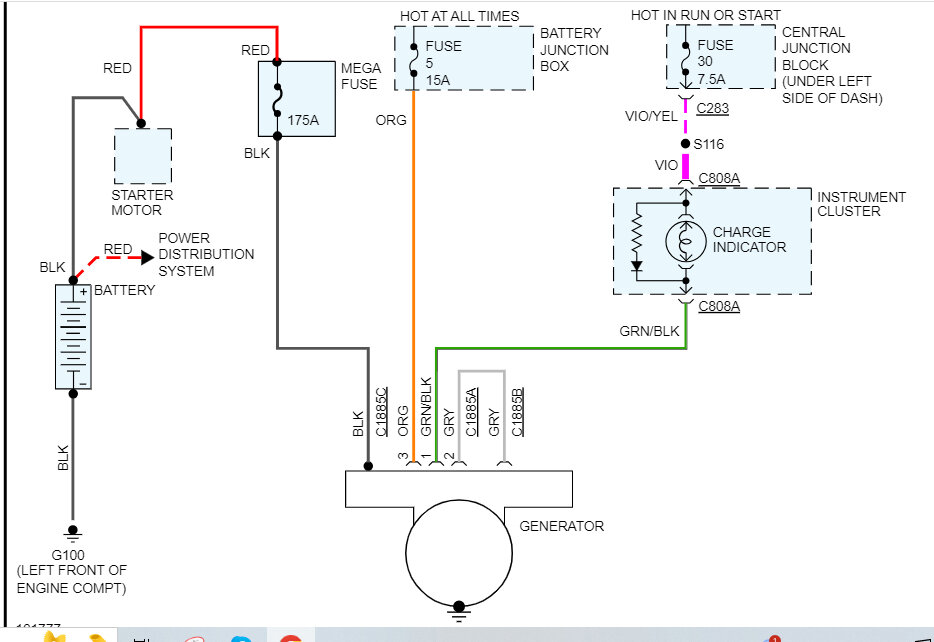
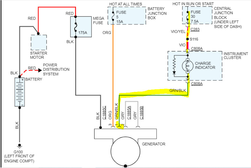
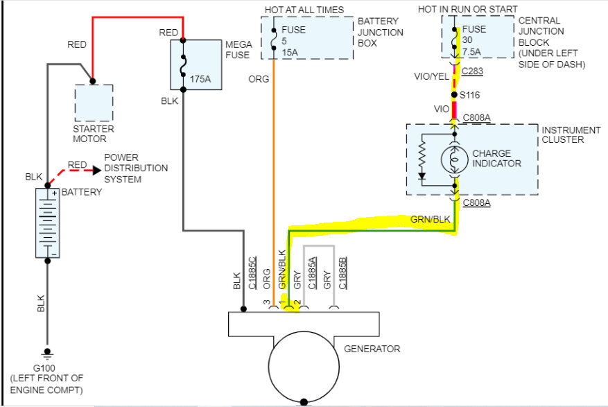
What size engine does it have? See picture one below for options. As far as the fuse is related, it can be different based on engine size. However, I attached the wiring schematic below for the charging system (pic 2). It is for a 2.5L DOHC (Vin L).

Take a look at it and let me know which fuse is the one that keeps failing.

Take care,

joe
Was this
answer
helpful?
Yes
No
Wednesday, October 25th, 2023 AT 8:14 PM
Tiny
LISALYNNE
  • MEMBER
  • 2 POSTS
It's the number 30 fuse. It's a 4 cylinder. I haven't had the money for a mechanic, I've been doing all this by myself, so please be patient with me and please help me. I'm attaching an image of the fuse.

Thank you,

Lisa L Wilson
Was this
answer
helpful?
Yes
No
Wednesday, October 25th, 2023 AT 9:22 PM
Tiny
JACOBANDNICKOLAS
  • MECHANIC
  • 110,192 POSTS
Hi,

Don't worry. We'll get it figured out.

Interestingly, that fuse is for the indicator light (alt-light). I need you to check some things for me. First, do me a favor. I need to know the 8th digit in the VIN number of the vehicle. There are different 4-cylinder engines that were used. I need to make sure I'm looking at the correct schematic.

Next, does the fuse fail immediately or after you drive for a distance? If you look at the pic below, note that power is only present in that fuse when the key is in the run or start position. If you turn the key on, does it fail right away? If it does, I need you to check the connector at the alternator. The green wire is the one of concern. Make sure it isn't damaged and the connector isn't melted causing the pins to short.

If that is good, then I need you to disconnect the battery and the connector at the alternator. We need to check if there is continuity to ground via that green wire.

Here is a link that you may find helpful:

https://www.2carpros.com/articles/how-to-check-wiring

If there is, we have a short in the wire which is the cause of the fuse problem. We will cross that bridge if we need to.

Let me know what you find or if you have questions. Don't feel uncomfortable asking. LOL Pretend I'm your big brother. LOL

Take care,

Joe

Was this
answer
helpful?
Yes
No
Thursday, October 26th, 2023 AT 7:10 PM

Please login or register to post a reply.