Wireless door lock control not working

Tiny
BLESSING EWOBOR
  • MEMBER
  • 2010 TOYOTA CAMRY
  • 6 CYL
  • 2WD
  • AUTOMATIC
  • 253,677 MILES
Hi, the vehicle's left door lock do not function sometimes, every other door will lock but this particular one won't lock sometimes. Please could you help me with the circuit diagram?
Friday, March 5th, 2021 AT 6:12 PM

3 Replies

Tiny
JACOBANDNICKOLAS
  • MECHANIC
  • 110,192 POSTS
Hi,

If it works and then doesn't, there is a good chance the actuator itself is bad.

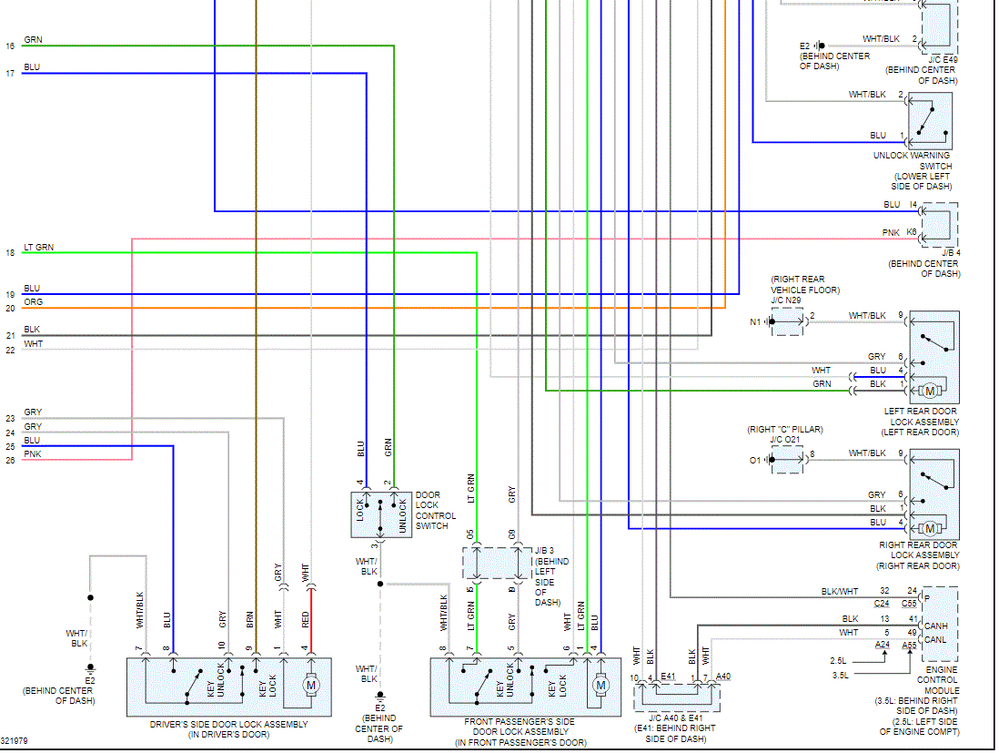
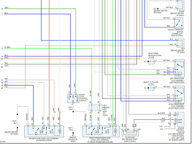
If you look below, I attached the entire wiring schematics for the door lock system. I had to cut them in half to make them readable, but I did overlap them so you can follow them.

Here is a link you may find helpful when testing:

https://www.2carpros.com/articles/how-to-check-wiring

If you find the actuator is bad, here are the directions for replacement. The attached pics correlate with the directions.

__________________________________________

2010 Toyota Camry V6-3.5L (2GR-FE)
Front Door Lock - Removal [01/2009 - ]
Vehicle Body and Frame Locks Power Locks Power Door Lock Actuator Service and Repair Removal and Replacement Front Door Lock - Removal [01/2009 - ]
Front door lock - removal [01/2009 - ]
Door lock: front door lock: removal; 2010 my camry [01/2009 - ]
Remove front door lower frame bracket garnish [ engine hood / door: front door: disassembly+ ]
Remove front door inside handle bezel plug [ engine hood / door: front door: disassembly+ ]
Remove assist grip cover [ engine hood / door: front door: disassembly+ ]
Remove courtesy light assembly [ engine hood / door: front door: disassembly+ ]
Remove front door trim board sub-assembly [ engine hood / door: front door: disassembly+ ]
Remove front door inner glass weatherstrip [ engine hood / door: front door: disassembly+ ]
Remove front door inside handle sub-assembly [ engine hood / door: front door: disassembly+ ]
Remove front no. 1 speaker assembly [ audio / visual: front side speaker: removal+ ]
Remove front door service hole cover [ engine hood / door: front door: disassembly+ ]
Remove front door glass sub-assembly [ engine hood / door: front door: disassembly+ ]
Remove front door rear lower frame sub-assembly [ engine hood / door: front door: disassembly+ ]
Remove front door outside handle cover [ engine hood / door: front door: disassembly+ ]
Remove front door lock assembly

Disconnect the connector.

pic 5

Using a "torx" socket wrench (T30), remove the 3 screws.
Slide the front door lock assembly downward and pull out the front door lock open rod from the outside handle frame. Remove the front door lock assembly and cables as a unit.
Remove the front door lock open rod from the front door lock assembly.
Remove the door lock wiring harness seal from the front door lock assembly.
Remove the front door lock remote control cable assembly.

pic 6

Using a screwdriver, disengage the 3 claws.

pic 7

HINT:

Tape the screwdriver tip before use.

Remove the front door inside locking cable assembly.

pic 8

________________

Install

2010 Toyota Camry V6-3.5L (2GR-FE)
Front Door Lock - Installation [01/2009 - ]
Vehicle Body and Frame Locks Power Locks Power Door Lock Actuator Service and Repair Removal and Replacement Front Door Lock - Installation [01/2009 - ]
FRONT DOOR LOCK - INSTALLATION [01/2009 - ]
DOOR LOCK: FRONT DOOR LOCK: INSTALLATION; 2010 MY Camry [01/2009 - ]
INSTALL FRONT DOOR LOCK ASSEMBLY
NOTICE:

When reusing the removed front door lock assembly, replace the door lock wiring harness seal on the door lock with a new one.
Do not allow grease or dust to adhere to the surface of the door lock where the seal attaches.
Reusing the door lock wiring harness seal or using a damaged door lock wiring harness seal may allow water intrusion to the connection, and result in a malfunction in the front door lock assembly.
Install the front door inside locking cable assembly.

Pic 9

Engage the 3 claws.

pic 10

Install the front door lock remote control cable assembly.

pic 11

Apply MP grease to the sliding parts on the front door lock assembly.
Install a new door lock wiring harness seal to the front door lock assembly.
Insert the front door lock open rod to the front door lock assembly, and set the assembly to the front door outside handle frame.

pic 12

Make sure that the front door lock open rod is securely connected to the front door lock assembly.
Using a "torx" socket wrench (T30), install the front door lock assembly with the 3 screws.
Torque : 5.0 Nm (51 kgf-cm, 44 in-lbf)

Connect the connector.

Install front door outside handle cover [ engine hood / door: front door: reassembly+ ]
Install front door rear lower frame sub-assembly [ engine hood / door: front door: reassembly+ ]
Install front door glass sub-assembly [ engine hood / door: front door: reassembly+ ]
Install front door service hole cover [ engine hood / door: front door: reassembly+ ]
Install front no. 1 speaker assembly [ audio / visual: front side speaker: installation+ ]
Install front door inner glass weatherstrip [ engine hood / door: front door: reassembly+ ]
Install front door inside handle sub-assembly [ engine hood / door: front door: reassembly+ ]
Install front door trim board sub-assembly [ engine hood / door: front door: reassembly+ ]
Install courtesy light assembly [ engine hood / door: front door: reassembly+ ]
Install assist grip cover [ engine hood / door: front door: reassembly+ ]
Install front door inside handle bezel plug [ engine hood / door: front door: reassembly+ ]
Install front door lower frame bracket garnish [ engine hood / door: front door: reassembly+ ]

________________________

I hope this helps. Let me know if you have other questions.

Take care.

Joe
Was this
answer
helpful?
Yes
No
Saturday, March 6th, 2021 AT 3:52 PM
Tiny
BLESSING EWOBOR
  • MEMBER
  • 754 POSTS
Thank you sir.
Was this
answer
helpful?
Yes
No
Sunday, March 7th, 2021 AT 11:42 AM
Tiny
JACOBANDNICKOLAS
  • MECHANIC
  • 110,192 POSTS
Hi,

You are very welcome. Let me know if you need anything or have other questions.

Take good care of yourself.

Joe
Was this
answer
helpful?
Yes
No
Sunday, March 7th, 2021 AT 6:10 PM

Please login or register to post a reply.