Thursday, August 1st, 2024 AT 9:44 PM
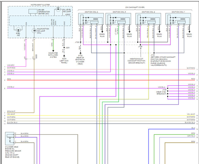
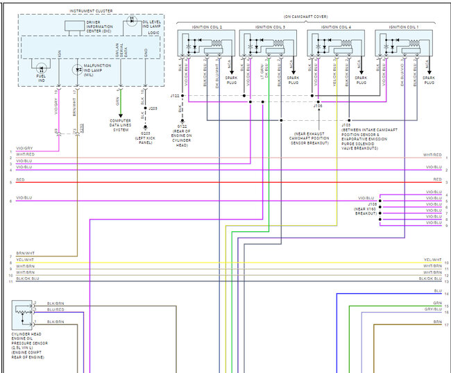
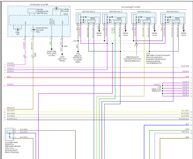
Where can I find the engine wire(s) diagram(s) and schematics for the car listed above with a 2.0l l4 turbo? Any book or site that can tell me about each wire set up and function in the car's engine.














