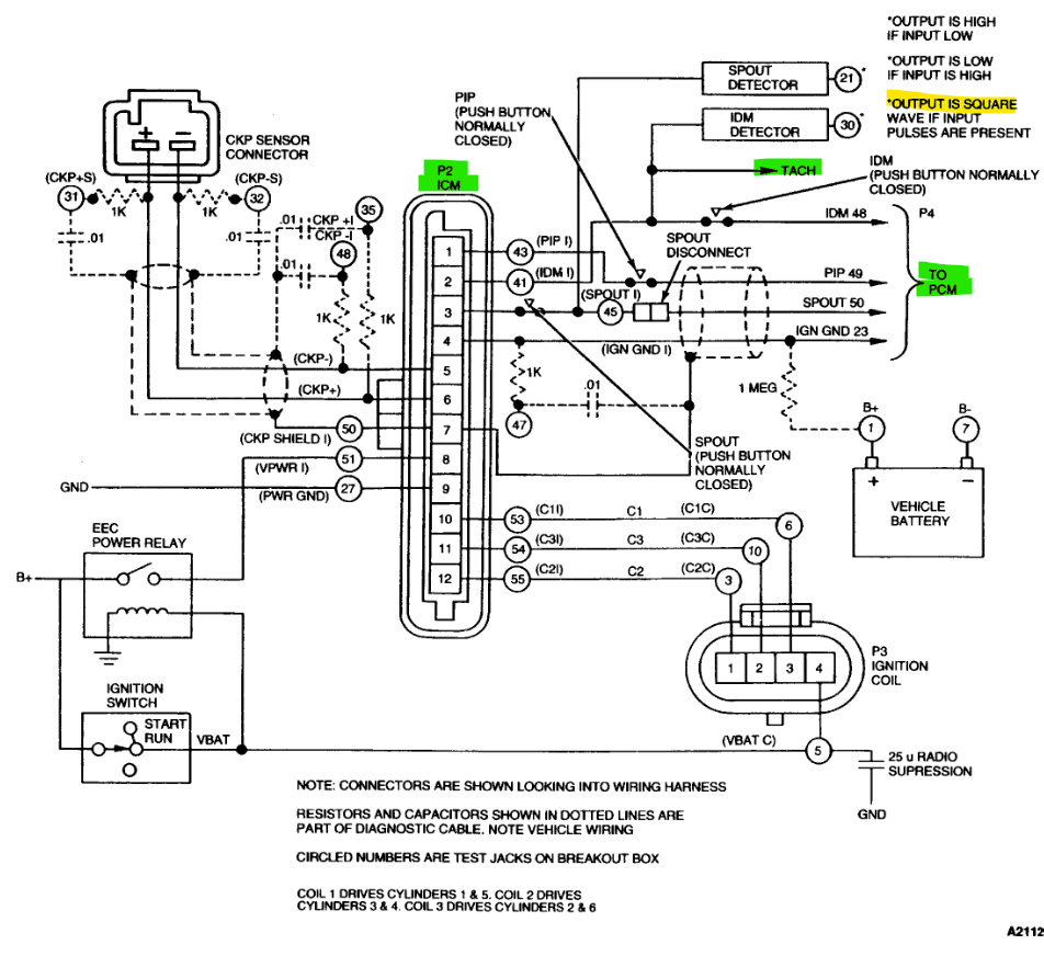
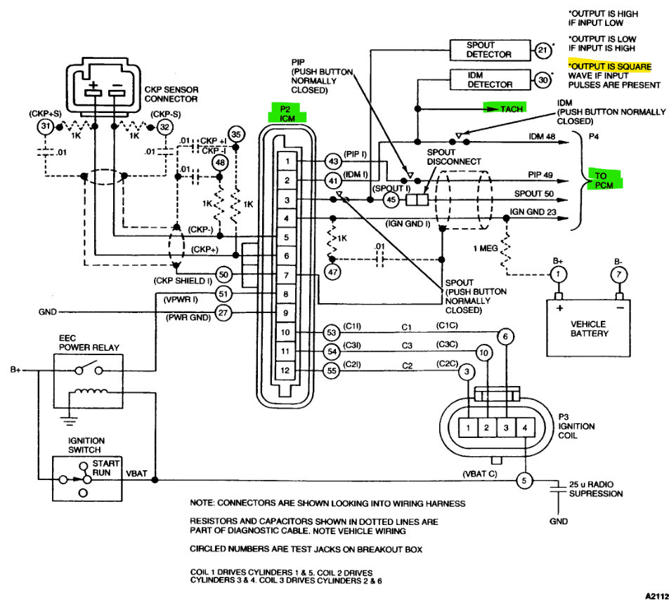
Tuesday, June 21st, 2022 AT 6:51 AM
I can't get my motor to start up. I just did a motor swap from a 1995 3.8 V6 Mustang to a 1998 Mustang 3.8. Kept my wire harness and computer turns over and will not start.

