Wipers will not work

Tiny
JOEAG
  • MEMBER
  • 2005 CHEVROLET SILVERADO
  • 5.3L
  • V8
  • 4WD
  • AUTOMATIC
  • 293,000 MILES
My wipers quit working. So I've replaced motor, switch and connector and they still are not working.
Monday, November 4th, 2019 AT 9:24 PM

9 Replies

Tiny
SCGRANTURISMO
  • MECHANIC
  • 4,897 POSTS
Hello,

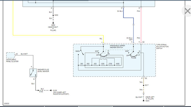
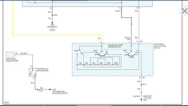
This could be a problem with the Ground 100, which is located on the lower left radiator support. The negative or ground side of the circuit is overlooked a lot of times when diagnosing an electrical problem, but it is half of the circuit and when it messes up, the whole circuit is dead. In fact, according to Honda of North America, seventy five percent of all electrical problems are ground problems. In the diagrams down below I have include the wiring diagram for your vehicle's washer/wiper system and a guide explaining how to check grounds. Please go through these guides and get back to us with what you are able to find out. We can continue from there, if necessary.

Thanks,
Alex
2CarPros
Was this
answer
helpful?
Yes
No
+1
Monday, November 4th, 2019 AT 11:58 PM
Tiny
JOEAG
  • MEMBER
  • 7 POSTS
I've tried what you suggested and still nothing. Where else would it be grounded besides under radar mount?
Was this
answer
helpful?
Yes
No
Tuesday, November 5th, 2019 AT 4:39 PM
Tiny
SCGRANTURISMO
  • MECHANIC
  • 4,897 POSTS
Hello again,

There is no other ground for the wiper motor, that's it. Okay let's work on the power side of the circuit. With the ignition switch turned to the "run" position, and the wiper switch turned on, can you please take a voltage reading for me at the A pin of the wiper motor electrical connector. It is the pin with the red wire going into it. You will have to use a Digital Multi-meter [DMM] to do this, so here is a link explaining how they work below, if you are unfamiliar with them:

https://www.2carpros.com/articles/how-to-use-a-voltmeter

Please report back here with what your reading is and we will go from there.

Thanks,
Alex
2CarPros
Was this
answer
helpful?
Yes
No
Tuesday, November 5th, 2019 AT 5:35 PM
Tiny
JOEAG
  • MEMBER
  • 7 POSTS
I've found the problem it is between interior fuse box and switch. Thank you for your help.
Was this
answer
helpful?
Yes
No
Wednesday, November 6th, 2019 AT 4:03 AM
Tiny
JOEAG
  • MEMBER
  • 7 POSTS
On the one connector to the switch I get 11.6 and the other connector I get 0.
Was this
answer
helpful?
Yes
No
Thursday, November 7th, 2019 AT 2:28 PM
Tiny
SCGRANTURISMO
  • MECHANIC
  • 4,897 POSTS
Hello again,

Is the switch turned on. If it is then the switch is bad, if it isn't then turn it on and test again. Please get back to us with the results. We can go from there.

Thanks,
Alex
2CarPros
Was this
answer
helpful?
Yes
No
Thursday, November 7th, 2019 AT 2:41 PM
Tiny
JOEAG
  • MEMBER
  • 7 POSTS
I took reading from connectors that plug into the switch with ignition turned to run. The switch is new.
Was this
answer
helpful?
Yes
No
Thursday, November 7th, 2019 AT 7:20 PM
Tiny
SCGRANTURISMO
  • MECHANIC
  • 4,897 POSTS
Hello again,

Okay, how many pins are on the switch? If there are two pins then the switch is bad out of the box and needs to be replaced. If more than two, then test with switch on and the DMM lead on the pin the wire is going to.

Thanks,
Alex
2CarPros
Was this
answer
helpful?
Yes
No
Friday, November 8th, 2019 AT 12:40 AM

Please login or register to post a reply.