Wednesday, May 18th, 2016 AT 10:06 AM
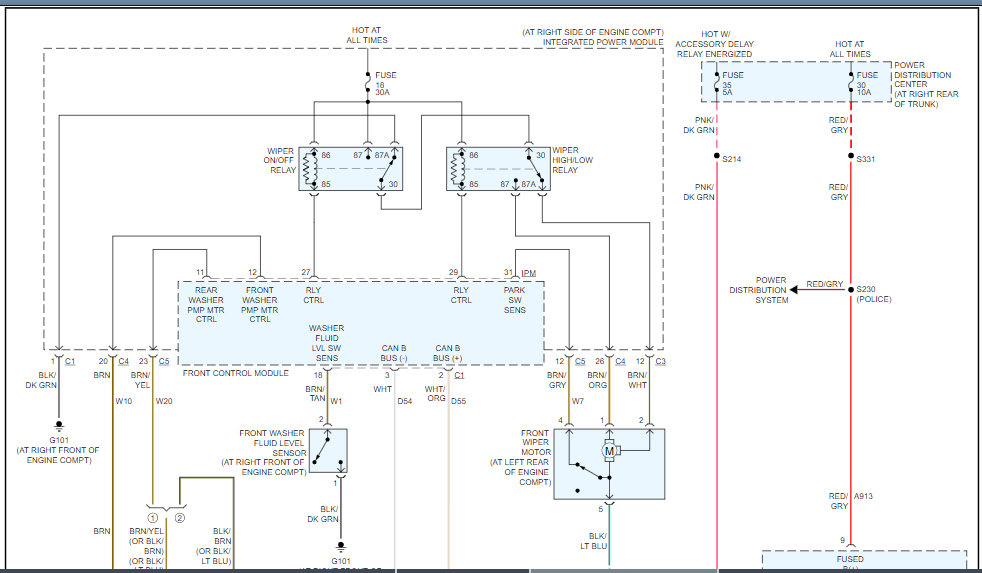
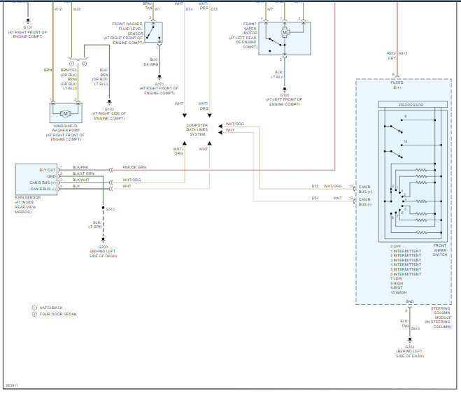
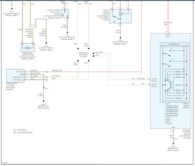
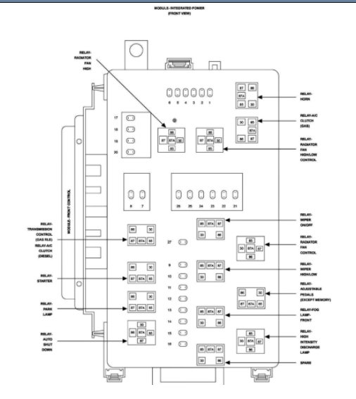
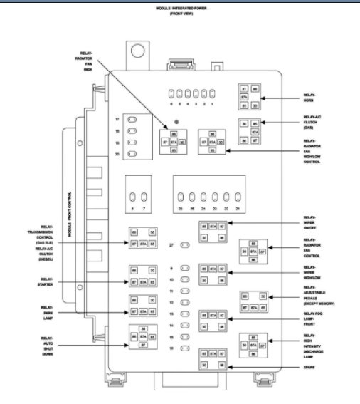
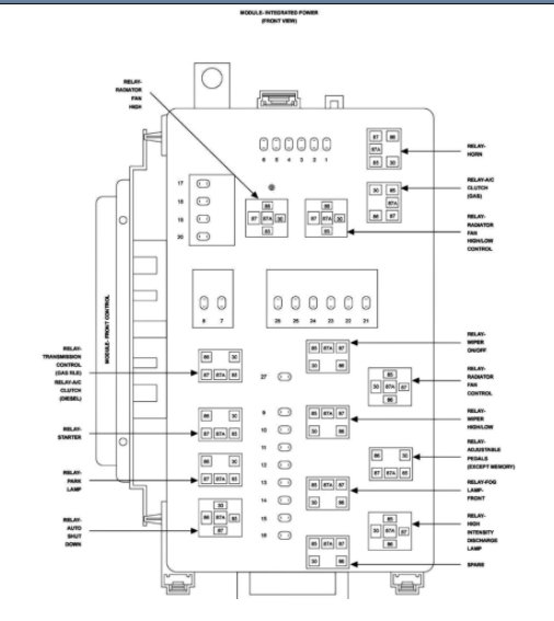
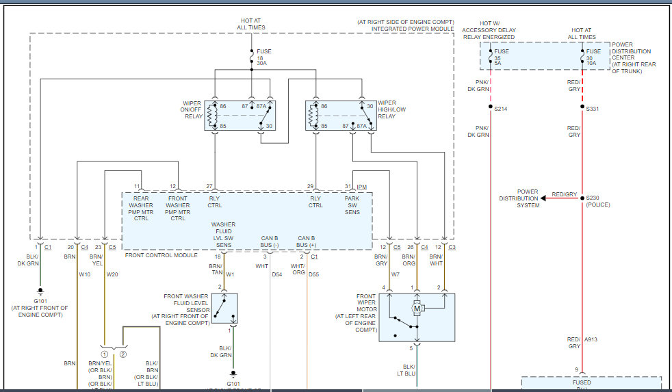
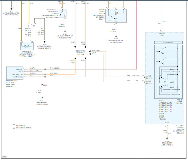
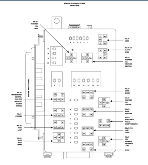
I hit the bottom of the car on a speed bump and the wipers came on unexpectedly without me turning them on. I have tried turning off the car, but they still stay on. Do I need to take out the fuse to get them to turn off?






