Tuesday, October 5th, 2021 AT 2:12 PM
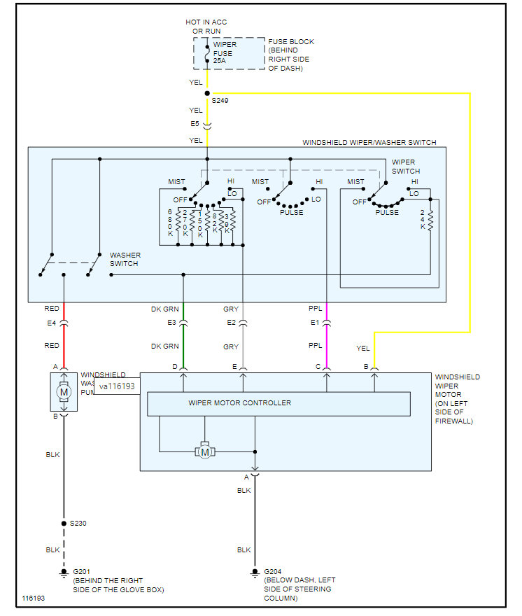
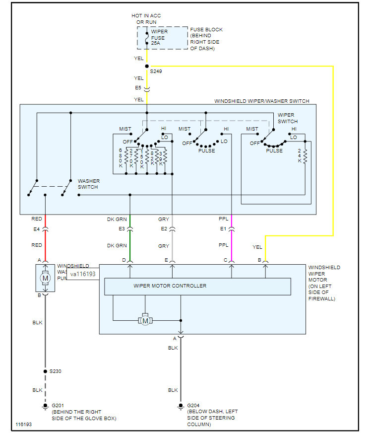
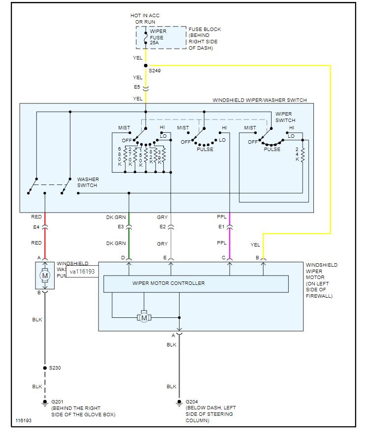
Ever since my motor in my windshield wipers has been replaced, they park in the upright position when on, when off they go back down. But today while I was on the highway, they just stopped wiping my windshield and stayed in the upright position for the rest of the 10-minute drive. At least until I pulled over to put them down so I could see, because they wouldn't go down when I turned them down.










