Sunday, August 13th, 2023 AT 5:37 AM
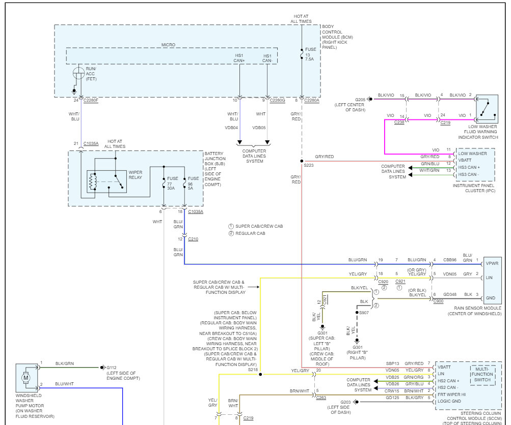
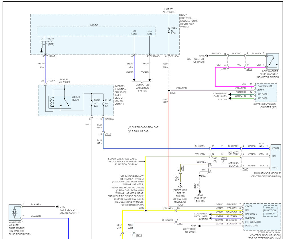
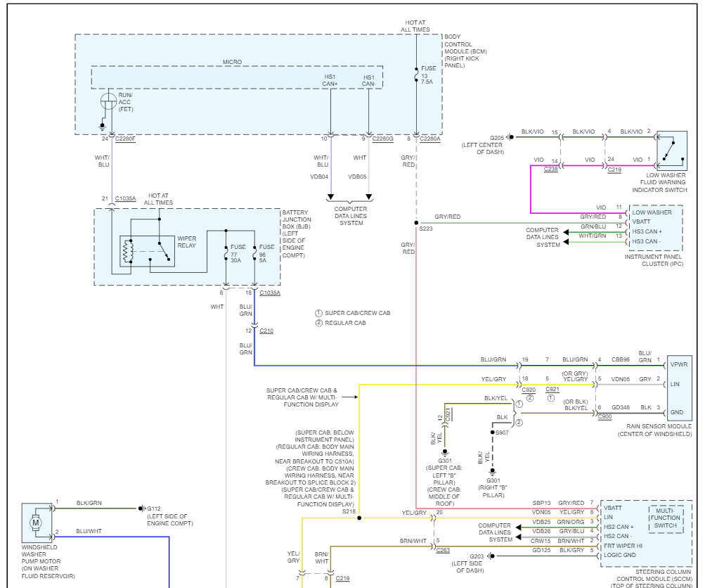
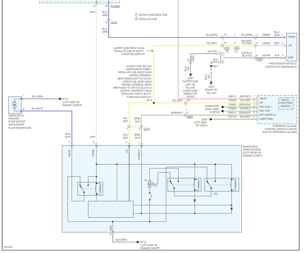
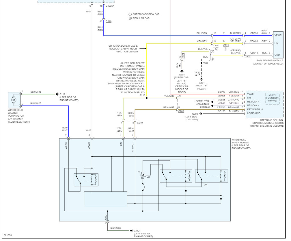
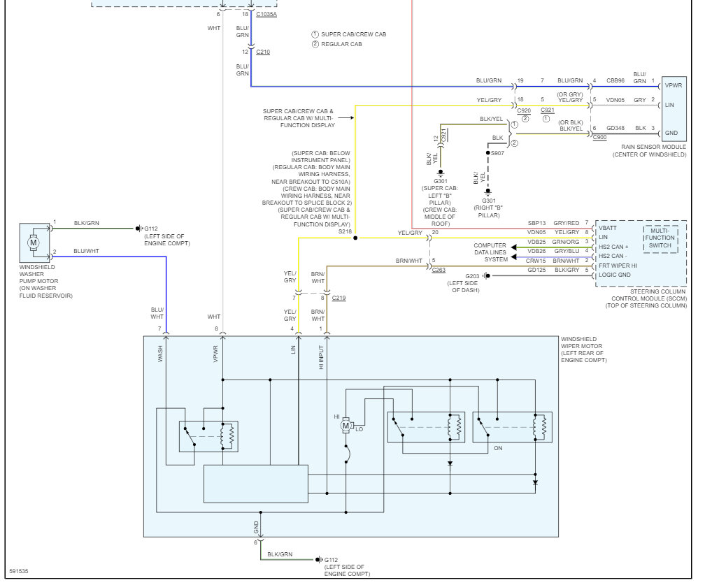
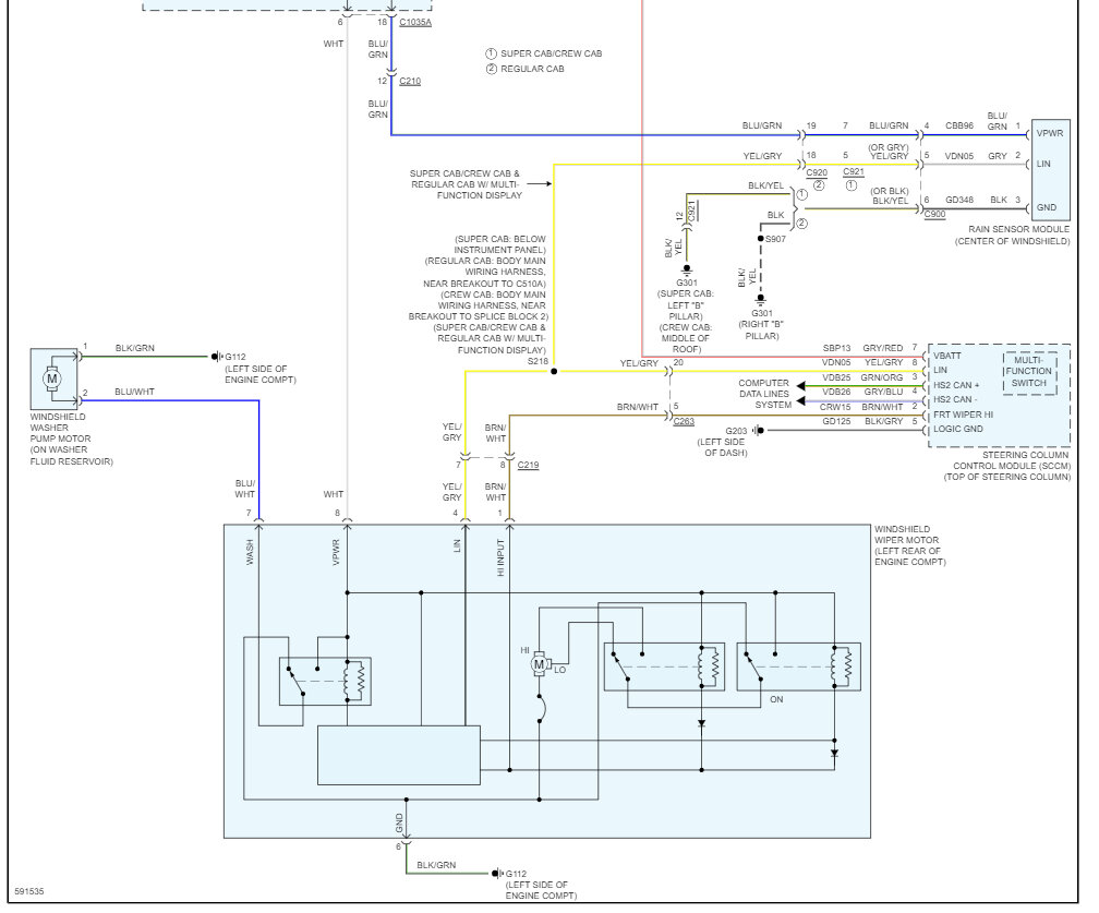
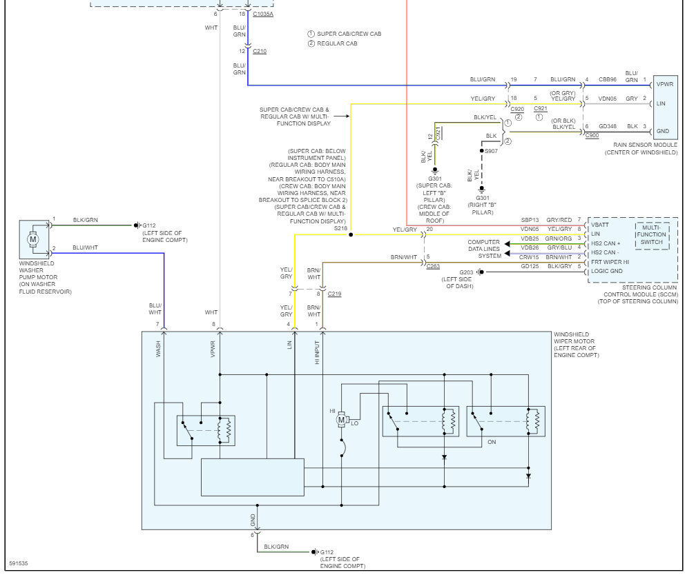
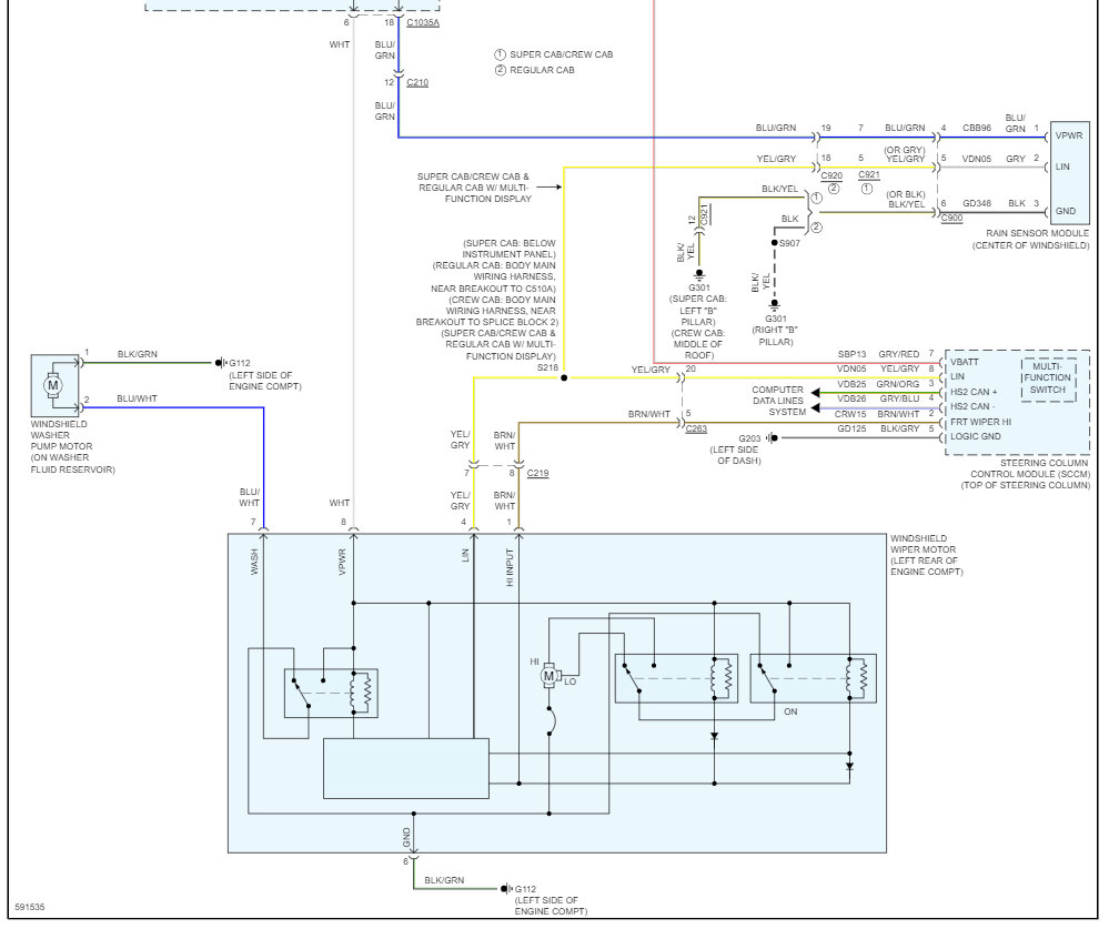
Wiper replaced but still issues, just can’t find the wiper motor relay switch, they must of changed the location from where it was on the 2017 f250 diesel.



