Sunday, August 3rd, 2025 AT 2:16 PM
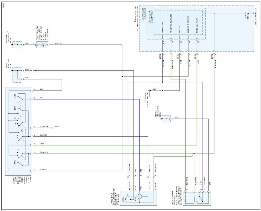
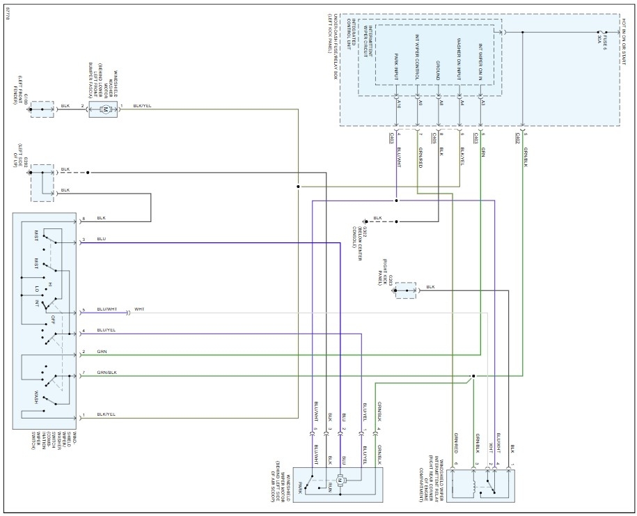
94 accord with wipers that will stay on even with switch off. After a little while it will turn off. I have changed the switch, relay, and wiper motor. Wires at connectors didn't look bad. I'm lost at this point what can be wrong with it


