Windshield wipers not working

Tiny
TWHITE815*
  • MEMBER
  • 2001 PONTIAC AZTEK
  • 2WD
  • AUTOMATIC
  • 153,000 MILES
Windshield wipers not working. I turn the switch nothing happens. There isn't any noise, movement.
Tuesday, June 25th, 2019 AT 1:50 AM

3 Replies

Tiny
ASEMASTER6371
  • MECHANIC
  • 52,796 POSTS
Good morning,

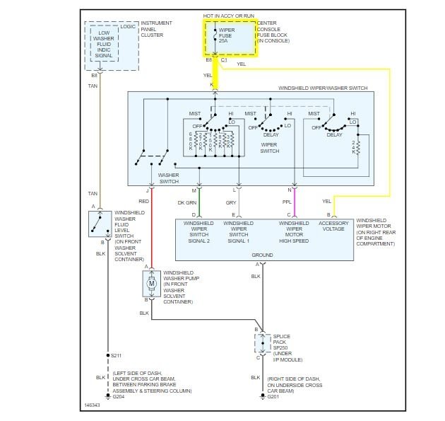
You need to start with checking the fuse. Verify power on both sides.

https://www.2carpros.com/articles/how-a-car-fuse-works

Beyond that, you need to check for power to the switch at the yellow wire in the switch.

https://www.2carpros.com/articles/how-to-check-wiring

Roy
Was this
answer
helpful?
Yes
No
-1
Tuesday, June 25th, 2019 AT 3:31 AM
Tiny
TWHITE815*
  • MEMBER
  • 2 POSTS
Thank you. I honestly have no idea what all that means. I will have a mechanic check. I'm a female. I have no clue. I had someone check the wipers out. I don't think they checked to make sure if the fuse was burnt or even if they checked the wire that you're speaking of. Thank you for your response. I will have a mechanic check it out.
Was this
answer
helpful?
Yes
No
Tuesday, June 25th, 2019 AT 4:03 AM
Tiny
ASEMASTER6371
  • MECHANIC
  • 52,796 POSTS
You are welcome.

Always glad to help.

Roy
Was this
answer
helpful?
Yes
No
Tuesday, June 25th, 2019 AT 4:42 AM

Please login or register to post a reply.