Windshield Wipers not turning off?

Tiny
TINKAANDMOLLY
  • MEMBER
  • 2003 DODGE DURANGO
  • 4.7L
  • V8
  • 4WD
  • AUTOMATIC
  • 205,912 MILES
Hello, I have the vehicle listed above Sport model, 287 ci Gas MFI vin N - 2 valve SOHC where the windshield wipers only worked on high. I purchased a new windshield wiper/multi-switch and installed it. Wipers continued to only work on high. I then bought a whole new windshield wiper motor and installed that. Again, the wipers still only worked on high. Once I opened the relay box, I noticed that the relay was completely removed. So, I installed an already-in-use working relay and tried the wipers again. I started the car with the old windshield wiper switch and now the wipers won't turn off at all. I installed the new windshield wiper switch again and the wipers still won't turn off. I am trying to figure out what is wrong and what part I need. With the relay installed the wipers only turn off. When the relay is not installed, the wipers only work on high. You also have to turn them off at the right moment to get them in the down position. With the relay not installed, they won't turn off.

I have also disconnected the battery for a while and re-connected it to no avail.
The computer is not throwing any codes out either.
Tuesday, November 12th, 2024 AT 1:51 PM

7 Replies

Tiny
KEN L
  • MASTER CERTIFIED MECHANIC
  • 55,488 POSTS
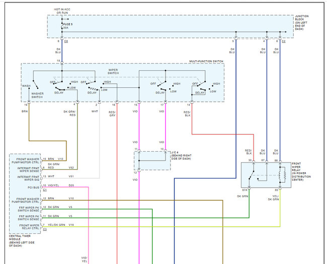
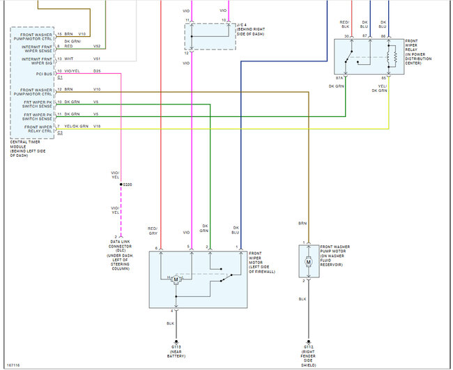
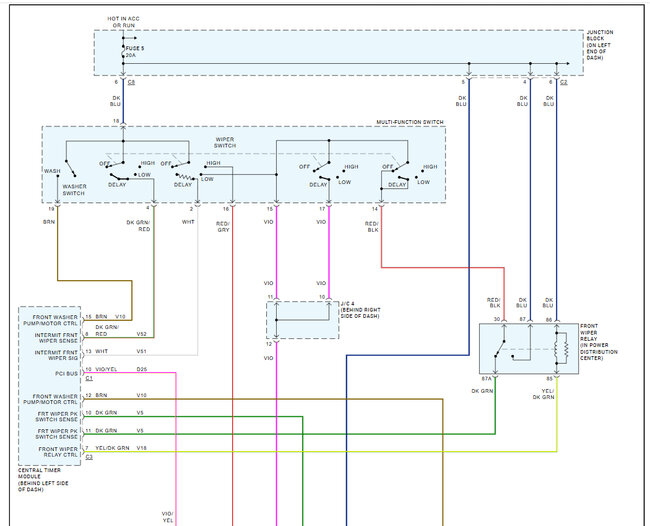
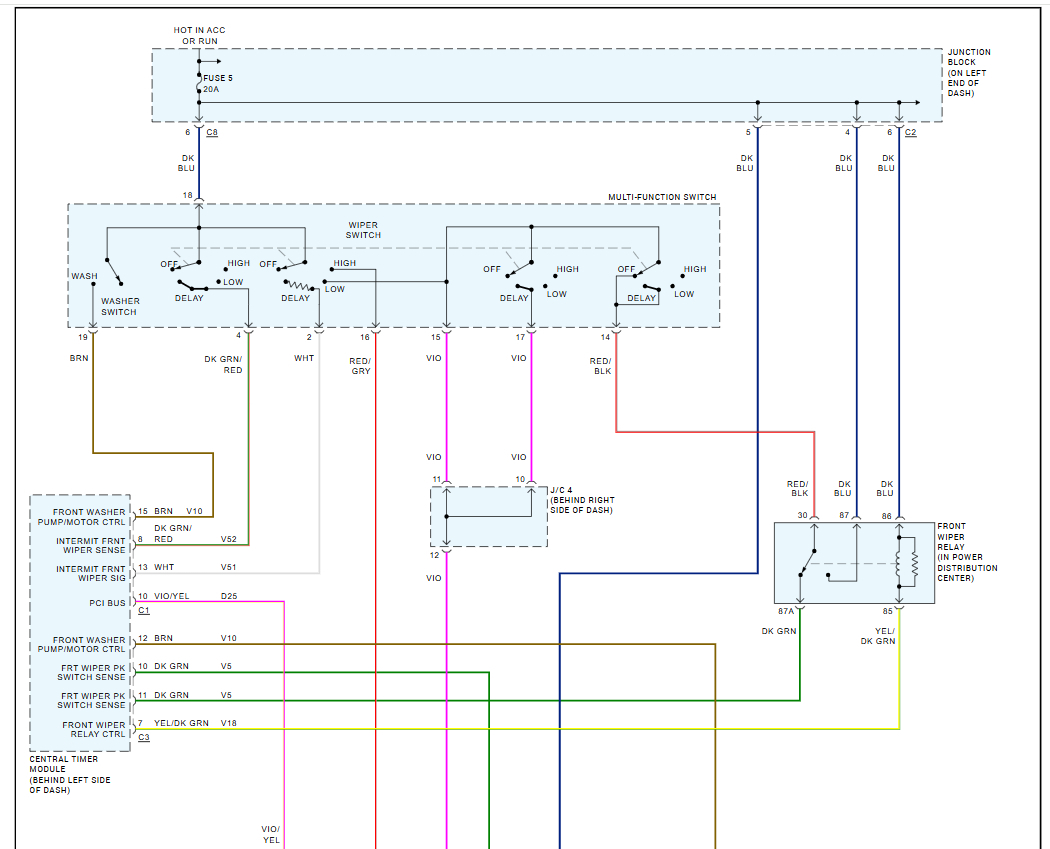
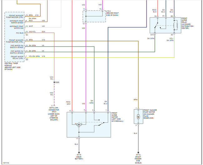
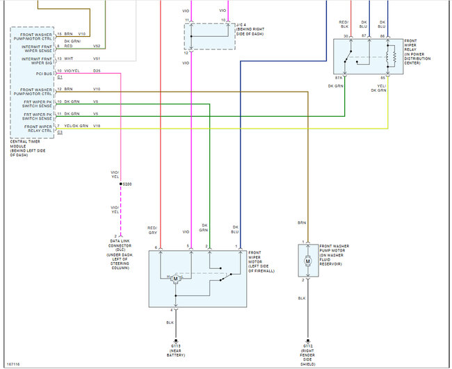
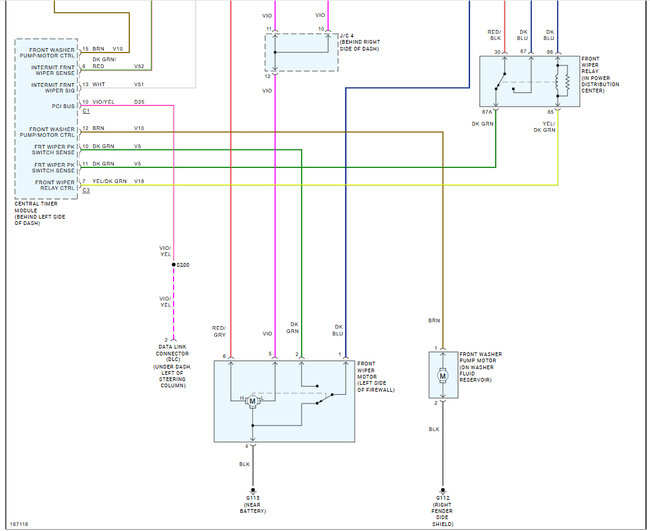
It sounds like the central timer module at the left side of the dash has done out, here is the location so you can swap it out which should fix the problem. I also included the wiper wiring diagrams so you can see how the system works. Check out the images (below). Let us know if you need anything else.
Was this
answer
helpful?
Yes
No
Tuesday, November 12th, 2024 AT 6:02 PM
Tiny
TINKAANDMOLLY
  • MEMBER
  • 5 POSTS
Hi, Ken! Thank you so much for your help! Would I need to have the CTM backed up or can I just swap this part out? If I were to buy a used one it should already be programmed, right?
Was this
answer
helpful?
Yes
No
Tuesday, November 12th, 2024 AT 6:10 PM
Tiny
TINKAANDMOLLY
  • MEMBER
  • 5 POSTS
She is certainly all rusty.
Was this
answer
helpful?
Yes
No
Tuesday, November 12th, 2024 AT 6:37 PM
Tiny
TINKAANDMOLLY
  • MEMBER
  • 5 POSTS
Side view.
Was this
answer
helpful?
Yes
No
Tuesday, November 12th, 2024 AT 6:38 PM
Tiny
KEN L
  • MASTER CERTIFIED MECHANIC
  • 55,488 POSTS
Yep, I would get a used one from eBay, thanks for the images they help. They don't need to be programmed.
Was this
answer
helpful?
Yes
No
Wednesday, November 13th, 2024 AT 8:23 AM
Tiny
AMY L. ROBIN
  • MEMBER
  • 2 POSTS
Hi there, again!
I bought and installed the new CTM (Central Timer Module) for my Dodge - got it off eBay. Exact part numbers! The good news is that the windshield wipers are working great now!

However, since the install, the factory security system won’t turn off - the lights keep flashing constantly. Thankfully, the horn no longer works too, so that part isn’t going off, but the lights are driving me nuts.

I tried looking around to get the new CTM programmed to match my Dodge, but the old CTM was accidentally thrown away, and I’ve been told that data is needed for reprogramming the key fob and disabling the VTSS. And apparently DODGE is SUPER expensive to reprogram. More than $300!

Is there any way to manually disengage the security system at this point - like a wire that can be safely cut, or a workaround you know of?

Any help is seriously appreciated!
Was this
answer
helpful?
Yes
No
Tuesday, May 27th, 2025 AT 12:31 PM
Tiny
KEN L
  • MASTER CERTIFIED MECHANIC
  • 55,488 POSTS
I am glad to heat the wiper are working, I don't think there is a way around the programming form the dealer or garage, if you call around to other repair shops you might find a cheaper way to have it done, also, you might want to try doing a hard reboot, please go over this guide to help:

https://www.2carpros.com/articles/step-by-step-guide-performing-a-hard-system-reboot-for-your-vehicles-electronics-systems

Please go over this guide and get back to us.
Was this
answer
helpful?
Yes
No
Thursday, May 29th, 2025 AT 10:00 AM

Please login or register to post a reply.