Windshield wipers are not working but washer is working

Tiny
REDCRU777
  • MEMBER
  • 1998 PLYMOUTH NEON
  • 2.0L
  • 4 CYL
  • 2WD
  • AUTOMATIC
  • 200,000 MILES
In summer, I observed that the wiper blades moved very slow when switched on and doesn't work at all when on intermittent or on #3 (fastest mode).

Now it's completely not working. The fuse is okay and the washer is working.

Please advise.

Thanks.

Rey
Sunday, December 13th, 2020 AT 6:46 PM

7 Replies

Tiny
KASEKENNY
  • MECHANIC
  • 18,907 POSTS
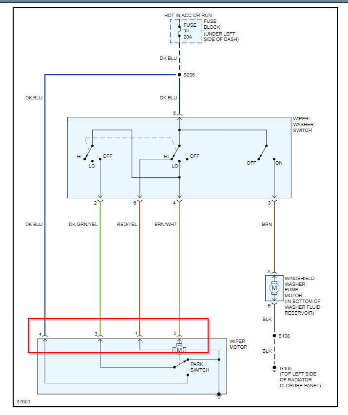
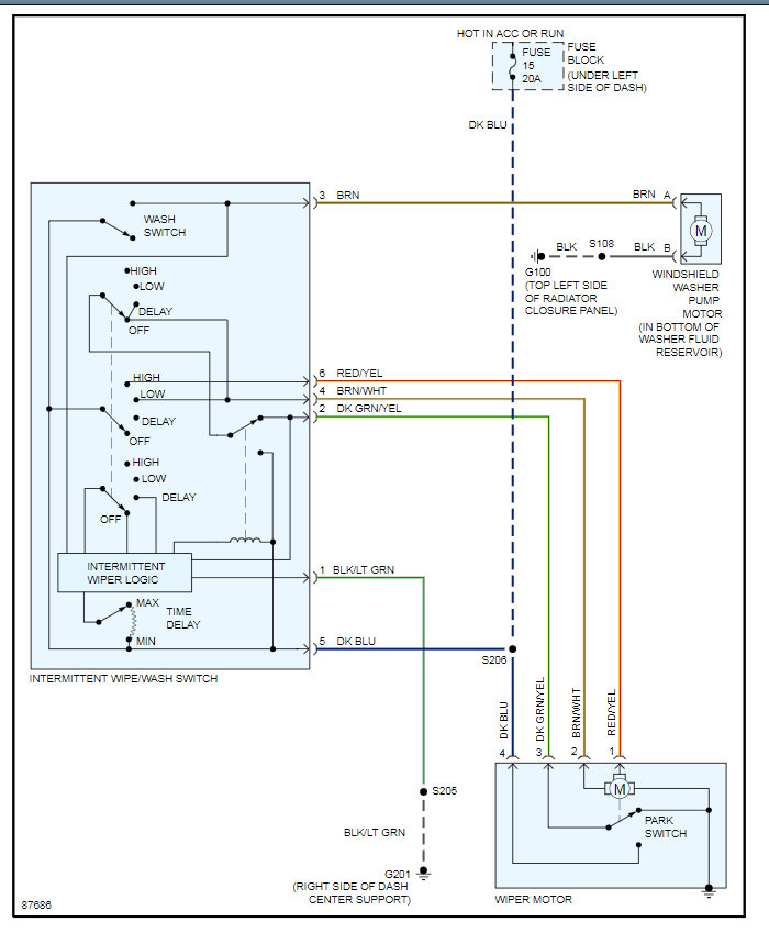
More then likely this is the wiper switch. There is a logic "resistor" inside the switch that is most likely failed.

What I would do is go to the wiper motor and check voltage at each wire on each setting. Clearly you should only have voltage on the wire for that speed. So if you don't have voltage, I would replace the switch.

Here is the wiring diagram and the process on how to replace the switch if this proves out:

https://youtu.be/Hlna_kUt7As

Let me know what questions you have and we can go from there. Thanks
Was this
answer
helpful?
Yes
No
Monday, December 14th, 2020 AT 4:52 PM
Tiny
REDCRU777
  • MEMBER
  • 84 POSTS
Hi KASEKENNY1,

Thanks for this reply. I will do as per your advice. Will keep you posted.

Regards!

Rey
Was this
answer
helpful?
Yes
No
Wednesday, December 16th, 2020 AT 5:37 PM
Tiny
KASEKENNY
  • MECHANIC
  • 18,907 POSTS
Awesome. Thanks for the update. Yes, please let us know what happens. Thanks
Was this
answer
helpful?
Yes
No
Thursday, December 17th, 2020 AT 5:03 PM
Tiny
REDCRU777
  • MEMBER
  • 84 POSTS
Hi KASEKENNY1,

I worked on the wipers this morning, and as I was removing the screw on one of the wiper arms, it suddenly moved, thanks to the fact that I left the switch on!

The wipers work on intermittent mode and regular speed mode but it struggle (very slow as if it's going to stall) when switched to the fastest speed.

Could it be the motor? I replaced the motor more than 2 years ago.

FYI.

Thanks.

Rey
Was this
answer
helpful?
Yes
No
Saturday, December 19th, 2020 AT 12:02 PM
Tiny
KASEKENNY
  • MECHANIC
  • 18,907 POSTS
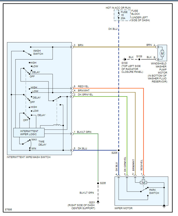
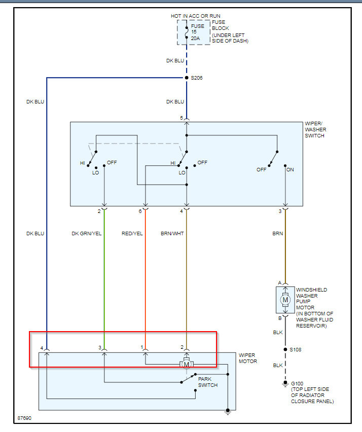
That is interesting. It could be the motor so the way we confirm that is to monitor the voltage at the motor on each wire on each speed setting. Here are a couple guides that can help with that:

https://www.2carpros.com/articles/how-to-check-wiring

https://www.2carpros.com/articles/how-to-use-a-voltmeter

If the voltage is correct at the motor on each wire then it is the motor and the switch is fine. However, the fact that it seems to operate when you remove the load of the wipers then that points to a failing motor.

Let me know what questions you have. I attached the wiring below for your review.
Was this
answer
helpful?
Yes
No
Sunday, December 20th, 2020 AT 6:43 AM
Tiny
REDCRU777
  • MEMBER
  • 84 POSTS
Hi KASEKENNY1,

Sorry for this late update.
I finally got time to work on the car today, and I just replaced the wiper motor, it's no longer working as it should. Thank God the switch is fine.

Just letting you know, many thanks for your help!

Rey
Was this
answer
helpful?
Yes
No
Monday, January 25th, 2021 AT 1:33 PM
Tiny
KASEKENNY
  • MECHANIC
  • 18,907 POSTS
That is great info and thanks so much for the update. I am glad you got it taken care of and I am sure that info will help others as well who visit this site. Thanks
Was this
answer
helpful?
Yes
No
Tuesday, January 26th, 2021 AT 2:53 PM

Please login or register to post a reply.