Thursday, March 23rd, 2023 AT 5:22 PM
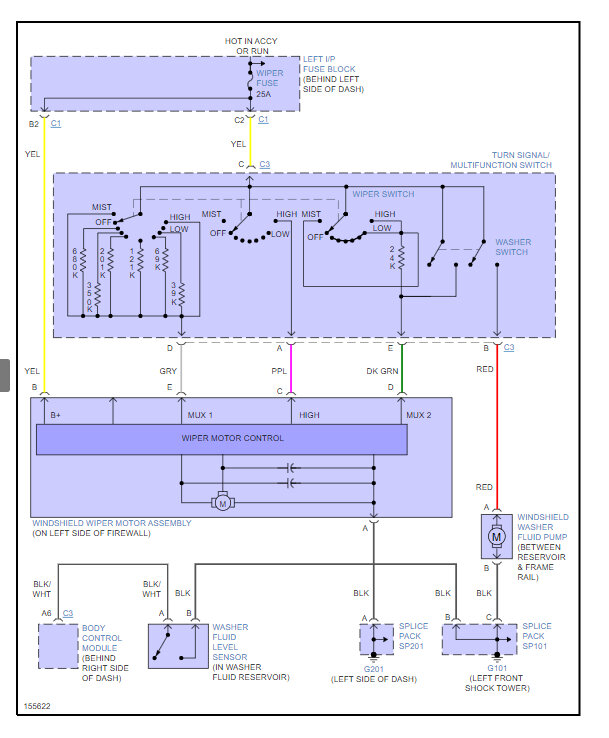
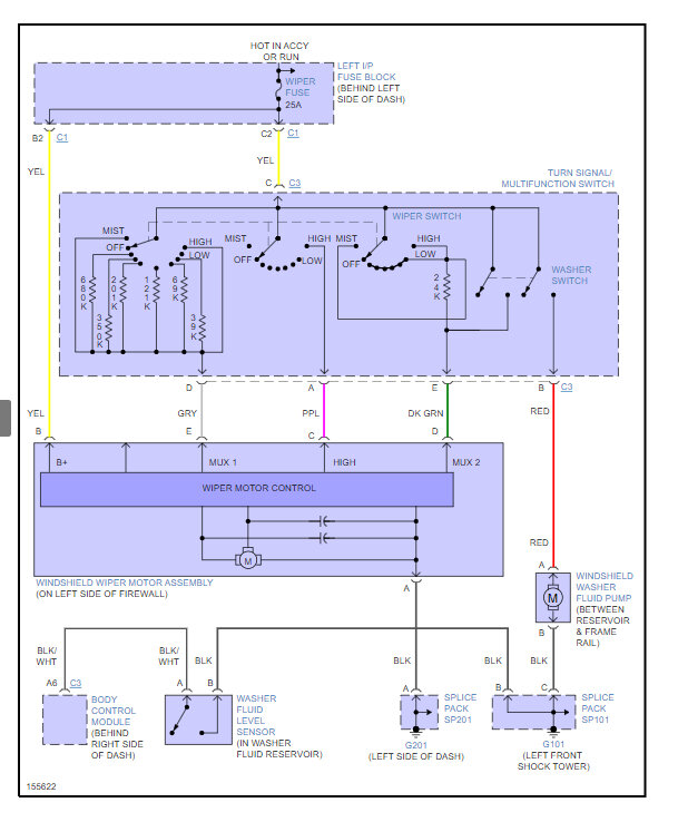
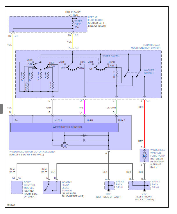
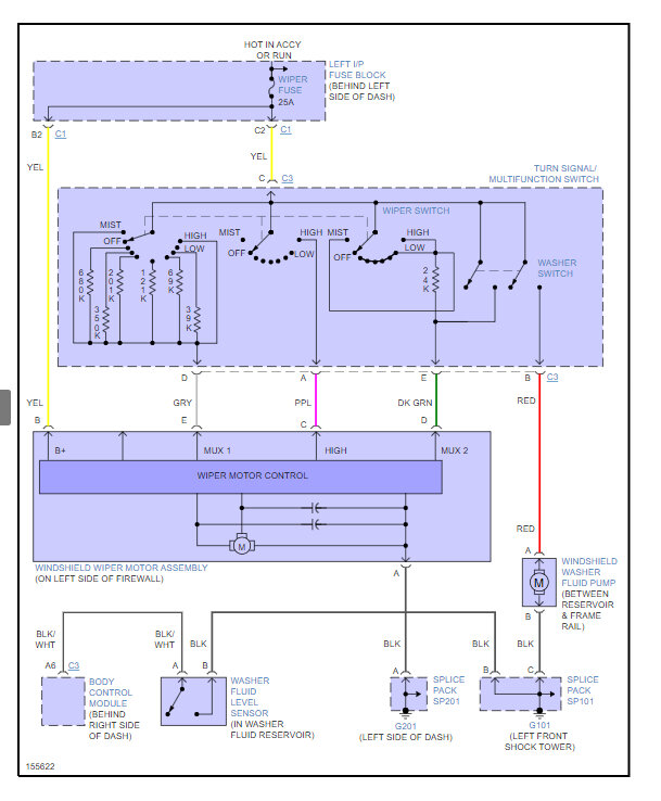
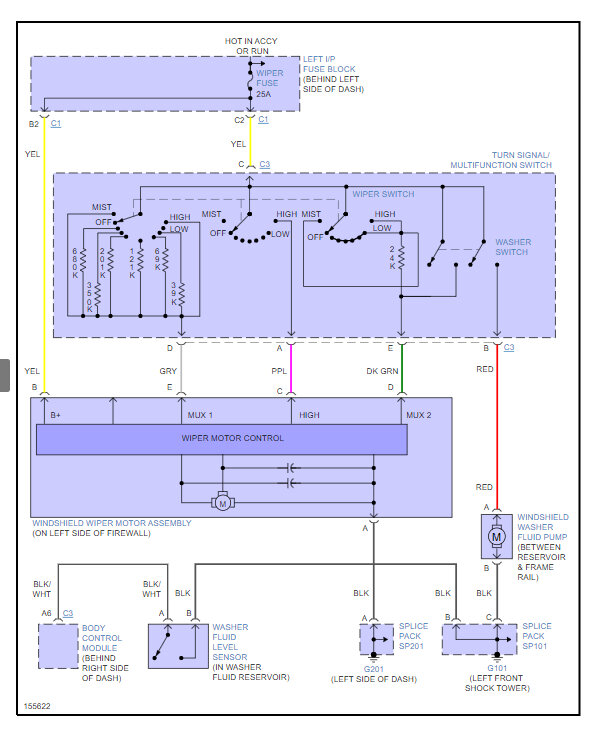
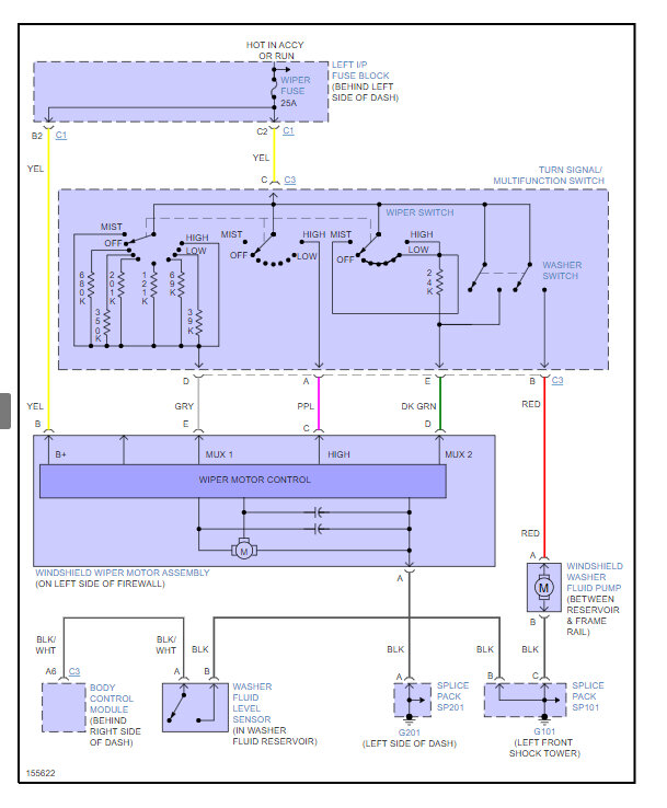
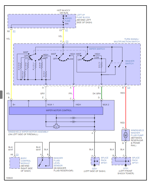
Hi, I noticed that my windshield wipers don't work unless they are on high speed, my cars automatic locking system, the locking buttons, and the remote entry won't lock or unlock, I have tried replacing the fuses but unfortunately that did not work. I have had mechanics tell me that it was other things, and they try to replace or work on them, but nothing seems to work. I need help, I'm tired of being lied to by mechanics over and over again. This was the last straw for me.







