HOME
ASK A QUESTION
REPAIR GUIDES
BECOME A MEMBER
LOG IN
Login with Facebook
OR
Remember me
NOT A MEMBER?
FORGOT PASSWORD?
CONTACT US
PRIVACY POLICY
TERMS AND CONDITIONS
☰
Home
Ford
Expedition
Body
Wiper
Not Working
All of the windshield wipers are not working?
CARRIEANN1926
MEMBER
2002 FORD EXPEDITION
4.6L
V8
4WD
AUTOMATIC
320,809 MILES
Windshield wipers not working at all on front or back of vehicle replaced motor for wiper blade and still nothing.
Sunday, August 6th, 2023 AT 2:20 PM
2 Replies
KEN L
MASTER CERTIFIED MECHANIC
55,322 POSTS
It sounds like the GEM has gone out, but we should check for power at the fuse #11 on the fuse panel left side of the dash.
https://www.2carpros.com/articles/how-to-check-a-car-fuse
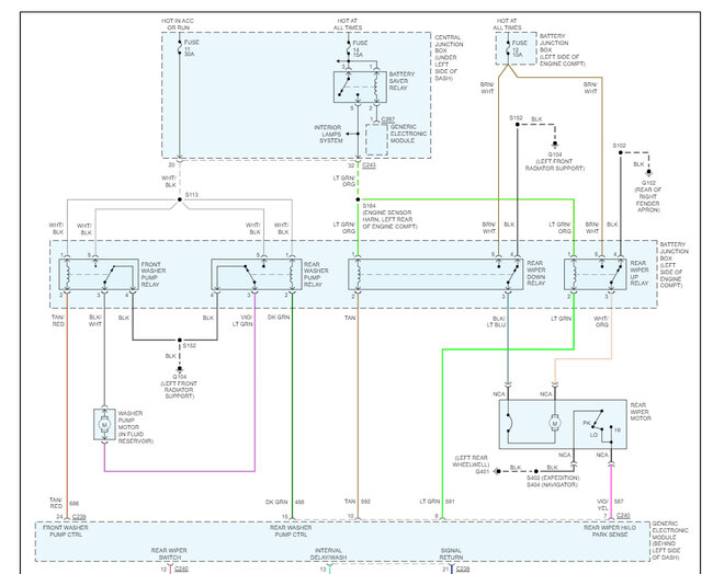
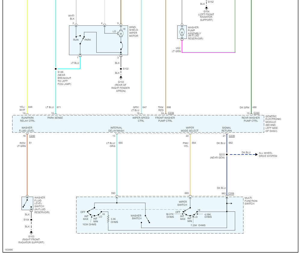
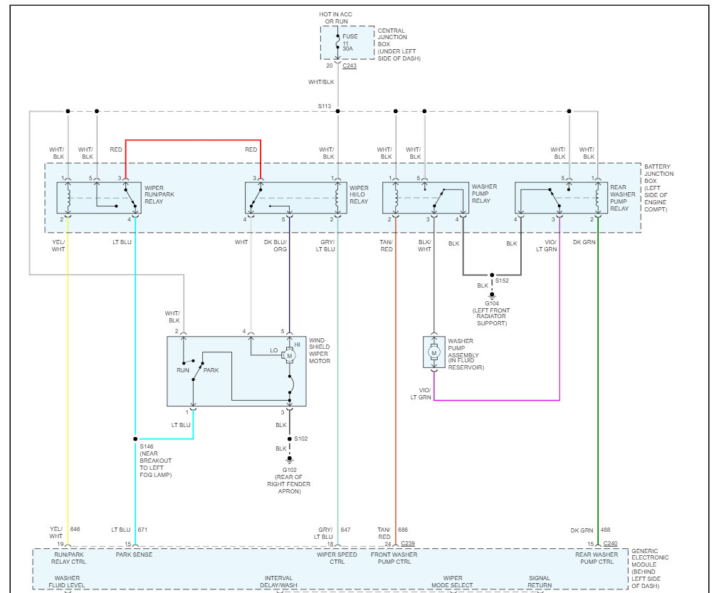
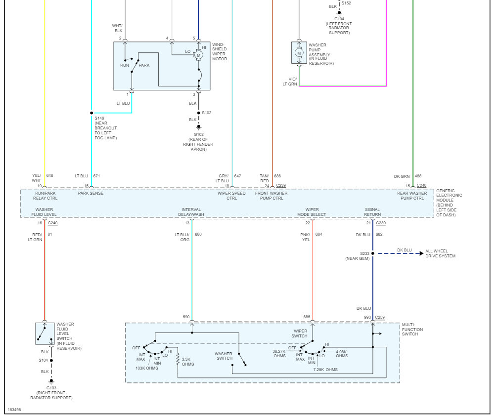
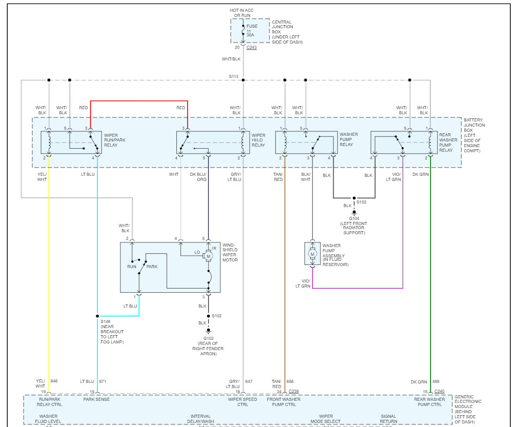
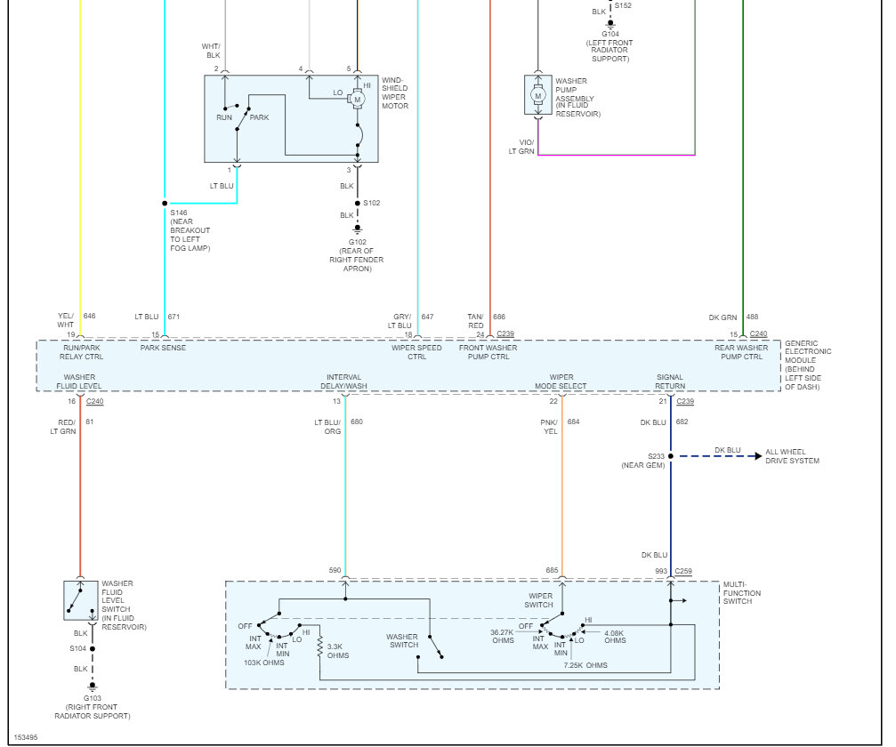
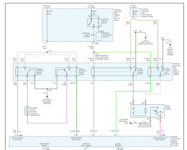
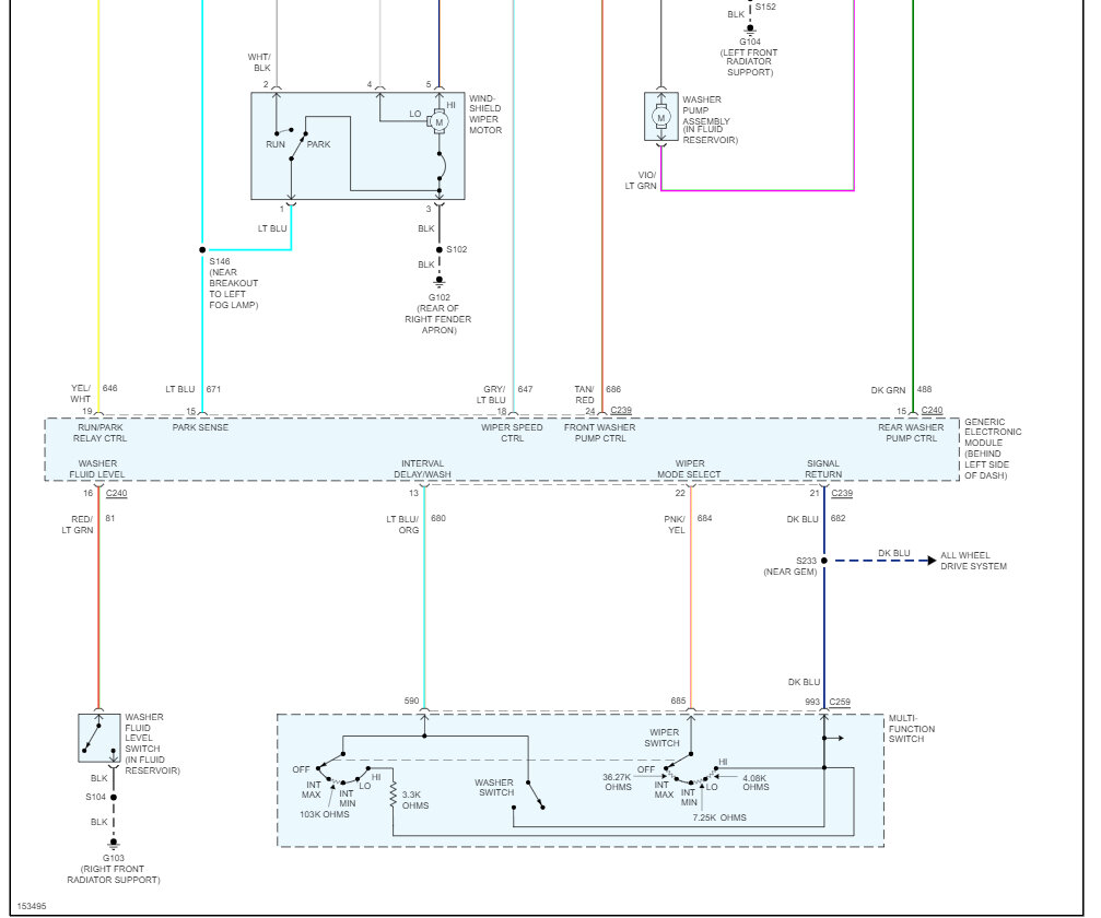
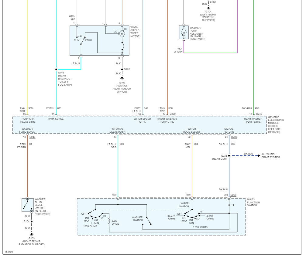
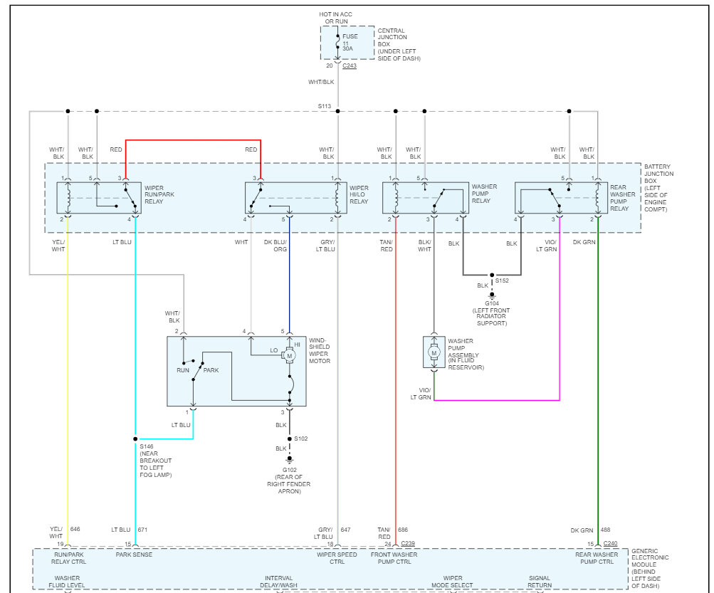
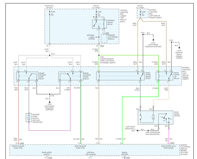
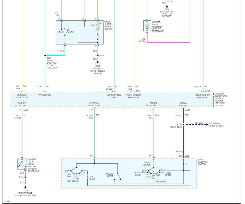
Here is the location of the GEM and the wiring diagrams for both front and rear wiper systems so you can see how they work and where to test for power.
https://www.2carpros.com/articles/how-to-use-a-test-light-circuit-tester
Check out the images (below). Let us know what happens and please upload pictures or videos of the problem so we can see what's going on.
Images (Click to make bigger)
Was this
answer
helpful?
Yes
No
Monday, August 7th, 2023 AT 12:04 PM
KEN L
MASTER CERTIFIED MECHANIC
55,322 POSTS
Anything?
Was this
answer
helpful?
Yes
No
Monday, May 6th, 2024 AT 12:33 PM
Please
login
or
register
to post a reply.
Related Wiper Not Working Content
Windshield Wiper Not Working
Four Cylinder Two Wheel Drive Automatic 280,000 Miles A Few Months Ago, My Windshield Wiper On The Passenger Side Stops Working. The...
Asked by
tyjhalon
·
16 ANSWERS
1998
FORD EXPEDITION
2002 Ford Expedition Windshield Wiper Pump
The Wiper Motor Is Not Pumping Any Fluid To The Wipers. The Fuse Is Good.
Asked by
ransal1
·
1 ANSWER
2002
FORD EXPEDITION
2002 Ford Expedition Windshield Wipers
Electrical Problem 2002 Ford Expedition Ok I Hadn't Watched The News In Awhile So Last Month I Had Left 3 Of My Windows Down In My...
Asked by
RemySoPretty09
·
1 ANSWER
2002
FORD EXPEDITION
2004 Ford Expedition Rear Wiper
The Rear Wiper Will Only Work With The Washer. It Doesn't Run On Intermittent. Is This A Bad Motor?
Asked by
Sbutz
·
1 ANSWER
2004
FORD EXPEDITION
1999 Ford Expedition Rear Wiper Motor
I Am Hving A Problem With My Rear Window Wipier. I Have Power At The Plug, But I Can Not Get The Motor To Run. I Have 4-wires. Can You...
Asked by
bubbade
·
7 ANSWERS
1999
FORD EXPEDITION
VIEW MORE
Ask a Car Question. It's Free!
How to Use a Test Light