HOME
ASK A QUESTION
REPAIR GUIDES
BECOME A MEMBER
LOG IN
Login with Facebook
OR
Remember me
NOT A MEMBER?
FORGOT PASSWORD?
CONTACT US
PRIVACY POLICY
TERMS AND CONDITIONS
☰
Home
Honda
Accord
Body
Wiper
Stay On
Windshield wipers will not turn off when key is in the on position
TIMEOFLEISURE
MEMBER
1992 HONDA ACCORD
4 CYL
2WD
AUTOMATIC
45,000 MILES
Wipers will operate in the pulse position and will not turn off (wipers will turn off when ignition
is turned off). Thanks
Thursday, April 9th, 2020 AT 1:14 AM
1 Reply
ASEMASTER6371
MECHANIC
52,796 POSTS
Good morning,
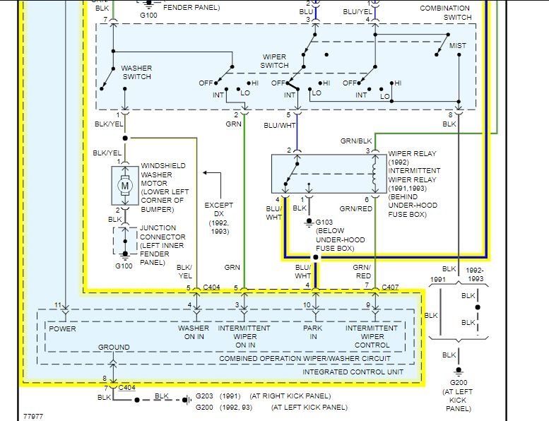
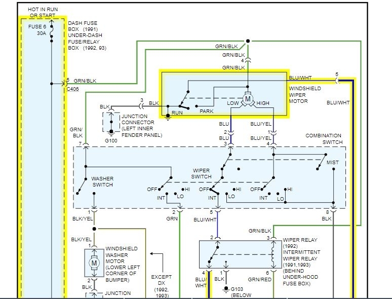
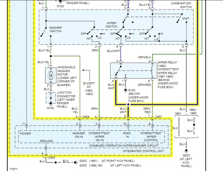
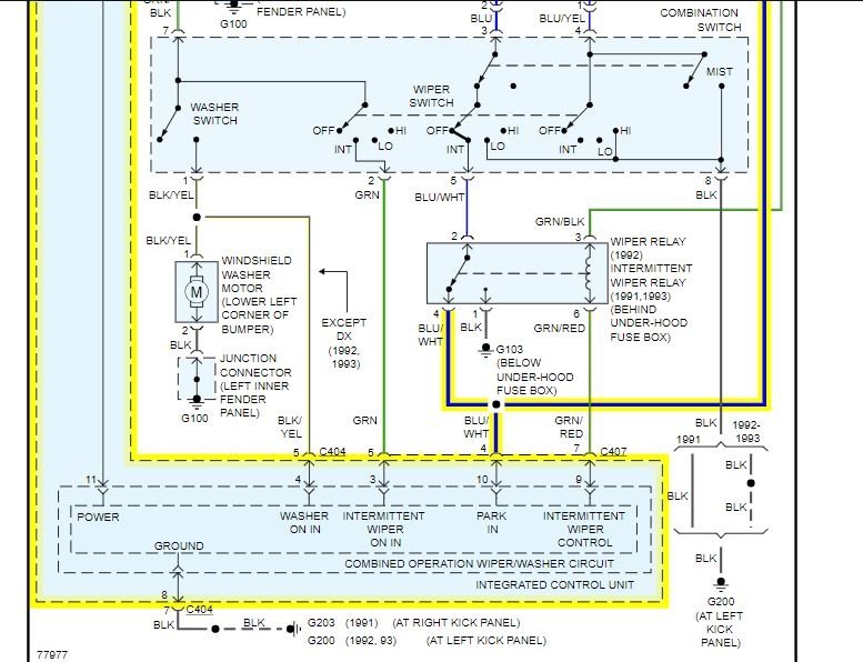
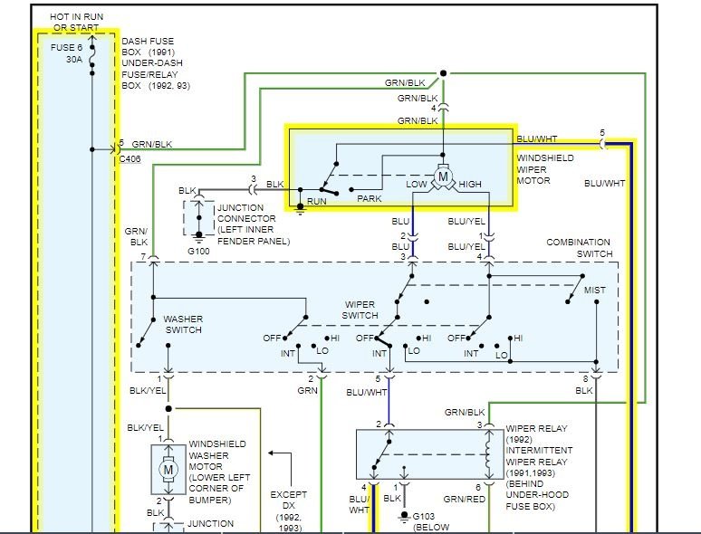
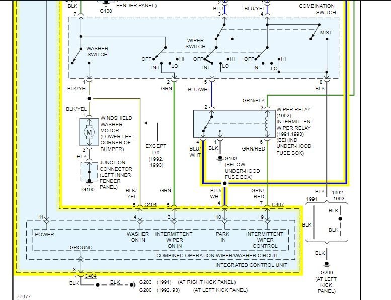
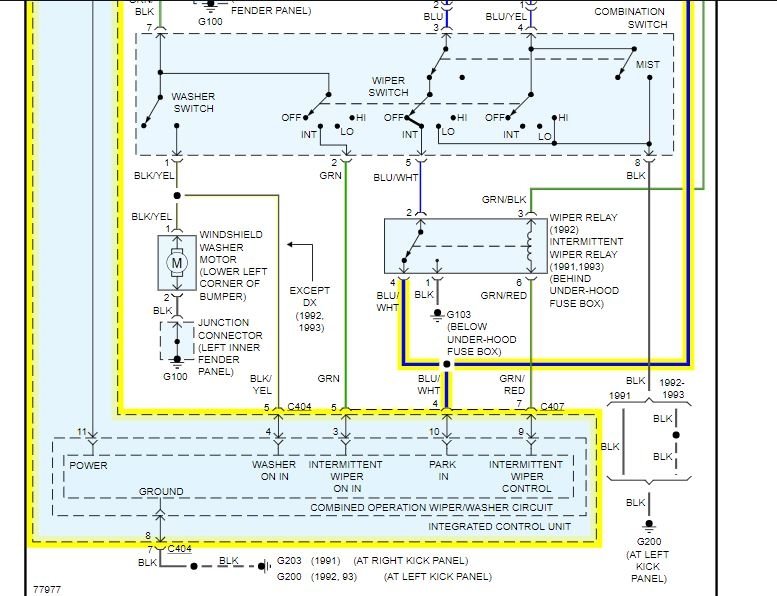
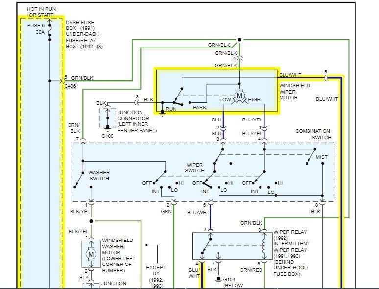
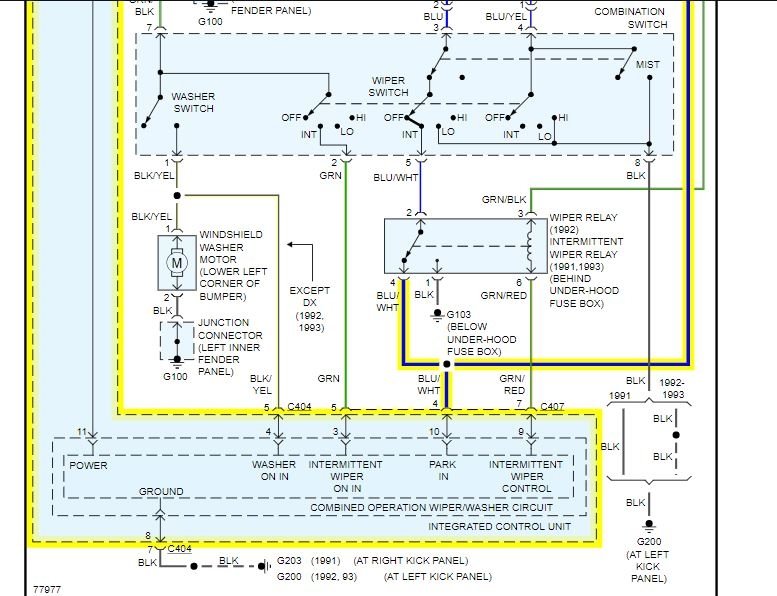
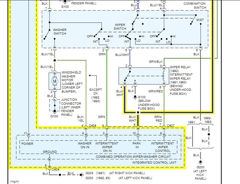
The park control is handled by both the motor itself and the control which is in the fuse block under the hood.
Do you have a voltmeter or test light to do some testing? I attached a wiring diagram for you to view.
https://www.2carpros.com/articles/how-to-check-wiring
In most cases it is the wiper motor itself but needs to be confirmed.
https://www.2carpros.com/articles/how-to-replace-a-windshield-washer-pump
Roy
Images (Click to make bigger)
Was this
answer
helpful?
Yes
No
Thursday, April 9th, 2020 AT 4:10 AM
Please
login
or
register
to post a reply.
Related Wiper Stay On Content
My Windshield Wipers Will Not Turn Off
My Windshield Wipers Will Not Turn Off When The Switch Is In Off Position, Yet Responds When The Switch Ask To Turn Them On. They Won't...
Asked by
dhog22
·
22 ANSWERS
2 IMAGES
1994
HONDA ACCORD
Windshield Wiper Operation
Wipers Only Operate On High Or Low, Inter. Quit Functioning, Plus, When Wiper Switch Is Turned Off, Blades Stop Operating Immediately--...
Asked by
sm888
·
1 ANSWER
1 IMAGE
1997
HONDA ACCORD
Wipers Will Not Work
The Windshield Wipers Only Work If I Hold The Lever Down (lever Goes Up Or Down For Manual Wiper Movement And Gets Turned Forward And...
Asked by
bernardia
·
39 ANSWERS
4 IMAGES
1996
HONDA ACCORD
Windshield Wipers Not Working?
Hi, I Didn't Drive My Car For 3 Days And Left The Windshield Wipers Halfway Up. When I Went To Start My Car Today, The Motor For The...
Asked by
jkozer26
·
17 ANSWERS
13 IMAGES
2004
HONDA ACCORD
Wipers Arent Working Right
The Wipers On Our Honda Accord Have Started Moving Past The Range They Are Meant To Cover. When They Go Up, The Driver's Side Wiper...
Asked by
pcameron
·
10 ANSWERS
8 IMAGES
2006
HONDA ACCORD
VIEW MORE
Ask a Car Question. It's Free!
How to Use a Test Light