Monday, June 12th, 2017 AT 8:00 AM
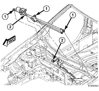
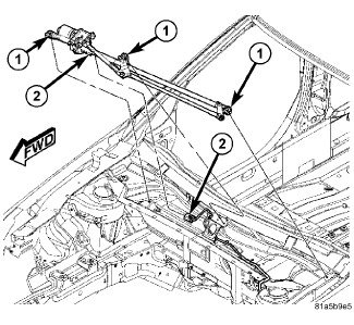
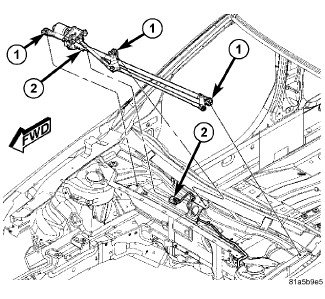
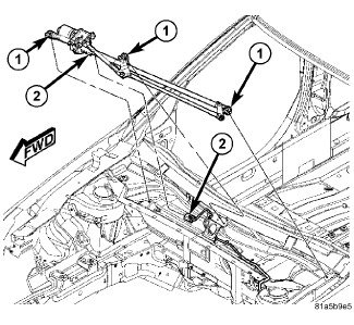
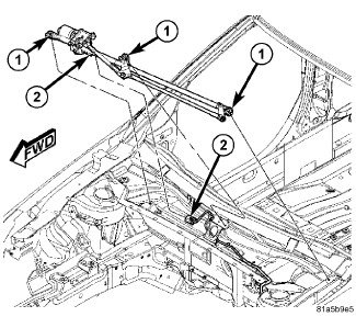
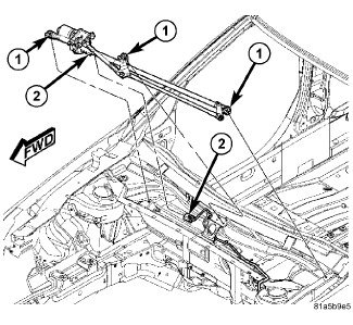
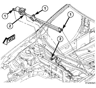
I am trying to find the windshield wiper motor on a friend's car and cannot find a diagram. Where I expected to see it there is a brake fluid reservoir. Any idea where to find a diagram of how to get to it?

