Windshield wiper blades not working after installing battery?

Tiny
TALONLUVSWIFI
  • MEMBER
  • 2014 FORD ESCAPE
  • 154,000 MILES
Hi, I just installed a battery and now the windshield wiper arms/blades are hitting each other. Before the guy said it would hit the passenger side and go out further. Do I need to reprogram it? Thanks
Sunday, February 26th, 2023 AT 3:02 PM

2 Replies

Tiny
AL514
  • MECHANIC
  • 5,597 POSTS
Hello, we are going over the information on the wiper system in this vehicle. There looks to be two different motors for each side (driver-passenger), I do see that the Battery Monitor sensor needs to be reset on a Battery replacement. Which is a scan tool special function. Try that first. And we will post additional information on the wiper system. The Body Control Module does control both wiper motors. So, it's possible, but the Battery Monitor sensor is tied into the wiper system logic chip for some reason.

Are your windows working correctly after the battery replacement? The wiper motors are actually on a data line called the Lin Bus which it uses to communicate with the Body Control Module. So, it's possible there is a diagnostic trouble code stored in the Body Control module for the wiper motor or one of the circuits. It's not an engine code so it wouldn't set the check engine light on.
Was this
answer
helpful?
Yes
No
Monday, February 27th, 2023 AT 9:12 AM
Tiny
KEN L
  • MASTER CERTIFIED MECHANIC
  • 55,522 POSTS
You could have had a voltage surge which popped the fuse #46 or fuse #42 in the fuse panel under the hood.

Here is a guide to help:

https://www.2carpros.com/articles/how-to-check-a-car-fuse

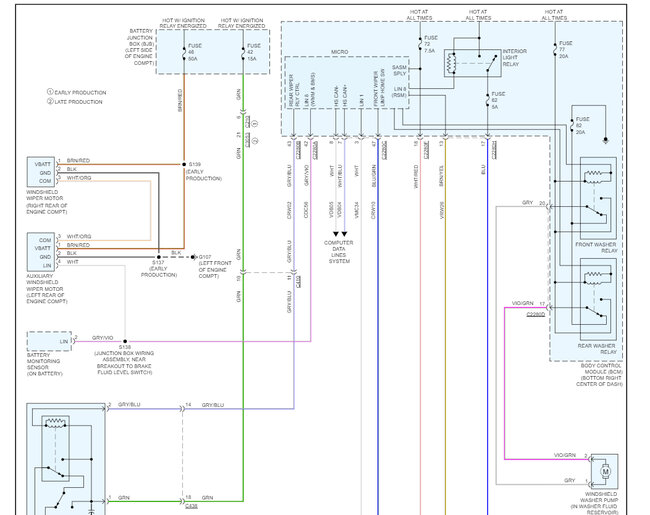
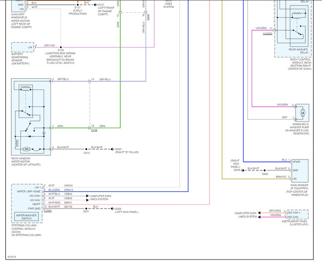
Also, I have included the wiper wiring diagrams so you can see how the system works and what modules are involved. The BCM controls the wipers which might be bad if the fuses are okay. We should do a CAN scan to see what codes come up. you can get a CAN scanner (Controller Area Network) from Amazon.

Here is a video to show you how:

https://youtu.be/u-4syLc-ifQ

and

https://www.2carpros.com/articles/can-scan-controller-area-network-easy

Here is a list of CAN scanners starting at about $45.00 on Amazon:

https://amzn.to/3DBMlc7

Check out the images (below). Please let us know what you find. We are interested to see what it is.
Was this
answer
helpful?
Yes
No
Monday, February 27th, 2023 AT 9:26 AM

Please login or register to post a reply.