Fuse location

Tiny
ROGER DUBELL
  • MEMBER
  • 2004 KIA SORENTO
  • 3.0L
  • V6
  • 4WD
  • AUTOMATIC
  • 120,000 MILES
Where is the windshield washer pump fuse located on my car?
Wednesday, August 30th, 2017 AT 11:09 AM

3 Replies

Tiny
STEVE W.
  • MECHANIC
  • 15,688 POSTS
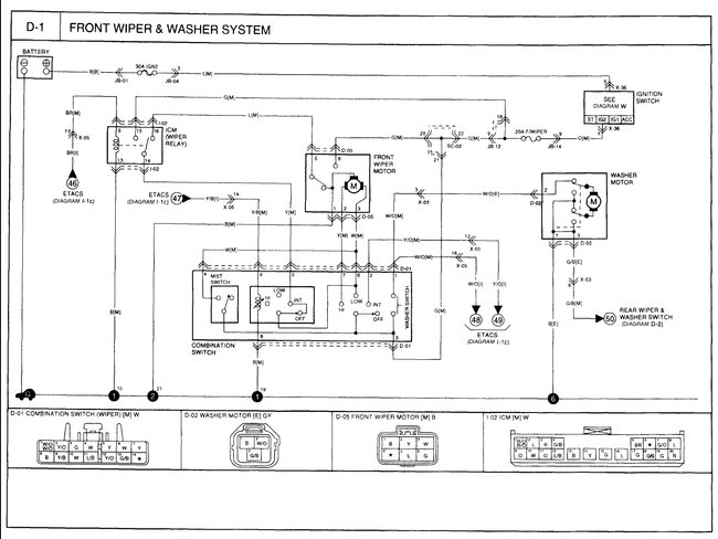
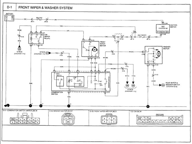
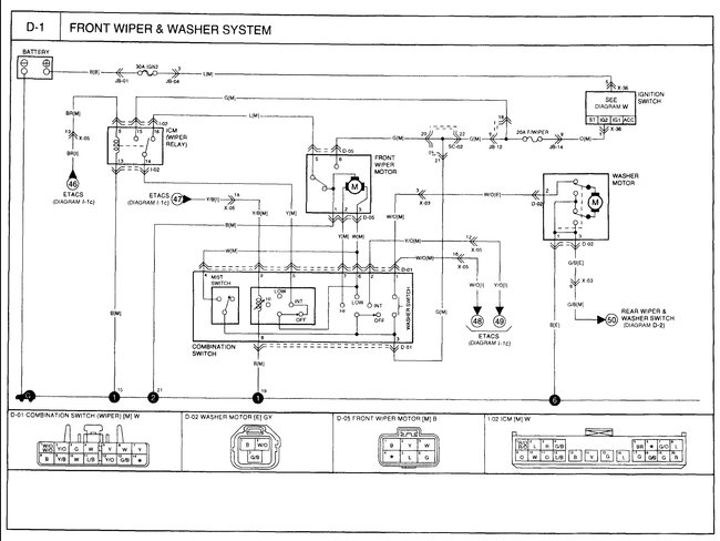
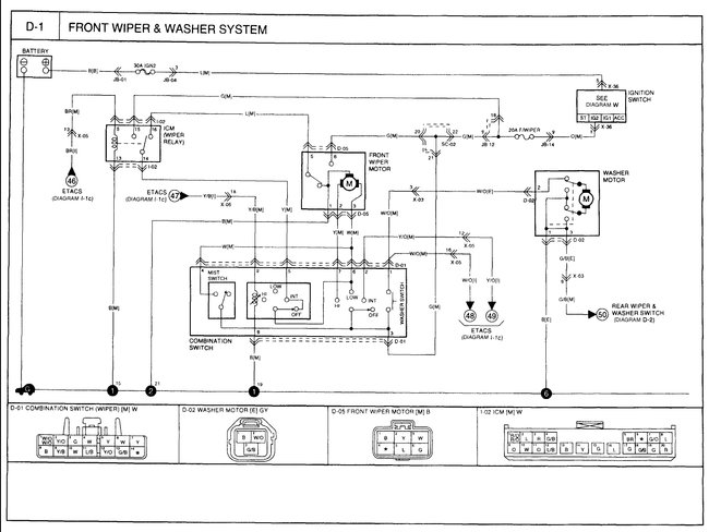
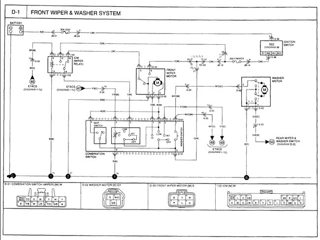
The washer pump gets its power from the same fuse that powers the wiper motor. Fuse 8 (20A) in the fuse block.
If your wipers work but the washer does not it is not the fuse.
Was this
answer
helpful?
Yes
No
+27
Wednesday, August 30th, 2017 AT 2:45 PM
Tiny
ROGER DUBELL
  • MEMBER
  • 3 POSTS
Thank you. Where is the washer pump located and how do I change it?
Was this
answer
helpful?
Yes
No
+25
Friday, September 1st, 2017 AT 8:46 AM
Tiny
STEVE W.
  • MECHANIC
  • 15,688 POSTS
It is plugged into a grommet on the side of the washer fluid reservoir that is up front on the passenger side. You just unhook the wiring and the washer nozzle hose, twist the pump a bit and pull it out. The new one just pushes into the hole and reconnect the hose and wiring. It will leak out the washer fluid so you can either drain out the fluid into a container or park on some gravel. DON'T drain it onto grass. The alcohol in it can kill the grass.
Was this
answer
helpful?
Yes
No
+33
Friday, September 1st, 2017 AT 1:08 PM

Please login or register to post a reply.