Windows not working?

Tiny
LOAS
  • MEMBER
  • 2005 NISSAN ALTIMA
  • 2.5L
  • 4 CYL
  • 2WD
  • AUTOMATIC
  • 122,000 MILES
Hi, I have the car listed above. The windows won't work checked fuses and seem like everything is good. I just don't have any power coming to the connector.
Thursday, June 19th, 2025 AT 10:38 AM

1 Reply

Tiny
KEN L
  • MASTER CERTIFIED MECHANIC
  • 55,097 POSTS
The power for the windows is supplied by three fuses, turn the key on and check each one for power and double check to make sure the fuse is good.

This guide can help:

https://www.2carpros.com/articles/how-to-check-a-car-fuse

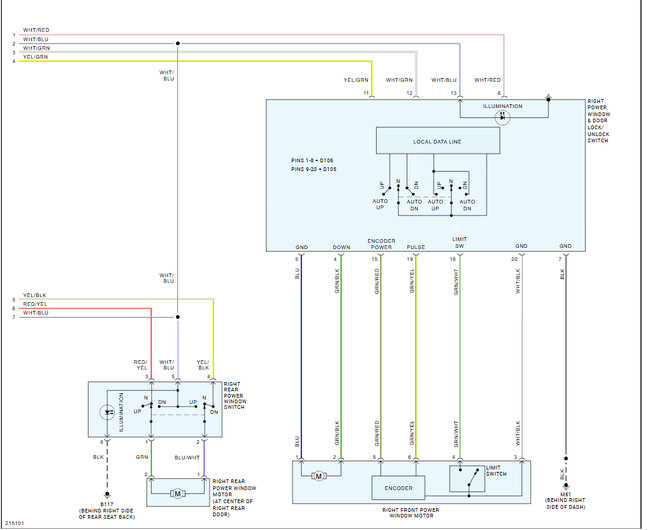
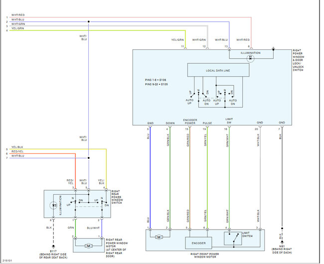
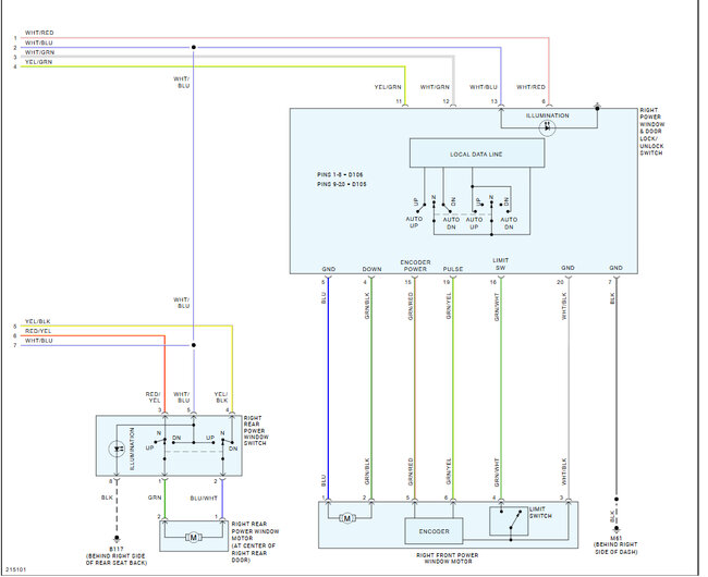
Please check fuse link F in the fusible link box under the hood on the left side near the battery, then check the fuse #1 and #6 in the fuse panel on the left side of the dash. The power is then sent through the BCM and then onto the window switch. Here are the wiring diagrams so you can see how the system works. Check out the images (below). Please let us know what happens.
Was this
answer
helpful?
Yes
No
Friday, June 20th, 2025 AT 12:31 PM

Please login or register to post a reply.