Windows not working properly

Tiny
JANET21JIM23
  • MEMBER
  • 1997 MERCEDES BENZ E320
  • 2.3L
  • 6 CYL
  • 2WD
  • AUTOMATIC
  • 169 MILES
Windows do not work if I use the key in the passenger door. Back windows work up down.
Tuesday, November 27th, 2018 AT 5:01 PM

1 Reply

Tiny
KEN L
  • MASTER CERTIFIED MECHANIC
  • 55,535 POSTS
Hello,

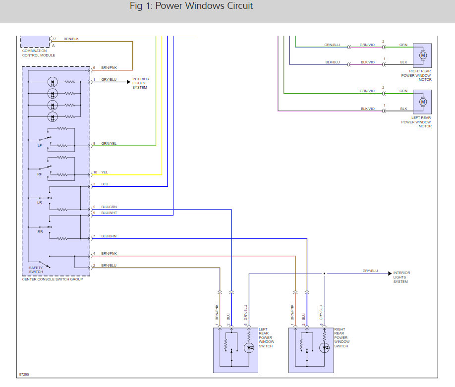
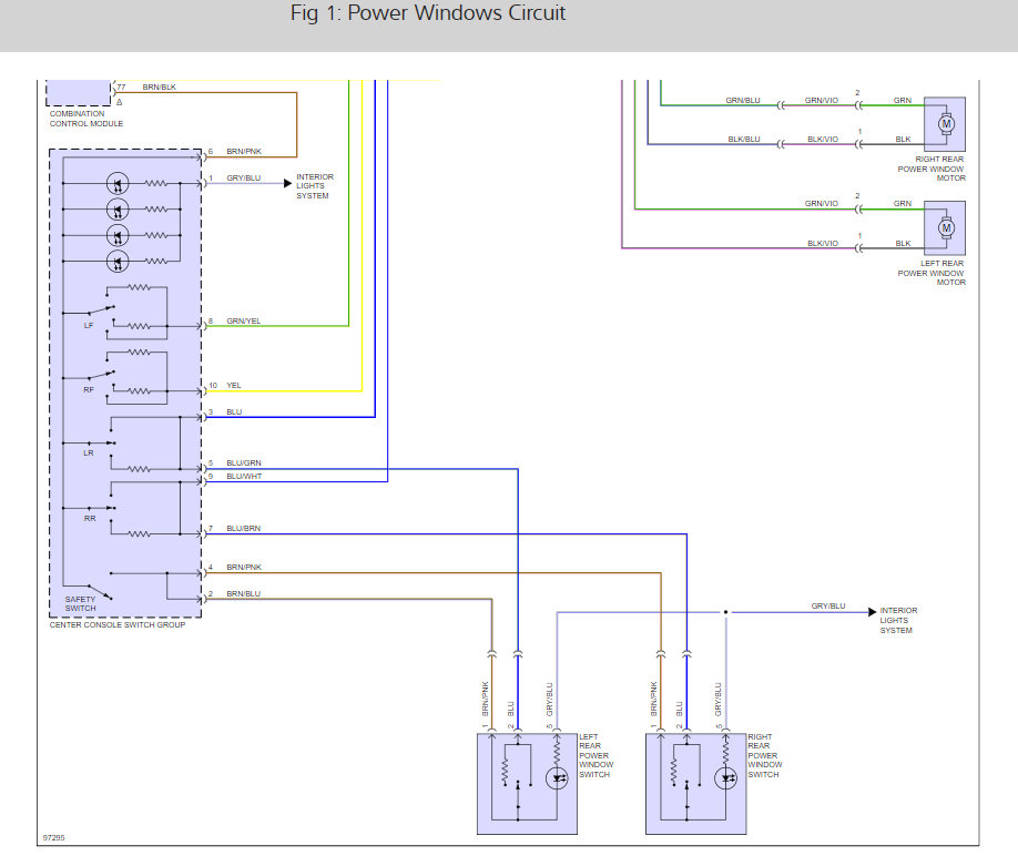
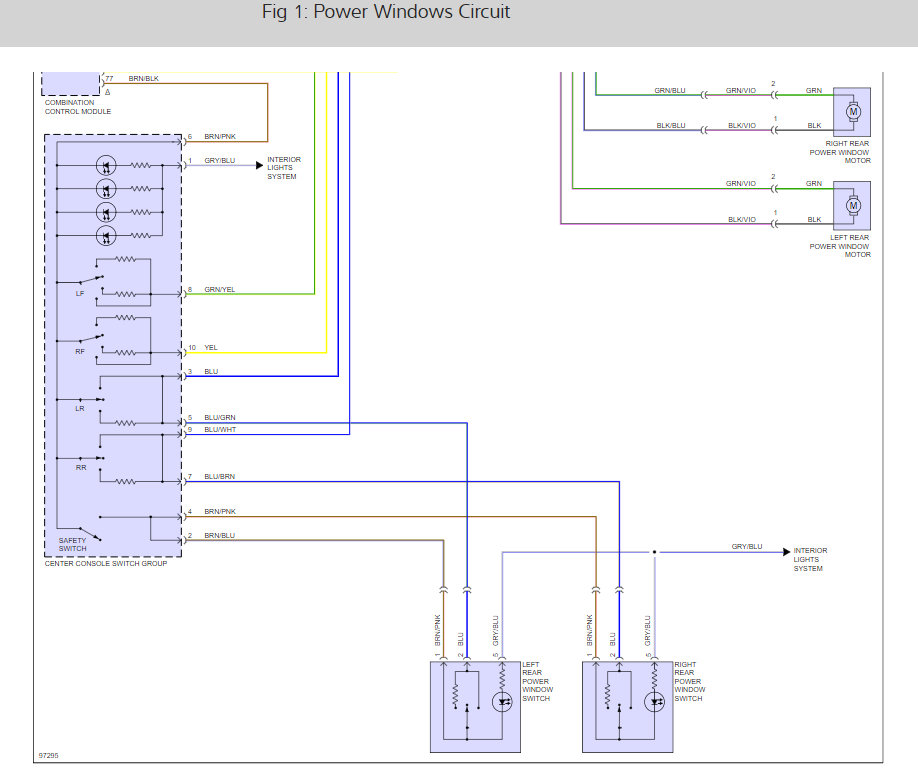
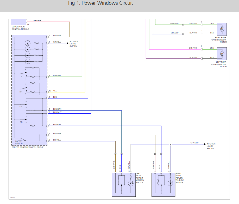
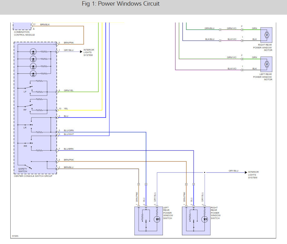
There are two fuses #1 and #2 in the rear fuse panel that need to be checked. Here are the window wiring diagrams so you can see how the system works and a guide to help you check for power at the fuse:

https://www.2carpros.com/articles/how-to-check-a-car-fuse

Check out the diagrams (below). Please let us know what you find. We are interested to see what it is.

Cheers, Ken
Was this
answer
helpful?
Yes
No
Thursday, November 29th, 2018 AT 11:24 AM

Please login or register to post a reply.