Power windows not working

Tiny
EBONY 9626
  • MEMBER
  • 2007 NISSAN ALTIMA
  • AUTOMATIC
  • 130,000 MILES
Hello,
my power windows don't work.
windows will not come down.
where is the fuse box and which fuse controls the power windows?
Thursday, June 4th, 2020 AT 10:43 AM

1 Reply

Tiny
KASEKENNY
  • MECHANIC
  • 18,907 POSTS
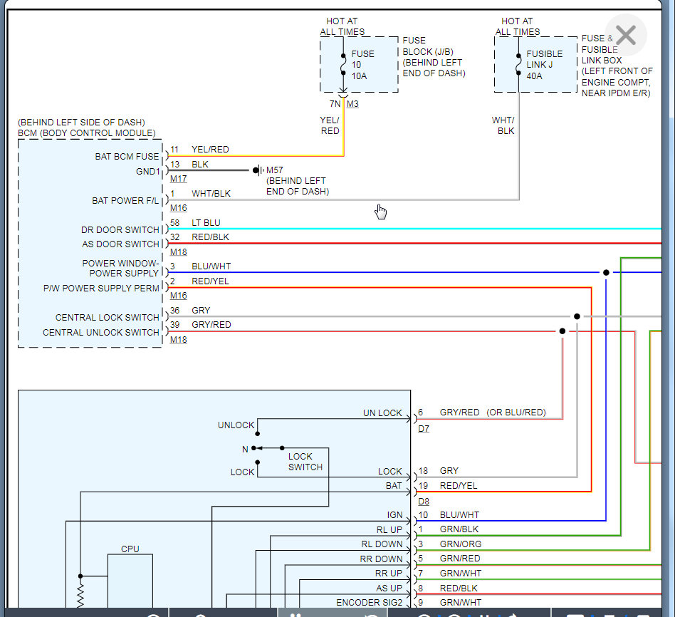
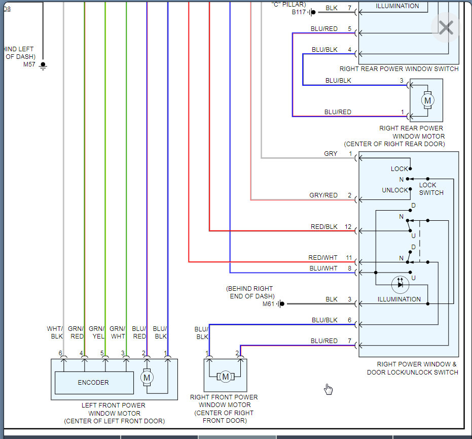
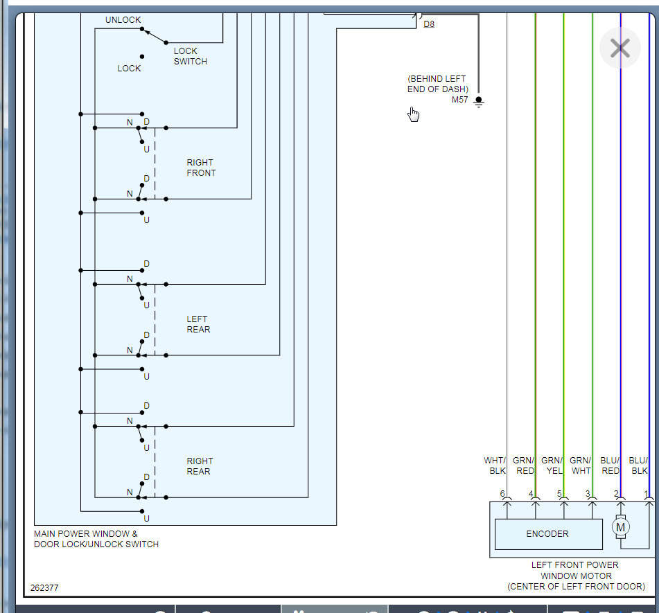
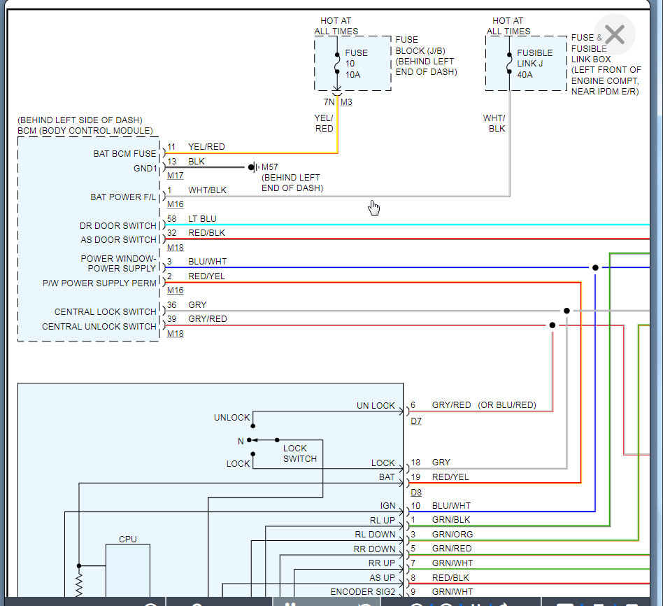
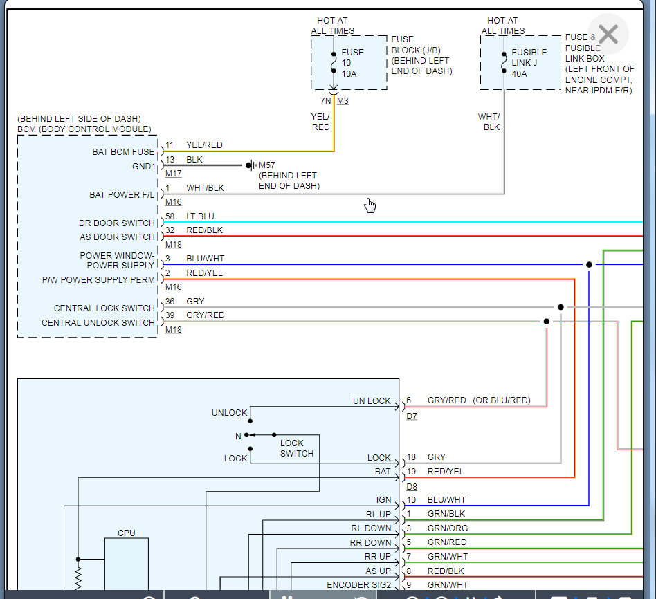
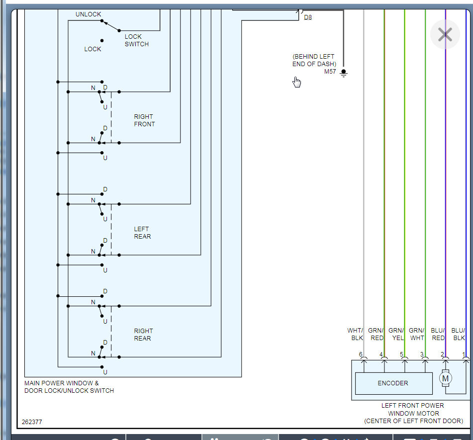
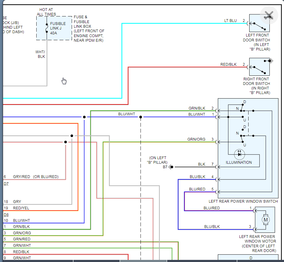
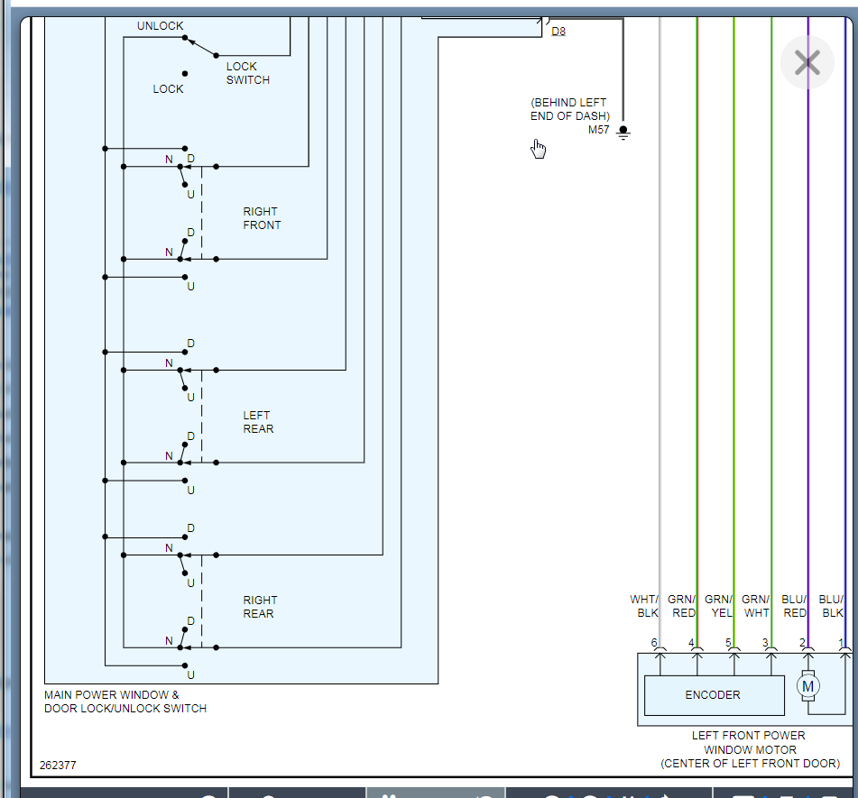
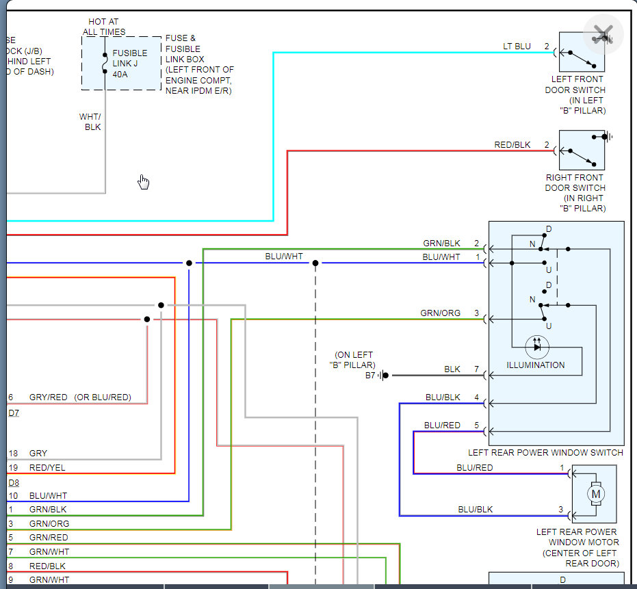
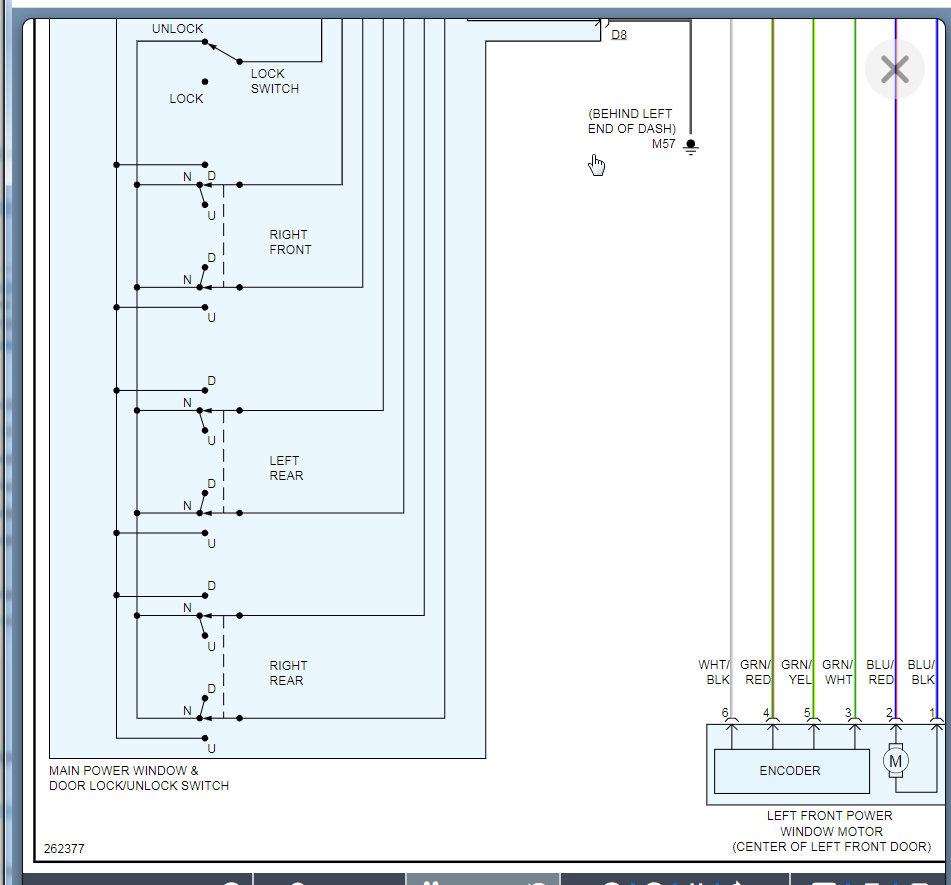
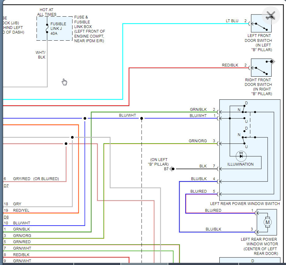
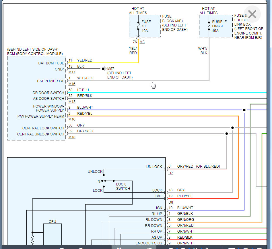
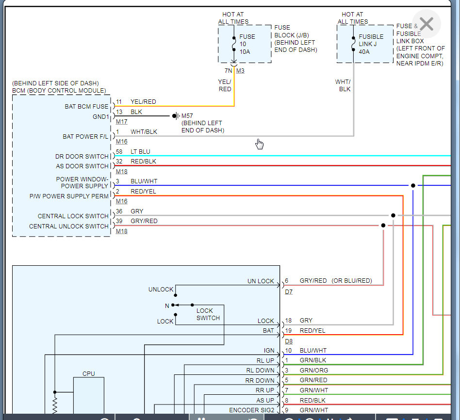
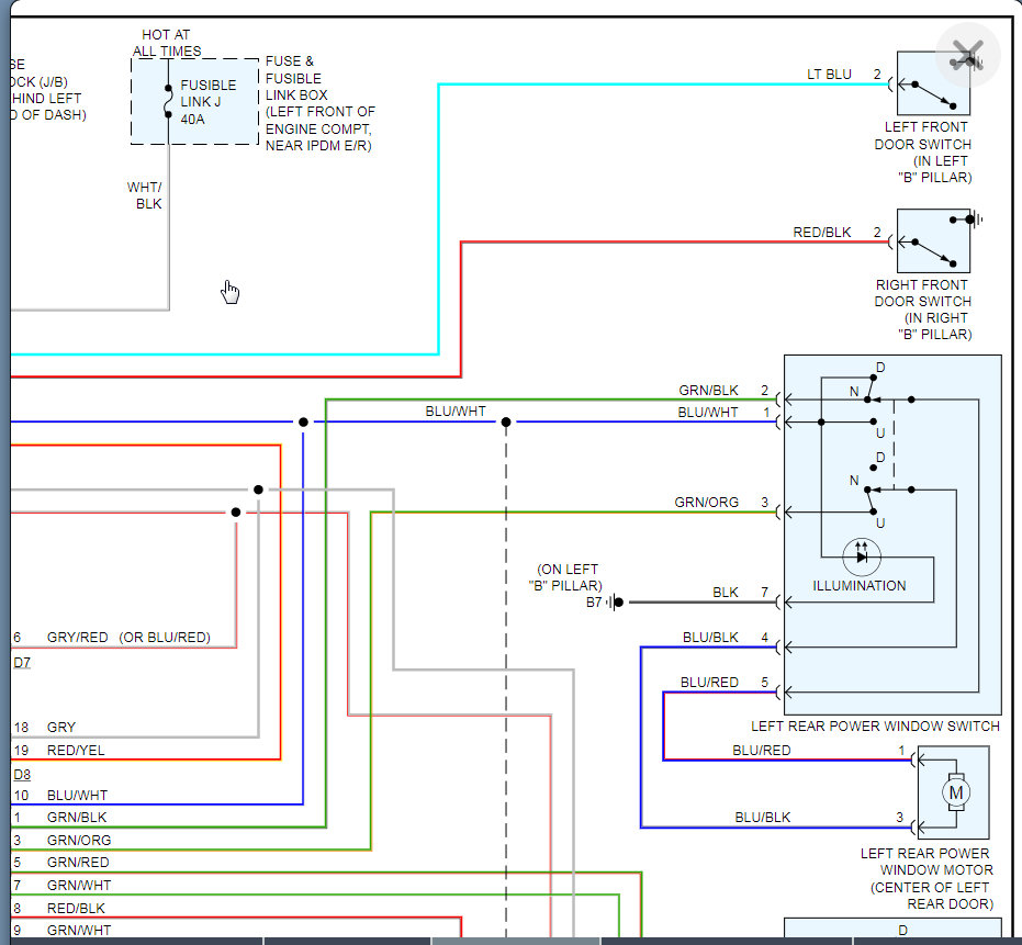
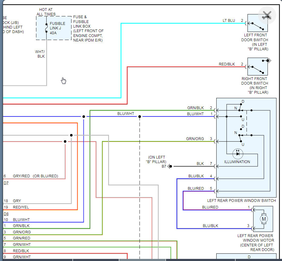
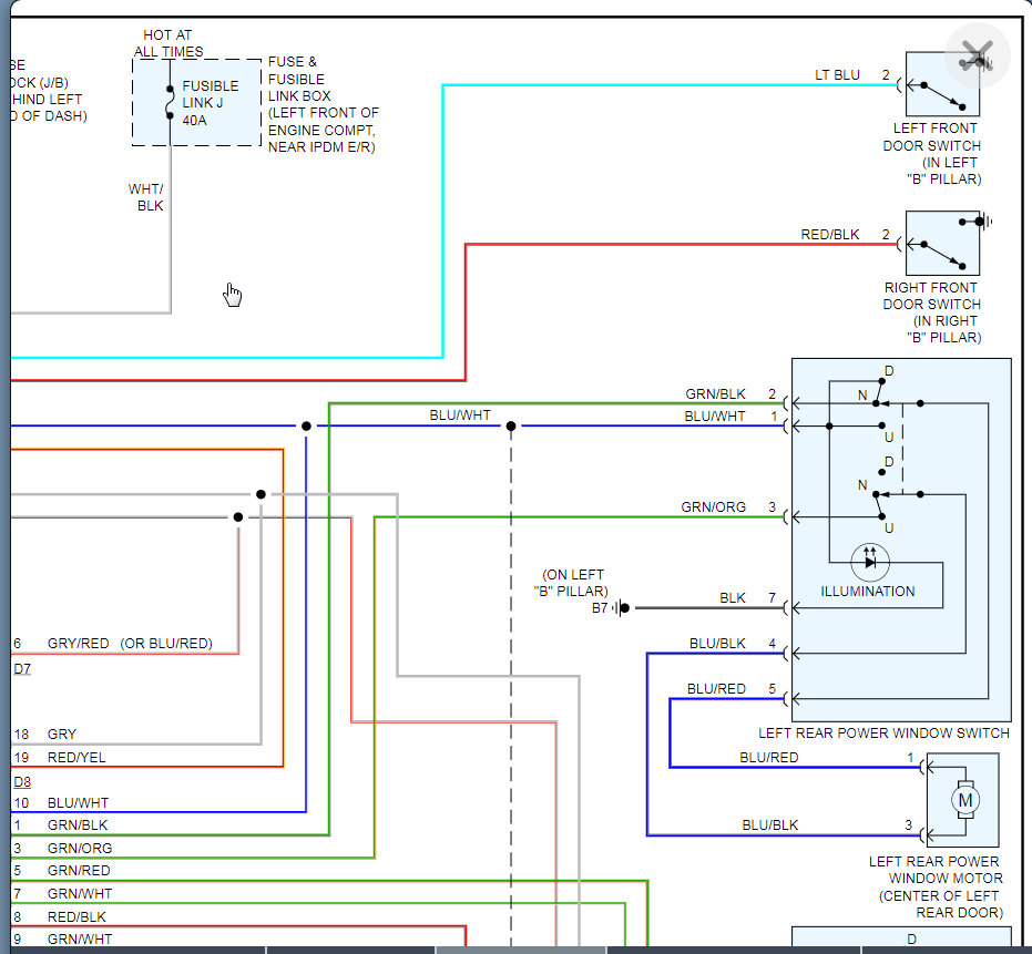
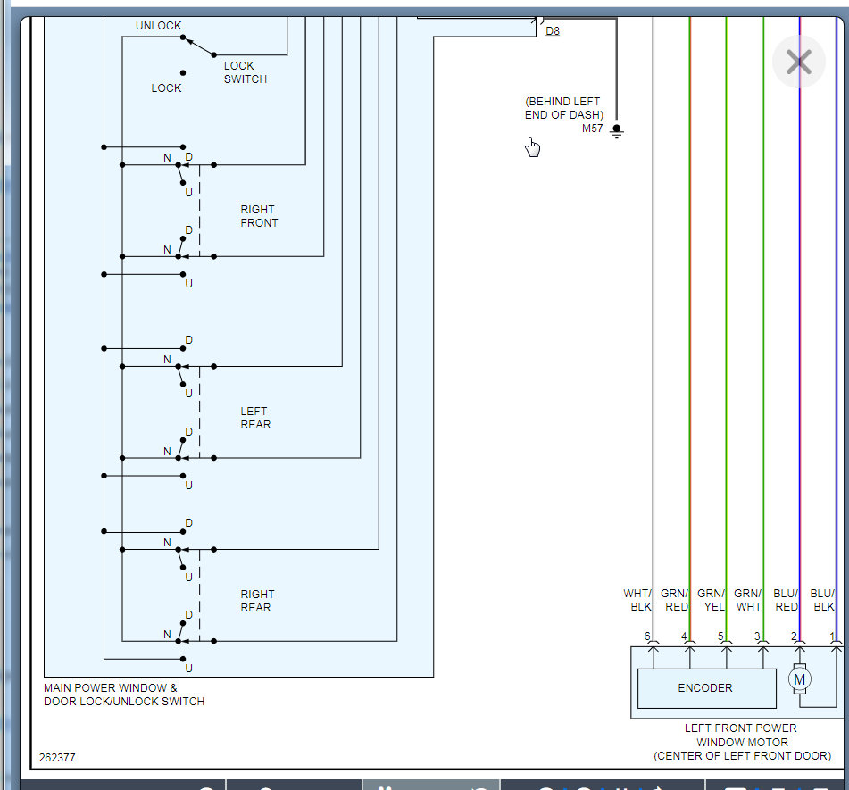
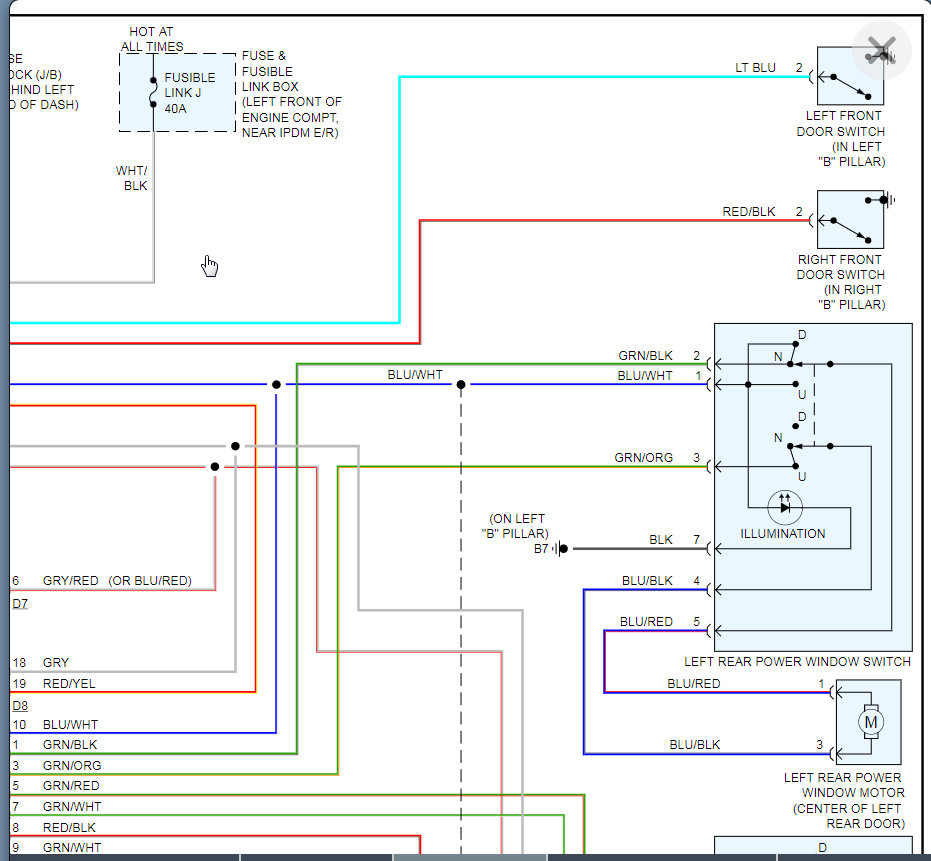
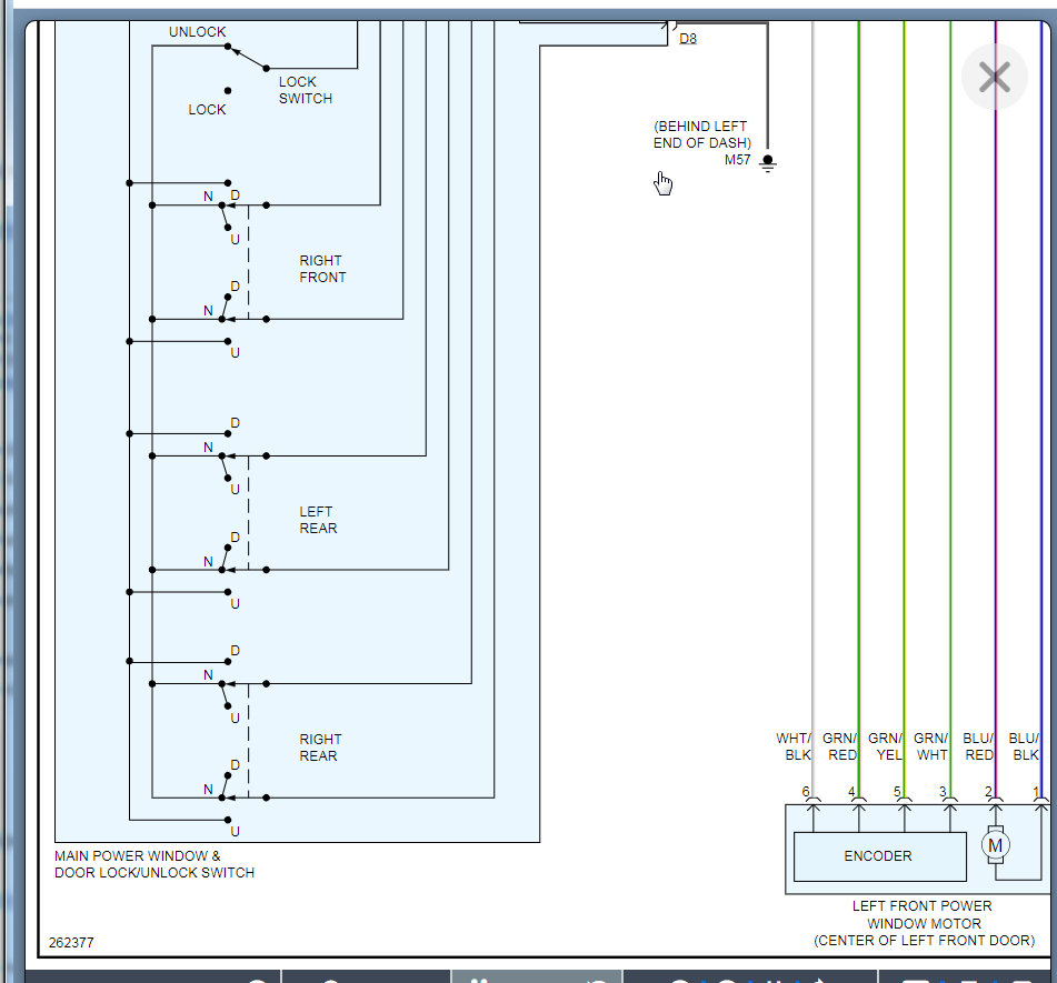
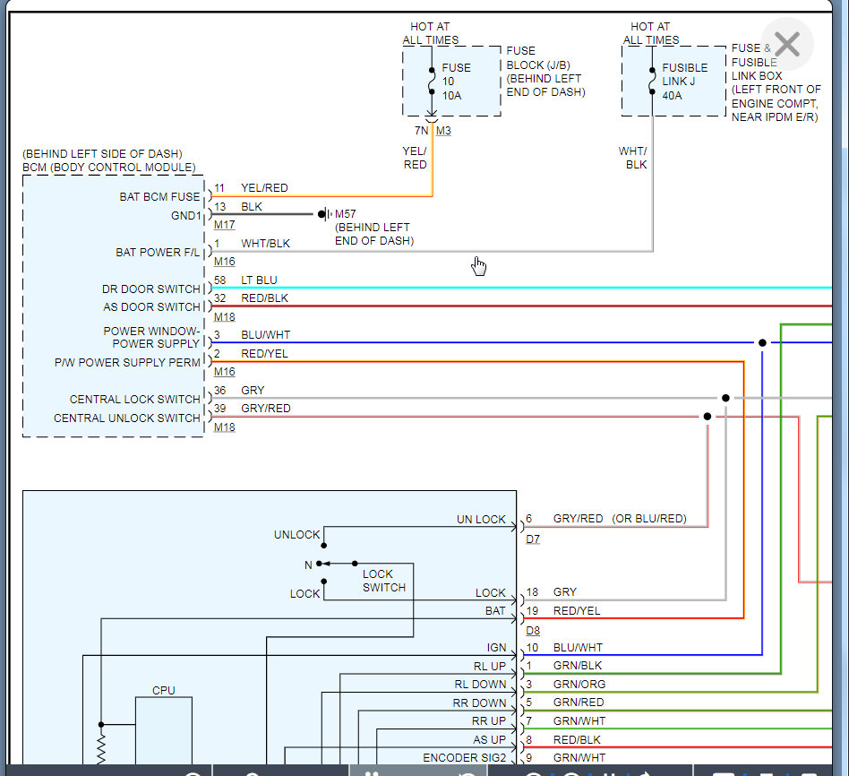
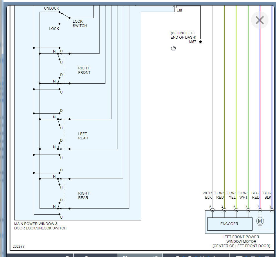
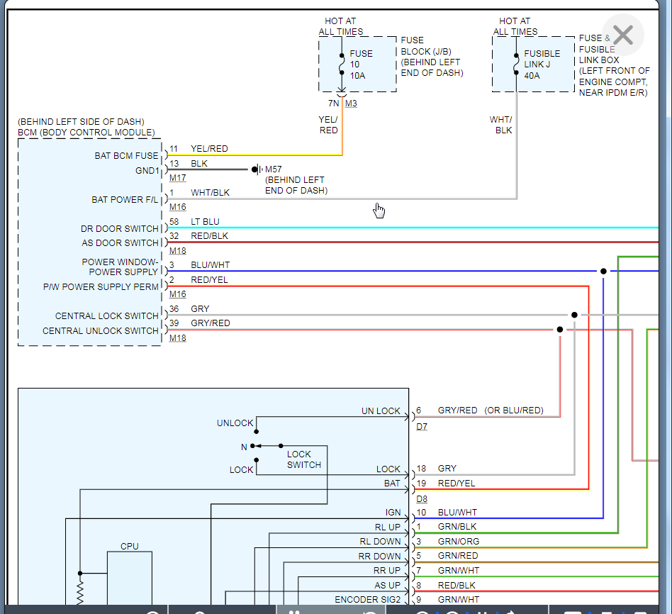
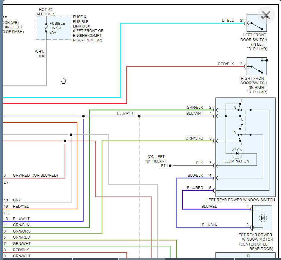
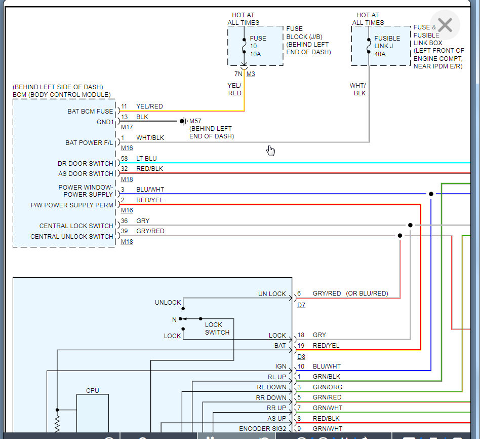
I attached the wiring diagrams for the power windows and I doubt this is a fuse if the windows are the only thing not working. I say that because the only fuses are for the BCM and not just the windows. This means if these fuses blow then the body control module will not be functioning and you would have a lot more systems not working.

What I would do is go to the main window switch and check for power on the wires coming into the switch for the roll down function. Clearly when you press the button you should have power coming in and going out on that window switch. If you do then the issue is further down the system.

Let's start with this and go from there.

https://www.2carpros.com/articles/how-to-check-wiring
Was this
answer
helpful?
Yes
No
Thursday, June 4th, 2020 AT 5:23 PM

Please login or register to post a reply.