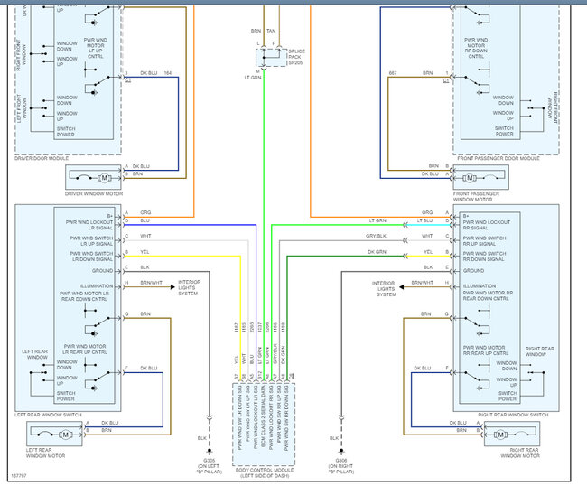
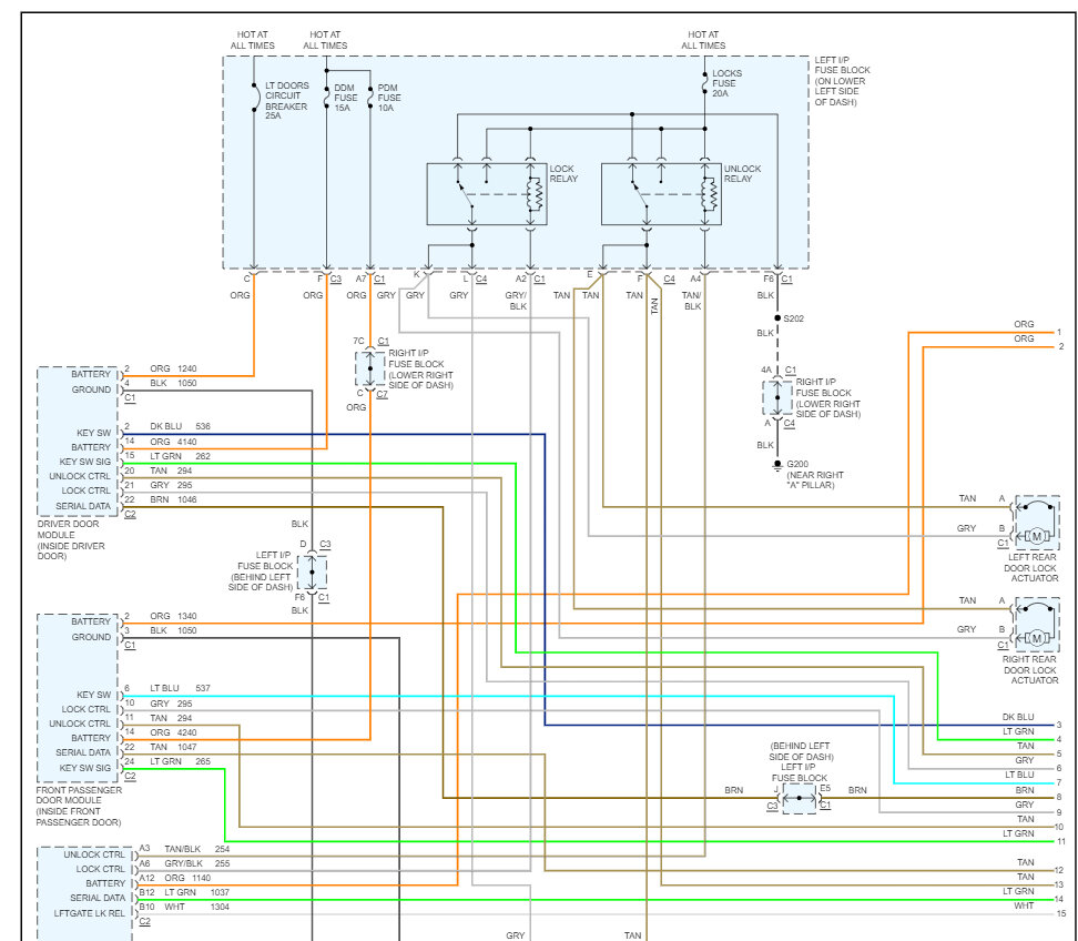
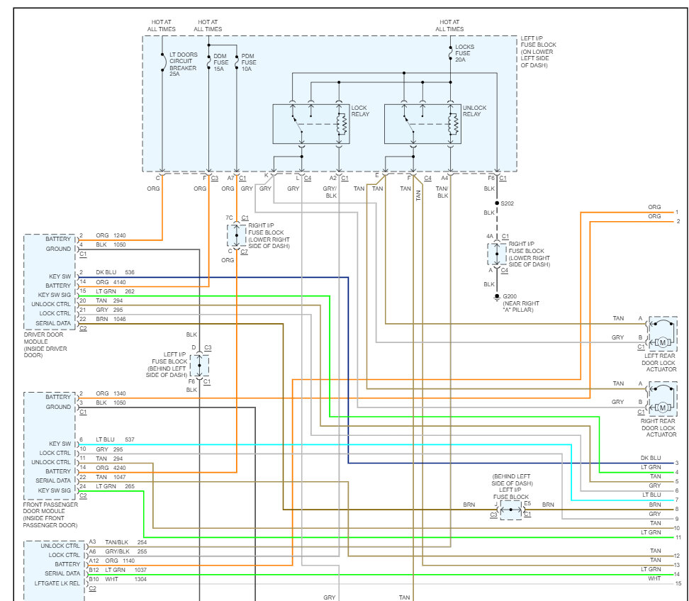
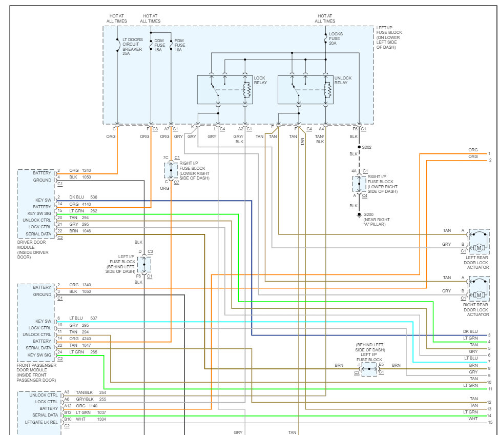
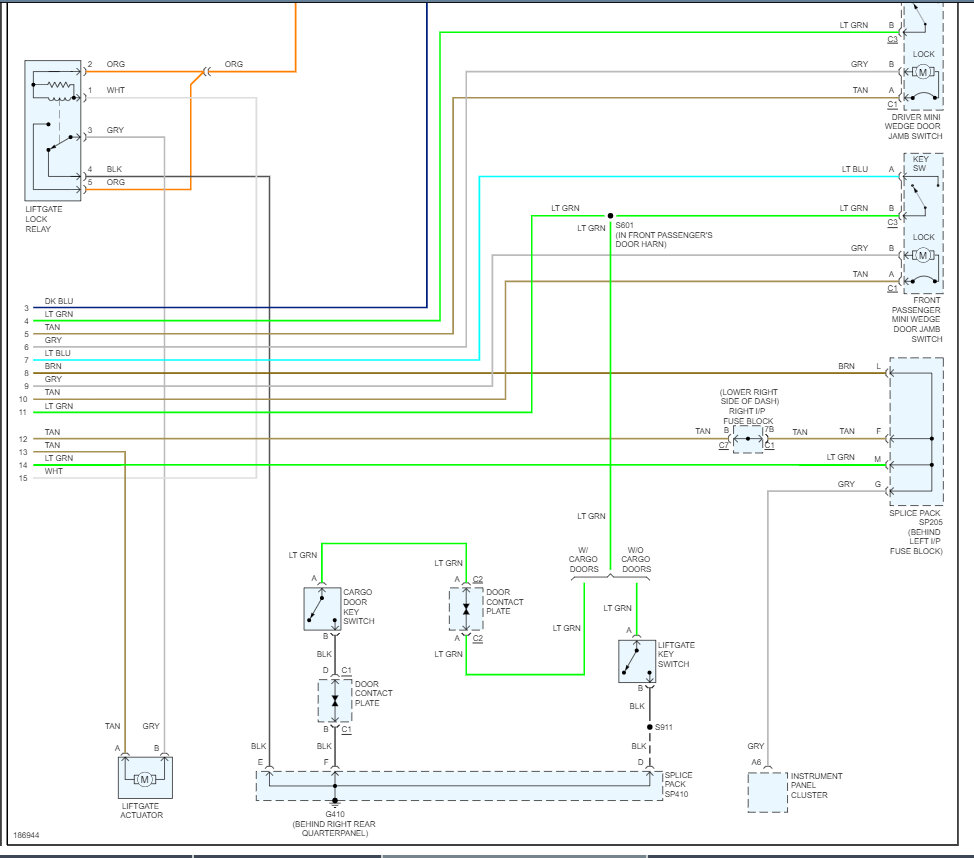
Sunday, March 19th, 2023 AT 7:29 PM
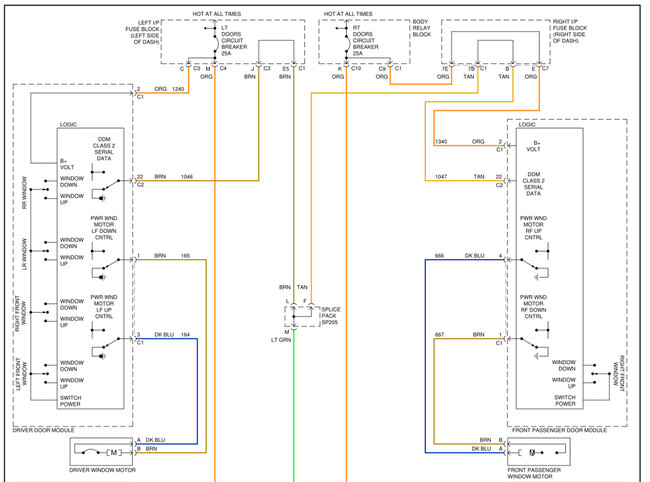
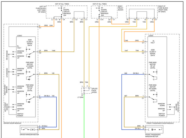
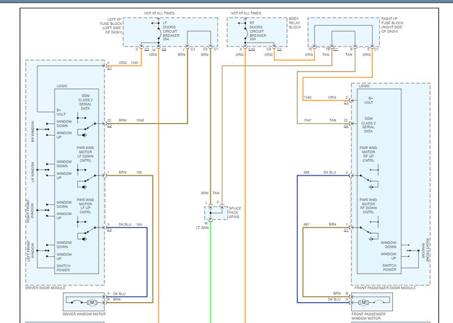
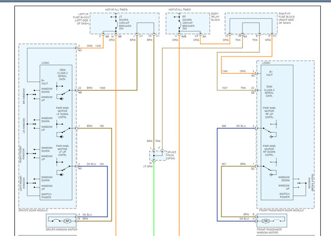
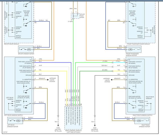
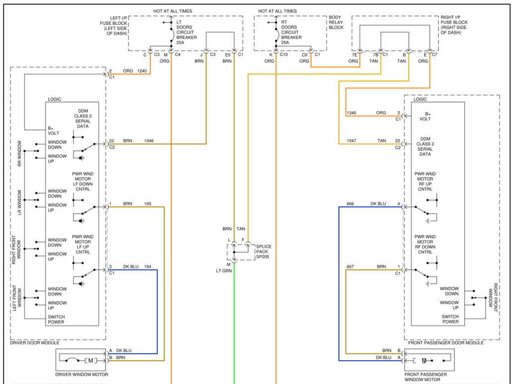
I just bought this vehicle and the driver window buttons do not work for anything. Upon opening up the door panel to check it out, I found someone had cut all the wires. Is there a way to know which is window up and down so I can just wire in my own switches? I looked at diagrams online but can't figure them out.








