HOME
ASK A QUESTION
REPAIR GUIDES
BECOME A MEMBER
LOG IN
Login with Facebook
OR
Remember me
NOT A MEMBER?
FORGOT PASSWORD?
CONTACT US
PRIVACY POLICY
TERMS AND CONDITIONS
☰
Home
Chevrolet
Express
Body
Window
Wiring
Can I get the window switch wiring diagrams?
PIMINHS3500
MEMBER
2002 CHEVROLET EXPRESS
V8
2WD
AUTOMATIC
150,000 MILES
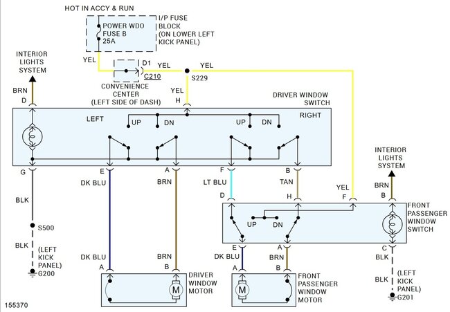
Can I get the wiring diagram and or the schematic for the driver and passenger side window switch please? Thank you.
Tuesday, February 25th, 2025 AT 1:09 PM
3 Replies
STEVE W.
MECHANIC
15,697 POSTS
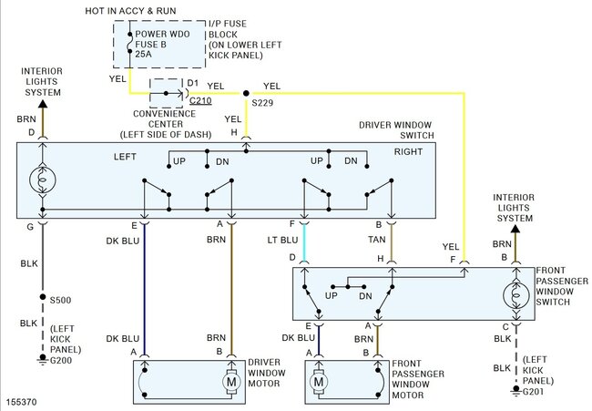
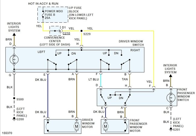
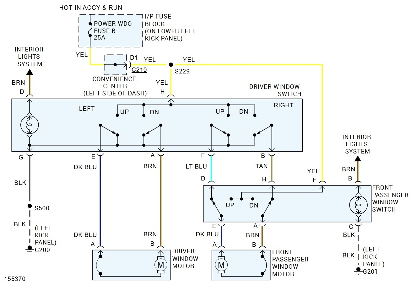
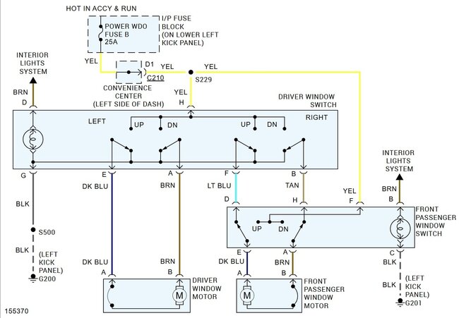
That truck uses a simple polarity reversal system to move the windows. This is the wiring for them. What issue are you having?
Image (Click to make bigger)
Was this
answer
helpful?
Yes
No
Wednesday, February 26th, 2025 AT 1:34 AM
PIMINHS3500
MEMBER
11 POSTS
Thank you very much for the response, theres no problem just putting my own switch in is all.
Was this
answer
helpful?
Yes
No
Friday, February 28th, 2025 AT 8:11 AM
STEVE W.
MECHANIC
15,697 POSTS
Okay. If you need other information just let us know.
Was this
answer
helpful?
Yes
No
Friday, February 28th, 2025 AT 11:04 PM
Please
login
or
register
to post a reply.
Ask a Car Question. It's Free!
Window Switch Replacement and Test
Door Panel Removal
Door Lock Replacement