What is the voltage that operates the window motor?

Tiny
GPMCMA35
  • MEMBER
  • 2002 FORD TAURUS
  • 6 CYL
  • 2WD
  • AUTOMATIC
  • 100,000 MILES
Window motor.
Wednesday, March 1st, 2023 AT 4:00 PM

26 Replies

Tiny
JACOBANDNICKOLAS
  • MECHANIC
  • 110,192 POSTS
Hi,

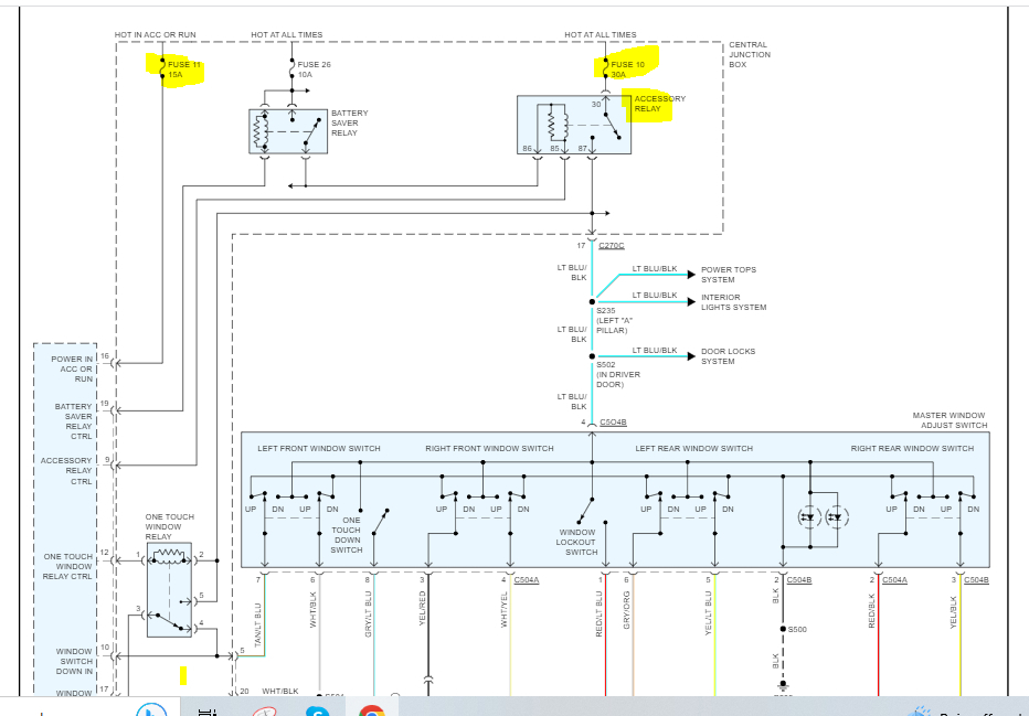
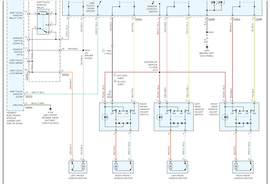
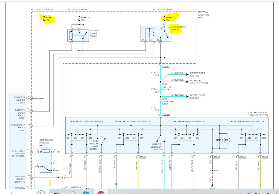
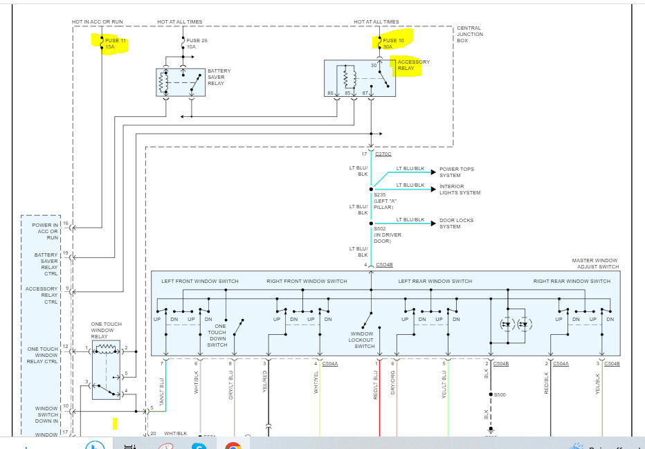
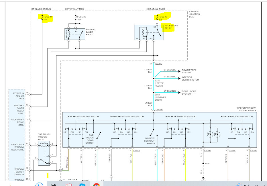
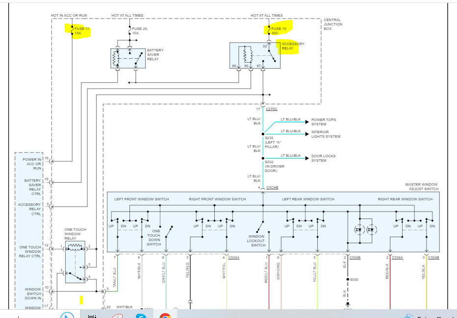
The power window motor should receive battery voltage, 12v. Power is supplied via the accessory relay/fuse 10 in the interior fuse box. Also, from the 11 which is sent to the GEM module and then to the main switch.

I attached the wiring schematic for the power windows below, so you have a reference. Let me know what is happening.

Take care,

joe

See pics below.
Was this
answer
helpful?
Yes
No
+1
Wednesday, March 1st, 2023 AT 8:24 PM
Tiny
GPMCMA35
  • MEMBER
  • 15 POSTS
The main power wire to the door was broken. I spliced a wire to the piece at the boot that went to the door panel. Ran the wire up through the hinge to the positive post on the battery and spliced a inline 10 amp fuse in the line. That was the only way I could get power to operate the windows. The only way I could get to the other piece in the corrugated boot was cut the boot apart. I didn't want to do that. Does this solution sound okay?
Was this
answer
helpful?
Yes
No
Friday, March 10th, 2023 AT 4:24 PM
Tiny
JACOBANDNICKOLAS
  • MECHANIC
  • 110,192 POSTS
Hi,

It sounds like it should be fine. I'm glad to know you fused it. Just make sure the new power wire is fused as close to the battery as you can get it. Also, make sure the new wire can't get pinched in the door frame and fail.

Let me know if there is anything I can do to help.

Take care,

Joe
Was this
answer
helpful?
Yes
No
+1
Friday, March 10th, 2023 AT 10:03 PM
Tiny
GPMCMA35
  • MEMBER
  • 15 POSTS
Appreciate your reply.
Was this
answer
helpful?
Yes
No
Saturday, March 11th, 2023 AT 12:56 AM
Tiny
GPMCMA35
  • MEMBER
  • 15 POSTS
Joe, here are two pictures of what I did. Can you tell me what is in black circular item
at the door hinge area? Is it a junction box?
Was this
answer
helpful?
Yes
No
Saturday, March 11th, 2023 AT 3:02 PM
Tiny
JACOBANDNICKOLAS
  • MECHANIC
  • 110,192 POSTS
What you see is a swivel junction that protects the wiring and allows the door to open and close without as much movement in the wiring. It makes things last a bit longer. LOL

Everything you did looks good. Just make sure the new wire (in pic 1) won't get pinched and you should be fine.

Let me know if you have questions or if I can help in any way.

Take care,

Joe
Was this
answer
helpful?
Yes
No
+1
Saturday, March 11th, 2023 AT 7:31 PM
Tiny
GPMCMA35
  • MEMBER
  • 15 POSTS
How much trouble would it be to replace the power wire that is inside the boot and goes to the fuse block? How is that wire connected to the fuse block? On the schematics that you sent, which wire would it be.
Was this
answer
helpful?
Yes
No
Sunday, March 12th, 2023 AT 1:23 AM
Tiny
JACOBANDNICKOLAS
  • MECHANIC
  • 110,192 POSTS
Hi,

If you wanted to replace the wire, it will be difficult because of where it goes, and the harness will be tied together via either a wire loom or friction tape. I suspect the wire you replaced was a light blue wire that sends the power at all times to the master switch.

At the fuse box, there will be a power supply wire out from the fuse. The wire is likely used to power other things and there are splices that are used to connect the different usages.

If it is working properly, I would leave it alone, but that is your call.

Let me know.

Joe
Was this
answer
helpful?
Yes
No
+1
Sunday, March 12th, 2023 AT 1:58 PM
Tiny
GPMCMA35
  • MEMBER
  • 15 POSTS
I appreciate your answers. My mind works overtime sometimes because I like to solve
problems. To let you know I worked in a Navy R&D lab designing all kinds of equipment and
I still think it's interesting to do stuff. If I have any more questions, I will send them.
Was this
answer
helpful?
Yes
No
Sunday, March 12th, 2023 AT 3:09 PM
Tiny
JACOBANDNICKOLAS
  • MECHANIC
  • 110,192 POSTS
Hi,

The idea that your mind works overtime is no different than mine. LOL

Take care and come back anytime.

Joe
Was this
answer
helpful?
Yes
No
Sunday, March 12th, 2023 AT 6:25 PM
Tiny
GPMCMA35
  • MEMBER
  • 15 POSTS
Does the wire that I ran have a continuous drain on the battery?
Was this
answer
helpful?
Yes
No
Thursday, March 23rd, 2023 AT 1:01 AM
Tiny
JACOBANDNICKOLAS
  • MECHANIC
  • 110,192 POSTS
Hi,

It shouldn't. The circuit for the component you repaired needs to be completed for it to draw power.

Are you getting a battery draw at all times? If you are, remove the inline fuse to see if the draw stops. Or you could take a multimeter and use it as the fuse to see if there is a draw present.

Let me know what is happening and what I can do to help.

Take care,

Joe
Was this
answer
helpful?
Yes
No
Thursday, March 23rd, 2023 AT 4:32 PM
Tiny
GPMCMA35
  • MEMBER
  • 15 POSTS
I disconnected the fuse and then used my ohm meter from the positive terminal to the wire to the door switches in place of the fuse and got a reading of 8.5v on my meter. This tells me that there is a draw and keeps running my battery down. If there is water in the corrugated boot touching the other end of the line that goes to the fuse terminal under the dash be the problem?
Was this
answer
helpful?
Yes
No
Friday, March 24th, 2023 AT 1:27 PM
Tiny
JACOBANDNICKOLAS
  • MECHANIC
  • 110,192 POSTS
If you have a constant 8.5v draw, yep that will drain the battery really fast. Try to see if you can eliminate the draw with the wire disconnected at the switch. If you still have it, there is a short between the two. If it stops, the problem is likely in the switch.

Let me know what happens.

Joe
Was this
answer
helpful?
Yes
No
Friday, March 24th, 2023 AT 10:18 PM
Tiny
GPMCMA35
  • MEMBER
  • 15 POSTS
What switch are you talking about? The one in the door. If that is the one you are talking about, then I have to take the door panel off.
Was this
answer
helpful?
Yes
No
Saturday, March 25th, 2023 AT 11:01 AM
Tiny
JACOBANDNICKOLAS
  • MECHANIC
  • 110,192 POSTS
Hi,

Yep, the one in the door. If you are drawing that much voltage at all times, you need to look for a short. If you do what I mentioned above, it should point us in the right direction.

Let me know.

Joe
Was this
answer
helpful?
Yes
No
Saturday, March 25th, 2023 AT 8:58 PM
Tiny
GPMCMA35
  • MEMBER
  • 15 POSTS
If the reading I got as I mentioned, where is the power coming from If the line, I put in is not connected to the door switches. Is there other power coming from the fuse block? Are there two power sources to the door switches?
Was this
answer
helpful?
Yes
No
Sunday, March 26th, 2023 AT 1:28 AM
Tiny
JACOBANDNICKOLAS
  • MECHANIC
  • 110,192 POSTS
Hi,

There are power sources coming from the body control module. However, I thought this was the inline fuse you installed. Did you use the multimeter to jump the fuse that you installed?

If that is the one you are referring to, is the power (8v) lost if you disconnect it at the switch?

Let me know. Sorry for so many questions. It's a lot easier when it's in front of me. I hope you understand.

Take care,

Joe
Was this
answer
helpful?
Yes
No
+1
Sunday, March 26th, 2023 AT 7:47 PM
Tiny
GPMCMA35
  • MEMBER
  • 15 POSTS
Thanks for all of the help.
Was this
answer
helpful?
Yes
No
Monday, March 27th, 2023 AT 11:48 AM
Tiny
GPMCMA35
  • MEMBER
  • 15 POSTS
I was just watching TV and a video segment was shown. It showed how to fix windshield chatter by bending the arm, so the blade was perpendicular to the window. Were you the one doing the video? If I had seen this earlier, I wouldn't have bought new blades.
Was this
answer
helpful?
Yes
No
Thursday, April 20th, 2023 AT 8:52 PM

Please login or register to post a reply.