Monday, August 10th, 2020 AT 1:48 PM
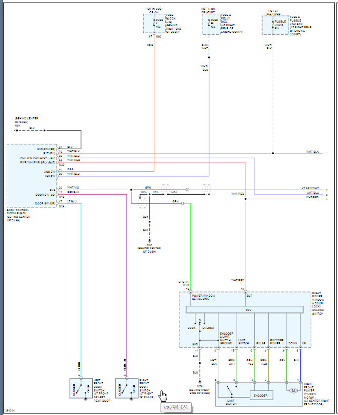
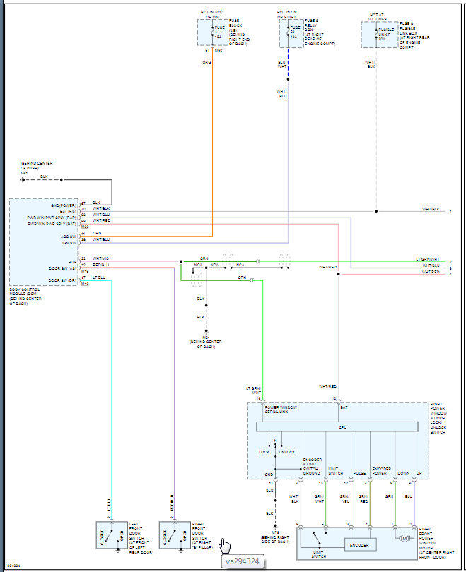
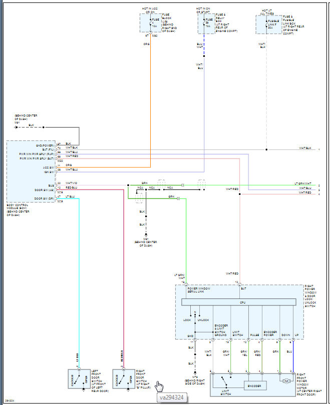
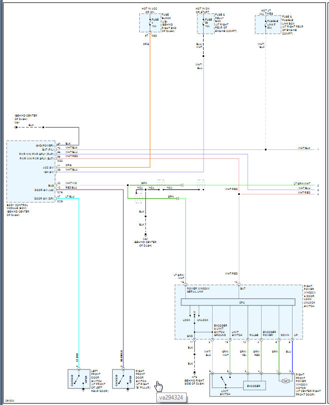
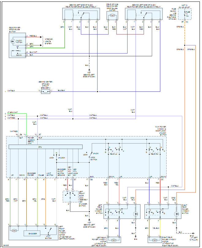
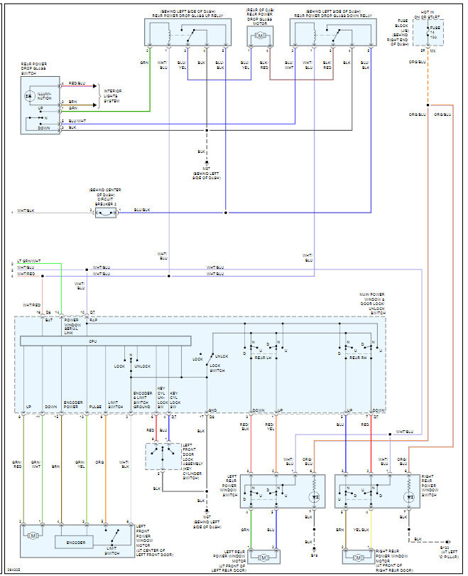
The driver window won't respond, but the passenger window control still works on both panels. Before the driver window stopped working, it would fight us. It would act as though we were pushing shown and at the same time when pulling the tab in the up position. If we lottery go of the control, the window would roll back down as if we push the auto down mode. We would have to quickly stop it, then it would work properly, but the closer it was to the bottom, the more we had to fight with it. If it went all the way down, we had to fight through the up and down phase until it was high enough to stop and start. Do we need to replace motor or is there an additional problem that needs to be addressed? Maybe something with the panel?



