Window switches will not roll the windows down?

Tiny
BETTIE ANN LERMA
  • MEMBER
  • 2001 SATURN L200
  • 200,000 MILES
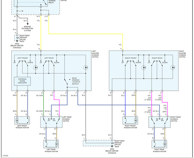
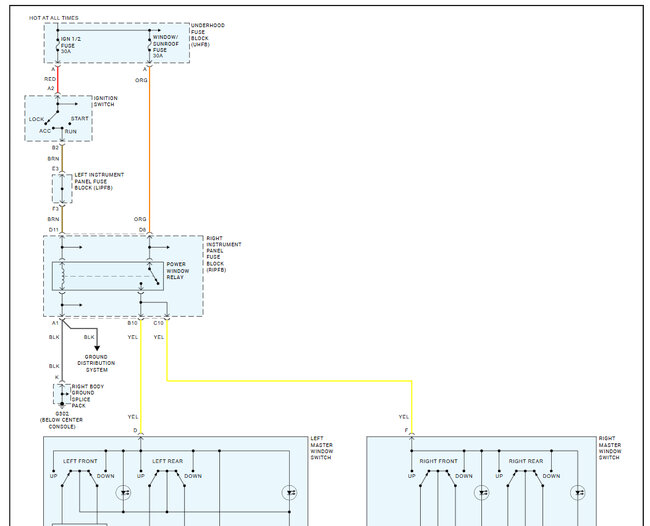
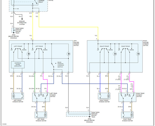
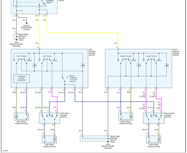
Window motors are good, but switches won’t roll them down.
Friday, February 14th, 2025 AT 1:21 PM

1 Reply

Tiny
KEN L
  • MASTER CERTIFIED MECHANIC
  • 55,291 POSTS
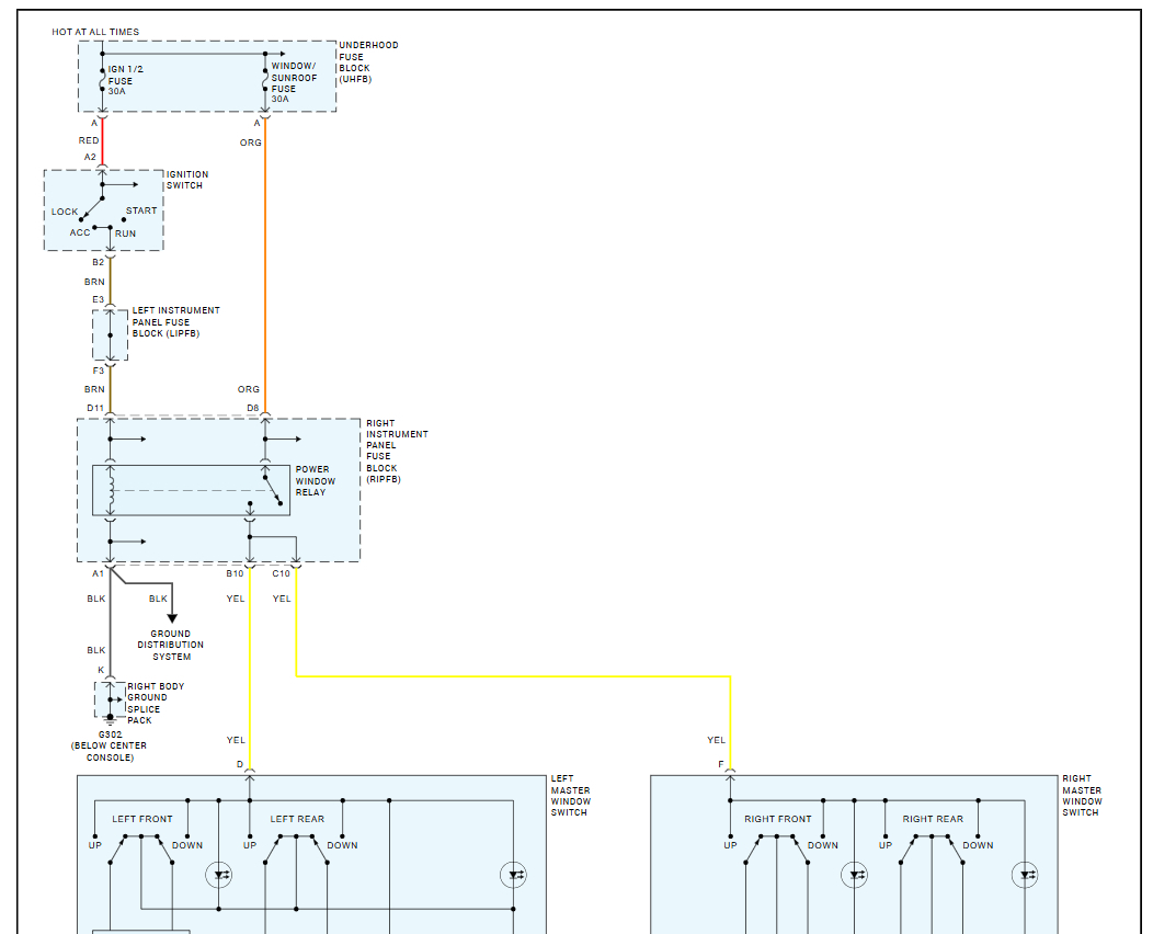
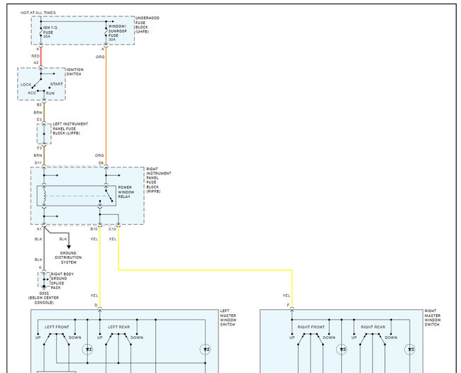
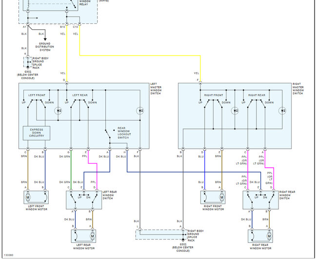
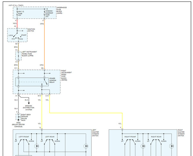
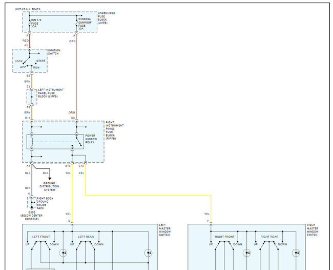
I would start by checking the fuses: IGN 1/2 and window/sunroof which are under the hood.

Here is a guide to help:

https://www.2carpros.com/articles/how-to-check-a-car-fuse

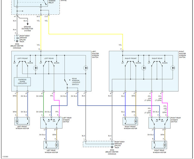
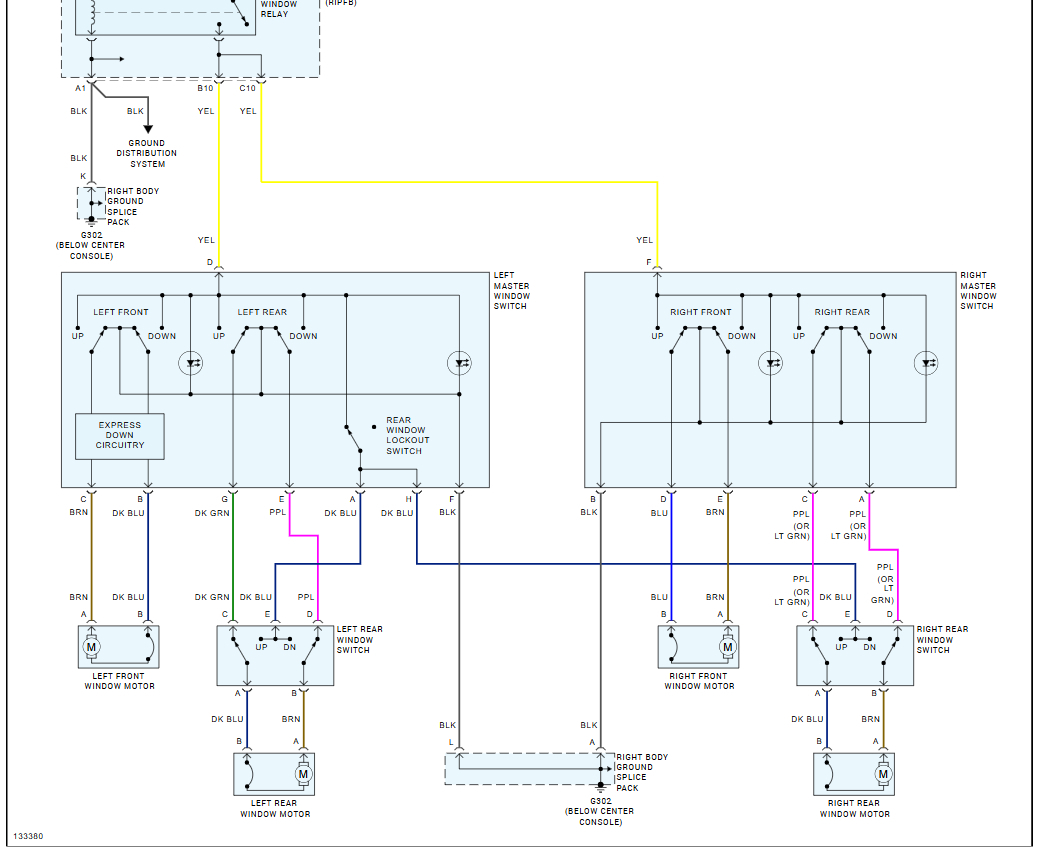
If there are okay the system is run by a power window relay which is in the fuse panel inside the car, here are the locations to help you as well. I have also included the window system wiring diagrams so you can see how the system works. Check out the images (below). Please upload pictures or videos in your response of any problems so we can see what to help you with.

Was this
answer
helpful?
Yes
No
Saturday, February 15th, 2025 AT 10:54 AM

Please login or register to post a reply.